形位误差测量与实验
- 格式:doc
- 大小:2.75 MB
- 文档页数:6
一、实验目的1. 了解定位误差的基本概念和产生原因。
2. 掌握定位误差的测量方法。
3. 分析定位误差对定位结果的影响。
4. 提出减少定位误差的方法。
二、实验背景在现实生活中,各种定位技术广泛应用于导航、测绘、物联网等领域。
然而,由于各种因素的影响,定位结果往往存在误差。
因此,研究定位误差的产生原因、测量方法和减少方法具有重要意义。
三、实验原理1. 定位误差的概念:定位误差是指实际位置与测量位置之间的偏差。
2. 定位误差的来源:定位误差主要来源于以下三个方面:(1)测量误差:由于测量仪器的精度限制,导致测量结果与实际值之间存在误差。
(2)环境误差:如电磁干扰、多径效应、地形地貌等,对定位结果产生影响。
(3)算法误差:定位算法本身存在的缺陷,导致定位结果不准确。
3. 定位误差的测量方法:(1)距离差分法:通过测量实际距离与测量距离之差,计算定位误差。
(2)角度差分法:通过测量实际角度与测量角度之差,计算定位误差。
(3)时间差分法:通过测量实际时间与测量时间之差,计算定位误差。
四、实验内容与步骤1. 实验设备:GPS接收机、测距仪、全站仪等。
2. 实验场地:选择开阔地带,避免高楼、树木等障碍物。
3. 实验步骤:(1)使用GPS接收机采集实际位置信息;(2)使用测距仪测量实际距离;(3)使用全站仪测量实际角度;(4)根据测量结果,计算定位误差;(5)分析定位误差产生的原因;(6)提出减少定位误差的方法。
五、实验结果与分析1. 实验数据:实际距离:1000m测量距离:990m实际角度:30°测量角度:29.5°实际时间:1秒测量时间:0.98秒2. 定位误差计算:(1)距离误差:10m(2)角度误差:0.5°(3)时间误差:0.02秒3. 定位误差分析:(1)测量误差:由于测距仪、全站仪等仪器的精度限制,导致测量结果与实际值之间存在误差。
(2)环境误差:如电磁干扰、多径效应等,对定位结果产生影响。
实验二形状和位置误差测量1.实验目的(1)掌握用指示表和平台测量平面的形位误差的方法;(2)掌握平面的平面度、平行度和位置度三种形位误差的评定方法和数据处理方法。
2.原理本实验三种形位误差的检测原理均为与理想要素比较原理:(1)平面度误差的测量原理用平台的工作表面模拟理想平面,将实际被测平面与模拟理想平面相比较,用指示表测出其差别。
平面可看成由许多直线构成,因此可用几个有代表性的直线的直线度误差来综合反映该平面的平面度误差。
(2)面对面平行度误差的测量原理用平台的工作表面模拟模拟基准平面和理想平面。
(3)面对面位置度误差的测量原理用平台的工作表面模拟基准平面和理想平面,并用量块组的尺寸体现图样上标注的理论正确尺寸。
3.试剂和仪器设备(1)百分表;(2)磁力表座;(3)试件;(4)平台(,1级);(5)量块(83块/套)。
4.实验步骤(1)将被测工件以其实际基准表面放置在测量平台的工作表面上;(2)按图样上标注的理论正确尺寸选取量块组,并将其放置在测量平台的工作表面上;(3)用量块组调整指示表的示值零位;(4)按选定的布点方式在实际被测表面上标出各测点位置;(5)移动测量架,逐点测量各测点至测量平台工作表面的距离。
5.实验数据及其处理(1)测量数据为各测点指示表的示值;(2)按对角线平面法和最小条件求解平面度误差值;(3)按定向最小区域求解平行度误差值;(4)按定位最小区域求解位置度误差值;(5)按图样上标注的形位公差值判断被测要素的合格性。
6.问题讨论(1)按对角线平面法和最小条件评定平面度误差值各有何特点?(2)面对面平行度误差的定向最小包容区域的判别准则是什么?(3)面对面位置度误差的定位最小包容区域的判别准则是什么?。
实验四 轴类零件的综合测量一.实验目的1.了解常用轴类零件的检测项目,会根据要求选用相应的测量仪器和测量方法;2.了解轴类零件常用测量形位误差的仪器设备原理、使用方法及数据处理方法;3. 掌握常用表面粗糙度的检测方法及主要仪器的结构、工作原理和测量方法。
二.实验内容介绍对于轴类零件,检测项目一般包括尺寸、形位误差、表面粗糙度等项目。
图4-1为某车床传动轴的零件图,要求通过实验选择合适的测量器具,将该轴零件图中标注的各项技术参数进行测量评定。
图4-1 某车床传动轴简图三.测量仪器及测量方法(一) 尺寸测量。
尺寸测量方法及仪器选用参照实验一。
(二)形位误差测量圆度、圆柱度、径向跳动误差的测量方法很多,本实验介绍用两中心孔的轴线为公共基准,直接测量圆柱体横截面轮廓上各点到基准轴线的半径差,然后按最少区域法或最少二乘法计算出圆度误差值。
这种测量原理是根据测量跳动的原则。
1.测量仪器及原理XW-250型多功能形位误差测量仪配接电感测微仪、数据采集器及计算机半自动采集数据测量轴类零件的径向跳动、端面跳动、圆度误差和圆柱度误差。
测量装置的外形如图4-2所示。
它由底座、导轨、测量支架、顶针等主要部分组成,配接不同仪器可用来测量轴类、盘类零件的圆度、圆柱度、直线度、平行度、径向跳动、端面跳动及全跳动等。
实验中用到的电感测微仪是一种精度高,测量范围大,稳定性好,配接传感器侧头能够准确测出微小尺寸变化的精密仪器。
其外形如图4-3所示。
电感测微仪和计算机之间的连接是通过便携式形位数据采集器完成的,各部分之间的接线如下图4-4所示。
采集器有一个12位的显示窗和一个32键的键盘,其主要功能是选择档位、配接仪器、设置测量参数,与多种测量仪适配对各有关项目形位误差的测量进行数据采集,将测量结果保存或用通讯的方式将采得的数据实时送入计算机进行计算评定处理,最后得出相应形位误差项目的测量评定结果。
测量时,工件安装在分度头与尾架的两顶尖上,两顶尖之间的距离可根据工件的长度,移动尾架来调整。
形位误差和表面粗糙度测量实验结果及分析
形位误差和表面粗糙度测量实验可以采用不同的实验方法和仪器,因此实验结果也会有所不同。
以下是一般实验结果和分析:
形位误差实验结果:
形位误差实验通常通过三坐标测量仪或者影像测量仪进行,常用的参数包括平面度、圆度、直线度、平行度、垂直度等。
实验结果一般以数字形式给出,例如:
平面度误差:0.005mm
圆度误差:0.003mm
直线度误差:0.008mm
平行度误差:0.007mm
垂直度误差:0.006mm
形位误差的实验结果可以直观反映出被测物体在各维度方面的精度和准确度,进一步为后续的工艺加工提供基础参数。
表面粗糙度实验结果:
表面粗糙度实验通常使用表面粗糙度测试仪器进行,常用的参数包括Ra、Rz、Rq等。
实验结果一般以数字形式给出,例如:
Ra值:0.25μm
Rz值:3.25μm
Rq值:1.68μm
表面粗糙度的实验结果可以直观反映出被测物体表面的平滑度和粗糙度,对于一些需要精确表面加工的产品或部件而言,这些参数的掌握是非常重要的。
分析:
形位误差和表面粗糙度都是反映被测物体精度和准确度的重要参数,通过实验结果的分析和对比,可以找出其中存在的问题和不足,通过进一步的调整和改进加工工艺,提高被测物体的精度和准确度,最终提高产品的质量。
实验报告形位公差————————————————————————————————作者:————————————————————————————————日期:2目录实验一零件形状误差的测量与检验实验1—1直线度测量与检验实验1—2平面度测量与检验实验1—3圆度测量与检验实验1—4圆柱度测量与检验实验二零件位置误差的测量实验2—1 平行度测量与检验实验2—2 垂直度测量与检验实验2—3 同轴度测量与检验实验2—4圆柱跳动测量与检验实验2—4—1圆柱径向跳动测量与检验实验2—4—2圆柱全跳动测量与检验实验2—5端面跳动测量与检验实验2—5—1端面圆跳动测量与检验实验2—5—1端面全跳动测量与检验实验2—6 对称度测量与检验实验三齿轮形位误差的测量与检验实验3—1齿圈径向跳动测量与检验实验3—2齿轮齿向误差测量与检验实验一零件形状误差的测量与检验实验1—1直线度测量与检验一、实验目的1、通过测量与检验加深理解直线度误差与公差的定义;2、熟练掌握直线度误差的测量及数据处理方法和技能;3、掌握判断零件直线度误差是否合格的方法和技能。
二、实验内容用百分表测量直线度误差。
三、测量工具及零件平板、支承座、百分表(架)、测量块(图纸一)。
四、实验步骤1、将测量块2组装在支承块3上,并用调整座4支承在平板上,再将测量块两端点调整到与平板等高(百分表示值为零),图1-1-1所示。
图1-1-1 用百分表测量直线度误差2、在被测素线的全长范围内取8点测量(两端点为0和7点,示值为零),将测量数据填入表1-1-1中。
表1-1-1:单位:μm 测点序号0 1 2 3 4 5 6 7 计算值图纸值合格否两端点连线法最小条件法3、按图1-1-1示例将测量数据绘成坐标图线,分别用两端点连线法和最小条件法计算测量块直线度误差。
图1-1-1 直线度误差数据处理方法4、用计算出的测量块直线度误差与图纸直线度公差进行比较,判断该零件的直线度误差是否合格。
位置误差的测量实验报告一、实验目的1. 熟悉零件有关位置误差的含义和基准的体现方法。
2. 掌握有关通用量仪的使用方法。
二、实验用量具齿轮跳动检查仪、平板、千分表、百分表、千分表架、V型块、直角尺、钢板尺等三、实验内容及说明1、平行度误差的测。
连杆小孔轴线对大孔轴线的平行度1)连杆孔的平行度要求如图1-15所示2)测量方法如图1-16所示平行度误差为将零件转位使之处于图中0度位置,使两心轴中心与平板等高,然后在测出0度位置的平行度误差。
根据测量结果判断零件平行度误差是否合格2. 垂直度误差的测量十字头孔轴线对孔轴线以及对侧面B的垂直度要求,如图1-17所示。
1)轴线对轴线的垂直度误差的测量如图1-18所示。
将测量表架安装在基准孔心轴上部,在距离为L2两端用千分表测得读数分别为M1,M2,则该零件轴线对轴线的垂直度误差为:2) 轴线对侧面B的垂直度误差测量如图1-19所示。
被测孔轴线用心轴模拟,先将心轴穿入零件被测孔,以零件顶面为支撑面,放在三个千斤顶上。
再用一直角尺,使其一面放在平板上,另一面与基准面B靠拢,同时调节千斤顶使其与基准面贴合为止,这说明基准面B与平板垂直。
然后用千分表分别测出图中L2长度两端读数M1,M2,则垂直度误差为根据以上结果,判断两项垂直度要求是否合格3. 圆跳动误差的测量被测零件圆跳动公差要求如图1-23所示,其测量方法如图1-24所示1)径向圆跳动误差的测量:将工件旋转一周,记下千分表读数的最大差值。
共测三个截面,取其中最大跳动量作为该表面的径向圆跳动误差值,并判断该指标是否合格2)端面圆跳动误差的测量:分别在端面靠近最大直径处和较小直径处测量,每测一处,转动工件一转,读取指示表的最大最小读数差,取其较大者作为该端面的圆跳动误差值图1-15图1-16图1-17图1-18中国石油大学(华东)四、数据分析1. 单位(mm)实验内容L1L21L22L2M1M2F允许值是否合格孔轴线平行度0度位置36.262.059.0157.2 1.191 1.1950.000920.25合格孔轴线平行度90度位置36.279.578.5194.2 1.981 2.4650.09020.1合格孔轴线与端面垂直度93.860.060.0213.80.7100.5260.08070.06不合格孔轴线与孔轴线垂直度93.878.077.8249.60.8390.8890.01880.06合格图1-19图1-23图1-242. 单位(µm )3. 单位(µm )五、思考题1. 求垂直度、平行度误差时为什么要有L1/L2,L1、L2分别指什么?L2指被测心轴长度;L1指被测工件孔的长度。
实验二形位误差测量
(三) 平行度、垂直度测量实验
一、实验目的
1、通过平行度、垂直度的测量,了解定向公差综合控制被测要素方向和形状的能力。
2、熟悉常规测量的方法,培养操作动手能力。
二、实验内容
1、测量面对面的平行度。
2、测量线对面的平行度。
3、测量面对面的垂直度。
4、测量线对线的垂直度。
三、实验仪器
平板、直角尺、(方箱)、可涨心轴、指示表架、指示表、等高V形块。
四、实验方法
以平板模拟平面基准,可涨心轴模拟孔轴线基准,用直接测量方法,由指示表读数通过简单计算,获得各项测量误差值。
五、实验步骤
1、面对面的平行度测量:
(1)将被测零件放置在平板上,在整个被测表面上按规定测量线进行测量,如下图所示。
(2)取指示表的最大最小读数之差作为该零件的平行度误差。
2
(1)将被测零件放置在平板上,被测轴线由心轴模拟,在测量距离为
3、面对面的垂直度误差测量:
(1)
(2)间隙小时看光隙估读误差值,间隙大时可用塞规片测量误差值。
4、线对线的垂直度误差测量:
(1)基准轴线和被测轴线由心轴模拟,将零件放置在等高V 形支承上。
如
M 2。
(3)计算垂直度误差:
1
-M 2| 六、将测量记录填表2-3
平行度、垂直度测量记录表3-1
七、思考题。
实验二 形位误差测量一.实验目的1.了解位置度误差的检测原则和基准体现方法;误差的测量原理及方法。
2.熟悉通用量具的使用。
3.加深对平行度、垂直度等位置公差的理解。
二.实验设备测量平板、心轴、精密直角尺、塞尺、百分表、表架、外径游标卡尺等。
三.实验内容1.图2-1为被测件角座,其上提出四个位置公差要求;(1)顶面对底面的平行度公差0.15;(2)两孔的轴线对底面的平行度公差0.05;(3)两孔轴线之间的平行公差0.35;(4)侧面对底面的垂直度公差0.20;2.被测件活塞,要求测量活塞裙部轴线对销孔轴线的位置度三.实验方法步骤 1.按检测原则1(与理想要素比较原则)测量顶面对底面的平行度误差(图2-1)。
将被测件放在测量平板上,以平板面作模拟基准;调整百分表在支架上的高度,将百分表测头与被测面接触,使百分表指针倒转1~2圈,固定百分表,然后在整个被测表面上沿规定的各测量线上移动百分表支架,取百分表的最大与最小读数之差作为被测表面的平行度误差。
图2-2 测量顶面对底面的平行度误差 图2-3 测量两孔轴线对底面的平行度误差 2.按检测原则,测量两孔轴线对底面的平行度误差。
用心轴模拟被测孔的轴线(图 2-3),以平板模拟基准,按心轴上的素线调整百分表的高度,并固定之(调整方法同步骤1), 在距离为L 1的两个位置上测的两个读数M 1和M 2,被测轴线的平行度误差为=f 211M M L L − 式中:L ——被测轴线的长度。
3.按检测原则1测量两孔轴线之间的平行度误差(图2-4)。
用心轴模拟两孔轴线用 游标卡尺在靠近孔口端面处测量尺寸a 1及a 2,差值(a 1-a 2)即为所求平行度误差。
1图2-4 测量两孔轴线之间的平行度误差 图2-5 测量侧面对底面的垂直度4.按捡测原则3(测量特征参数原则)测量侧面对底面的垂直度误差(图2-5)。
用平板模拟基准,将精密直角尺的短边垂直于平板上,长边靠在被测侧面上,此时长边即为理想要素。
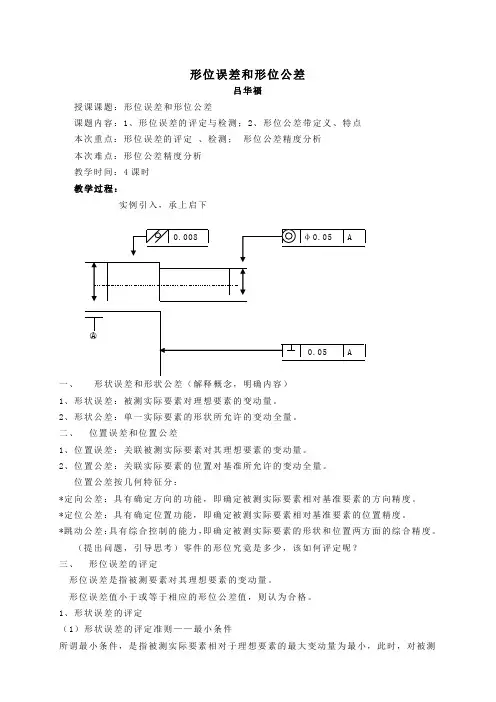
形位误差和形位公差吕华福授课课题:形位误差和形位公差课题内容:1、形位误差的评定与检测;2、形位公差带定义、特点本次重点:形位误差的评定、检测;形位公差精度分析本次难点:形位公差精度分析教学时间:4课时教学过程:实例引入,承上启下一、形状误差和形状公差(解释概念,明确内容)1、形状误差:被测实际要素对理想要素的变动量。
2、形状公差:单一实际要素的形状所允许的变动全量。
二、位置误差和位置公差1、位置误差:关联被测实际要素对其理想要素的变动量。
2、位置公差:关联实际要素的位置对基准所允许的变动全量。
位置公差按几何特征分:*定向公差:具有确定方向的功能,即确定被测实际要素相对基准要素的方向精度。
*定位公差:具有确定位置功能,即确定被测实际要素相对基准要素的位置精度。
*跳动公差:具有综合控制的能力,即确定被测实际要素的形状和位置两方面的综合精度。
(提出问题,引导思考)零件的形位究竟是多少,该如何评定呢?三、形位误差的评定形位误差是指被测要素对其理想要素的变动量。
形位误差值小于或等于相应的形位公差值,则认为合格。
1、形状误差的评定(1)形状误差的评定准则——最小条件所谓最小条件,是指被测实际要素相对于理想要素的最大变动量为最小,此时,对被测实际要素评定的误差值为最小。
(2)形状误差值的评定评定形状误差时,形状误差数值的大小可用最小包容区域(简称最小包容区域)的宽度或直径表示。
3个区域比较,引出最小条件、最小区域的概念,用以评定形状误差。
2、位置误差的评定*定向误差是被测实际要素对一具有确定方向的理想要素的变动量,该理想要素的方向由基准确定。
定向误差值用定向最小包容区域(简称定向最小区域)的宽度或直径表示。
定向最小区域是指按理想要素的方向包容被测实际要素时,具有最小宽度或直径的包容区域。
(通过定向误差的评定分析,比较定向最小区域与最小区域的差别。
)*定位误差是被测实际要素对一具有确定位置的理想要素的变动量。
实验二形位误差测量(二)径向圆跳动、全跳动、端面圆跳动实验一、实验目的:跳动测量是生产实践中应用较广泛的一种测量方法,检测方式简单实用,又具有一定的综合控制功能。
本实验的目的是:1、掌握形位公差检测原则中的跳动原则。
2、形状误差不大时,用以代替同轴度测量。
3、分析圆度误差与径向跳动的各自特点。
二、实验内容:1、模拟建立理想检测基准。
2、径向圆跳动、全跳动、端面圆跳动的测量。
3、根据指示表读数值,确定各种跳动量。
三、实验仪器:偏摆仪、测量表架、指示表。
四、实验方法:调整偏摆仪两端顶尖同轴,以两顶尖的轴线模拟公共基准,被测工件对顶无轴向移动且转动自如,采用跳动原则,看指示表读数,确定跳动量。
具体检测方法见下表。
五、实验步骤:1、径向圆跳动测量:(1)将指示表安装在表架上,指示表头接触被测圆柱表现,指针指示不得超过指示表量程的1/3,测头与轴线垂直,指示表调零。
(2)轻轻使被测工件回转一周,指示表读数的最大差值即为单个测量截面上的径向跳动。
(3)按上述方法在若干个正截面上测量,分别记录,取各截面上测的跳动量中的最大值作为该零件的径向圆跳动。
(4)将测量记录填表2-2。
2、径向全跳动测量(1)按上述方法在被测工件连续转动过程中,同时让指示表沿基准轴线方向作直线移动。
(2)在整个测量过程中,指示表读数最大差值即为该零件的全跳动。
(3)所测数据填表2-2。
3、端面圆跳动测量(1)将指示表测头与被测的台阶表面接触,注意指示表指针指示不得超过指示表量程的1/3,指示表读数调零。
(2)轻轻转动工件一周,指示表读数最大差值即为单个测量圆柱面上的端面圆跳动。
(3)按上述方法,在任意半径处测量若干个圆柱面,取各测量圆柱面上测得的跳动中最大值作为该零件的端面圆跳动。
(4)所测数据填表2-2。
六、实验记录表表2-2 径向圆跳动、全跳动、端面圆跳动实验记录七、思考题1、工厂的生产车间常用径向圆跳动测量来判断零件的圆度误差,同轴度误差是否合格,说说其中的道理。
本文部分内容来自网络整理,本司不为其真实性负责,如有异议或侵权请及时联系,本司将立即删除!== 本文为word格式,下载后可方便编辑和修改! ==平面度实验报告篇一:平面度误差的测量实验报告平面度误差的测量一、实验目的1. 了解平面度误差的测量原理及千分表的使用方法。
2. 掌握平面度误差的评定方法及数据处理。
二、实验设备:平板、带千分表的测量架等。
三、测量原理用指示表测量平面度误差,对角线法进行数据处理,即通过被测表面的一条对角线作另一条对角线的平行平面,该平面即为基准平面。
偏离此平面的最大值和最小值的绝对值之和为平面度误差。
四、实验步骤1、将被测零件、带千分表的测量架放在平板上,并使千分表测量头垂直指向被测零件表面,压表并调整表盘,使指针指在零位。
2、按图所示,将被测平板沿纵横方向均布画好网格,四周离边缘10mm,其画线的交点为测量的9个点。
同时记录各点的读数值。
图 1a1 a2 a3 b1 b2 b3 c1 c2 c3图2五、数据处理:用对角线法进行数据处理(1)令图2中的 a1—c1为旋转轴,旋转量为P。
则有a1a2?Pa3?2Pb b2?P b3?2P1c1 c2?P C3?2P图3a?2P(2)令图4中的 a1——3为旋转轴,旋转量为Q。
则有a1 a2?Pa3?2Pb1+Qb2?P+Qb3?2P+Qc1+2Qc2?P+2Q C3?2P+2Q图4(3)按对角线上两个值相等列出下列方程,求旋转量P和Qa1=c3+2P+2Qa3?2P=c1+2Q把求出的P和Q代入图4中。
按最大最小读数值之差来确定被测表面的平面度误差值。
篇二:2平面度误差测量的实验报告平面度误差测量的实验报告一实验内容及目的:1.学会用千分表测量一个平面的平面度2..学会千分表的使用二实验仪器:千分表:测量范围0—1mm. 最小分度值0.001mm 0级大平板三实验原理:千分表是利用齿条齿轮传动,将测杆的直线位移变为指针的角位移的计量器具。
形位公差测量实验报告一、实验目的形位公差是机械制造中非常重要的概念,它直接影响着产品的质量和性能。
本次实验的目的在于通过实际操作和测量,深入理解形位公差的概念和测量方法,掌握常用测量工具的使用技巧,提高对机械零件精度的评估能力。
二、实验原理形位公差包括形状公差和位置公差。
形状公差是指单一实际要素的形状所允许的变动全量,如直线度、平面度、圆度、圆柱度等;位置公差是指关联实际要素的位置对基准所允许的变动全量,如平行度、垂直度、同轴度、对称度等。
测量形位公差的基本原理是通过与标准的对比,确定实际零件与理想形状或位置的偏差。
常用的测量方法有直接测量法、间接测量法和综合测量法。
三、实验设备和工具1、三坐标测量机2、游标卡尺3、千分尺4、百分表5、平板6、直角尺7、芯轴8、量块四、实验步骤1、实验前准备熟悉实验设备和工具的使用方法。
清洁测量工具和被测零件,确保测量的准确性。
2、直线度的测量选择合适长度的被测轴类零件。
将零件放置在平板上,使用百分表沿着轴线方向移动,测量轴表面的直线度偏差。
记录测量数据,并计算直线度误差。
3、平面度的测量选取一块平板零件作为被测对象。
用千分尺在平板的不同位置测量厚度,通过比较各点的厚度差值来评估平面度。
4、圆度的测量选择一个圆柱零件。
使用游标卡尺在不同的截面位置测量直径,计算最大直径与最小直径之差,即为圆度误差。
5、圆柱度的测量对于同一圆柱零件,在多个截面测量直径和轴的直线度。
综合分析数据,得出圆柱度误差。
6、平行度的测量准备两个相互平行的平面零件。
将百分表固定在一个基准平面上,表头接触另一个被测平面,移动表头,测量平行度偏差。
7、垂直度的测量选取一个轴和一个平面作为被测对象。
用直角尺和百分表配合测量轴与平面的垂直度。
8、同轴度的测量对于具有同轴要求的轴类零件,使用三坐标测量机测量各轴段的轴心坐标,计算同轴度误差。
9、对称度的测量以一个具有对称结构的零件为例,使用游标卡尺或千分尺测量对称部位的尺寸差异,评估对称度。
实验二形位误差测量(一)平面度误差测量一、实验目的通过对平面度误差的测量,加深对零件表面实际形状与理想形状之间差异的认识,了解实际生产中平面度测量的二种方法。
二、实验内容1、建立理想平面2、被测平面与理想平面比较3、正确数据处理,得出平面度误差。
三、实验仪器平板、固定支架活动支架,带测试架的百分表。
四、实验方法以平板模拟测量基准1、三点法测量以通过被测实际表面相距最远且不在一条直线上的三点建立理想平面,并以平行于该理想平面的两包容平面之间的最小距离作为平面度误差。
2、对角线法测量:以通过被测实际表面的一条对角线的两端点连线且平行于另一对角线两端点连线的平面作为理想平面,再以平行于该理想平面的两包容平面之间最小距离作为平面度误差。
注意:此二种测量方法均为近似方法,所测得的数据处理得的误并值均大于最小区域法测量所判断的误差值,且三点法所判的误差值并不唯一。
但两种近似方法均可判定工件的合格与否。
若有争议可用最小区域法仲裁。
五、实验步骤1、三点法(1)以平板模拟测量基准,用一个固定支承,二个可调支承将被测工件表面最远三点调为等值高度,并将指示表针调为零。
12 (2)移动指示表,纵横等距离测出九点,并记录各测点数值。
(3)数据处理:最高点与最低点数据之差即为平面度误差值。
(4)填好表2-1a ,计算平面度误差值。
表2-1a 三点法测量平面度误差, 单位:___________平面度误差计算f=2、对角线法(1)以平板模拟测量基准,将被测工件置于平板上用指示表纵横等距离测出被测表面上九点数值,并逐点记录。
(2)数据处理:利用基准对换,将每条对角线两端对换为等值,最大正值与最小负值的绝对值之和即为平面度误差。
(3)填好表2-1b ,算出平面度误差。
表2-1b 对角线法测量平面度误差, 单位:__________平面度误差计算f=六、思考题1、试述平面度公差带的形状及意义2、如果平面度的误差不大,是否可用各条截面轮廓的直线度误差的最大值来代替平面度误差?为什么?。
形位误差测量与实验
实验3-1直线度误差的测量
(一)实验目的
1.掌握用水平仪测量直线度误差的方法及数据处理。
2.加深对直线度误差含义的理解。
3.掌握直线度误差的评定方法。
(二)实验内容
用合象或框式水平仪按节距法测量导轨在给定平面内的直线度误差,并判断其合格性。
(三)实验器具:
1.合象水平仪或框式水平仪
2.桥板
(四)测量原理及器具介绍
为了控制机床、仪器导轨及长轴的直线度误差,常在给定平面(垂直平面或水平平面)内进行检测,常用的测量器具有框式水平仪、合象水平仪、电子水平仪和自准直仪等测定微小角度变化的精密量仪。
由于被测表面存在直线度误差,测量器具置于不同的被测部位上时,其倾斜角将发生变化,若节距(相邻两点的距离)一经确定,这个微小倾角与被测两点的高度差就有明确的函数关系,通过逐个节距的测量,得出每一变化的倾斜度,经过作图或计算,即可求出被测表面的直线度误差值。
合象水平仪因具有测量准确、效率高、价格便宜、携带方便等特点,在直线度误差的检测工作中得到广泛采用。
合象水平仪的结构,主要由微动螺杆、螺母、底盘水准仪、棱镜、放大镜、杠杆以及具有平面和V形工作面和底座等组成。
合象水平仪是利用棱镜将水准器中的气泡像复合放大,以提高读数时的对准精度,利用杠杆和微动螺杆传动机构来提高读的精度和灵敏度,其工作原理见本指导书第二篇。
合象水平仪置于被测工件表面上,若被测两点相对自然水平线不等高时,将引起两端的气泡像不重合,转动度盘使气泡像重合,此时合象水平仪的读数值即为该两点相对自然水平面的高度差,刻度盘读数与桥板跨距L之间的关系为:
h=i·L·a
框式水平仪是一种测量偏离水平面的微小角度变化量的常用量仪,它的主要工作部分是水准器。
水准器是一个封闭的玻璃管,内表面的纵剖面具有一定的曲率半径,管内装乙醚或酒精,并留有一定长度的气泡。
由于地心引力作用,玻璃管内的液面总是保持水平,即气泡总是在圆弧玻璃管的最上方。
当水准器的下平面处于水平时,气泡处于玻璃管外壁刻度的正中间,若水准器倾斜一个角度α,则气泡就要偏离最高点,移动的格数与倾斜的角度α成正比。
由此,可根据气泡偏离中间位置的大小来确定水准器下平面偏离水平的角度。
框式水平仪的分度值有0.1mm/m,0.05mm/m,0.02mm/m三种。
如果水平仪分度值为0.02mm/m,则气泡每移动一格,表示导轨面在1m长度上两测量点高度差为0.02mm(或倾斜角为4〞)。
(五)实验步骤
1、量出零件被测表面总长,将总长分为若干等分段(一般为6~12段)确定每一段的长度(跨距)L,并按L调整可调桥板两圆柱的中心距。
2、将水平仪放于桥板上,然后将桥板从首点依次放在各等分点位置上进行测量。
到终点后,自终点再进行一次回测,回测时桥板不能调头,同一测点两次读过的平均值为该点的测量数据。
如某测点两次读数相差较大,说明测量情况不正常,应查明原因并加以消除后重测。
测量时要注意每次移动桥板都要将后支点放在原来前支点处(桥板首尾衔接),测量过程中不允许移动水平仪与桥板之间的相对位置。
3、从合象水平仪读数时,先从合像水平仪的侧面视窗处读得百位数,,再从其上端读数鼓轮处读得十位和个位数。
从框式水平仪读数时,待气泡稳定后,从气泡边缘所在刻线读出气泡偏离的格数。
4、把测得的值依次填入实验报告中,并用计算法按最小条件进行数据处理,求出被测表面的直线度误差。
(六)数据处理
1、为了作图的方便,最好将各测点的读数平均值同减一个数而得出相对差。
2、根据各测点的相对差,在坐标纸上描点。
作图时不要漏掉首点(零点),且后一点的坐标位置是在前一点座标位置的基础上累加。
用直线依次连接各点,得出误差折线。
3、两条平行直线包容误差折线,其中一条直线必须与误差折线两个最高(或最低)点相切,在两切点之间有一个最低(或最高)点与另一条平行线相切。
这两条平行直线之间的区域就是最小包容区域。
两平行线在纵坐标上的截距即为被测表面的直线度误差值△a(角度格值)。
4、差值f(μm)按下式折算成线性值,并按国家标准GB1184-1996确定被测表面直线度的公差等级。
f =i·L·△a
式中:i—水平仪的分度值
L—桥板跨距
△a一被测件的直线度误差值(格)
例:用合象水平仪测量一长平面的直线度误差,仪器的分度值为0.01mm,选用的桥板节距L=200mm,测量直线度的记录数据见下表。
若被测面的直线度公差为5级,试用作图法评定该的直线度误差是否合格。
解:数据处理的步骤如下:
⑴先将各点的顺测值与回测值取平均
⑵简化测量数据:a值可取任意数值,但要有利于相对差数字的简化,本例取a=274
⑶将相对差中的各点读数格值在直角坐标系中逐一累加描点(如下图)。
⑷求最小包容区:先过0点和第4点作一直线,再过第3点作一平行线。
则两条平行线在纵坐标上的载距7格,即为该被测件的直线度误差值(格值)。
⑸求直线度误差的线值: f=0.01×200×7=14 (μm)
⑹按GB1184-1996,直线度5级公差值为25μm。
其测量出的误差值小于公差值,所以被测零件直线度误差合格。
被测件直线度误差折线图
实验3-2 平面度误差的测量
(一)实验目的
1.学习掌握平面度误差的测量方法及数据的处理方法。
2.加深对平面度误差含义的理解。
3.掌握平面度误差的评定方法。
(二)实验内容
测量350×350mm的平板的平面度误差,并判断其合格性。
(三)测量器具
1.测量平板
2.百分表
3.万能表架
4.可调支撑
(四) 实验基本原理
如图所示,将被测平板放在测量平板上,以测量平板为基准,按一定的布点在整个被测
表面上测量,从百分表上读出被测平板上各点Array的读数值,通过按最小条件对测量数据进行处
理,计算求出其平面度误差。
(五)测量截面和测点的布置
(六)测量步骤图3-15 平面度误差测量
1、将被测平板用可调支承置于测量平板上,将百分表装夹在万能表架上。
2、百分表测头与被测表面接触,使小指针指到1左右,为了读数方便,可转动表盘,使大指针为零,移动百分表,调节可调支承,使被测表面的其中三个角相对于测量平板等高。
3、在被测表面上均匀取9点,移动百分表,记下在每点的读数,测量三次并作好记录。
(七)数据处理
1、三点法:
以三等高点为基准平面,作平行于基准平面且过最高点和最低点两平行平面,则其平面度误差为上、下两平行平面之间的距离,即:最高点读数值减去最低读值。
2、对角线法:
采集数据前先分别将被测平面的两对角线调整为与测量平板等高,然后在被测表面上均匀取9点用百分表采集数据,作平行于两对角线且过最高点和最低点两平行平面,则其平面度误差为上、下两平行平面之间的距离,即:最高点读数值减去最低读值。
3、最小区域法:
通过基面转换,按最小区域原则求出平面度误差值。
对三组数据分别进行数据处理,以最大的平面度误差值作为测量结果。
是否符合最小区域法的判别方法是:由两平行平面包容被测实际表面时,至少有三点或四点相接触,相接触的高低点分如有下列三种形式之一者,即属最小区域。
(1)三个相等最高点与一个最低点(或相反):最低(或高)点垂直投影位于三个相等
最高(或低)点组成的三角形之内。
(2)两个相等最高点与两个相等最低点:两相等最高点垂直投影位于两相等最低点连线之两侧。
(3)两个相等最高点与一个最低点(或相反):最低(或高)点垂直投影位于两相等最高(或低)点连线之上。
实验3-3 平行度误差的测量
(一)实验目的
1掌握平行度误差的测量方法
2加深对平行度误差和公差概念的理解
3加深理解形位误差测量中基准的体现方法
(二)实验内容
用指示表测量孔的轴线对基准平面的平行度误差。
(三)计量器具
平板、百分表、表座
(四)测量原理
如图所示,用指示表测量轴线对基准平面平行度误差的方法。
其中,图a为被测工件的简图,φD孔轴线对基准面A的平行度公差为t。
图b为测量该工件平行度误差的示意图。
测量时用平板1模拟基准平面A,用心轴3模拟被测孔的轴线。
测量心轴3的素线上两点相对于平板1的高度差作为孔相对于底面的平行度误差。
a)b)
1.平板2.测量架3.心轴4.指示表5.被测工件
(五)测量步骤
1.如图示,将工件5放在平板1上,将心轴3装入φD孔中,将百分表4装在测量架2上。
2.在平板上移动测量架2,指示表4在心轴素线K2K1的K1处的读数值为M1,指示表在K2处的读数为M2。
并测出尺寸L。
3.按下面公式求出孔φD对基准面A的平行度误差
l
f//=┃M1—M2┃×
L
判断工件的合格性,当f//≤t//时,工件合格。
(六)思考题
1.什么是基准?根据什么原则由基准实际要素建立基准?体现基准的方法有哪几种?2.本实验中体现基准的方法是什么?。