地基处理检测报告范本
- 格式:doc
- 大小:119.50 KB
- 文档页数:9
灰土垫层地基检测报告拟建工程为西安长安沣东某项目,该项目2#楼为地上2层,地下1层,框架结构,基础形式为筏板基础。
±0.00标高相对于绝对标高为399.30m,地基基础设计等级为乙级。
二、场地岩土工程条件1.场地位置、地形及地貌拟建场地位于西安市沣东某地,场地交通便利。
场地地貌单元属皂河一级阶地。
场地为非自重湿陷性黄土场地,地基湿陷等级均为Ⅰ级(轻微湿陷)。
2.场地岩性特征摘录与地基处理有关的各层土的主要岩性特征描述、层厚、层底埋深和高程见表1,土的物理力学性质指标统计见表2。
地基土综合分层表13.地下水勘察期间在钻孔中测得的稳定水位埋深为19.60~23.50m,相应水位高程为377.01~378.31m,属孔隙潜水类型。
勘察期间为较高水位期,根据区域水文地质资料,水位年变化幅度2.0m左右。
三、设计要求(1)设计方案:地基处理采用换填垫层法整片处理,垫层材料采用2:8灰土。
(2)设计参数:地基处理面积约为880m2,垫层顶面标高为-7.04m,垫层厚度1.00m。
(3)设计要求:设计灰土垫层的压实系数≥0.95,灰土垫层的承载力特征值fak≥220kP a。
四、施工概况及自检情况灰土垫层材料为检验合格的石灰粉和土料,灰、土料按2:8体积比例混合后,经机械拌匀配制而成;垫层材料由装载机输送铺设,采用16T压路机振动碾压。
共分5层,每层厚度0.20m,每层碾压6~8遍。
每层施工完后,由试验员取样,经测试垫层的压实系数均达到设计要求后,方可铺设下一层。
五、检测内容及工作量(1)浅层平板载荷试验3组,检验灰土垫层的承载力特征值是否满足设计要求;(2)跟踪取样试验,每层取9件土样,5层共45件土样进行土工试验,检验灰土垫层的压实系数是否满足设计要求。
六、检测原理、方法简介1.浅层平板载荷试验(1)试验原理浅层平板载荷试验是在一定面积的承压板上向地基逐级施加荷载,观测并记录其沉降量,直至试验满足终止加载条件,即终止加载。
目录一、序言-------------------------------------------3页(一)、工程概况------------------------------------3页(二)、原场地工程地质和水文地质条件-----------------3页(三)、采用人工地基类型-----------------------------4页二、检测依据---------------------------------------4页三、设计要求、检测内容及检测工作量-----------------4页(一)、设计要求-------------------------------------4页(二)、检测内容-------------------------------------4页(三)、检测工作量-----------------------------------6页四、检测结果评价----------------------------------6页(一)、载荷试验-------------------------------------6页(二)、重型圆锥动力角探N63.5-------------------------7页五、检测结论--------------------------------------8页附件:1、检测点平面布置图--------------------------1张2、载荷试验P-s曲线图------------------------3张3、载荷试验s-lgt曲线图----------------------3张4、载荷试验数据汇总表------------------------3张5、重型圆锥动力触探试验击数统计表------------1张6、重型圆锥动力触探N63.5~Z关系图-------------6张批准:审核:工程负责:一、序言(一)、工程概况(二)、原场地工程地质及水文地质条件根据2006年4月《岩土工程勘察报告(详勘)》,拟建场地原地貌属于剥蚀低丘陵地貌单元,现被人为改造。
地基检测报告范文摘要地基检测是在建筑工程前对地基进行详细调查和测试的过程。
本报告提供了地基检测所涉及的主要步骤和结果分析的范例。
引言地基检测是确保建筑物稳定性和安全性的重要环节。
通过对地基进行检测,可以评估其承载能力、土壤条件以及潜在的地质风险。
本报告旨在为建筑师、设计师和工程师提供一个地基检测报告的范例,以便更好地了解和评估建筑项目中的地基情况。
地基检测步骤1. 确定检测方法:根据建筑项目的特点和要求,选择适合的地基检测方法,如静力触探、地质勘探、动力触探等。
2. 实施地基勘探:使用选定的方法对地基进行详细调查和测试,收集必要的土壤和地质数据。
3. 分析数据:根据收集到的数据,进行地基承载能力的计算和评估,判断土壤条件是否符合设计要求。
4. 地质风险评估:基于地基调查数据和现场观察,分析地质风险,识别地基可能存在的问题和潜在风险。
5. 编写报告:根据分析结果,撰写地基检测报告,包括对地基情况的描述、分析结果的呈现和对可能风险的建议。
结果分析范例根据本次地基检测的结果分析,我们得出以下结论:1. 土壤承载能力良好:根据静力触探数据,地基土壤承载能力达到设计要求,可以满足建筑物的荷载要求。
2. 地质条件稳定:通过地质勘探,未发现明显的地质隐患,地基的地质条件相对稳定。
3. 建议加强地基处理:尽管地基承载能力良好,建议在一些关键部位采取加固措施,以提高建筑物的稳定性。
结论地基检测是确保建筑物安全的重要过程。
通过地基检测报告,我们可以了解地基情况和潜在风险,并做出相应的设计和施工决策。
本报告为地基检测提供了一个范例,建筑师、设计师和工程师可以参考这个范例,撰写和评估地基检测报告。
地基检测报告范文1. 摘要本文是一份地基检测报告范文,旨在提供一个参考模板,用于记录地基检测的结果和评估。
本报告基于对某个具体房屋地基的检测,包括检测目的、检测方法、检测结果分析、存在的问题和建议等内容。
2. 检测目的本次地基检测的目的是评估该房屋地基的稳定性和安全性,以确定是否存在地基问题,从而为房屋的维护和修复提供参考。
3. 检测方法使用以下方法对地基进行检测:- 实地勘测- 建筑外观观察- 测量与测试4. 检测结果分析根据检测结果,我们得出以下结论:- 地基整体稳定,未发现明显下沉或倾斜现象;- 存在少量地基裂缝,但裂缝宽度较小,不具有明显的扩展趋势;- 地基水分含量在正常范围内,未发现明显的湿度异常。
5. 存在的问题基于对地基的检测,我们发现以下问题:- 地基存在少量裂缝,虽然宽度较小,但建议密切关注裂缝的变化情况,以确保不会因裂缝扩大而对结构稳定性造成影响;- 地基水分含量正常,但建议进行定期监测,以防止可能的湿度变化导致地基问题。
6. 建议综合检测结果,我们提出以下建议:- 对裂缝进行监测,密切关注裂缝宽度变化,并定期记录裂缝观察结果;- 定期检测地基水分含量,确保地基保持在正常水平;- 如发现任何异常或进一步的疑虑,建议寻求专业的结构工程师进行进一步评估和处理。
请注意,本报告仅基于特定地基的检测结果,建议在实际应用中根据具体情况进行调整和补充。
---------------------1. Summary2. Purpose of Inspection3. Inspection MethodsThe foundation was inspected using the following methods:- Site survey- Visual examination of the building exterior- Measurements and testing4. Analysis of ResultsBased on the inspection results, the following conclusions have been drawn:- The overall condition of the foundation is stable, with no noticeable sinking or tilting.- There are minor foundation cracks, but the width of the cracks is small and there is no significant tendency for them to widen.- The moisture content of the foundation is within the normal range, with no noticeable moisture anomalies.5. Identified IssuesBased on the foundation inspection, the following issues have been identified:- There are minor cracks in the foundation. Although the width of the cracks is small, it is advised to closely monitor any changes in the cracks to ensure that they do not expand and affect the structural stability.- Monitor the identified cracks closely, paying attention to any changes in their width, and regularly record observations of the cracks.- Regularly inspect the moisture content of the foundation to ensure it remains within the normal range.。
受控编号:检测报告(范本)编号(各检测机构自定)工程名称:委托单位:建设单位:设计单位:施工单位:监理单位:检测机构(章)年月日声明1、本检测报告无我单位检测专用章和计量认证专用章无效。
2、本检测报告无骑缝章无效。
3、本检测报告涂改、换页、漏页无效。
4、本检测报告无检测、审核、批准人签字无效。
5、对本检测报告如有异议或需要说明的地方,应于收到报告之日起十五日内向我单位书面提出,本单位将给予及时的解释或回答。
检测机构:单位地址:邮政编码:联系电话:检测机构名称批准:审核:注册工程师:检测:检测报告一、工程概况(叙述工程名称、地址、结构类型、规模、基础型式、地基处置方式、设计桩长、桩径、桩身强度、复合地基设计置换率、地基承载力、成桩时间、委托单位、检测单位、工作内容、工作时间等大体内容。
)二、工程地质概况依据《xx工程岩土工程勘探报告》该工程建筑场地工程地质概况如下:对检测场地的工程地质情况进行简要的描述(内容包括土层散布、土层大体物理力学指标、地下水位及桩顶、桩端所在土层等。
)三、检测目的一、通过XX实验,查验XX承载力特征值可否知足设计要求;二、检测桩身缺点的程度及位置,判定桩身完整性类别;3、其他检测目的。
四、检测数量五、检测方式及仪器设备一、静载实验(1)、实验依据所采用标准规范、设计及施工资料。
(2)、实验方式简介静载实验是模拟建筑荷载条件肯定实验对象承载力的原位测试方式。
将荷载分级施加到实验对象上,同时观测分级荷载作用下的沉降量,最后绘制荷载与沉降等关系曲线,依据规范肯定承载力特征值。
静载实验采用维持荷载法,即逐级施加荷载,每级荷载达到相对稳定后加下一级荷载。
实验采用仪器自动加荷、测读荷载及沉降。
具体作法参照《建筑基桩检测技术规范》JGJ106-2003及有关技术标准规范要求执行。
(3)、实验设备所采用的加载及反力设备(应包括压板面积、加载反力种类,堆载法指明堆载重量,锚桩法应有反力梁布置平面图等);荷载及沉降量测设备编号、型号、规格及安装方式。
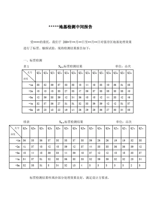
*****地基检测中间报告
•••••受****的委托,我们于200*年**月**日至**月**日对强夯区地基处理效果进行了标贯、触探试验,现将检测结果报告如下:
一、标贯检测
标贯检测结果单位:击次表1 N
63.5
标贯检测结果单位:击次续表 N
63.5
标贯检测结果吹填沙部分处理效果良好,满足设计方要求。
二、触探检测
表2 静力触探检测结果
触探检测结果均高于设计方要求。
三、检测结果总结
标贯、触探检测结果表明地基处理效果良好,满足设计方提出的要求。
••••••••••••••••••••
*****地基检测项目组
负责人: ***
联系人:
二〇〇*年**月**日。
受控编号:HBSD/MS-D77-2011检测报告编号:E-11-39-1工程名称:东光县东光镇张汪村旧城改造6#楼复合地基检测委托单位:河北恒东房地产开发有限公司建设单位:河北恒东房地产开发有限公司设计单位:中铁工程设计院有限公司施工单位:德州市拓实基础工程有限公司监理单位:东光县城建局监理公司检测单位:河北四达工程检测有限公司二○一一年十月十三日声明1、本检测报告无我单位检测专用章和计量认证专用章无效。
2、本检测报告无骑缝章无效。
3、本检测报告涂改、换页、漏页无效。
4、本检测报告无检测、审核、批准人签字无效。
5、对本检测报告若有异议或需要说明之处,应于收到报告之日起十五日内向我单位书面提出,本单位将给予及时的解释或答复。
检测单位:河北四达工程检测有限公司单位地址:河北省石家庄市兴苑街53号邮政编码:050021联系电话:(0311)85912349工程编号:E-11-39-1批准:审核:工程负责:1.工程概况东光县东光镇张汪村旧城改造6#楼工程位于东光县城,拟建建筑物为18层住宅楼,结构类型为框架结构,基础型式采用筏板基础。
本工程天然地基承载力不能满足设计要求,采用长螺旋钻孔泵压混凝土桩进行地基处理。
该复合地基共设计基桩502根,均匀布置,局部有所调整,设计桩长20m,桩端持力层为第六层粉质粘土,设计桩径400mm,桩间距1.35×1.35m,面积置换率6.7%,桩身混凝土设计强度C20,复合地基承载力特征值为350kPa,单桩竖向抗压承载力特征值为540kN,成桩日期为2011年7月6日至8月17日。
受河北恒东房地产开发有限公司委托,河北四达工程检测有限公司承担了该项目的复合地基检测任务。
检测时间为2011年9月01日至10月10日,检测时天气晴朗、干燥,温度为15~30℃,共完成低应变法检测基桩502根,复合地基载荷试验3组,单桩竖向抗压静载试验3组,全部受检基桩由建设单位、监理单位和检测单位于9月5日根据场地情况和施工条件随即抽取,受检基桩强度满足规范要求,桩头完整,无浮浆、松散部分,受检基桩位置见“东光县东光镇张汪村旧城改造6#楼检测点平面布置图”(附图1)。
报告题目:基础工程施工质量检测报告一、工程概述本项目为某城市一处住宅小区的基础工程,主要包括地基处理、桩基施工、基础垫层、地下室防水等分部分项工程。
工程总面积约为XXXX平方米,建筑高度为XX层。
工程自XXXX年XX月XX日开工,预计XXXX年XX月XX日竣工。
二、检测依据本次检测依据《建筑工程施工质量验收统一标准》(GB50300-2013)、《建筑地基基础工程施工质量验收规范》(GB50202-2018)、《建筑桩基技术规范》(JGJ94-2008)等相关国家和行业标准进行。
三、检测内容1.地基处理质量检测:包括压实度、承载力等指标的检测。
2.桩基施工质量检测:包括桩长、桩径、桩身完整性、承载力等指标的检测。
3.基础垫层施工质量检测:包括垫层厚度、压实度、承载力等指标的检测。
4.地下室防水施工质量检测:包括防水层厚度、防水涂料附着力、抗渗透性能等指标的检测。
四、检测结果与分析1.地基处理质量检测结果:压实度平均值为XX%,满足设计要求;承载力为XXkPa,满足设计要求。
2.桩基施工质量检测结果:桩长平均值为XXm,桩径平均值为XXcm,桩身完整性良好,承载力平均值为XXkPa,均满足设计要求。
3.基础垫层施工质量检测结果:垫层厚度平均值为XXcm,压实度平均值为XX%,承载力为XXkPa,均满足设计要求。
4.地下室防水施工质量检测结果:防水层厚度平均值为XXmm,防水涂料附着力良好,抗渗透性能满足设计要求。
五、结论与建议根据检测结果,本项目基础工程施工质量总体良好,各项指标均满足设计要求。
但需要注意的是,在施工过程中,要严格把控施工质量,加强施工人员培训,确保工程质量。
同时,建议对地下室防水施工进行不定期抽检,确保防水效果。
六、检测日期:XXXX年XX月XX日七、检测单位:XXXX建筑工程质量检测中心注:本报告仅对本次检测范围内的施工质量进行评价,不作为工程整体质量的全面评价。
地基处理检测报告一、背景信息地基处理是指通过对地基进行处理,使其具备足够的稳定性和承载能力,以满足建筑物的要求。
地基处理检测是对地基处理工程进行全面检测和评估,以确保施工质量和工程安全。
本次地基处理检测是针对建筑物的地基处理工程进行的。
该建筑物位于市小区内,地质属于淤泥质地基。
因原地基不具备承载建筑物的能力,需要进行加固和处理。
二、检测方法本次地基处理检测采用了以下方法进行:1.地质勘察:对地基的地质情况进行了详细勘察和分析,包括地下水位、土层性质、地下水含量等。
2.地基处理前后的物理力学性能测试:对处理前后的地基进行了承载力、沉降性、渗透性等物理力学性能测试,以评估地基处理效果。
3.检测设备:使用了静力荷载试验仪、压电传感器、水位计、土壤取样器等仪器设备进行实地检测。
三、检测结果1.地质勘察结果显示,地基处于淤泥质地基,地下水位较高,土层较软。
2.地基处理前后的物理力学性能测试结果如下:a.承载力:处理前地基承载力为XXkPa,处理后地基承载力提高到XXkPa,达到设计要求。
b.沉降性:处理前地基沉降性较高,频繁出现沉降现象,处理后沉降稳定,不会对建筑物造成影响。
c.渗透性:处理前地基渗透性较差,处理后渗透性显著提高,地下水能够更好地排泄。
d.变形性:处理前地基变形性较大,处理后变形性明显减小,对建筑物的影响减小。
4.检测设备显示,经过地基处理后,地基的物理力学性能有所改善,达到了预期效果。
四、结论与建议通过对地基处理的检测与分析,得到以下结论与建议:1.地基处理效果良好,地基的承载能力、稳定性和渗透性得到有效提高,可以满足建筑物的需求。
2.鉴于地基处理后的良好效果,建议随后进行其他工程的施工,如地下管道的安装、建筑物的结构施工等。
3.需要定期进行地基的巡检与维护,确保地基持续稳定,在日后的使用过程中,留意地基沉降、变形等情况,及时采取相应措施。
4.对于邻近建筑物或工程,应加强安全监测,确保地基处理工程对周边环境没有不良影响。
深基础施工质量检测报告模板深基础施工质量检测报告。
项目名称,______________________。
施工单位,______________________。
检测单位,______________________。
检测时间,______________________。
一、项目概况。
1.1 项目名称,______________________。
1.2 施工地点,______________________。
1.3 施工内容,______________________。
1.4 施工进度,______________________。
二、检测内容。
2.1 检测对象,深基础施工质量。
2.2 检测标准,国家相关标准及规范。
2.3 检测范围,地基处理、桩基施工、基坑支护等。
三、检测方法。
3.1 地基处理,现场密实度检测、承载力检测。
3.2 桩基施工,桩身质量检测、桩位偏差检测。
3.3 基坑支护,支护结构稳定性检测。
四、检测结果。
4.1 地基处理,______________________。
4.2 桩基施工,______________________。
4.3 基坑支护,______________________。
五、存在问题。
5.1 地基处理,______________________。
5.2 桩基施工,______________________。
5.3 基坑支护,______________________。
六、建议措施。
6.1 地基处理,______________________。
6.2 桩基施工,______________________。
6.3 基坑支护,______________________。
七、检测结论。
根据以上检测结果和存在问题,结合相关标准和规范,对施工质量进行评估如下:______________________。
检测单位(盖章),______________________ 日期,______________________。
XXXXXXXXXXXXXX地基处理检测报告XXXXXXXXXXXXXXXXXXXXXXXXX检测报告工程名称:XXXXXX地基处理检测检测地点:XXXXXXXXXXXX检测日期:XXXXXXXXXXXXXXXXXXXXXXXX2013年06月14日目录1 工程概况..................................... 错误!未定义书签。
2 工程地质概况................................. 错误!未定义书签。
3 试验目的..................................... 错误!未定义书签。
4 试验范围..................................... 错误!未定义书签。
5 检测依据..................................... 错误!未定义书签。
6 检测方法..................................... 错误!未定义书签。
浅层平板载荷试验............................ 错误!未定义书签。
重型动力触探试验............................ 错误!未定义书签。
7 检测结果..................................... 错误!未定义书签。
浅层平板载荷试验结果........................ 错误!未定义书签。
重型动力触探试验结果........................ 错误!未定义书签。
8 检测结论..................................... 错误!未定义书签。
附1:检测点平面布置示意图 ..................... 错误!未定义书签。
附2:浅层平板载荷试验综合成果图表 ............. 错误!未定义书签。
地基处理监测报告
一、介绍
地基处理是建筑工程中极为重要的环节之一,对于地基的处理是否得当,直接关系到建筑物的使用寿命和安全性。
因此,地基处理监测报告就显得尤为重要。
本报告将对某建筑工程中地基处理的监测情况进行详细记录和分析,以便后续工程的进行。
二、地基处理方式
在该建筑工程中,我们采用了土石方加固和灌注桩加固两种主要的地基处理方式。
土石方加固包括了填土夯实和挖土石垫层,而灌注桩加固则采用了钻孔灌注桩来加固地基。
三、监测方法
为了确保地基处理的效果,我们采用了多种监测方法对地基进行监测。
主要包括了测斜、沉降、孔隙水压力等监测方式,以全方位地监测地基的变化情况。
四、监测结果
经过一段时间的监测,我们得出如下结论:土石方加固部分的沉降速度较慢,但整体稳定性良好;灌注桩加固部分的孔隙水压力略有波动,但仍在可接受范围内,整体效果良好。
五、结论与建议
通过监测报告的分析,我们可以得出如下结论:地基处理方案相对稳定,能够满足工程的要求。
建议继续对地基进行定期监测,并依据监测结果进行相应的调整和处理,以确保地基的稳定性和安全性。
六、总结
地基处理监测报告对于建筑工程的质量和安全性至关重要。
通过及时监测和调整,可有效提高地基的稳定性和安全性,保障建筑物的使用寿命和安全性。
希望本报告能对相关工程提供参考和帮助。
铜凤线π接入三家桥变线路工程基桩低应变检测报告目录1检测依据及标准 (2)2工程概况 (2)3采用检测设备 (3)4现场检测 (4)5检测成果 (7)6资料移交表。
(9)7检测曲线图 (10)1检测依据及标准1。
1检测依据:受铜仁供电局委托,我单位于2014年1月9日对铜凤线π接入三家桥变线路工程进行了基桩低应变检测,该工程设计基桩15根,检测桩15根。
检测内容为:(1)检测桩身完整性;(2)桩身缺陷程度及缺陷位置.1.2执行标准及参考资料:执行标准为中华人民共和国行业标准《建筑桩基检测技术规范》(JGJ106-2003)(J256-2003)和现行行业标准《基桩动测仪》JG/T3055—1999及《贵州电网公司输变电工程地基基础质量检测管理办法》(Q/CZW 40014-2011)。
参考资料为我单位编写的铜凤线π接入三家桥变线路工程岩土勘察报告。
2工程概况本线路工程为铜仁变——凤城变220kV线路π接入玉屏三家桥变220kV 线路工程.全线为10mm冰区,导线采用2×JL/G1A-240-24/7钢芯铝绞线。
地线一根为LBGJ—100-20AC型铝包钢绞线,π接后形成两条线路,具体为:a)铜仁500kV变-—玉屏三家桥220kV变220kV线路:线路全长约为16km,其中新建段三家桥变—-铜仁侧π接点(1。
756km),铜仁侧π接点——原铜凤线33#(0。
332km),共2。
088km.考虑到将来出线,玉屏三家桥变出线段部分1.153km按同塔双回路进行设计,一侧挂线,另一侧作为备用.其余段0。
855km按单回路进行设计。
b)三家桥220kV变-—凤城变220kV变220kV线路:线路全长约为67km,其中新建段三家桥变——凤城变侧π接点(1.714km),凤城变π接点--原铜黎线38#(0。
456km),共2.17km。
考虑到将来出线,玉屏三家桥变出线段部分1.22km按同塔双回路进行设计,其余段0。
地基基础试验检测报告一、试验目的:本次试验的主要目的是对地基基础进行检测,了解地基稳定性和承载能力,为工程设计和施工提供依据。
二、试验方法:1.地基平板试验:利用地基平板试验仪对地基进行承载能力试验。
2.土壤采样试验:采用土壤采样器采集地基土壤样品,并对其进行分析和测试。
3.深部钻孔试验:采用钻孔机进行地基深部钻孔,并在钻孔内设置压力计,以测试地基的稳定性。
三、试验过程及结果:1.地基平板试验:根据工程要求,选取了10个不同位置的地基进行试验。
试验结果显示,地基的极限承载力在10-20MPa之间,未达到设计要求,建议增加地基的加固措施。
2.土壤采样试验:采集了10个地基土壤样品,并进行了物理性质分析。
结果显示,土壤的含水量在30%-50%之间,相对密度达到0.85以上,表明土壤的质量较好,适合作为地基材料使用。
3.深部钻孔试验:共进行了5个深部钻孔试验,每个钻孔的深度为20m。
通过测试,发现地基的稳定性较好,不存在明显的变形和下沉现象。
钻孔内的压力计数据表明,地基的承载能力在10-15MPa之间。
四、分析与建议:根据试验结果,地基的极限承载力未达到设计要求。
为了保证工程的安全稳定,建议采取以下措施:1.增加地基的加固措施,如加入梁柱,增加地基的承载能力。
2.结合深部钻孔试验结果,对地基进行补强,以提高地基的稳定性。
3.将土壤采样试验结果用于工程设计,合理选择地基材料,确保土壤质量符合要求。
五、结论:通过地基基础试验检测1.地基的极限承载力未达到设计要求,需要进行加固措施。
2.地基的稳定性较好,不存在明显的变形和下沉现象。
3.土壤的物理性质良好,适合作为地基材料使用。
4.建议采取相应的措施,提高地基的承载能力和稳定性。
六、参考资料:1.《地基工程手册》2.《岩土工程学》。
地基基础检测报告1. 引言地基基础是建筑物的重要组成部分,对建筑物的稳定性和安全性至关重要。
地基基础的质量直接影响着建筑物的整体性能,因此进行地基基础的检测至关重要。
本文将介绍地基基础检测的步骤和方法。
2. 准备工作在进行地基基础检测之前,需要做一些准备工作。
首先,准备相关的检测设备和工具,如测量仪器、探针等。
其次,了解建筑物的设计图纸和相关资料,以便了解地基基础的结构和特点。
最后,制定检测计划和安全措施,确保检测工作的顺利进行。
3. 检测步骤3.1 表面观察首先进行的是表面观察,目的是了解地基基础的外观情况。
观察地基基础是否有明显的裂缝、变形或沉降等现象。
通过观察可以初步判断地基基础是否存在问题,为后续的检测提供参考。
3.2 测量地基基础高程测量地基基础的高程是为了了解地基的水平情况。
使用水准仪等测量设备,测量地基基础的高程差异,以判断地基是否存在不均匀沉降或变形等问题。
3.3 探针测试探针测试是一种常用的地基基础检测方法。
通过钻孔或打孔的方式,将探针插入地基基础中,测量探针插入的阻力和深度等参数。
根据测试结果,可以判断地基基础的稳定性和承载能力。
3.4 无损检测无损检测是一种非破坏性的地基基础检测方法。
通过使用地震波、声波或电磁波等技术,对地基基础进行扫描和分析。
无损检测可以检测地基基础的内部结构和缺陷,为判断地基基础的质量提供依据。
3.5 数据处理和分析在完成地基基础检测之后,需要对收集到的数据进行处理和分析。
将测量数据整理成表格或图表的形式,以便于对比和分析。
根据数据分析的结果,可以评估地基基础的状况,并提出相应的建议和措施。
4. 结论与建议根据地基基础检测的结果和数据分析,可以得出对地基基础状况的评估。
如果地基基础存在明显问题,如裂缝、沉降等,建议进行地基基础加固或修复工作。
如果地基基础质量良好,可以继续进行后续的建筑工程。
在进行地基基础施工时,需要按照相关规范和要求进行,以确保建筑物的稳定性和安全性。
目录一、序言-------------------------------------------3页(一)、工程概况------------------------------------3页(二)、原场地工程地质和水文地质条件-----------------3页(三)、采用人工地基类型-----------------------------4页二、检测依据---------------------------------------4页三、设计要求、检测内容及检测工作量-----------------4页(一)、设计要求-------------------------------------4页(二)、检测内容-------------------------------------4页(三)、检测工作量-----------------------------------6页四、检测结果评价----------------------------------6页(一)、载荷试验-------------------------------------6页(二)、重型圆锥动力角探页五、检测结论--------------------------------------8页附件:1、检测点平面布置图--------------------------1张2、载荷试验P-s曲线图------------------------3张3、载荷试验s-lgt曲线图----------------------3张4、载荷试验数据汇总表------------------------3张5、重型圆锥动力触探试验击数统计表------------1张6、重型圆锥动力触探~Z关系图-------------6张批准:审核:工程负责:一、序言(一)、工程概况(二)、原场地工程地质及水文地质条件根据2006年4月《岩土工程勘察报告(详勘)》,拟建场地原地貌属于剥蚀低丘陵地貌单元,现被人为改造。
XXXXXXXXXXXXXX地基处理检测报告
XXXXXXXXXXXXXX
XXXXXXXXXXX
检测报告
工程名称:XXXXXX地基处理检测
检测地点:XXXXXXXXXXXX
检测日期:XXXXXXXXXXXX
XXXXXXXXXXXX
2013年06月14日
目录
1 工程概况 (1)
2 工程地质概况 (1)
3 试验目的 (3)
4 试验范围 (3)
5 检测依据 (4)
6 检测方法 (4)
6.1浅层平板载荷试验 (4)
6.2重型动力触探试验 (5)
7 检测结果 (5)
7.1浅层平板载荷试验结果 (5)
7.2重型动力触探试验结果 (5)
8 检测结论 (6)
附1:检测点平面布置示意图 ..................... 错误!未定义书签。
附2:浅层平板载荷试验综合成果图表 ............. 错误!未定义书签。
附3:重型动力触探试验曲线图 ................... 错误!未定义书签。
1 工程概况
XXXXXXXXX我检测单位于2013年6月6日至6月7日对该场地随机抽取的11个检测点(3个浅层平板载荷试验点;8个重型动力触探试验点,检测深度自基底至以下5.0m)进行现场检测。
试验点布置见附1“检测点平面布置示意图”。
本次试验期间,场地及周边无振动、电磁干扰等影响,满足重型动力触探试验、静载荷试验的场地环境要求。
2 工程地质概况
本次勘察查明,在勘探深度范围内,场地地层主要由耕土、粉土、粉砂和圆砾构成,现分述如下:
①耕土:灰色,层厚0.3~1.4m,主要成分以粉土、粉质粘土为主,含大量植物根系及塑料薄膜。
松散~稍密,稍湿~很湿(勘察时融雪)。
②粉土:黄褐色,灰色,埋深0.3~3.3m,层厚0.5~6.0m,含少量植物根系,摇震反应中等,无光泽反应,干强度低,韧性弱。
可塑,松散~稍密,稍湿~很湿。
地基承载力特征值f ak=100kPa。
②-1粉质粘土:灰色,黄褐色,埋深在0.4~2.4m,层厚0.4~2.5m,呈透镜体或薄层分布,无摇震反应,稍有光泽反应,干强度中等,韧性中等。
可塑,稍湿~很湿。
地基承载力特征值f ak=100kPa。
②-2细砂:黄褐色,灰色,埋深0.3~6.5m,层厚0.3~3.0m,稍密~中密,稍湿~湿。
地基承载力特征值f ak=100kPa。
②-3圆砾:青灰色,埋深2.1~2.8m,层厚0.4~1.1m,颗粒磨圆度较好,呈圆状-亚圆状。
一般粒径2~30mm,最大粒径250mm,骨架颗粒基本连续接触,以细砂、中砂充填。
该层呈透镜体分布,中密~密实,稍湿。
地基
承载力特征值f ak=250kPa。
②-4中砂:青灰色,埋深3.6m ,层厚1.9m,该层呈透镜体分布。
颗粒矿物成分以长石、石英为主,大小均匀,中密,稍湿。
地基承载力特征值
f ak=120kPa。
③粉砂:灰色、黄褐色,埋深在1.0~6.0m,层厚0.3~4.9m,且局部地段与粉土层互层。
稍密,稍湿。
地基承载力特征值f ak=100kPa。
③-1粉土:黄褐色,灰色,埋深2.0~5.0m,层厚0.3~2.8m,呈透镜体或薄层分布,无光泽反应,干强度低,韧性弱。
松散,湿~稍湿。
地基承载力特征值f ak=110kPa。
③-2细砂:黄褐色,灰色,埋深1.3~5.9m ,层厚0.4~4.1m,松散~中密,稍湿。
地基承载力特征值f ak=130kPa。
③-4中砂:青灰色,埋深4.0~5.0m ,层厚0.3~0.8m,该层呈透镜体分布。
颗粒矿物成分以长石、石英为主,大小均匀,中密,稍湿。
地基承载力特征值f ak=150kPa。
④圆砾:青灰色,埋深1.8~8.0m,本次勘察未揭穿该层,最大揭露厚度22m。
颗粒磨圆度较好,呈圆状-亚圆状。
一般粒径2~40mm,最大粒径80mm,骨架颗粒基本连续接触,以细砂、中砂充填,局部地段夹砂土、粉土薄层。
稍密~密实,湿~饱和。
地基承载力特征值f ak=250kPa。
④-1粉土:黄褐色,灰色,埋深4.3~10.9m,层厚0.3~1.8m,呈透镜体或薄层分布,无光泽反应,干强度低,韧性弱。
稍密~中密,稍湿~饱和。
地基承载力特征值f ak=120kPa。
④-2细砂:青灰色,埋深在3.5~17.0m,局部地段呈透镜体分布,在AZK25~AZK27钻孔附近,深度20m以下分布细砂层,且钻进2m,未揭露地层,
颗粒矿物成分以长石、石英为主,大小均匀。
松散~中密,稍湿~饱和。
地基承载力特征值f ak=130kPa。
④-3粉砂:灰色、黄褐色,埋深在6.0~6.2m,层厚1.2~1.4m,且局部地段与粉土互层。
中密,稍湿。
地基承载力特征值f ak=150kPa。
④-4粉质粘土:灰色,黄褐色,埋深6.4~12.3m,层厚0.4~0.8m,呈透镜体或薄层分布,无摇震反应,稍有光泽反应,干强度中等,韧性中等。
可塑,稍湿。
地基承载力特征值f ak=130kPa。
④-5中砂:青灰色,埋深6.5~12.3m ,层厚0.3~0.4m,该层呈窝状透镜体分布。
颗粒矿物成分以长石、石英为主,大小均匀。
中密,湿~饱和。
地基承载力特征值f ak=120kPa。
本次勘察期间场地地下水水位埋深约7.7m,受附近场区农田灌溉抽取地下水及区域降雨、融雪补给影响,地下水位变化幅度较大,地下水丰水期一般在10月底至次年5月底,丰水期地下水水位埋深6m左右,地下水枯水期一般在5月底至10月底,枯水期地下水位埋深约8~9m,水位年变化幅度2~3m。
地下水类型为孔隙潜水,由大气降水、农田灌溉和地下径流补给为主,以地面蒸发和地下径流的方式排泄。
其它有关勘察资料详见勘察报告。
3 试验目的
检测处理后地基承载力特征值是否满足设计要求;测定处理后换填圆砾层的密实度。
4 试验范围
本次地基处理检测只对本场地自基底至以下5.0m深度范围检测。
5 检测依据
①《建筑地基基础设计规范》GB50007-2011;
②《建筑地基基础工程施工质量验收规范》GB50202-2002;
③《岩土工程勘察规范》GB50021-2001(2009年版);
④业主提供的勘察、设计文件及相关资料。
6 检测方法
6.1浅层平板载荷试验
对处理后的地基进行浅层平板载荷试验,采用JCQ-302手动液压分级加荷载荷仪。
载荷仪承压板形状为圆形,面积为1.0m2,油压分级加荷,3个载荷试验点(ZH01、ZH02、ZH03)共分8级加荷,分级荷载为预计最大加荷的1/8,每级加荷增量75kPa,最终荷载为600kPa;利用位移传感器观测沉降,沉降精度达到0.01mm,稳定标准为连续两小时沉降量每小时不超过0.1mm。
承载力特征值的确定应符合下例规定:
①当p-s曲线上有较明显的拐点时,拐点所对应的压力为比例界限,比例界限压力值即为地基土承载力特征值;
②当极限荷载小于对应比例界限的荷载值的2倍时,取极限荷载值的一半;
③当不能按上述二款要求确定时,可取s/d =0.01所对应的荷载,但其值不应大于最大加荷量的一半。
土的变形模量应根据p-s曲线的初始直线段,可按均质各向同性半无限弹性介质的弹性理论计算。
浅层平板载荷试验的变形模量E0(MPa),可按下式计算:
E0=I0(1-μ2)pd/s
式中 I0————刚性承压板的形状系数,圆形承压板取0.785;方形承
压板取0.886;
μ————土的泊松比(碎石土取0.27,砂土取0.30,粉土取0.35,
粉质粘土取0.38,粘土取0.42);
d ————承压板直径或边长(m);
p ————p-s曲线线性段的压力(kPa);
s ————与p对应的沉降(mm)。
6.2重型动力触探试验
对处理后的圆砾层进行重型动力触探试验,采用车载63.5kg动探仪,记录每贯入10cm所需锤击数N63.5,经过校正判定地基土(圆砾)密实度。
7 检测结果
7.1浅层平板载荷试验结果
编制静载试验结果数据汇总表并绘制p-s、s-lgt曲线(见附2)。
3个试验点(ZH01、ZH02、ZH03)的p-s曲线均属于渐进型的缓变形光滑曲线,不存在明显的比例界限,且最大荷载时没有呈现破坏趋势。
取s/d=0.01(d为圆形压板的直径)对应的荷载,其值均超过最大加荷量的一半,因此取最大加荷量的一半(即300kPa)作为各点地基承载力特征值。
平板载荷试验成果统计表(表一)
7.2重型动力触探试验结果
重型动力触探试验成果统计表(表二)
根据《建筑地基基础设计规范》GB50007-2011表4.1.8条规定,由上述重型动力触探试验成果统计表可知,圆砾层重型动力触探试验点锤击数N63.5=16~30击/10cm,平均击数25.35击/10cm,密实度为中密~密实。
8 检测结论
所测3个浅层平板载荷试验点的地基承载力特征值f ak均为300kPa,满足设计要求;圆砾层重型动力触探试验点锤击数N63.5=16~30击/10cm,平均锤击数N63.5=25.35击/10cm,密实度为中密~密实。