广州本田雅阁电路图(2008广州本田雅阁电路图)
- 格式:pdf
- 大小:1.01 MB
- 文档页数:7
2008款广州本田雅阁发动机电气系统原厂维修手册(可编辑)2008款广州本田雅阁发动机电气系统原厂维修手册62TA020_04.book Page 1 Friday, November9, 2007 4:26 PM发动机电气系统传动带检查4-32发动机电气系统传动带更换4-32专用工具 4-2传动带自动张紧器检查4-33起动系统传动带自动张紧器更换4-34部件位置索引4-3 传动带自动张紧器放气4-34 症状故障排除索引 4-4 交流发电机拆卸和安装4-35 电路图 4-5 交流发电机大修. 4-37 起动机系统电路故障排除4-6巡航控制起动机电磁阀测试 4-8部件位置索引. 4-42起动机性能测试. 4-9症状故障排除索引 4-43起动机拆卸和安装 4-10 电路图 4-45起动机大修4-12巡航控制输入测试 4-46 * 巡航控制组合开关测试 /更换. 4-48点火系统部件位置索引4-19 主动控制发动机支座 ACM 系统电路图 4-20部件位置索引. 4-49 点火正时检查4-21 一般故障排除信息 4-50 点火线圈拆卸 /安装. 4-22 DTC 故障排除索引4-52 火花塞检查4-23系统说明 4-53电路图 4-54充电系统部件位置索引4-24 DTC 故障排除. 4-55 症状故障排除索引 4-25 症状故障排除. 4-87电路图 4-26发动机支座控制单元更换. 4-88充电系统指示灯电路故障排除 4-27交流发电机和调节器电路故障排除4-29交流发电机控制电路故障排除 4-30车型变更概要J35Z2发动机已新增。
62TA020_04.book Page 2 Friday, November 9,2007 4:26 PM发动机电气系统专用工具参考号工具号码说明数量A 07746-0010300 轴承拆装器附件, 42 × 47毫米 1B 07749-0010000 1拆装器手柄, 15× 135L4-262TA020_04.book Page 3 Friday, November 9, 2007 4:26 PM起动系统部件位置索引22-5822-574-64-84-914-2504-1014-2514-12 4-362TA020_04.book Page 4 Friday, November 9, 2007 4:26 PM起动系统症状故障排除索引症状诊断程序并检查发动机无法起动 1.检查蓄电池端子或连接是否松动。
汽车维修手册资料电路图淘宝店:本田车系2009广州本田CITY锋范原厂维修手册 2007本田Acura讴歌RL中文原厂维修手册 2009本田Acura讴歌TL中文原厂维修手册 2002至2004本田stream时韵维修手册 2004本田stream原厂维修手册增补版 2007东风本田新CR-V原厂维修手册 2004东风本田CR-V原厂维修手册 2009东风本田思域原厂维修手册 2007东风本田思域原厂维修手册 2006东风本田思域原厂维修手册 2006本田思域混合动力技术培训手册2005广州本田奥德赛原厂维修手册 2006广州本田奥德赛维修手册2002广州本田奥德赛原厂维修手册 2004广州本田飞度原厂维修手册2006广州本田飞度原厂维修手册增补版 2008广州本田飞度原厂维修手册2009广州本田飞度原厂维修手册2006广州本田思迪CITY维修手册 2008广州本田思迪维修手册增补版2008广州本田新雅阁原厂维修手册2008广州本田雅阁原厂培训资料2008广州本田雅阁原厂维修手册增补版 2008广州本田雅阁音响导航原厂培训2006广州本田雅阁原厂维修手册2003广州本田2.3雅阁原厂维修手册2001广州本田雅阁原厂维修手册丰田车系2010广汽丰田凯美瑞油电混合动力维修手册第一册2010广汽丰田凯美瑞油电混合动力维修手册第二册 2010广汽丰田凯美瑞油电混合动力维修手册第三册 2010广汽丰田凯美瑞油电混合动力维修手册第四册2010广汽丰田凯美瑞油电混合动力全车电路图 2010广汽丰田凯美瑞油电混合动力损伤维修手册 2010广汽丰田凯美瑞油电混合动力新车特性 2010广汽丰田凯美瑞油电混合动力新车培训2010广汽丰田凯美瑞油电混合动力用户手册+应急指南2008广汽丰田凯美瑞原厂维修手册 2009广汽丰田汉兰达原厂维修手册第一册2009广汽丰田汉兰达原厂维修手册第二册 2009广汽丰田汉兰达原厂维修手册第三册 2009广汽丰田汉兰达原厂维修手册第四册 2009广汽丰田汉兰达原厂维修手册第五册 2009广汽丰田汉兰达原厂新车特性 2007丰田汉兰达原厂维修手册 2010一汽丰田皇冠原厂培训手册2010一汽丰田皇冠原厂全车电路图 2004一汽丰田皇冠原厂维修手册 2006一汽丰田皇冠彩色电路图2006一汽丰田皇冠原厂维修手册增补篇 2007一汽丰田卡罗拉原厂维修手册2007丰田FJ酷路泽原厂维修手册2007丰田FJ酷路泽原厂技术培训 2008广州丰田雅力士原厂维修手册 2000一汽丰田花冠原厂维修手册 2004一汽丰田花冠原厂电路图2003一汽丰田花冠轿车维修手册2005丰田雷克萨斯GS430原厂中文培训资料 2005丰田雷克萨斯GS430.GS300原厂中文培训资料 2005丰田雷克萨斯GS430.GS300维修手册(英文版) 丰田雷克萨斯LS430电器维修手册中文版雷克萨斯A761E波箱原厂维修手册丰田雷克萨斯IS200维修手册丰田凌志LS400原厂中文维修手册丰田陆地巡洋舰维修手册一汽丰田特锐原厂维修手册2006一汽丰田威驰电路图(增补版) 一汽丰田威驰原厂维修手册一汽丰田威姿原厂维修手册丰田系列发动机原厂维修手册2005一汽丰田锐志原厂维修手册日产车系2008东风日产天籁原厂维修手册 2006东风日产天籁原厂维修手册 2004东风日产天籁原厂维修手册东风日产新天籁原厂技术培训 2006东风日产轩逸维修资料2008东风日产奇骏原厂维修手册2008东风日产新奇骏T31原厂培训教材 2003日产奇骏T30维修手册2001日产奇骏T30维修手册2008郑州日产御轩原厂维修手册 2006东风日产轩逸原厂维修手册 2006东风日产轩逸G11原厂技术培训 2006日产淑女跑车350Z原厂维修手册 2006日产风雅原厂维修手册 1999日产碧莲W41原厂维修手册 2001日产佳奔E25原厂维修手册2005东风日产骐达原厂维修手册 2005东风日产颐达原厂维修手册 2007东风日产骊威原厂维修手册 2006东风日产骏逸原厂维修手册 94-98日产风度A32原厂维修手册 2001日产风度A33原厂维修手册 2001风神蓝鸟全车维修手册 2002日产风神蓝鸟二代原厂维修手册 2004日产风神蓝鸟智尊原厂维修手册 2005日产尼桑贵仕V42原厂维修手册 2007日产尼桑贵仕维修手册 1997日产途乐Y61原厂维修手册 1999日产途乐Y61原厂维修手册 2001日产途乐Y61原厂维修手册 2004日产西玛F50原厂维修手册 2005日产西玛F50原厂维修手册 94-97日产阳光B14原厂维修手册 2002日产阳光N16原厂维修手册 2003东风日产阳光EQ7202原厂维修手册 2005东风日产阳光EQ7202原厂维修手册 2005郑州日产皮卡P27原厂维修手册2006郑州日产皮卡P31原厂维修手册 2007郑州日产SUV奥丁原厂维修手册 2004郑州日产帕拉丁原厂维修手册 2001日产皮卡D22原厂维修手册 94-99日产皮卡D22原厂维修手册马自达车系2008一汽马自达M5原厂维修手册 2008长安马自达2原厂维修手册 2008长安马自达2原厂技术培训 2010长安马自达M3原厂维修手册 2010长安马自达M3原厂技术培训手册2006长安马自达M3原厂维修手册 2008马自达RX-8维修手册 2009马自达M6睿翼维修手册2009一汽马自达M6睿翼原厂技术培训 2007一汽马自达M6原厂维修手册2006一汽马自达M6原厂维修手册 2005马自达M6自动变速器原厂维修手册 2005马自达M6维修车间操作手册 2010新一代普利马维修技术原厂培训 2005海南马自达普利马原厂维修手册 2004海南普利马原厂维修手册2003海南马自达福美来原厂维修手册 2006海南马自达福美来二代原厂维修手册 2009海马VT2无级变速器维修手册 2004马自达MPV自变速驱动桥维修手册2001马自达MPV原厂维修手册三菱车系2007长丰猎豹CS6原厂维修手册 2009长丰猎豹CS7原厂维修手册长丰猎豹吉普汽车维修手册长丰猎豹汽车原厂技术培训东南得利卡原厂维修手册东南富利卡原厂维修手册东南戈蓝汽车原厂维修手册东南菱帅原厂维修手册东南菱绅原厂维修手册东南系列发动机变速器原厂维修资料三菱戈蓝原厂维修手册2008三菱格蓝迪原厂维修手册2007三菱格蓝迪原厂维修手册 2006三菱格蓝迪原厂维修手册(中国版补充) 2004三菱格蓝迪原厂维修手册2007三菱蓝瑟原厂维修手册三菱戈蓝蓝瑟维修手册2008北京欧蓝德原厂维修手册2006北京欧蓝德原厂维修手册 2004北京欧蓝德原厂维修手册2002三菱帕杰罗速跑原厂维修手册 2004三菱帕杰罗速跑P45维修手册 2008三菱帕杰罗原厂维修手册三菱帕杰罗V73全车原厂车间检修手册三菱帕杰罗V73原厂维修手册三菱帕杰罗原厂维修手册三菱系列发动机变速器维修手册铃木车系2007铃木吉姆尼原厂维修手册 2009长安铃木新天语SX4自动变速器维修手册2009长安铃木新天语SX4原厂维修手册 2007长安铃木天语SX4维修手册长安铃木天语SX4轿车CNG系统维修手册 2006铃木超级维特拉原厂维修手册长安铃木羚羊原厂维修手册 2005长安铃木燕雨原厂维修手册昌河铃木北斗星微型客车原厂维修手册 2006昌河爱迪尔原厂维修手册铃木SOLIO所力歐(1.3L)维修手册斯巴鲁车系2008斯巴鲁森林人原厂维修手册2006斯巴鲁森林人原厂维修手册 2005斯巴鲁森林人原厂维修手册 2004斯巴鲁森林人原厂维修手册 2006斯巴鲁翼豹原厂维修手册 2005斯巴鲁翼豹原厂维修手册 2007斯巴鲁力狮原厂维修手册2006斯巴鲁力狮原厂维修手册 2005斯巴鲁力狮原厂维修手册现代车系2009北京现代索纳塔领翔NFC维修手册 2009北京现代索纳塔领翔NFC培训手册 2009北京现代索纳塔EF名驭电路图 2007北京现代索纳塔自动波电路图北京现代现代索纳塔维修手册北京现代索纳塔发动机培训2005北京现代索纳塔NF御翔原厂维修手册 2008北京现代索纳塔NF御翔原厂全车电路图北京现代索纳塔御翔NFC培训手册 2009北京现代伊兰特原厂维修手册 2008北京现代伊兰特悦动原厂维修手册北京现代伊兰特原厂技术培训手册2007北京现代伊兰特原厂全车电路图 2004北京现代伊兰特原厂维修手册2008北京现代途胜原厂全车电路图 2009北京现代途胜原厂全车电路图 2009北京现代途胜原厂维修手册北京现代途胜原厂技术培训教材2004北京现代途胜原厂维修手册 2009北京现代雅申特原厂维修手册 2008北京现代雅绅特原厂全车电路图 2006北京现代雅绅特原厂维修手册 2006华泰现代圣达菲原厂维修手册 2008华泰现代新圣达V6原厂维修手册华泰现代圣特菲原厂技术培训教材华泰现代特拉卡原厂维修手册现代特拉卡柴油发动机原厂维修手册现代酷派跑车原厂全车电路图现代XG君爵原厂维修手册 2004现代雅科仕原厂维修手册起亚车系2005东风起亚赛拉图原厂维修手册 2005东风悦达起亚千里马原厂维修手册东风悦达千里马原厂维修手册东风悦达起亚千里马原厂维修培训手册 2009东风悦达起亚福瑞迪原厂技术培训 2009起亚狮跑20DOHCVVT维修手册 2007起亚狮跑原厂维修手册2006起亚狮跑原厂全车电路图2003东风悦达起亚远舰维修手册东风悦达起亚远舰新车技术培训教材起亚嘉华原厂维修手册东风悦达起亚嘉华原厂培训资料东风悦达起亚嘉华原厂全车电路图 2003东风起亚悦达嘉华3.5维修手册大宇车系大宇希望原厂维修手册大宇(DAEWOO)LEGANZA典雅轿车全车线路图大宇(DAEWOO)兰龙轿车原厂全车线路图大宇蓝龙新巧龙旅行家典雅维修手册大宇王子超级沙龙轿车电控燃油喷射系统维修手册大宇Daewoo贵族希望ESPERO轿车电喷系统维修手册大宇蓝龙电器系统维修手册大宇蓝龙发动机电控系统检修大宇系列汽车电气元件位置及电路图全集通用车系2009上海通用别克新君威原厂维修手册 2003上海通用别克君威原厂维修手册2009上海通用别克新君越原厂维修手册 2008上海通用别克君越原厂维修手册2008上海通用别克君越混合动力维修手册 2008通用别克君越6T40自动变速箱维修手册 2006上海通用别克君越原厂维修手册 2006上海通用别克GL8原厂维修手册 2006上海通用别克GL8陆尊原厂维修手册 2005上海通用别克GL8陆尊原厂维修手册 2003上海通用别克GL8原厂维修手册增补本 2001上海通用别克GL8原厂维修手册上海通用别克GL8陆尊原厂维修手册 2005通用别克荣御原厂维修手册2005上海通用荣御原厂技术培训资料上海别克新世纪原厂维修手册2000通用别克新世纪GL GLX GS维修手册 2003上海通用别克世纪维修手册2008通用凯迪拉克CTS原厂维修手册 2007凯迪拉克(ESCALADE)凯雷德维修手册 2006通用凯迪拉克SGM980原厂维修手册 2005通用凯迪拉克XLR原厂维修手册2005通用凯迪拉克SRX原厂维修手册 2005通用凯迪拉克CTS原厂维修手册 2005通用凯迪拉克CRX原厂维修手册上海通用凯迪拉克原厂技术培训教材 2010上海通用别克凯越原厂全车电路图 2008上海通用别克凯越原厂维修手册 2008上海通用别克新凯越培训手册 2004上海通用别克凯越原厂维修手册上海通用别克凯越HRV维修手册2010上海通用林荫大道原厂维修手册 2007上海通用林荫大道原厂维修手册2010雪佛兰新赛欧原厂技术培训手册 2005上海通用赛欧原厂维修手册2003上海通用赛欧维修手册上海别克赛欧轿车维修手册全车电路图 2007上海通用雪佛兰乐骋原厂维修手册 2007上海通用雪佛兰景程原厂维修手册 2006上海通用雪佛兰景程维修手册2005上海通用雪佛兰景程原厂维修手册 2007上海通用雪佛兰乐风原厂维修手册 2009上海通用雪佛兰科鲁兹原厂维修手册 2007通用雪佛兰科帕奇C100原厂维修手册上海通用五菱SPARK原厂维修手册福特车系2008长安福特福克斯原厂维修手册 2005长安福特福克斯原厂维修手册 2007长安福特蒙迪欧智胜原厂维修手册长安福特蒙迪欧原厂维修手册长安福特蒙迪欧维修手册增补版福特蒙迪欧5速变速箱原厂维修手册长安福特蒙迪欧原厂技术培训手册 2009长安福特嘉年华电气原厂维修手册 2008长安福特嘉年华原厂维修手册 2005长安福特嘉年华电气维修手册 2003长安福特嘉年华原厂维修手册 2005福特领航员原厂维修手册 2005福特翼虎原厂维修手册2007福特S-MAX原厂维修手册2007长安福特S-MAX原厂技术培训资料道奇车系道奇大捷龙中文维修手册道奇捷龙汽车维修手册克莱期勒300C维修技术培训手册 Chrysler Neon 2000 彩虹原厂维修手册STRATUS 2000道奇原厂维修手册克莱斯勒倪虹原厂维修手册克莱斯勒土星原厂手册克莱斯勒北京切诺基维修手册雪铁龙车系2006东风雪铁龙凯旋维修手册东风雪铁龙凯旋原厂培训与电路图东风雪铁龙雪铁龙C2维修手册 2007东风雪铁龙毕加索原厂维修手册东风雪铁龙毕加索全车原厂电路图东风雪铁龙毕加索轿车结构与维修东风雪铁龙毕加索原厂维修手册东风雪铁龙塞纳维修手册东风雪铁龙爱丽舍原厂维修手册东风雪铁龙爱丽舍全车电路图东风雪铁龙爱丽舍轿车维修手册神龙富康988EX维修手册神龙富康ZX维修手册富康988轿车电气元件位置与电路图神龙富康自动变速器维修手册神龙富康全车电路图神龙富康电喷发动机修理手册标致车系东风标致307原厂维修手册2008东风标致307二厢2.0原厂电路图 2007东风标致307CMS 2.0 原厂电路图东风标致307 1.6自动档VAN+CAN全车电路图东风标致307多路传输系统培训东风标致307原厂技术培训手册东风标致206原厂电气维修手册东风标致206原厂技术培训手册 2010东风标致408原厂技术培训手册菲亚特车系菲亚特维修手册南京菲亚特派力奥维修手册南京菲亚特西耶那维修手册新雅途EPS维修资料英国车系路虎汽车维修手册南京名爵原厂维修手册上汽荣威原厂维修手册大众车系2010一汽大众CC原厂维修手册 2010一汽大众CC原厂技术培训手册 2010一汽大众CC原厂保养手册 2009一汽大众高尔夫A6原厂维修手册 2009上海大众途观原厂培训手册 2009上海大众朗逸原厂维修手册2009上海大众朗逸原厂全车电路图 2005一汽大众开迪Caddy原厂维修手册2005一汽大众开迪Caddy原厂技术培训手册 2005一汽大众开迪Caddy原厂全车电路图 2009一汽大众速腾原厂维修手册2009一汽大众速腾1.4T原厂技术培训一汽大众速腾09G波箱阀体分解图2006一汽大众速腾原厂维修手册2010一汽大众迈腾原厂电路维修手册 2009一汽大众迈腾原厂电路维修手册2009一汽大众迈腾新技术原厂培训 2009一汽大众迈腾1.4T原厂维修手册 2007一汽大众迈腾原厂维修手册 2009大众辉腾原厂技术培训手册 2009上海大众帕萨特新领驭电路图 2007上海大众帕萨特领驭原厂维修手册 2005帕萨特GLI原厂全车电路图上海大众PASSAT领驭售后技术培训上海大众帕萨特B5原厂维修手册2001-2003波罗1.4中文原厂维修手册 2007上海大众波罗劲情劲取原厂维修手册上海大众POLO 维修手册2005POLO GP上海大众内部培训资料 2004上海大众桑塔纳3000维修手册上海大众桑塔纳2000维修手册桑塔纳01N自动变速箱维修手册2008上海大众新桑塔纳全车电路图上海大众斯柯达法比亚原厂维修手册 2003上海大众途安原厂维修手册2004上海大众途安原厂维修手册上海大众途安内部技术培训教材上海大众途锐维修手册一汽大众宝来原厂维修手册 2004一汽大众宝来原厂技术培训教材一汽大众宝来全车电路图2008一汽大众新宝来原厂维修手册 2006一汽大众宝来维修手册2004一汽捷达原厂维修手册2006一汽大众捷达原厂全车电路图 2005一汽大众捷达原厂全车电路图一汽大众捷达柴油车维修手册一汽捷达都市先锋维修手册一汽捷达电喷系列轿车维修手册 2003上海大众高尔维修手册奥迪车系一汽大众奥迪A6L C6原厂维修手册一汽大众奥迪A6原厂维修手册一汽大众奥迪A6原厂技术培训一汽大众奥迪A4原厂维修手册一汽大众奥迪A4原厂技术培训奥迪A6维修手册奥迪Q7原厂全车电路图奥迪Q7原厂车间维修手册奥迪Q7原厂自学培训手册奥迪TT原厂自学手册2008奥迪TT原厂电路维修手册奥迪A8原厂维修手册奥迪A8原厂技术培训资料欧洲车系绅宝系列车型中文维修资料欧宝系列车型中文维修资料沃尔沃系列车型中文维修资料奔驰系列车型中文维修资料宝马系列车型中文维修资料比亚迪车系2008比亚迪F0原厂维修手册2008比亚迪F0电喷系统维修手册 2008比亚迪F1厂家技术培训手册 2007比亚迪F3 F3-R原厂维修手册 2007比亚迪F3发动机电喷系统维修手册2007比亚迪F3维修站培训教材 2006比亚迪F3原厂维修手册2009比亚迪F6原厂维修手册2009比亚迪S8原厂维修手册 2009比亚迪S8厂家内部培训教材奇瑞车系2008奇瑞A520原厂维修手册 2009奇瑞A3原厂维修手册 2011奇瑞新A3原厂维修手册 2009奇瑞威麟V5原厂维修手册奇瑞东方之子原厂维修手册奇瑞风云系列车型原厂维修手册奇瑞旗云A15原厂维修手册 2007奇瑞新A15旗云维修手册奇瑞瑞虎原厂维修手册 2010奇瑞瑞麒G6原厂维修手册 2010奇瑞瑞麒G5原厂维修手册 2008奇瑞瑞麒2原厂维修手册奇瑞QQ原厂维修手册长城车系长城风骏原厂维修手册长城哈弗原厂维修手册长城嘉誉原厂维修手册长城酷熊原厂维修手册长城精灵原厂维修手册长城赛铃原厂维修手册长城赛弗原厂维修手册长城炫丽原厂维修手册长城赛影原厂维修手册吉利车系2010吉利帝豪原厂维修手册 2007吉利金刚原厂维修手册吉利美人豹跑车维修手册2010吉利熊猫原厂电气维修手册 2009吉利远景原厂技术培训手册 2006吉利远景原厂维修手册吉利自由舰维修手册吉利FC-1全自动汽车空调维修手册吉利优利欧汽车电路图册中兴汽车中兴皮卡原厂维修手册中兴汽车无限原厂维修手册中兴威虎发动机原厂维修手册江铃汽车江铃陆风风华原厂维修手册江铃陆风风尚原厂维修手册江铃陆风原厂维修手册江铃宝典皮卡原厂维修手册江铃全顺原厂维修手册力帆汽车重庆力帆520原厂维修手册重庆力帆620原厂维修手册江淮汽车江淮宾悦原厂维修手册江淮瑞风原厂维修手册华晨汽车华晨中华轿车原厂维修手册华晨中华骏捷原厂维修手册华晨金杯海狮维修手册丰田海狮面包车维修手册华普汽车华普海锋原厂维修手册华普海尚原厂维修手册华普海迅原厂维修手册华普海域原厂维修手册华普海悦原厂维修手册哈飞汽车哈飞民意原厂维修手册哈飞赛马原厂维修手册哈飞赛豹电控维修手册长安汽车长安CM8原厂维修手册长安奔奔原厂维修手册长安之星原厂维修手册长安志翔原厂维修手册福田汽车北汽福田原厂维修手册福田蒙派克原厂维修手册双环汽车双环CEO原厂维修手册双环小贵族原厂维修手册一汽汽车天津夏利汽车维修手册一汽华利维修手册一汽佳宝原厂维修手册。
广州本田轿车电气元器件位置与电气线路图第一节广州本田轿车电气元器件位置图广州本田轿车电气元器件位置如图10-1-1~图10-1-52所示。
图10-1-1 风扇控制系统各部件位置图图10-1-2 起动系统部件的位置图图10-1-3 充电系统部件位置图图10-1-4 程序控制燃油喷射系统(PGM-FI)部件位置图(1)图10-1-5 程序控制燃油喷射系统(PGM-FI)部件位置图(2)图10-1-6 程序控制燃油喷射系统(PGM-FI)部件位置图(3)图10-1-7 程序控制燃油喷射系统(PGM-FI)部件位置图(4)图10-1-8 程序控制燃油喷射系统(PGM-FI )部件位置图(5)图10-1-9 PGM-FI真空系统部件位置图图10-1-10 PGM-FI系统自诊断插头位置图图10-1-11 PGM-FI系统熔断丝位置图图10-1-12 ECM/PCM位置图图10-1-13 自动变速器电子控制元件位置图图10-1-14 ABS系统元件位置图图10-1-15 发动机舱继电器和控制元件位置图图10-1-16 仪表板与车门电器元件位置图(1)图10-1-17 仪表板与车门电器元件位置图(2)图10-1-18 仪表板与车门电器元件位置图(3)图10-1-19 安全指示灯系统部件位置图图10-1-20 照明系统控制部件位置图图10-1-21 转向信号/危险报警闪光装置部件位置图图10-1-22 车内灯具位置图图10-1-23 音响装置元件位置图图10-1-24 电动后视镜控制部件位置图图10-1-25 电动天窗控制元件位置图图10-1-26 电动座椅控制元件位置图图10-1-27 定速巡航控制系统元件位置图(1)图10-1-28 定速巡航控制系统元件位置图(2)图10-1-29 安全防盗系统控制元件位置图图10-1-30 遥控开启车门/防盗安全报警系统元件位置图(1)图10-1-31 遥控开启车门/防盗安全报警系统元件位置图(2)图10-1-32 安全气囊SRS系统部件位置图图10-1-33(a)熔断丝盒和插头位置图(驾驶侧仪表板下熔断丝/继电器盒)图10-1-33(b)熔断丝盒和插头位置图(Fo插头)图10-1-33(c)熔断丝盒和插头位置图(C1插头)图10-1-33(d)熔断丝盒和插头位置图(C2插头)图10-1-33(e)熔断丝盒和插头位置图(C3插头)图10-1-33(f)熔断丝盒和插头位置图(C4和C5插头)图10-1-33(g)熔断丝盒和插头位置图(Uo插头)图10-1-33(h)熔断丝盒和插头位置图(D1o和D1i插头)图10-1-33(i)熔断丝盒和插头位置图(D2o和D2i插头)图10-1-33(j)熔断丝盒和插头位置图(P1o和P1i插头)图10-1-34 暖风装置部件位置图图10-1-35 自动空调部件位置图(1)图10-1-36 自动空调部件位置图(2)图10-1-37 自动温湿控制部件位置图(1)图10-1-38 自动温湿控制部件位置图(2)图10-1-39 发动机舱电气线束和搭铁线的位置图(1)图10-1-40 发动机舱电气线束和搭铁线的位置图(2)图10-1-41 发动机舱电气线束和搭铁线的位置图(3)图10-1-42 仪表板电气线束和搭铁线的位置图(1)图10-1-43 仪表板电气线束和搭铁线的位置图(2)图10-1-44 车身电气线束和搭铁线的位置图(1)图10-1-45 车身电气线束和搭铁线的位置图(2)图10-1-46 电气线束和搭铁线的位置图(车辆后部)图10-1-47 电气线束和搭铁线的位置图(车顶部)图10-1-48 车门电气线束和搭铁线的位置图(1)图10-1-49 车门电气线束和搭铁线的位置图(2)图10-1-50 车门电气线束和搭铁线的位置图(3)图10-1-51 车门电气线束和搭铁线的位置图(4)图10-1-52 电气线束和搭铁线的位置图(电动座椅)第二节广州本田轿车电气线路图一、控制单元(ECU)插座广州本田轿车控制单元(ECU)插座如图10-2-1~图10-2-2所示。
2008款广州本田雅阁车身电气系统原厂维修手册(可编辑)2008款广州本田雅阁车身电气系统原厂维修手册62TA020W_22.book Page 1 Wednesday,November 28, 2007 4:19 PM 车身电气系统车身电气系统车外灯专用工具 22-2 组合灯开关测试 /更换. 22-158 一般故障排除信息. 22-3 无钥匙进入系统和发动机防盗锁止系统的雾灯遥控注册与重新编程22-11部件位置索引22-160DTC 故障排除索引 22-13电路图. 22-162MICU 输入测试22-164继电器和控制单元位置 22-20后雾灯更换 22-168后雾灯灯泡更换22-168电源分布 22-23搭铁分布 22-49车内照明灯部件位置索引22-169继电器电路图. 22-172电源继电器测试. 22-60 MICU 输入测试22-174多路集成控制系统上车灯控制系统电路图. 22-64部件位置索引22-179DTC 故障排除. 22-66 电路图. 22-180点火钥匙开关测试. 22-182 无钥匙 / 电动门锁 / 安全系统点火钥匙灯测试22-182部件位置索引22-68系统说明 22-71 仪表电路图. 22-72自诊断功能 22-183症状故障排除22-76电路图. 22-186控制单元输入测试. 22-77 防盗报警喇叭测试 /更换 22-88 驻车和倒车传感器系统部件位置索引22-190本田智能钥匙系统系统说明. 22-191部件位置索引22-89电路图. 22-193系统说明 22-91驻车和倒车传感器控制单元输入测试22-194 点火开关控制单元重新注册. 22-92 驻车和倒车传感器蜂鸣器测试 / 更换 22-196电路图. 22-93拐角驻车传感器更换. 22-196 DTC 故障排除. 22-96倒车传感器更换22-197症状故障排除信息. 22-126 症状故障排除索引. 22-131 发动机防盗锁止系统症状故障排除22-132部件位置索引22-198控制单元输入测试 /更换 22-146 系统说明. 22-199车门和行李厢 LF 天线测试 22-149 电路图. 22-200车内 LF天线测试22-150DTC故障排除22-201本田智能钥匙测试. 22-151 症状故障排除信息. 22-201 本田智能钥匙系统模式开关测试 /更换22-152症状故障排除22-204本田智能钥匙槽测试 / 更换22-152 系统检查. 22-208行李厢盖外把手开关测试 /更换. 22-153发动机防盗锁止无钥匙控制单元输入 RF单元更换. 22-153测试. 22-210前侧车内 LF天线更换. 22-154 发动机防盗锁止钥匙注册22-212 后侧车内LF天线更换. 22-154 发动机防盗锁止无钥匙控制单元后窗台板 LF天线更换. 22-155 重新注册 22-213后保险杠 LF天线更换. 22-155 发动机防盗锁止无钥匙控制单元遥控蜂鸣器更换. 22-156 更换. 22-213点火开关按钮更换. 22-157注意:对于未显示在本章节中的项目,参考 2008 Accord 维修手册 P/N62TA000B,2008 Accord 维修手册附录 P/N 62TA020。
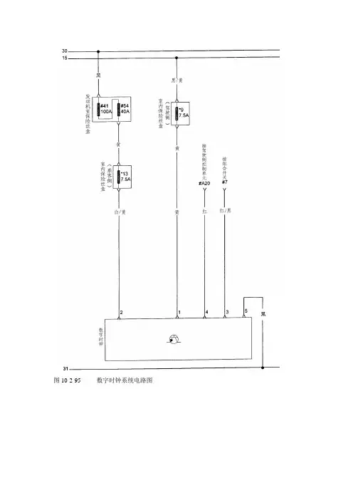
图10-2-95 数字时钟系统电路图图10-2-96 自动变速器系统电路全图图10-2-97 自动变速器系统电路图(1)图10-2-98 自动变速器系统电路图(2)图10-2-99 自动变速器系统电路图(3)图10-2-100 自动变速器系统电路图(4)图10-2-101 自动变速器系统电路图(5)图10-2-102 自动变速器系统电路图(6)图10-2-103 ABS系统电路全图图10-2-104 ABS系统电路图(1)图10-2-105 ABS系统电路图(2)图10-2-106 ABS系统电路图(3)图10-2-107 ABS系统电路图(4)图10-2-108 ABS系统电路图(5)图10-2-109 ABS系统电路图(6)图10-2-110 手动空调寒气系统电路全图图10-2-111 手动空调寒气系统电路图(1)图10-2-112 手动空调寒气系统电路图(2)图10-2-113 手动空调寒气系统电路图(3)图10-2-114 手动空调寒气系统电路图(4)图10-2-115 手动空调寒气系统电路图(5)图10-2-116 恒温空调寒气系统电路全图图10-2-117 恒温空调寒气系统电路图(1)图10-2-118 恒温空调寒气系统电路图(2)图10-2-119 恒温空调寒气系统电路图(3)图10-2-120 恒温空调寒气系统电路图(4)图10-2-121 恒温空调寒气系统电路图(5)图10-2-122 恒温空调寒气系统电路图(6)图10-2-123 恒温空调寒气系统电路图(7)图10-2-124 平安气囊系统电路全图图10-2-125 平安气囊系统电路图(1)图10-2-126 平安气囊系统电路图(2)图10-2-127 电动后视镜系统电路图(可折式)(1/2)图10-2-128 电动后视镜系统电路图(可折式)(2/2)图10-2-129 电动后视镜系统电路图(非可折式)图10-2-130 喇叭系统电路图图10-2-131 点烟器系统电路图图10-2-132 大灯系统电路图(1/2)图10-2-133 大灯系统电路图(2/2)图10-2-134 雾灯系统电路图(1/2)图10-2-135 雾灯系统电路图(2/2)图10-2-136 小灯系统电路图(1/2)图10-2-137 小灯系统电路图(2/2)图10-2-138 转向灯系统电路图(1/3)图10-2-139 转向灯系统电路图(2/3)图10-2-140 转向灯系统电路图(3/3)图10-2-141 制动灯系统电路图图10-2-142 倒车灯系统电路图(自排)图10-2-143 牌照灯系统电路图图10-2-144 室内照明灯系统电路图(1/3)图10-2-145 室内照明灯系统电路图(2/3)图10-2-146 室内照明灯系统电路图(3/3)图10-2-147 行李箱灯系统电路图图10-2-148 车顶灯系统电路图图10-2-149 车顶灯系统电路图(顶级)(1/2)图10-2-150 车顶灯系统电路图(顶级)(2/2)图10-2-151 迎宾灯系统电路图。
图10-2-61 倒车雷达系统电路图〔1〕图10-2-62 倒车雷达系统电路图〔2〕图10-2-63 倒车雷达系统电路图〔3〕图10-2-64 附件电源插头系统电路图图10-2-65 电动窗系统控制电路图〔1〕图10-2-66 电动窗系统控制电路图〔2〕图10-2-67 电动窗系统控制电路图〔3〕图10-2-68 电动窗系统控制电路图〔4〕图10-2-69 电动窗系统控制电路图〔5〕图10-2-70 电动窗系统控制电路图〔6〕五、舒适系统电气线路图##本田轿车舒适系统电气线路图如图10-2-71~图10-2-95所示。
图10-2-71 定速系统电路图〔自排〕〔1〕图10-2-72 定速系统电路图〔自排〕〔2〕图10-2-73 定速系统电路图〔自排〕〔3〕图10-2-74 定速系统电路图〔自排〕〔4〕图10-2-75 无遥控中控锁系统电路图〔无防盗〕〔1〕图10-2-76 无遥控中控锁系统电路图〔无防盗〕〔2〕图10-2-77 无遥控中控锁系统电路图〔无防盗〕〔3〕图10-2-78 无遥控中控锁系统电路图〔无防盗〕〔4〕图10-2-79 无遥控中控锁系统电路图〔无防盗〕〔5〕图10-2-80 无遥控中控锁系统电路图〔附防盗〕〔1〕图10-2-81 无遥控中控锁系统电路图〔附防盗〕〔2〕图10-2-82 无遥控中控锁系统电路图〔附防盗〕〔3〕图10-2-83 无遥控中控锁系统电路图〔附防盗〕〔4〕图10-2-84 无遥控中控锁系统电路图〔附防盗〕〔5〕图10-2-85 无遥控中控锁系统电路图〔附防盗〕〔6〕图10-2-86 有遥控中控锁系统电路图〔无防盗〕〔1〕图10-2-87 有遥控中控锁系统电路图〔无防盗〕〔2〕图10-2-88 有遥控中控锁系统电路图〔无防盗〕〔3〕图10-2-89 有遥控中控锁系统电路图〔无防盗〕〔4〕图10-2-90 有遥控中控锁系统电路图〔附防盗〕〔1〕图10-2-91 有遥控中控锁系统电路图〔附防盗〕〔2〕图10-2-92 有遥控中控锁系统电路图〔附防盗〕〔3〕图10-2-93 有遥控中控锁系统电路图〔附防盗〕〔4〕图10-2-94 有遥控中控锁系统电路图〔附防盗〕〔5〕图10-2-95 数字时钟系统电路图。
概述
1-10
缩写
维修手册中常用汽车缩略语列表。
ABS A/C ACEA ACL A/F AHB ALR ALT AMP ANT API APP
APPROX.ASSY A/T ATDC ATF ATT AUTO AUX BARO BAT BCM BDC BTDC CARB CAT 或CATA CD CHG CKF CKP CL V CMBS CMP CO COMP CPB CPC CPU CVT CVTF CYL CYP
防抱死制动系统空调、空调机
欧洲汽车制造商协会空气滤清器空燃比
先进液压助力器自动锁止卷收器交流发电机安培天线
美国石油学会加速踏板位置大约总成
自动变速器上止点后自动变速器油附件自动
辅助的、附件大气压力蓄电池
蓄电池状态监视器下止点上止点前化油器催化转换器光盘充电
曲轴转速波动曲轴位置
计算出的负载值碰撞减轻制动系统凸轮轴位置一氧化碳完成,完全离合器压力支持离合器压力控制中央处理器单元无级变速器无级变速器油液气缸、油缸气缸位置
DIFF DLC DLI DOHC DOT DPF DPI DPSF DTC EBD ECM ECT EGR EGT ELD EPR EPS ETCS EVAP EX F FIA FL FP FR FRP FSR FWD GAL GND GPS H/B HBA HC HDS HFT HID HIM HO2S HPS HVAC
差速器数据连接器无分电器点火双顶置凸轮轴交通部
柴油机微粒滤清器双点喷射双泵系统用油故障诊断代码电子制动力分配发动机控制单元发动机冷却液温度废气再循环废气温度
电气负载检测器蒸发器压力调节器电动动力转向
电子节气门控制系统蒸发排放排气、废气前
燃油喷射空气左前方燃油泵右前方
燃油分配管压力失效保护继电器前轮驱动加仑搭铁
全球定位系统掀背式
液压制动辅助碳氢化合物本田诊断系统免提电话高强度放电本田接口单元热氧传感器液压动力转向
取暖、通风和空调系统
IAB
IAC IACV
IAR
IAT
ICM
ID
ID或I.D. i-DSI
IG或IGN IMA IMMOBI. IMRC IMT
IN
INJ
INT
IQA
ISV
KS
L
L/C
LCD
LED
LEV
LF
LH
LHD
LR
LSD
L4
MAF MAP MAX. MBS MCK MCM MCU MICS MICU MIL MIN. MPI
M/S
M/T
MTF 进气旁通
怠速空气控制
怠速空气控制阀
进气谐振器
进气温度
点火控制单元
识别
内径
智能型双火花塞顺序
点火系统
点火
怠速混合调节
集成式电机助力系统
发动机防盗锁止系统
进气歧管管路控制系统
进气歧管调节
进气
喷射
间歇,间断
喷油量调整(柴油机车型)
进气调节阀
爆震传感器
左
锁止离合器
液晶显示屏
发光二极管
低排放量车辆
左前方
左向
左驾驶车型
左后方
防滑差速器
直列式四缸(发动机)
质量型空气流量
歧管绝对压力
最大值
主轴制动系统
电机检查
电机控制单元
力矩控制单元
多路集成控制系统
多路集成控制单元
故障指示灯
最小值
多点燃油喷射
手动转向
手动变速器
手动变速器用油
NOx
OBD
OD或O.D.
OPDS
O2S
PAIR
PCM
PCV
PDU
PGM-FI
PGM-IG
PH
PL
PMR
P/N
PRI
P/S
PSF
PSP
PSW
Qty
R
REF
RH
RHD
RL
RON
RR
SAE
SCS
SEC
SOHC
SOL
SPEC
S/R
SRS
STD
SW
氮氧化物
车载电脑诊断
外径
乘客位置检测系统
氧传感器
脉冲二次空气喷射
动力系统控制单元
曲轴箱强制通风装置
比例控制阀
动力传动单元
程控燃油喷射
程控点火
高压
指示灯或低压
泵电机继电器
零件号
主
动力转向
动力转向液
动力转向压力
压力开关
数量
右
基准,参考
右向
右驾驶车型
左后方
研究法辛烷值
右后方
汽车工程师学会
维修检查信号
秒,第二
单顶置凸轮轴
电磁线圈
规格
天窗
气囊
标准
开关
(续)
1-11
概述
1-12
缩写(续)
T TB T/B TC TCM TCS TDC TFT T/N TP TWC VC VIN VSA VSS VTEC VVIS V6W W/O WOT 2WD 4WD 4AT 5AT 5MT 6MT P R N D4D3D M S L O/D 1ST 2ND 3RD 4TH 5TH 6TH
扭矩节气门体正时皮带变矩器
变速器控制单元牵引力控制系统上止点薄膜晶体管工具号码节气门位置三元催化转换器
粘液耦合器车辆识别号
车辆稳定性辅助系统车速传感器
可变气门正时和气门升程电子控制可变容量进气系统V 型6缸(发动机)有没有
节气门全开
两轮驱动四轮驱动
四档自动变速器五档自动变速器
五档手动换挡变速器六档手动换挡变速器驻车档倒档空档
前进档(一档到四档)前进档(一档到三档)前进档手动模式第二低速档超速档
低速(档)第二(档)第三(档)第四(档)第五(档)第六(档)
电路图
4-5
点火系统
4-19
部件位置索引
点火系统电路图
4-20
充电系统电路图
4-26。