建筑市场综合执法检查表
- 格式:doc
- 大小:195.09 KB
- 文档页数:11
附件1受检工程质量情况检查表(一)受检工程基本情况表工程所在市(区、县):检查时间:2016年月日工程名称工程地点建设规模层数:面积:㎡结构类型开工日期形象进度责任主体和有关机构单位单位名称资质等级项目负责人及资格质量授权书终身责任承诺书是否有是否符合是否有是否符合建设勘察设计施工分包监理施工图审查质量检测备注检查人员签字:建设单位负责人签字:受检工程质量情况检查表(二)工程实体质量情况检查表工程名称:检查项目检查内容和方法评价备注符合不符合(一)原材料、成品、半成品、构配件出厂质量证明文件和进场检验报告1 水泥及外加剂、掺合料2混凝土养护剂的合格证等质量证明文件原件及进场复试报告3 钢筋及钢筋焊接、机械连接材料4 砖、砌块5 预拌混凝土、砂浆,混凝土的出厂合格证6 钢结构用钢材及焊接、紧固件连接材料7 预制构件及预应力混凝土锚具、夹具8 防水材料(二)施工试验报告9地基强度或承载力检验报告、工程桩承载力及桩身完整性检验报告10 混凝土试块抗压强度试验报告及统计评定11 砂浆试块抗压强度试验报告及统计评定12 钢筋焊接、机械连接工艺试验报告13 钢筋焊接、机械连接试验报告14 钢结构连接(焊接)质量检测报告15 回填土检验报告16 沉降观测记录(三)施工记录17水泥及外加剂、混凝土及砂浆试块、钢筋及连接接头试件、砖、砌块、防水材料等进场验收记录及见证取样和送检记录,混凝土交货检验记录,泵送地点的混凝土温度检验记录,监理单位对交货检验进行见证和协调记录。
18 桩基试桩、成桩记录19混凝土施工记录、混凝土冬期施工温控记录、大体积混凝土施工温控记录20 预应力混凝土张拉、灌浆记录21 预制构件、钢构件吊装记录22钢结构整体垂直度和整体平面弯曲度、钢网架挠度检验记录23 结构实体检验记录(四)质量验收记录24 地基验槽记录25 桩位偏差、桩顶标高验收记录26 隐蔽工程验收记录27 检验批、分项、分部(子分部)验收记录(五)模板工程28 模板及其支架专项施工方案,高大模板专家论证意见29模板及其支架的承载能力、刚度和稳定性:对照施工技术方案检查,检查立柱间距、立柱搭接,扫地杆、水平拉杆、剪刀撑设置,支架与主体结构固结措施等30模板及其支架拆除的顺序及安全措施:对照施工技术方案检查(六)钢筋工程31钢筋品种、级别、规格和数量:对照施工图设计文件检查32有抗震设防要求的结构,纵向受力钢筋的牌号、力学性能:对照施工图设计文件检查;检查钢筋进场复检报告33钢筋代换:当钢筋的品种、级别或规格变更时,应办理设计变更文件34钢筋加工制作:钢筋调直方法、下料长度、弯钩弯折形式及尺寸35 钢筋连接:连接方式、接头位置和连接质量36钢筋构造措施、受力钢筋位置和混凝土保护层厚度:检查作业面上的受力钢筋间距、固定措施,节点部位的箍筋间距,混凝土保护层厚度(七)混凝土工程37混凝土试块留置:标养试块、同条件试块留置组数及养护38混凝土的外观质量和尺寸偏差:检查混凝土外观质量,抽查混凝土构件尺寸偏差(八)砌体工程39砌筑砂浆强度和试块留置:检查现场砂浆配合比实际应用情况,检查计量器具设置应用,砂浆试块留置数量、养护环境、标识等40小砌块质量:承重墙体使用的小砌块应完整、无破损、无裂缝,小砌块应将生产时的底面朝上反砌于墙上41墙体转角处、交接处及临时间断处砌筑方式:墙体转角处和纵墙交接处应同时砌筑,临时间断处应砌成斜槎,抗震设防地区设置拉结筋情况42灰缝厚度及砂浆饱满度:用尺量检查10皮砖灰缝厚度,用百格网检查作业面的砂浆饱满度43 构造措施:构造柱、圈梁设置情况(九)实体质量抽测44 钢筋原材料:使用游标卡尺现场抽测钢筋直径45钢筋位置、数量、保护层厚度:使用钢筋扫描仪现场抽测46 混凝土强度:使用混凝土回弹仪现场抽测47 楼板厚度:使用厚度检测仪或钻孔抽测48 钢结构检测(十)建筑节能工程49墙体施工:保温层采用后置锚固件应进行锚固力现场拉拔试验50墙体节能工程各层构造做法、基层、门窗洞口、凸窗四周的侧面、外墙热桥部位的保温措施符合设计及验收规定51屋面:保温隔热层的敷设及热桥部位的保温隔热措施、通风隔热架空层、采光屋面、屋面的隔汽层质量符合验收规定52外门窗框或副框与洞口之间的间隙填充、外窗遮阳设施、天窗安装质量符合验收规定(十一)装饰装修工程53楼地面、墙面和顶棚:裂缝、空鼓、脱层、地面起砂、墙面爆灰、地面基层平整度54门窗:窗台高度、渗漏、门窗开启、安全玻璃标识、外门窗划痕、损伤55 栏杆:栏杆高度、竖杆间距、防攀爬措施、防护玻璃56防水工程:屋面渗漏、卫生间等防水地面渗漏、外墙渗漏57 室内空间尺寸:室内层高、净开间尺寸58 电气工程:管线、位置及数量59给水排水工程:管道渗漏、坡度、排水管道通水灌水、给水管道试压、高层阻火圈(防火套管)设置、地漏水封(十二)其他60预制承重构件安装:观察检查已安装的预制承重构件安装位置、搁置长度和堆放在场地上的预制构件情况61钢结构安装:观察检查钢构件的外观质量、安装位置及连接部位的质量情况等62 施工荷载控制:观察检查楼层及基坑周边堆载情况结果统计共检查项;符合项;不符合项检查人员签字:检查时间:2016年月日受检工程质量情况检查表(三)参建主体和有关机构质量行为检查表工程名称:序号检查项目检查内容评价建设单位1建立各方主体法人代表和项目负责人质量终身责任信息档案检查授权书、质量责任承诺书、终身责任信息登记表签订及归集整理情况□符合□不符合2施工现场设立工程质量治理公示标牌检查标牌设立,公示内容是否齐全□符合□不符合3 施工前办理质量监督手续检查监督注册登记表□符合□不符合4 施工前办理施工图设计文件审查检查施工图设计文件审查资料□符合□不符合5 施工前办理施工许可(开工报告) 检查施工许可证(开工报告)□符合□不符合6 按规定委托监理,充分授权检查监理合同和监理资料□符合□不符合7组织图纸会审、设计交底、设计变更工作按规定组织□符合□不符合8原设计有重大修改、变动的,施工图设计文件重新报审石材、玻璃幕墙深化设计是否图审按要求重新报审□符合□不符合勘察设计单位9参加地基验槽、基础、主体结构及有关重要部位工程质量验收按规定参加验收工作□符合□不符合10 签发设计修改变更、技术洽商通知全部按规定要求签发□符合□不符合11 参加有关工程质量问题的处理按规定参加有关工程质量问题的处理□符合□不符合施12 单位资质单位资质证书□符合□不符合13 单位质检机构人员配备情况符合《淄博市建筑施工企业质量安全管理体系设置运行管理规定》要求□符合□不符合14 单位质检机构开展月度质量检查对每个在建工程每月不少于一次质量检查,内容详细、真实,有针对性、指导性,对检查隐患做到逐条复查落实□符合□不符合工单位15 单位质检机构参加重要节点验收参与工程项目的地基基础、主体及重要分部(子分部)工程验收和竣工验收,对存在的问题及时处理。
受检工程项目基本情况表
督查组成员签字: 督查
期:
受检工程安全监督情况表
督查组成员签字: 督查口期:
工程项目施工安全生产检查表
(建设单位)
工程项目施工安全生产检查表
(监理单位)
工程项目施工安全生产检查表
(施工单位)
检查人: 检查日期:年月日
工程项目施工安全生产检查表(重大事故隐患判定表)
工程项目施工安全生产检查表
工程项目施工安全生产检查表
(设计单位)
施工现场安全生产检查表(模架和脚手架工程)
F1
施工现场安全生产检查表
(起重机械)
检查人: 检查日期: 年月日
施工现场安全生产检查表(基坑土方开挖及支护工程)
检查人: 检查日期: 年.
月日
施工现场安全生产检查表
(临时用电)
项目名称:_______________________________________________________________
检查人: 检查日期: 年月日
施工现场安全生产检查表
(安全防护)
项目名称:_____________________________________________________________________________
施工现场安全生产检查表
(现场环境)
项目名称:
检查日期:年月检查人:。
附件:建筑市场综合大检查考核内容和计分方法全市建筑市场综合大检查是以在建工程项目为载体,对工程建设各方主体的建筑市场行为、项目管理、质量行为、安全行为、实体质量、安全实况等进行量化考核。
一、建筑市场综合大检查内容及计分详见镇江市建筑市场综合大检查用表之一至六二、工程项目得分建筑业企业在全市建筑市场综合大检查中工程项目的得分按照下列方法计算:无分包工程的项目得分二表三(市场管理)x 30%+表四(质量监管)X 35%+表五(安全监管一)x 20%+表五(安全监管二)x 15%。
总包单位有分包工程的项目得分=表三(市场管理)X 25%+ 表四(质量监管)X 25%+表五(安全监管一)X 15%+表五(安全监管二)X 15%+ (该项目专业分包单位平均得分)X 20%专业分包单位的项目得分=表三(专业工程市场管理)X 50%+ 表四(专业工程质量监管)X 50%。
三、建筑业企业得分建筑业企业在建筑市场综合大检查中所有项目的平均得分乘以50%,作为该企业建筑市场综合大检查得分计入建筑业企业信用评价得分。
工程项目未检查到或无法考核打分的企业,按本次检查所有有检查分的企业平均分计算。
在建筑市场综合大检查中,被通报表扬的项目每个加2分,最多加4分;被通报批评的项目每个扣2分,有效期与综合大检查得分更新周期一致。
镇江市建筑市场综合大检查用表之一(工程概况)填表单位签字:检查人签字:镇江市建筑市场综合大检查用表之一二(建设程序)检查资料准备资料:立项批文、土地使用证,规划许可证、施工许可证、招投标文件、中标通知书、施工总包及分包合同、监理合同、审图手续、质监手续、安监手续、发承包计价手册等。
镇江市建筑市场综合大检查用表之三(市场管理)镇江市建筑市场综合大检查用表之三(专业工程市场管理)镇江市建筑市场综合大检查用表之四(质量监管)镇江市建筑市场综合大检查用表之四(专业工程质量监管)镇江市建筑市场综合大检查用表之四(实体工程质量)镇江市建筑市场综合大检查用表之五(安全监管一)镇江市建筑市场综合大检查用表之五(安全监管一)(监理单位)。
建筑市场综合大检查检查表一、项目概况1. 项目名称:某某建筑市场综合大检查2. 检查时间:2022年10月1日至2022年10月15日3. 检查地点:某某市建筑市场二、检查目的本次检查旨在全面了解某某市建筑市场的运营情况,发现并解决存在的问题,提升市场管理水平,保障建筑市场的正常运作。
三、检查内容1. 市场基础设施检查- 检查市场的硬件设施,包括市场的道路、排水系统、供电系统、照明设施等是否完善,是否存在损坏、缺失等问题。
- 检查市场的软件设施,包括市场的安保设施、消防设施、监控设备等是否齐全,是否存在故障、失效等问题。
2. 市场秩序检查- 检查市场内的摊位是否规范设置,是否存在占道经营、乱摆摊等问题。
- 检查市场内的商家是否按规定经营,是否存在假冒伪劣商品、价格欺诈等问题。
- 检查市场内的消防安全措施是否到位,是否存在火灾隐患。
3. 市场环境检查- 检查市场内的卫生情况,包括垃圾处理、卫生设施等是否干净整洁。
- 检查市场内的环境污染情况,包括噪音、废气等是否达标。
4. 市场管理检查- 检查市场管理机构的组织架构和人员配备情况,是否存在人员不足、职责不明确等问题。
- 检查市场管理规章制度的制定和执行情况,是否存在漏洞、不完善等问题。
五、检查方法1. 实地检查:派出检查组对市场进行全面走访,逐一检查相关设施和经营情况。
2. 调查问卷:向市场内的商家和消费者发放问卷,了解他们对市场运营的意见和建议。
3. 数据分析:收集市场相关数据,进行统计和分析,找出问题的症结所在。
六、检查结果1. 检查报告:根据实地检查和数据分析的结果,编写详细的检查报告,列出存在的问题和改进建议。
2. 整改措施:依据检查报告,要求市场管理机构制定整改措施,并设立整改期限。
七、检查效果评估1. 整改验收:对市场管理机构的整改措施进行验收,确保问题得到解决。
2. 满意度调查:向市场内的商家和消费者进行满意度调查,评估整改效果。
八、检查总结和反馈1. 检查总结:根据整改验收和满意度调查的结果,总结本次检查的成果和不足之处。
建筑市场行为检查表建筑市场行为检查表————————————————————————————————作者: ————————————————————————————————日期:受检工程参建主体市场行为检查表(一)受检工程基本情况表工程所在市(区、县):检查日期:工程名称工程地点建设规模层数:面积:平方米结构类型开工日期形象进度责任主体和有关机构单位单位名称资质等级项目负责人及资格质量授权书终身责任承诺书是否有是否符合是否有是否符合建设勘察设计施工分包监理施工图审查质量检测备注检查人员签字: 建设单位负责人签字: 注:1、上述材料除注明复印件外,均需提供原件。
2、对提供材料不全或未提供材料者,一律按《建筑工程施工转包违法分包等违法行为认定查处管理办法(试行)》规定的有关情形予以认定违法行为。
受检工程参建主体市场行为检查表(二)受检方提供材料清单类别序号材料名称检查情况(有或无)建1 建设单位法定代表人签署的授权书设单位2 建设单位项目负责人工程质量终身责任承诺书3招标公告(复印件)4招标文件5投标文件6中标通知书7 施工总承包合同8 专业承包合同9 施工许可证10 建设工程款支付凭证、监理费支付凭证总承包单位11 施工总承包单位法定代表人签署的授权书12 施工单位项目经理工程质量终身责任承诺书13 资质证书、安全生产许可证(复印件)14 项目部任命文件、主要管理人员花名册15项目经理注册证书、劳动合同、社保证明、工资发放单16技术负责人职称证书、劳动合同、社保证明、工资发放单17质量负责人岗位证书、劳动合同、社保证明、工资发放单18安全负责人岗位证书、劳动合同、社保证明、工资发放单19专业承包合同、专业承包单位资质证书、安全生产许可证20劳务分包合同、劳务分包单位资质证书、安全生产许可证21 材料设备采购合同22材料设备租赁合同23 专业承包工程款支付凭证24 劳务分包款支付凭证25 材料设备采购台账、支付凭证26 材料设备租赁台账、支付凭证27 自有机械设备、周转材料的证明分包单位28现场负责人注册证书、劳动合同、社保证明、工资发放单监理单位29监理单位法定代表人签署的授权书30监理单位总监理工程师质量终身责任承诺书31 监理单位资质证书、监理合同32总监理工程师注册证书、劳动合同、社保证明、工资发放单33专业监理工程师注册证书、劳动合同、社保证明、工资发放单34监理员岗位证书、劳动合同、社保证明、工资发放单35监理例会会议纪要、监理日志、监理工程师通知单、监理月报36工程材料/构配件/设备报审表37施工总承包、专业承包、劳务分包单位资质和人员资格报审材料检查人员签字:被检查单位签字: 检查日期:受检工程参建主体市场行为检查表(三)建设单位检查表项目名称:序号检查内容检查结果备注1 工程项目的勘察设计、监理、施工以及与工程建设有关的重要设备、材料等,属法律法规规定范围且达到规定规模标准的,是否采用招标访方式发包符合□不符合□2不存在后补办招标手续的情况符合□不符合□3 未将一个单位工程的施工分解成若干部分发包给不同的施工总承包或专业承包单位符合□不符合□4 未将已签订的施工合同范围内的分部、分项工程或者单位工程又另行发包符合□不符合□5 开工前依法取得建筑工程施工许可证符合□不符合□6 按照合同约定支付工程款符合□不符合□7 工程款支付凭证上载明的单位与施工合同中的单位一致符合□不符合□8 其他:检查人员签字:被检查单位签字: 检查日期:受检工程参建主体市场行为检查表(四)施工总承包(专业承包)企业检查表项目名称:检查项目序号检查内容检查结果备注总体情?况1 具有相应的资质符合□不符合□2 中标通知书的单位与现场实际施工单位一致符合□不符合□3 未将工程分包给不具备相应资质条件的单位或个人符合□不符合□4分包的工程在总包合同中已有约定、或经建设单位认可符合□不符合□5未将主体结构(钢结构除外)的施工分包给其他单位或个人符合□不符合□人?员?情况6在施工现场设立项目管理机构或派驻相应技术管理人员符合□不符合□7 履行管理责任,对该工程的施工活动进行组织管理符合□不符合□8 项目经理具有相应的注册建造师资格。
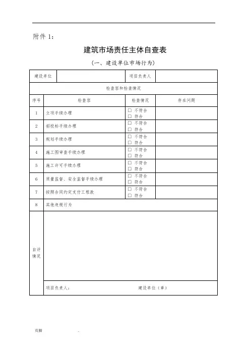
建筑市场综合执法检查表————————————————————————————————作者:————————————————————————————————日期:ﻩ附件1:建筑市场责任主体自查表(一、建设单位市场行为)建设单位项目负责人检查内容和检查情况序号检查内容检查情况存在问题1 立项手续办理□不符合□符合2 招投标手续办理□不符合□符合3 规划手续办理□不符合□符合4 施工图审查手续办理□不符合□符合5 施工许可手续办理□不符合□符合6 质量监督、安全监督手续办理□不符合□符合7 按照合同约定支付工程款□不符合□符合8 其他违法违规行为自评情况项目负责人:ﻩ建设单位(章)ﻬ建筑市场责任主体自查表(二、监理单位市场行为)监理单位资质等级信用手册项目负责人自查内容和自查情况序号自查内容自查情况存在问题1 在监理资质范围内承揽工程□不符合□符合2 监理信用手册办理□不符合□符合3 按要求签订合同□不符合□符合4 现场监理机构配备及到岗履职情况□不符合□符合5 总监资格及到岗履职情况□不符合□符合6 对工程分包单位资质核查情况□不符合□符合7 其他违法违规行为自评情况项目负责人:ﻩ监理单位(章)(三、施工单位市场行为)施工单位资质等级安全生产许可证号信用手册检查内容和检查情况序号检查内容检查情况存在问题1在资质等级范围承揽工程□不符合□符合2省外或本省外市施工企业未办理入苏或入宁备案□不符合□符合3 总包、分包合同签订及合同备案手续办理□不符合□符合4 工程无转包、违法分包、挂靠行为□不符合□符合5 项目经理和主要管理人员配备及到岗履职情况□不符合□符合6 专业分包、劳务分包合同签订及备案手续□不符合□符合7 民工工资发放情况□不符合□符合8农民工实名制管理□不符合□符合9 其他违法违规行为自评情况项目负责人:ﻩ施工单位(章)(四、工程质量管理)项目名称检查内容和检查情况序号检查内容检查情况存在问题1 项目负责人签署法人授权书和质量终身责任承诺书□不符合□符合2 项目执行工程主体结构安全和主要使用功能相关强制性标准执行情况□不符合□符合3施工组织设计及专项方案审批手续,工序检验和隐蔽验收手续,质量控制资料□不符合□符合4 对建筑材料、建筑购配件、设备等现场见证取样检测,材料□不符合□符合5 按图施工情况□不符合□符合6 质量隐患排查和整改情况□不符合□符合7 项目经理参加分部、单位工程验收情况□不符合□符合8 项目(内、外墙)使用水性涂料情况(2017年起政府投资项目全部使用)□不符合□符合9 其他违法违规行为自评情况项目负责人: 施工单位(章)(五、工程安全文明施工管理)项目名称检查内容和检查情况序号检查内容检查情况存在问题1安全生产制度落实、安全生产责任书签订、安全生产目标考核情况□不符合□符合2 安全生产教育培训活动、应急救援预案制定及演练□不符合□符合3 安全生产检查、安全资料收集整理□不符合□符合4危险性较大的分部分项工程专项方案编制和审批□不符合□符合5 对监理和安全监督机构整改意见落实□不符合□符合6 项目起重机械设备安装拆卸告知、使用登顶升附着等验收管理情况□不符合□符合7 临时用电使用情况□不符合□符合8 项目文明施工“五达标”(场界围挡、车行道路硬化、场内未施工区域裸露地面及易扬尘物料覆盖、出入口设置车辆冲洗平台及车辆冲洗情况、场内专人清扫保洁是否达标)□不符合□符合9 “一公示”(扬尘污染控制公示牌及其他应当设置的施工标牌是否规范)情况□不符合□符合10 其他违法违规行为自评情况项目负责人:ﻩ施工单位(章)ﻬ附件2:建筑市场综合执法检查表(一、建设单位市场行为)项目名称工程规模(造价)建设单位开工日期检查内容和检查情况序号主要违法违规行为检查要求检查情况存在问题1 未取得规划许可检查规划许可证□不符合: □符合2 规避招标或设置不合理的招标条件检查招投标文件□不符合:□符合3 施工图设计文件未经审查或者审查不合格检查施工图审查合格证□不符合:□符合4 未取得施工许可证检查施工许可证□不符合:□符合5未办理质量监督、安全监督备案手续检查质量、安全监督备案手续□不符合:□符合6 未按合同约定支付工程款检查施工合同和工程款支付凭证□不符合:□符合7 其他违法违规行为检查意见汇总检查组人员: 建设单位负责人:ﻩ建筑市场综合执法检查表(二、监理单位市场行为)项目名称监理单位检查内容和检查情况序号主要违法违规行为检查要求检查情况存在问题1 超越资质等级实施监理检查监理单位资质证书、□不符合:□符合2 未办理监理信用手册信用手册、□不符合: □符合3 未签订监理合同监理合同□不符合: □符合4 现场监理机构配备不符合要求检查相关监理人员资格证书□不符合:□符合5 总监不到岗履职检查监理资料、会议记录□不符合:□符合6 监理人员存在挂靠情况检查总监及监理工程师合同、社保缴纳、工资支付记录□不符合:□符合7 未对分包单位资格审查检查分包单位资格审查记录□不符合:□符合8 其他违法违规行为检查意见汇总检查组人员:监理单位负责人:ﻬ建筑市场综合执法检查表(三、施工单位市场行为)项目名称施工单位检查内容和检查情况序号主要违法违规行为检查要求检查情况存在问题1无资质或超越资质承接工程检查施工企业资质证书、中标通知书、施工合同□不符合:□符合2 未办理信用管理手册检查施工企业信用管理手册□不符合:□符合3 未按要求进行合同备案检查施工合同备案手续□不符合:□符合4 现场主要管理人员配备不符合要求检查项目经理、技术负责人、安全员、质检员、劳务员等管理人员持证及到岗情况□不符合:□符合5 存在转包行为检查主要管理人员到岗情况、合同、社保缴纳和工资发放记录,材料合同和材料款支付凭证,机械设备租赁合同和支付凭证□不符合:□符合6 存在违法分包行为□不符合: □符合7 存在挂靠行为□不符合:□符合8 未与劳务分包单位签订劳务合同或签订的劳务合同不规范检查劳务分包合同□不符合:□符合9 拖欠或克扣民工工资检查民工工资支付记录□不符合:□符合10未实行实名制管理检查农民工领取市民卡记录、领取工资记录、体检记录、考勤记录,检查项目实名制管理制度及实名制管理员工作职责等□不符合:□符合11 其他违法违规行为检查意见汇总检查组人员:施工单位负责人:ﻬ建筑市场综合执法检查表(四、工程质量管理)项目名称检查内容和检查情况序号检查内容检查情况存在问题1 项目负责人签署法人授权书和质量终身责任承诺书□不符合□符合2 项目执行工程主体结构安全和主要使用功能相关强制性标准执行情况□不符合□符合3 施工组织设计及专项方案审批手续,工序检验和隐蔽验收手续,质量控制资料□不符合□符合4 对建筑材料、建筑购配件、设备等现场见证取样检测,材料□不符合□符合5 按图施工情况□不符合□符合6 质量隐患排查和整改情况□不符合□符合7项目经理参加分部、单位工程验收情况□不符合□符合8 项目(内、外墙)使用水性涂料情况(2017年起政府投资项目全部使用)□不符合□符合9 其他违法违规行为检查意见汇总检查人员:ﻩ施工单位负责人ﻬ建筑市场综合执法检查表(五、工程安全文明施工管理)项目名称检查内容和检查情况序号检查内容检查情况存在问题1 安全生产制度落实、安全生产责任书签订、安全生产目标考核情况□不符合□符合2安全生产教育培训活动、应急救援预案制定及演练□不符合□符合3 安全生产检查、安全资料收集整理□不符合□符合4危险性较大的分部分项工程专项方案编制和审批□不符合□符合5 对监理和安全监督机构整改意见落实□不符合□符合6 项目起重机械设备安装拆卸告知、使用登顶升附着等验收管理情况□不符合□符合7 临时用电使用情况□不符合□符合8 项目文明施工“五达标”(场界围挡、车行道路硬化、场内未施工区域裸露地面及易扬尘物料覆盖、出入口设置车辆冲洗平台及车辆冲洗情况、场内专人清扫保洁是否达标)□不符合□符合9“一公示”(扬尘污染控制公示牌及其他应当设置的施工标牌是否规范)情况□不符合□符合10 其他违法违规行为检查意见汇总检查人员:ﻩ施工单位负责人附件3:在建工程建筑市场综合执法检查抽查汇总表工程类别在建项目数检查项目数建设单位监理单位施工单位问题处置未办理规划、图审手续未履行招标手续违法发包工程未办理质量、安全监督手续未办理施工许可证其他违法违规行为超越资质实施监理未办理信用手册主要管理人员不到岗履职监理人员挂靠行为其他违法违规行为超越资质范围承揽工程未办理合同备案手续违法分包行为转包行为挂靠行为项目主要管理人员不到岗履职未按时支付民工工资未按规定实行实名制管理其他违法违规行为责令整改约谈告诫行政处罚不良记录通报批评其他房屋建筑工程装饰装修工程市政工程合计填报单位:填报日期:。
建筑市场各方主体行为执法检查表————————————————————————————————作者: ————————————————————————————————日期:建设主管部门监管情况检查表受检单位: 检查时间:序号检查项目检查情况评价1施工许可竣工备案施工许可(开工报告)设置条件审查按规定办理未按规定办理□符合□不符合2 是否增加和减少施工许可条件按规定办理未按规定办理□符合□不符合3工程项目人员、设计变更审查批准按规定办理未按规定办理□符合□不符合4 审查报建提供的资料是否要求原件按规定办理未按规定办理□符合□不符合5工程竣工验收条件的审查按规定办理未按规定办理□符合□不符合6 工程竣工验收备案条件的审查按规定办理未按规定办理□符合□不符合7质量安全监督质量安全监督巡查制度建立落实情况□合格□不合格8 工程质量安全隐患排查情况□合格□不合格9全年开展质量安全专项治理情况□合格□不合格10 质量安全人员持证上岗情况□符合□不符合11 质量安全事故是否做到四不放过□合格□不合格12 现场质量安全监督各环节到位情况□合格□不合格13 违法违规行为查处建设违法违规行为查处机构和人员□有□无14 建设违法违规行为的受理□进行□未进行15 建设违法违规行为调查处理情况,程序是否合法□符合□不符合被检查单位负责人: 检查人员:建设工程基本情况表工程所在(县、区):工程名称工程地点开工日期施工许可证号形象进度建筑规模(总面积或投资额) 平方米(或万元)结构类型建筑层数质量责任主体和有关机构单位名称单位资质情况项目负责人资格情况建设单位勘察单位设计单位施工单位分包单位监理单位审图机构检测机构备注检查组成员签字:检查日期:建筑市场各方主体行为执法检查表项目名称:检查日期:序号检查项目检查情况评价1建设单位施工前办理质量监督手续情况按规定办理未按规定办理□符合□不符合2施工前办理施工图设计文件审查情况按规定办理未按规定办理□符合□不符合3施工前办理施工许可(开工报告)情况按规定办理未按规定办理□符合□不符合4 按规定委托监理情况按规定委托未按规定委托□符合□不符合5组织图纸会审、设计交底、设计变更工作情况组织图纸会审、设计交底、设计变更工作仅组织图纸会审、设计交底未组织□符合□基本符合□不符合6原设计有重大修改、变动的,施工图设计文件重新报审情况按要求重新报审未重新报审□符合□不符合7勘察设计单位参加地基验槽、基础、主体结构及有关重要部位工程质量验收情况全部参加了地基验槽、基础、主体结构及有关重要部位工程质量验收部分参加了地基验槽、基础、主体结构及重要部位工程质量验收未参加任何验收工作□符合□基本符合□不符合8签发设计修改变更、技术洽商通知情况均签发了设计修改变更、技术洽商通知签发设计修改变更没有签发□符合□基本符合□不符合9 参加有关工程质量问题的处理情况参加有关工程质量问题的处理未参加有关工程质量问题的处理□符合□不符合10 是否超越本单位资质等级承揽勘察设计业务、转让、允许其他单位或者个人以本单位的名义承揽业务的;勘察设计合同履约情况未超越资质范围承揽业务,未转让或允许其他单位或者个人以本单位的名义承揽业务的;超越资质范围或转让或允许其他单位或者个人以本单位的名义承揽业务的;□符合□不符合11 勘察设计企业及执业人员执行国家有关工程建设强制性标准、建筑节能及环保标准情况□符合□基本符合□不符合12 外地来肥设计企业是否办理了登记备案,是否在肥设立管理机构,配设相应的管理人员,是否健全各项管理制度及落实情况□符合□不符合13施工单位单位资质、项目经理部管理人员资格、配备及到位情况;工程项目现场的项目经理是否存在离岗、挂名等现象;施工单位(总、分包单位)施工资质是否与其从事的工程项目相适应单位资质、项目经理部管理人员资格符合相应要求,人员配备到位单位资质、项目经理部管理人员资格符合相应要求,人员配备没到位单位资质、项目经理部管理人员资格不符合相应要求□符合□基本符合□不符合14 是否依法签订书面合同及备案,是否依法履行合同约定;支付工程款和农民工工资情况;劳务分包是否签订合同,是否按约定支付工资□符合□基本符合□不符合15主要专业工种操作上岗资格、配备及到位情况主要专业工种操作上岗资格符合相应规定,工种配备到位主要专业工种操作上岗资格符合相应规定,工种配备不到位主要专业工种操作上岗资格不符合相应规定□符合□基本符合□不符合16施工施工组织设计或施工方案审批及执行情况按管理制度审批施工组织设计或施工方案,并严格执行按管理制度审批施工组织设计或施工方案,但执行过程中有偏差施工组织设计或施工方案审批程序混乱,不按施工组织设计或施工方案执行□符合□基本符合□不符合17 施工现场施工操作技术规程及国家有关规范、标准的配置情况施工现场按规定配置施工操作技术规程及国家有关规范、标准施工现场配置施工操作技术规程及国家有关规范、标准不全施工现场没按规定配置施工操作技术规程及国家有关规范、标准□符合□基本符合□不符合18 工程技术标准及审查合格的施工图设计文件的实施情况严格按照工程技术标准及审查合格的施工图设计文件实施不严格按照工程技术标准及审查合格的施工图设计文件实施不按照工程技术标准及审查合格的施工图设计文件实施□符合□基本符合□不符合19单位检验批、分项、分部(子分部)工程质量检验评定情况严格按检验批、分项、分部(子分部)工程质量的检验评定检验批、分项、分部(子分部)工程质量的检验评定随意大不按检验批、分项、分部(子分部)工程质量的检验评定□符合□基本符合□不符合20 质量问题和质量事故处理情况质量问题和质量事故处理及时,整改措施有效质量问题和质量事故处理不及时,整改不到位质量问题和质量事故未处理□符合□基本符合□不符合21 外地来肥施工企业是否办理了登记备案,是否在肥设立管理机构,配设相应的管理人员,是否健全各项管理制度,落实质量、安全、文明施工、社会治安综合治理、流动人口与计划生育等目标管理责任制,定期报送各类报表等□符合□基本符合□不符合22监理单位单位资质、项目监理机构的人员资格、配备及到位情况;是否超越本单位资质等级承揽监理业务、转让、允许其他单位或者个人以本单位的名义承揽业务的;监理合同履约情况单位资质、项目监理机构人员资格符合相应要求,人员配备到位单位资质、项目监理机构人员资格符合相应要求,人员配备没到位单位资质、项目监理机构人员资格不符合相应要求□符合□基本符合□不符合23总监理工程师是否能如约到岗,是否存在脱岗挂靠现象,监理工程师配备是否符合规定要求,签字是否规范□符合□基本符合□不符合24 外地来肥监理企业是否办理了登记备案,是否在肥设立管理机构,配设相应的管理人员,是否健全各项管理制度□符合□基本符合□不符合25 监理规划、监理实施细则的编制审批内容的执行情况按规定编制、审批监理规划、监理实施细则,并严格执行按规定编制、审批监理规划、监理实施细则,但执行不认真未按规定编制、审批监理规划、监理实施细则□符合□基本符合□不符合26对材料、构配件、设备投入使用或安装前进行审查情况对材料、构配件、设备投入使用或安装前进行认真审查对材料、构配件、设备投入使用或安装前不进行认真审查对材料、构配件、设备投入使用或安装前不审查□符合□基本符合□不符合27 对分包单位的资质进行核查情况严格对分包单位的资质进行核查不严格对分包单位的资质进行核查未对分包单位的资质进行核查□符合□基本符合□不符合28 见证取样制度的实施情况严格实施见证取样制度不严格实施见证取样制度未实施见证取样制度□符合□基本符合□不符合29 对重点部位、关键工序实施旁站监理情况严格按规定对重点部位、关键工序实施旁站监理。
建筑市场行为检查表正式版建筑市场行为检查表(一)受检工程基本情况表工程所在区县(市):检查组组长:检查人:检查日期:年月日建筑市场行为检查表(二)各方主体项目现场需提供材料清单2、对不提供有关材料者,按《建筑工程施工转包违法分包等违法行为认定查处管理办法》(试行)有关情形予以认定违法行为。
建筑市场行为检查表(三)建设单位检查表注:对有关材料不齐全的,检查人员应在“检查情况描述”栏中予以明确,并可按《建筑工程施工转包违法分包等违法行为认定查处管理办法》等规定处理。
检查组长:检查人:检查日期:年月日建筑市场行为检查表(四)施工(总承包、专业承包、分包)企业检查表注:1、上述管理人员履职、分包合同签订情况需与监理单位现场资料(如监理月报、监理例会纪要、分包单位进场资质报审等)核对;2、项目部主要管理人员未到岗履职的,应了解核实项目现场的实际负责人是否具有相应的资格或岗位证书,是否系中标单位人员;3、对有问题的材料,应复印或拍照取证留存。
检查组组长:检查人:检查日期:年月日建筑市场行为检查表(五)工程监理企业及在监工程项目专项监督检查表工程名称:检查时间:年月日检查组组长:检查人:项目总监签字:“三违”行为检查表编号:BZH-JL-6-055S检查表(现场使用)被检查部门:检查人:检查日期:年月日5S检查表(办公室使用)被检查部门:检查人:检查日期:年月日5S检查表(公共区域使用)被检查部门:检查人:检查日期:年月日5S检查表(仓库使用)被检查部门:检查人:检查日期:年月日建筑工程安全生产检查表(十项内容)安全管理检查用表场容场貌检查用表外脚手架检查用表“三宝”、“四口”防护检查用表施工用电检查用表模板工程安全检查用表基坑支护安全检查用表塔吊检查用表。
年上半年建筑市场执法检查工作表建设单位检查表1 / 9建设单位(签名)时间:检查组人员签名:检查日期:施工总承包企业检查表2 / 93 / 9注:、对有关材料不齐全的,应在“检查情况描述”栏中明确,并按《建筑工程施工转包违法分包等违法行为认定查处管理办法》处理;、上述管理人员履职、分包合同签订情况需与监理单位现场资料(如监理月报、监理例会纪要、分包单位进场资质报审等)核对;、项目部主要管理人员未到岗履职的,应了解核实项目现场的实际负责人是否具有相应的资格或岗位证书,是否系中标单位人员;、对有问题的材料,应复印或拍照取证留存。
4 / 9企业名称:项目负责人(签名):检查组人员签名:检查日期:专业分包单位检查表5 / 96 / 9注:、对有关材料不齐全的,应在“检查情况描述”栏中明确,并按《建筑工程施工转包违法分包等违法行为认定查处管理办法》处理;、上述管理人员履职、分包合同签订情况需与监理单位现场资料(如监理月报、监理例会纪要、分包单位进场资质报审等)核对;、项目部主要管理人员未到岗履职的,应了解核实项目现场的实际负责人是否具有相应的资格或岗位证书,是否系中标单位人员;、对有问题的材料,应复印或拍照取证留存。
企业名称:项目负责人(签名):7 / 9检查组人员签名:检查日期:监理企业检查表8 / 9注:、对有关材料不齐全的,应在“检查情况描述”栏中明确,并按《建筑工程施工转包违法分包等违法行为认定查处管理办法》处理;、上述管理人员履职、分包合同签订情况需与监理单位现场资料(如监理月报、监理例会纪要、分包单位进场资质报审等)核对;、项目部主要管理人员未到岗履职的,应了解核实项目现场的实际负责人是否具有相应的资格或岗位证书,是否系中标单位人员;、对有问题的材料,应复印或拍照取证留存。
单位名称:项目负责人(签名):检查组人员签名:检查日期:9 / 9。