工业分析检验赛项规程
- 格式:doc
- 大小:61.50 KB
- 文档页数:10
年全国职业院校技能大赛
“工业分析检验”赛项的评分细则
一、评分标准制订原则
依据《化学检验工》国家职业标准设定评分和评分细则。
二、评分方法
.评分标准制订原则:依据《化学检验工》国家职业标准设定评分细则。
.理论与仿真竞赛试卷由计算机自动阅卷评分,经评审裁判审核后生效。
.技能操作竞赛成绩分两步得出,现场部分由裁判员根据选手现场实际操作规范程度、操作质量、文明操作情况和现场分析结果,依据评分细则对每个单元单独评分后得出;分析结果准确性部分则等所有分析结果数据汇总并经专人按规范进行真值、差异性等
取舍处理后得出。
.理论知识(含仿真)考核、化学分析技能操作考核和仪器分析技能操作考核均以满分分计,最后按理论与仿真占,化学分析技能操作考核占,仪器分析技能操作考核占的
比例计算参赛总分。
.竞赛名次按照得分高低排序。
当总分相同时,再分别按照完成的时间排序。
.成绩的计算
个人得分:×%+×%+×%
—理论与仿真考核得分
—化学分析考核得分
—仪器分析考核得分
团体得分:均值×%+均值×%+均值×%
均值—理论与仿真考核平均得分
均值—化学分析考核平均得分
均值—仪器分析考核平均得分
说明:个人考核各单项得分在分以上,可以获得职业技能等级证书,由化工职业技能鉴定指导中心颁发。
三、评分细则
.化学分析评分细则
化学分析评分细则表
.仪器分析评分细则
仪器分析考核评分细则表
--
--。
2019年安徽省职业院校技能大赛赛项规程一、赛项名称(一)赛项名称工业分析检验(二)压题彩照(三)赛项归属产业类型石油和化工(四)赛项归属专业大类/类二、竞赛方式(一)竞赛以团队方式进行,统计参赛队的总成绩进行排序。
(二)参赛队伍组成:每个参赛院校最多可报2个参赛队,每个参赛队由2名选手组成,男女不限。
每队选手由同一所学校组成,不能跨校组队。
所有参赛选手必须参加理论知识、仿真操作及实践操作考核。
竞赛分别计算个人成绩和团体成绩。
(三)竞赛采取多场次进行,各队选手参赛场次按参赛队报名顺序确定。
(四)赛场的赛位统一编制。
参赛队技能操作比赛前45分钟到指定地点检录,经2次加密抽签决定赛位号,抽签结束后,随即按照抽取的赛位号进场,然后在对应的赛位上完成竞赛规定的工作任务。
赛位号不对外公布,抽签结果密封后统一保管,在评分结束后开封统计成绩。
理论知识与仿真操作考核,参赛选手开赛前20分钟凭参赛证、身份证,经2次抽签进入赛场。
八、竞赛时间安排与流程竞赛时间安排:报到时间1天,比赛时间暂定为2天。
具体竞赛时间见后续通告(一)竞赛流程每位选手分别完成理论知识与仿真操作考核、实践操作考核3个项目。
首先完成理论知识与仿真操作考核,实践操作考核的先后次序由院校报名顺序抽签决定。
(二)具体时间安排具体时间安排见下表(根据参赛队伍数会略作调整):九、竞赛试题本赛项竞赛试题由液相色谱-质谱仿真操作、分析操作和分析专业知识考核三个部分试题组成,并已为参赛校提供了竞赛题库。
根据本赛项的特点,液相色谱与质谱联用仿真操作有专门的竞赛训练软件提供给参赛校用于培训,该软件提供了考核所需的全部分析操作、数据处理等模块,考核时可根据竞赛出题规则生成考核试卷,不存在竞赛赛卷的套数与重复率问题;分析操作考核是在条件完成相同下的实操项目,最终是根据选手分析的准确性、精密度等综合评分,不存在赛题试卷的套数与重复率问题;分析专业知识考核则提供了考核命题标准、范围和考核题库(化工出版社出版的《化学检验工职业技能鉴定试题集》),考核时根据命题标准与范围,由计算机从题库随机生成一套试卷。
“工业分析与检验”赛项规程一、赛项名称赛项编号:赛项名称:工业分析与检验赛项组别:中职组赛项归属大类:石油化工二、竞赛目的以学生技能竞赛为载体,“贴近行业、依托企业”,检验参赛选手对现代化分析技术所必备的专业知识、基本操作技能和工业分析与检验岗位综合能力的掌握;推进中等职业院校工业分析与检验及相关专业教育教学改革;培养适应现代分析工作需要的高素质技能型人才。
三、竞赛内容工业分析与检验赛项竞赛内容依据企业岗位和职业标准要求进行,设立理论考核、化学分析技能考核、仪器分析技能考核共计三个竞赛单元。
理论知识考核时间60分钟,操作技能每部分考核时间为210分钟,成绩比例为30%:35%∶35%。
化学分析、仪器分析的操作,以及赛项方案、评分细则、报告单,参见化学工业出版社2015年4月出版的《全国职业院校技能竞赛“工业分析检验”赛项指导书》,书中配有学习光盘。
理论考核题库参见《化学检验工职业技能鉴定试题集》,范围为中级篇试题,第一章、第二章、第五章、第六章、第七章、第十章、第十六章,不包含各章节计算题、综合题。
1、理论考核方案2.化学分析操作考核方案本项目为选手个人独立操作项目,要求各参赛队所有选手在规定时间内独立完成。
(1)考核内容高锰酸钾标准滴定溶液的标定和过氧化氢含量的测定(2)具体考核内容用基准草酸钠依据国标标定出高锰酸钾标准溶液的浓度;再用该高锰酸钾标准溶液对给定过氧化氢样品溶液中的过氧化氢含量进行测定。
3.仪器分析操作考核方案本项目为选手个人独立操作项目,要求各参赛队所有选手在规定时间内独立完成。
(1)考核内容采用紫外-可见分光光度法测定未知有机物浓度。
(2)具体内容按规范测定未知物及两种已知标准试剂(磺基水杨酸、苯甲酸)的吸收曲线,选择与未知样相同图谱的对应标准物质做工作曲线,测定未知物浓度。
(3)特别说明①在寻找与未知样相同图谱标准试剂时,所提供的标准试剂的吸收曲线均需一一做出,否则扣分;②竞赛时给出的标准试剂及未知样在不同场次或不同组别间可能不一样,浓度也可能不同;③所提供的未知样浓度范围考场已标明;④要求试样平行测定三次。
2020年全国职业院校技能大赛改革试点赛赛项规程一、赛项名称赛项编号:ZZ-2020017赛项名称:工业分析检验英语名称:Industrial Analysis and Testing赛项组别:中职组赛项归属产业:石油和化工二、竞赛目的本赛项是根据《教育部关于举办2020年全国职业院校技能大赛改革试点赛的通知》(教职成函〔2020〕5号)精神,以检验教学成果、体现世赛理念、促进职业教育高质量发展为指导思想,推动专业教学改革,促进学生工匠精神有效养成,提升学生分析检测能力而设置。
通过技能竞赛考查学生产品质量监控的意识及现场分析与处理样品的能力;考查学生工作效率、职业健康、安全生产、环境保护的职业素养;考查学生执行国家质量标准规范的能力;考查学生实事求是的科学态度,严谨细致的工作作风,清洁整齐的良好工作习惯。
通过竞赛实现专业与产业对接、课程内容与职业标准对接,增强职业教育在社会的影响力,培养适应产业发展需要的高素质劳动者和技术技能人才,促进全社会形成崇尚技能的良好氛围,有效提升学生毕业满意度和社会认可度。
三、竞赛内容(一)竞赛项目工业分析检验赛项竞赛内容依据企业岗位需求和职业标准要求进行设计,设立仿真操作考核、采样操作考核、化学分析以及仪器分析四个竞赛项目。
仿真操作竞赛时长为60分钟;采样操作竞赛时长为30分钟;化学分析和仪器分析实践操作竞赛时长各为180分钟。
(二)项目简介1、仿真操作项目考核目标:掌握大型分析仪器测定废水中有机物含量的方法;具备技能:(1)按照指定测定方案对样品进行测定的能力;(2)进行样品预处理、设备开关、样品配制、定性分析、定量检测等的能力;(3)分析数据处理的能力;(4)计算机及常规软件的使用能力。
2、采样操作项目考核目标:掌握工业产品及环境样品的采集方法;具备技能:(1)按照国家或行业标准,做好采样实验个人安全规范操作;(2)按照指定方案对水样进行采集的能力;(3)对采样瓶等设备的使用能力;(4)样品封装及保存能力。
工业分析与检验竞赛规程一、竞赛内容及要求竞赛考核范围依据《化学检验工》国家职业标准。
竞赛是内容是化学分析和仪器分析两个技能比赛项目。
化学分析操作竞赛内容为EDTA标准溶液的标定和给定样品中Ni2+的测定。
具体内容为用基准氧化锌依据国标标定出EDTA标准溶液的浓度;再用该EDTA标准溶液测定给定样品中Ni2+的含量。
仪器分析操作考核竞赛内容为采用紫外-可见分光光度法(型号UV754)测定未知物的浓度。
具体内容为按规范测定磺基水杨酸、水杨酸及维生素C三种标准试剂及未知样(磺基水杨酸、水杨酸及维生素C中之一)的吸收曲线,选择与未知样相同图谱的对应标准物质做工作曲线,测定未知物浓度。
分析数据的真值确定1、真值的来源分为三方面。
参赛学校指导教师选派一组教师(2名)、裁判组(2名)、比赛现场所有参赛选手三方面测定平均值加权重计算得出真值。
2、权重分配。
参赛学校指导教师组和裁判组各占20%;比赛现场参赛选手占60%。
3、可疑值取舍原则。
比赛现场参赛选手个体测定的平均值用4d法或Q法进行检验,去掉可疑值。
4、差异性检验。
主办单位教师组、外请技术人员组和比赛现场参赛选手三方面测定的平均值用F检验法检验差异性。
若有差异可去除主办单位教师组和外请企业技术人员组中差异大的一组的平均值,修正后权重分配为余下的一组占30%,参赛选手占70%,加权重计算得出真值。
二、竞赛时限两项技能操作化学分析和仪器分析各为210分钟,两名选手一名参加化学分析比赛项目,一名参加仪器分析比赛项目。
三、参赛说明本项目为团体比赛项目,以学校为单位组队参赛,每队派参赛选手2名,指导教师1名。
各组两名选手通过抽签决定参加化学分析或仪器分析操作比赛中的一项内容。
四、评分与计分1、技能操作竞赛成绩分两步得出,现场部分由裁判员根据选手现场实际操作规范程度、操作质量、文明操作情况和现场分析结果,依据评分细则对每个单元单独评分后得出;分析结果准确性得分,等所有分析结果数据汇总并经专人按规范进行真值、差异性等取舍处理后得出。
附件 18:高职生物与化工大类工业分析与检验赛项技能竞赛规程、评分标准及选手须知一、竞赛内容1.理论考核理论考核以笔试进行,考核内容参见《化学检验工职业技能鉴定试题集》,化学工业出版社2015 年 6 月出版,书号 978-7-122-23572-5 ,范围为中级篇和高级篇试题,不包含各章节计算题、综合题以及第四章化学反应与溶液基础知识。
具体考核点分布见表1。
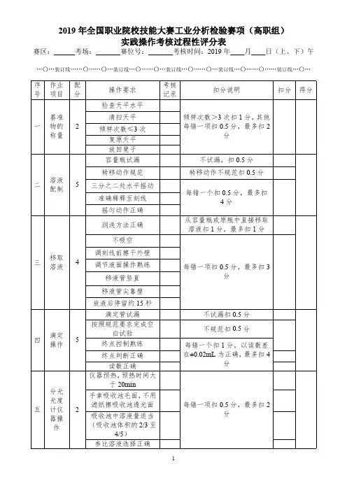
表 1 理论考核点分布项目序号知识点比例成绩1职业道德12化验室基础知识73化验室管理与质量控制54滴定分析基础知识95酸碱滴定知识96氧化还原滴定知识97配位滴定知识8理论8沉淀滴定知识31009分子吸收光谱法知识910 原子吸收光谱法知识811 电化学分析法知识812 色谱法知识1013 工业分析知识614 有机分析知识515 环境保护基础知识32.化学分析技能考核化学分析采取现场操作考核,考核内容:高锰酸钾标准滴定溶液的标定和过氧化氢含量的测定。
(一)高锰酸钾标准滴定溶液的标定1.操作步骤用减量法准确称取2.0g 于 105~ 110℃烘至恒重的基准草酸钠(不得用去皮的方法,否则称量为零分)于 100mL 小烧杯中,用 50mL 硫酸溶液( 1+9)溶解,定量转移至 250mL 容量瓶中,用水稀释至刻度,摇匀。
用移液管准确量取 25.00mL 上述溶液放入锥形瓶中, 加 75mL 硫酸溶液(1+9),用配制好的高锰酸钾滴定,近终点时加热至 65℃,继续滴定到溶液呈粉红色保 持 30s 。
平行测定 4 次,同时作空白试验。
2. 计算公式m(Na 2C 2 O 4 ) 25.001 1000250.0c( KMnO 4 )1 5[V (KMnO 4 ) V 0 ] M ( Na 2C 2O 4)2式中:c ( 1 KMnO4)— 1 KMnO4标准滴定溶液的浓度, mol/L ;5 5V (KMnO4)—滴定时消耗 KMnO4标准滴定溶液的体积, mL ; V0—空白试验滴定时消耗 KMnO4标准滴定溶液的体积, mL ;m (Na2C2 O4)—基准物 Na2C2O4 的质量, g ; M ( 1 Na2C2 O4)— 1 Na2C2O4 摩尔质量, 67.00g/mol 。
“工业分析与检验”赛项规程一、赛项名称赛项编号:赛项名称:工业分析检验赛项组别:中职组竞赛形式:团体赛赛项专业大类:石油化工二、竞赛目的举办本项目竞赛的目的主要体现在:(一)以“赛”促“学”,搭建职业能力展示提升的新平台。
在大赛的平台上,通过技能竞赛考查学生产品质量监控的意识及现场分析与处理样品的能力;考查学生工作效率、职业健康、安全生产、环境保护的职业素养;考查学生执行国家质量标准规范的能力;考查学生实事求是的科学态度,严谨细致的工作作风,清洁整齐的良好工作习惯,并有助于激励学生勇于展现自我,善于反思自我,勤于提升自我。
(二)以“赛”促“教”,增添专业教学改革创新的新助力。
在大赛的平台上,各校各展风采,观摩借鉴,切磋交流,有助于引领中等职业学校涉及产品质量监控专业的教学改革创新,拓宽专业建设与教学改革的创新视野,促进职业教育高质量发展。
(三)以“赛”促“合”,创设校企合作共育人才的新载体。
在通过竞赛实现专业与产业对接、课程内容与职业标准对接,增强职业教育在社会的影响力,贴近产业实际,真正培养出专业过硬,适应产业发展需要的高素质劳动者和技术技能人才,促进全社会形成崇尚技能的良好氛围,有效提升学生毕业满意度和社会认可度。
通过技能竞赛考查学生产品质量监控的意识及现场分析与处理样品的能力;考查学生工作效率、职业健康、安全生产、环境保护的职业素养;考查学生执行国家质量标准规范的能力;考查学生实事求是的科学态度,严谨细致的工作作风,清洁整齐的良好工作习惯。
通过竞赛实现专业与产业对接、课程内容与职业标准对接,增强职业教育在社会的影响力,培养适应产业发展需要的高素质劳动者和技术技能人才,促进全社会形成崇尚技能的良好氛围,有效提升学生毕业满意度和社会认可度。
三、竞赛内容(一)竞赛项目工业分析检验赛项竞赛内容依据企业岗位需求和职业标准要求进行设计,设立化学分析以及仪器分析两个竞赛项目。
化学分析和仪器分析实践操作竞赛时长各为 180 分钟。
一、竞赛主题和目标1.主题:工业分析与检验2.目标:通过竞赛,不仅能够展示广西高职院校学生的专业技能水平,更能够促进学生之间的交流和学习,提高学生的综合能力和创新能力。
二、竞赛内容1.设计一套完整的工业分析与检验实验方案,包括实验目的、所使用的仪器设备、实验步骤和数据处理等内容。
2.在竞赛现场,参赛选手需要根据所设计的方案进行实验,并完成实验数据的采集和分析。
三、竞赛要求1.技术要求(1)参赛选手需要熟练掌握与工业分析与检验相关的基本理论知识、仪器设备使用和实验操作技巧。
(2)参赛选手需要具备较强的实验数据处理和分析能力,能够准确地解读和评估实验结果。
2.设计要求(1)参赛选手需要独立设计一套完整的工业分析与检验实验方案,方案应具有一定的创新性和实用性。
(2)参赛选手需要清楚地描述实验的目的、步骤、所使用的仪器设备和数据处理方法等,并能够在竞赛现场进行现场解释和答辩。
四、竞赛流程1.报名阶段(1)参赛学校需要在规定时间内通过官方网站进行报名。
(2)每个学校报名时需提交参赛选手的基本信息和个人简历。
2.竞赛准备(1)参赛选手经过学校内部选拔后,根据竞赛要求进行实验方案的设计和准备实验装备和材料。
(2)参赛学校需要提供实验仪器设备和实验场地,确保竞赛顺利进行。
3.竞赛现场(1)参赛选手在竞赛现场进行方案的实施,并完成实验数据的采集和分析。
(2)竞赛组织方将提供竞赛现场所需的仪器设备和实验材料。
4.竞赛评审(1)竞赛评审团将根据参赛选手的实验方案、实验操作和数据处理等方面进行评分。
(2)评审团将评选出优胜的参赛选手,并给予相应的奖励和荣誉称号。
五、奖励设置2.二等奖:3名,奖金8000元,获得广西职业院校技能大赛优胜奖状。
3.三等奖:5名,奖金5000元,获得广西职业院校技能大赛优胜奖状。
4.其他优秀参赛选手将获得参赛证书和荣誉称号。
六、其他注意事项1.参赛选手需自备专业工具和个人护具。
2.参赛选手在竞赛期间需遵守现场纪律和安全规定。
阳信县职业中专工业分析检验项目竞赛规程(一)石油化工类一、竞赛名称工业分析检验二、竞赛目的通过竞赛,检验参赛选手对现代化分析技术所必备的基础理论、专门知识、基本技能和工业分析岗位综合职业素养的掌握;推进中等职业学校工业分析检验及相关专业教育教学改革;培养适应现代分析工作需要的高素质专门型人才。
三、竞赛内容及相关要求竞赛考核范围依据《化学检验工》国家职业标准。
竞赛是内容是化学分析和仪器分析两个技能比赛项目。
化学分析操作竞赛内容为EDTA标准溶液的标定和给定样品中某物质的测定。
具体内容为用基准某物质依据国标标定出EDTA标准溶液的浓度;再用该EDTA标准溶液测定给定样品中某物质的含量。
仪器分析操作考核竞赛内容为采用紫外-可见分光光度法测定未知物的浓度。
具体内容为按规范测定xxx、xxx及xxx三种标准试剂及未知样(xxx、xxx及xxx中之一)的吸收曲线,选择与未知样相同图谱的对应标准物质做工作曲线,测定未知物浓度。
分析数据的真值确定(1)、真值的来源分为三方面。
参赛班级指导教师选派一组教师(2名)、裁判组(2名)、比赛现场所有参赛选手三方面测定平均值加权重计算得出真值。
(2)、权重分配。
参赛班级指导教师组和裁判组各占20%;比赛现场参赛选手占60%。
(3)、可疑值取舍原则。
比赛现场参赛选手个体测定的平均值用4d法或Q法进行检验,去掉可疑值。
(4)、差异性检验。
教师测定、比赛现场参赛选手三方面测定的平均值用F检验法检验差异性。
若有差异可去除教师组中差异大的一组的平均值,修正后权重分配为余下的一组占30%,参赛选手占70%,加权重计算得出真值。
四、竞赛方式本赛项为团体赛,以班级为单位组队参赛,不得跨班组队。
每支参赛队由2名选手和2名指导教师组成。
所有参赛选手必须分别参加理论知识(含仿真)考核,化学分析和仪器分析技能操作考核。
五、竞赛规则(包括选手须知的相关内容)1.竞赛使用的仪器部分,除紫外可见光谱仪外,其他玻璃量具和器皿可以根据实验室情况自配,也可以使用现场准备的仪器设备。
2014年山东省职业院校技能大赛(中职组)“工业分析检验”项目竞赛规程一、赛项名称工业分析检验(中职组)二、竞赛目的通过竞赛,检验参赛选手对现代化分析技术所必备的基础理论、专门知识、基本技能和工业分析岗位综合职业素养的掌握;推进中等职业学校工业分析检验及相关专业教育教学改革;培养适应现代分析工作需要的高素质技术技能型专门人才。
三、竞赛内容与时间(一)竞赛内容工业分析检验竞赛考核内容分为理论知识(含仿真)和技能操作两大部分,考核范围依据《化学检验工》国家职业标准和《化工行业分析工题库》确定。
理论知识竞赛与技能操作竞赛的成绩比例为20%∶80%。
理论知识竞赛由理论知识考核和仿真考核两部分组成,满分100分。
理论知识考核与仿真考核成绩比例为70%∶30%。
理论知识(含仿真)考核时间为100分钟,其中理论考核时间为60分钟,仿真考核时间40分钟。
技能操作竞赛设化学分析和仪器分析两类项目,化学分析技能操作和仪器分析技能操作的竞赛时间各为3.5小时。
1.理论知识竞赛内容(1)命题范围理论知识竞赛考核范围为《2013年工业分析检验竞赛试题库(中职)》。
(2)试题内容及分布①试题内容分布比例②理论试题其它要求ⅰ.试题题型结构分布单选题占35%;多选题占35%;判断题占30%ⅱ.试题难度结构分配较高难度的题目(标记为1)占5%;中等难度的题目(标记为2)占75%;较低难度的题目(标记为3)占20%。
(难度标记只出现在题库内,不出现在考卷上)。
(3)试卷形成方式理论试卷形成方式为:从题库中按知识点分配比例抽取题目形成出卷题库。
竞赛前再安排专人在大赛执委会的监督下,采用按知识点比例由该出卷题库抽题形成A、B、C三份试卷,考试前由执委会抽一份试卷进行考核。
(4)考核形式理论知识和仿真的考核方式采用闭卷、机考方式进行(不同机位号试卷相同,但题目顺序号随机产生),理论知识考核和仿真考核可任意选择优先顺序,到时自动关闭。
两个考核均可以提前进行交卷操作,再选择另一个考核界面继续考核。
2017年全国职业院校技能大赛赛项规程一、赛项名称赛项编号:GZ-2017017赛项名称:工业分析检验英语翻译:Industrial Analysis and Testing赛项组别:高职组赛项归属产业:石油和化工二、竞赛目的工业分析检验赛项是依据高职教育工业分析技术相关专业教学改革与发展的需要,培养学生职业能力,提升学生分析岗位实际操作能力而设臵的。
通过技能竞赛可以促进学生的学习与企业岗位对接。
通过理论与仿真考核、化学分析操作考核、仪器分析操作考核,考查学生产品质量监控的意识及现场分析与处理样品的能力;考查学生工作效率、文明生产、安全生产的职业素养;考查学生执行国家质量标准规范的能力。
通过竞赛实现专业与产业对接、课程内容与职业标准对接,展示教学“紧跟市场、贴近行业、依托企业、对接岗位”的教学成果。
增强职业教育在社会的影响力,培养适应产业发展需要的技术技能专门人才,提高毕业学生满意率和优秀率。
三、竞赛内容工业分析检验赛项竞赛内容依据企业岗位和职业标准要求进行,设立理论与仿真考核、化学分析技能考核、仪器分析技能考核共计三个竞赛单元。
理论考核题库参见《化学检验工职业技能鉴定试题集》,化学工业出版社2015年6月出版,书号978-7-122-23572-5,范围为中级篇和高级篇试题,不包含各章节计算题、综合题以及第四章化学反应与溶液基础知识。
其中仿真考核题目:液相色谱与质谱联用仿真考核—虚拟样品的定性和定量测定;化学分析考题:高锰酸钾标准滴定溶液的标定和过氧化氢含量的测定;仪器分析考题:采用紫外—可见分光光度法(UV1800-PC-DS2)测定未知物浓度。
理论与仿真考核竞赛时长为100分钟;化学分析竞赛时长为210分钟;仪器分析竞赛时长为210分钟。
仿真考核、理论考核平台、化学分析操作、仪器分析操作以及赛项方案、评分细则、报告单,参见《全国职业院校技能竞赛“工业分析检验”赛项指导书》,化学工业出版社2015年5月出版,书号978-7-122-23521-3,书中配有学习光盘。
2014年安徽省职业院校技能大赛中职学生工业分析检验赛项规程一、赛项名称工业分析检验二、竞赛目的通过竞赛,检验参赛选手对现代化分析技术所必备的基础理论、专门知识、基本技能和工业分析岗位综合职业素养的掌握;推进我省中等职业学校工业分析检验及相关专业教育教学改革;培养适应现代分析工作需要的高素质专门型人才。
三、竞赛方式和内容(一)竞赛方式本赛项为团体赛,以院校为单位组队参赛,每支参赛队由2名选手和2名指导教师组成。
所有参赛选手必须分别参加理论知识考核,化学分析和仪器分析技能操作考核。
(二)竞赛内容竞赛考核范围依据《化学检验工》国家职业标准和《化工行业分析工题库》确定。
竞赛考核内容分为理论知识和技能操作两大部分,理论知识竞赛与技能操作竞赛的成绩比例为20%∶80%。
技能操作竞赛设化学分析和仪器分析两类项目。
1.考核方法理论知识竞赛考核为闭卷、机考方式进行(不同机位号试卷相同,但题目顺序号随机产生)。
2.试题内容及分布(1)试题内容分布比例(2)理论试题其它要求①试题题型结构分布单选题占35%;多选题占35%;判断题占30%。
②试题难度结构分配较高难度的题目占5%;中等难度的题目占75%;较低难度的题目占20%。
3 . 化学分析操作考核方案本项目为个人独立操作项目,要求各参赛队所有选手在规定时间内独立完成。
(1)考核内容EDTA标准溶液的标定和给定样品溶液中Ca2+含量的测定。
(2)具体考核内容用基准碳酸钙标定出EDTA标准溶液的浓度;再用该EDTA标准溶液对给定Ca2+样品溶液中Ca2+的含量进行测定。
4.仪器分析操作考核方案本项目为个人独立操作项目,要求各参赛队所有选手在规定时间内独立完成。
(1)考核内容采用可见分光光度法测定试液中铁的浓度。
(2)具体内容按规范测定试液的吸收曲线,选择最大吸收波长做工作曲线,测定试液中铁的浓度。
(3)特别说明①要做试液的吸收曲线,否则扣分;②竞赛时给出的标准试剂及试液在不同场次或不同组别间可能不一样,浓度也可能不同;③所提供的试液浓度范围事先已标明;④要求试样平行测定三次。
四、竞赛规则1.竞赛使用的仪器部分,除紫外可见光谱仪外,其他玻璃量具和器皿建议自带,也可以使用现场准备的仪器设备。
各参赛队选手可以根据竞赛需要自由选择使用。
2.竞赛时选手自带不具有工程计算功能的计算器。
3.参赛选手按照参赛时段进入竞赛场地,自行决定工作程序和时间安排,化学分析竞赛和仪器分析竞赛在操作竞赛场地完成。
4.参赛选手须在确认竞赛任务和现场条件无误后开始竞赛。
5.竞赛分场次进行,参赛选手的在各场次的赛位采取抽签的方式确定。
6.竞赛方案在参赛选手进入赛场后发放,同时段参加竞赛的参赛选手采用相同的竞赛试题。
7.每支参赛队由2名选手组成,每名选手都必须参加化学分析和仪器分析实际操作考核内容。
选手参赛报名时确定单双号,竞赛前抽签确定单号或双号选手操作考核时间。
8.化学分析技能操作和仪器分析技能操作的竞赛时间各为3.5小时,竞赛过程中,选手休息、饮食或如厕时间均计算在竞赛时间内。
9.竞赛过程中,参赛选手须严格遵守操作规程,保证设备及人身安全,并接受裁判员的监督和警示;确因设备故障导致选手中断竞赛,由竞赛裁判长视具体情况做出补时或延时的决定;确因设备终止竞赛,由竞赛裁判长决定选手重做。
10.在竞赛过程中,参赛选手由于操作失导致设备不能正常工作,或造成安全事故不能进行竞赛的,将被终止竞赛。
11.在竞赛过程中,各参赛选手限定在自己的工作区域内完成竞赛任务。
12.若参赛选手欲提前结束竞赛,应向裁判员举手示意,竞赛终止时间由裁判员记录,参赛队结束竞赛后不得再进行任何操作。
13.裁判员根据参赛选手在现场操作的情况给出现场成绩,阅卷裁判员根据选手的分析结果准确度和精密度给出成绩。
14.竞赛结束后,参赛选手须完成现场清理并将设备恢复到初始状态,经裁判员确认后方可离开赛场。
五、评分方式及奖项设定(一)评分方式1.理论知识竞赛试卷由计算机自动阅卷评分,经评审裁判审核后生效。
2.技能操作竞赛成绩分两步得出,现场部分由裁判员根据选手现场实际操作规范程度、操作质量、文明操作情况和现场分析结果,依据评分细则对每个单元单独评分后得出;分析结果准确性部分则等所有分析结果数据汇总并经赛项专家组按规范进行真值、差异性等取舍处理后得出。
3.理论知识考核、化学分析技能操作考核及仪器分析技能操作考核每个单项均以满分100分计,最后按理论知识20%,技能操作考核80%(化学分析和仪器分析技能操作考核各占40%)的比例计算参赛总分。
4.参赛队团体最终成绩为各队2名参赛选手个人成绩之和。
5.分析数据的真值的确定⑴真值的来源分为二方面。
主办单位选派2名教师,竞赛现场所有参赛选手二方面的测定平均值加权重计算得出真值。
⑵权重分配。
主办单位教师组30%;竞赛现场参赛选手占70%。
⑶可疑值取舍原则。
竞赛现场参赛选手个体测定的平均值用4d 法或Q检验法进行检验,去掉可疑值。
⑷差异性检验。
主办单位教师组和竞赛现场参赛选手二方面测定的平均值用F检验法检验差异性。
若有差异可去除主办单位教师组中差异大的一组数值,修正后权重分配为教师组占20%,参赛选手占80%,加权重计算得出真值。
(二)奖项设定赛项设参赛选手团体奖,一等奖占比10%,二等奖占比20%,三等奖占比30%。
六、申诉与仲裁(一)申诉1.参赛队对不符合竞赛规定的设备、工具、软件,有失公正的评判、奖励,以及对工作人员的违规行为等均可提出申诉。
2.申诉应在竞赛结束后2小时内提出,超过时效不予受理。
申诉时,应按照规定的程序由参赛队领队向赛项专家组递交书面申诉报告。
报告应对申诉事件的现象、发生的时间、涉及到的人员、申诉依据与理由等进行充分、实事求是的叙述。
事实依据不充分、仅凭主观臆断的申诉不予受理。
申诉报告须有申诉的参赛选手、领队签名。
3.赛项专家组收到申诉报告后,应根据申诉事由进行审查,6小时内书面通知申诉方,告知申诉处理结果。
如受理申诉,要通知申诉方举办听证会的时间和地点;如不受理申诉,要说明理由。
4.申诉人不得无故拒不接受处理结果,不允许采取过激行为刁难、攻击工作人员,否则视为放弃申诉。
申诉人不满意赛项专家组的处理结果的,可向省大赛办提出复议申请。
(二)仲裁赛项专家组接受由代表队领队提出的对裁判结果的申诉。
赛项专家组在接到申诉后的2小时内组织复议,并及时反馈复议结果。
申诉方对复议结果仍有异议,可向省大赛办提出申诉。
“2014年安徽省职业院校技能大赛”中职组工业分析检验赛项技术规范一、竞赛项目行业、职业技术标准竞赛考核范围依据《化学检验工》国家职业标准和《化工行业分析工题库》确定。
竞赛项目依据下列行业、职业技术标准:GB/T 10705-2008,二水合5-磺基水杨酸;GB 1293-1989,1,10-菲啰啉;HG/T 4018-2008,化学试剂1,10-菲啰啉;GB/T 5009.28-2003,糖精钠的检测;GB1905-2000,食品添加剂-山梨酸;HG/T 3398-2003(2009) 邻羟基苯甲酸(水杨酸);GB 12597-2008,工作基准试剂苯甲酸;GB/T601-2002,标准滴定溶液的制备;GB/T603-2002,试验方法中所用制剂及制品的制备;HG/T 2631-2005 化学试剂七水合硫酸钴。
二、赛场场地和环境1.关于仪器使用的要求和说明⑴化学分析玻璃仪器可自己带,也可使用现场准备的玻璃仪器,建议使用自己检定或校准过的量具和玻璃仪器。
⑵仪器分析赛项使用指定设备:紫外-可见分光光度计采用上海美谱达UV-1800PC-DS2。
2.关于分析天平赛场使用的分析天平为沈阳龙腾仪器公司的ESJ200-4,精度为0.1mg。
3.竞赛场地设理论知识(含仿真)考场、化学分析考场和仪器分析考场。
理论知识考试系统、仿真系统由北京东方仿真软件技术公司提供技术支持,现场有工程师技术培训、维护和技术支持。
三、竞赛技术平台标准1.软件:北京东方仿真科技有限公司设计的“气相色谱仿真考核软件——给定物质定性定量分析”。
软件设计是按照国家对行业的规范和标准设计,使用的软件是行业多年使用的技术平台和操作规范。
2.使用的比赛器材和技术平台玻璃仪器符合JJG196-2006。
其中设备符合国家质量监督局相关仪器检测标准,各项指标均符合或高于国家标准。
仪器分析赛项使用指定设备:紫外-可见分光光度计UV-1800PC-DS2,上海美谱达仪器有限公司生产。
样品称量使用精度为0.1mg,龙腾ESJ200-4,沈阳龙腾衡器厂生产。
玻璃量器使用天津玻璃器皿公司生产产品。
“2014年安徽省职业院校技能大赛”中职组工业分析检验赛项须知一、参赛队须知1.熟悉竞赛规程,妥善管理本队人员的日常生活及安全,遵守并贯彻执行大赛组委会的各项规定,做好赛前准备上作。
2.执行竞赛的各项规定,遵守比赛规则,竞赛期间不得私自接触评委。
3.对不符合比赛规定的设备、有失公正的检测、评判以及对工作人员的违规行为提起申诉,必须在2小时内向仲裁组提交书面报告,否则,不予受理。
二、指导教师须知1.熟悉竞赛规程和内容,做好赛前准备上作。
2.执行竞赛的各项规定,遵守比赛规则。
教育选手要遵守竞赛纪律、尊重裁判。
竞赛期间不得私自接触评委。
3.协助领队对不符合比赛规定的设备、有失公正的检测、评判以及对工作人员的违规行为提起申诉。
4.及时传达竞赛执委会对赛项的要求,及时反馈代表队在技术层面的情况。
三、竞赛选手须知1.选手凭证(参赛证、身份证)提前45分钟到检录处检录,按照检录要求抽签获得赛场的赛位号同时将选手凭证留存检录处,由引导员按照赛位号的顺序统一带入考场。
2.竞赛过程中,因操作失误,致使设备不能正常工作,或安全事故不能进行比赛的,终止比赛。
3.禁止将通讯工具带入赛场;不得将自编资料带入赛场。
4.入场后,赛场工作人员与参赛选手共同确认设备状况,参赛队员必须确认仪器设备和使用的量器和容器等,收到开赛信号后开始比赛。
5.竞赛时,参赛选手按照方案要求安排时间,及时记录竞赛项目中的有关数据,更正数据时必须由裁判员签字方能生效,否则按虚假数据处理,严禁作弊行为。
6.比赛连续进行,竞赛过程中,饮水或如厕时间均计算在比赛时间内。
7.参赛选手结束比赛,应向裁判员举手示意,比赛终止时间由裁判员记录,结束比赛后参赛队不得进行任何操作。
8.参赛选手所填写的报告单内容不应涉及到学校名称和选手姓名,只填写赛场和赛位号,若体现单位信息与姓名信息的,则该项无成绩。
9.比赛结束后,参赛队须将现场恢复到初始状态,并经裁判员确认。