巨人通力货梯安全回路图纸
- 格式:pdf
- 大小:783.54 KB
- 文档页数:1
通力安全回路详解
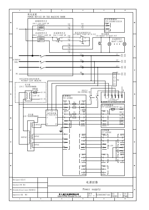
无机房电梯:
1.插件XLH8:1-3轿门触点,3-5安全钳.急停机械锁开关.安全窗开关,7-9轿顶限位开关.安全钳开关.轿顶急停开关。
2.插件XLH7:1-3厅门触点。
3.插件XLH6:127限速器开关。
4.插件XLH5:1-5270紧急电动开关.3-7270RB紧急运行。
5.插件XLH4:1-3缓冲器开关.1-5张紧轮开关.底坑急停开关。
6.插件XLH6:1-3短接(断绳触点)
有机房电梯:
插件说明插件说明
X5到LECPU板的X3XD1到驱动单元395驱动模块接触
器的XD5
XM1控制柜急停XM21-5机房270紧急检修开关
3-7机房270RB紧急运行开关XM31-3轿厢限速器开关XM4对重限速器开关
XM5接723板1-2机房急停.井道门等安全回路电源4-5门机电源XM72-3轿厢照明电源并与同板子的插件XC4的2-3联通
XC11-3轿厢限位.安全钳.检修开关3-5轿顶急停.松绳.安全窗检修
运行5-7轿门触点XC3输出220VAC门机电源及备用线到806板的插件XT3
XH1地坑急停.张紧轮.缓冲器开关XH21-3井道门触点F11A安全回路保险K1主接触器main relay。
巨人通力3003007电气原理图纸.清晰1. 引言本文档旨在介绍并提供巨人通力3003007电气原理图纸的详细信息和清晰图示。
巨人通力3003007是一种电气设备,具有重要的电气原理图纸,以帮助用户更好地理解和操作该设备。
2. 设备概述巨人通力3003007是一种电气设备,用于实现特定电气任务。
它采用先进的技术和电子元件,能够在电路中传递电流和信号。
了解巨人通力3003007电气原理图纸的结构和功能可以更好地使用和维护该设备。
3. 电气原理图纸详解电气原理图纸是巨人通力3003007设备的重要组成部分,它展示了设备中各个电路元件的连接和功能。
以下是对一些关键元素的详细说明:3.1 电源部分电源部分在巨人通力3003007电气原理图纸中扮演着至关重要的角色。
它包括电源输入端口,用于连接外部电源,以及电源管理电路,用于稳定和分配电源。
通过电源部分,设备能够正常运行并提供所需的电能支持。
3.2 控制部分控制部分是巨人通力3003007设备的核心,它包括处理器、逻辑电路和控制芯片等组件。
电气原理图纸清晰地显示了这些组件之间的连接和信号传递。
控制部分负责接收输入信号、执行指令并控制设备的操作。
合理地理解控制部分的原理和结构,能够更好地理解设备的工作方式和功能。
3.3 输入输出部分输入输出部分在巨人通力3003007电气原理图纸中描述了与外界交互的接口。
它包括各种传感器输入端口和数据输出端口。
这些接口可以用于连接其他设备或传输数据。
电气原理图纸能够清晰地显示这些接口的连接和信号传输路径。
了解输入输出部分对于使用和集成其他设备至关重要。
3.4 保护部分保护部分在巨人通力3003007电气原理图纸中展示了设备的安全保护机制。
它包括过流保护、过压保护、短路保护等功能。
电气原理图纸清晰地显示了保护元件的连接和控制方式。
充分理解保护部分对于确保设备的安全运行非常重要。
4. 使用和维护建议为了正确地使用和维护巨人通力3003007电气设备,以下是一些建议:•仔细阅读并理解巨人通力3003007电气原理图纸中的每个元件和连接。
巨人通力电梯图纸说明drawing list 图纸目录position number table 代码对照表machinerymachine room wiring diagrams 机房power supply 电源high voltage 高压controllerexternal connections 外部接线group connections 群控接线option interface unit 选项接口shaft wiring diagrams 井道control panel connectionsserved top floor 顶层服务楼层specials at top floors 特殊顶层服务楼层sered intermetiate floors 中间服务楼层specials at intermediate floors 特殊中间服务楼层extra long fllor to fllor distance 特殊长间距楼层served first fllor 第一层服务楼层specials at first fllor 特殊第一层服务楼层pit wiring 底坑接线key switches at landings 厅开关emergency exits in shaft 井道car diring diagrams 轿厢接线图travelling cable 随缆inspection drive 检修运行safety switches 安全开关limit switches 极限开关doors 门car network,cop 轿厢网络,COPcar calls 轿内召唤car operating panel,general 轿厢操作面板,通用car operating panel,optional 轿厢操作面板,选项car lighting and ventilation 轿厢照明和通风circuit diagramscontactor control 控制machinery control 控制safety chain 安全回路car,door contacts 轿厢,门触点deceleration switches,position switches 检修运行,eceleration switches 减速开关load weighing 称重floor computer network 楼层计算机网络door control AMD 门机控制AMDcar and shaft light 轿厢和井道照明emergency lighting and alarm 和警报remote alarm 远程报警optional circuit diagrams 功能选项wiring between option boards 选项板间接线option board 功能选项板monitoring and command system 监控和firemans drive 消防运行emergency power drive 紧急电源驱动lift announcer 电梯语音报locking of car calls 内呼锁定locking of landing calls 锁定attendant service 司机服务emergency battery drive 紧急traffic supervision display 运监察显intercom system 系统vanes diagram 井道飞器布置图shaft layout,lowest floors 底层井道布置图shaft layout,top floors 顶层井道布置图shaft layout,dummy floors 假楼层井道布置图control panel layout 布置图shaft electrification panel 井道电器控制柜maintenance access panel 维保DWG. NO. 图号ISSUE 版本control panel assembly 控制柜总成position number table 代码对照表hoisting motor 曳引马达thermistorstachome terbrake solenoid 线圈door zone switch 门区开关car call buttons 内呼按钮I/O-board lcecob LCECOB输入输出板attendant switch 司机开关attendent down 司机下attendent up 司机上door open button 开门按钮door close button 关门按钮door extension time 关门延时priority drive switch 优先服务开关switch for car lighting 轿厢照明开关switch for car fan 轿厢风扇开关locking switch 锁开关alarm button 警报按钮stop switch on car roof 轿顶switch for inspection drive 检修运行开关inspection button up 检修上行按钮inspection button down 检修下行按钮inspection button run 检修运行按钮car fan 轿厢风扇car lighting 轿厢照明emergency lightingsocket on car roof 轿顶final limit switch in car 轿厢极限开关safety gear contact 安全嵌触点emergency exit contact 触点impules switch up 感应平层开关上impules switch down 感应平层开关下blocking divice 锁定装置ladder contact 轿顶触点load weighing device 称重装置alarm buzzer on car roof 轿顶out of service switch 锁梯开关fireman`s switch 消防开关deceleration switch up 减速开关上deceleration switch down 减速开关下synchronizntion switch 同步开关safety edge contact 触点door operator 门机door motor 门机马达car door contact 轿门触点door photocell,transmitter 红外线发射端door photocell,receiver 红外线接收端photocell device 红外线装置car position indicator 轿厢显示器alarm received light 警报接收指示灯loudspeaker for elevator speech unit 语音报站扬声器overload indication 超载指示intercom deviceprl-l call switch 厅站优先开关prl-h/hel call switch 医梯优先运行开关out of service switch 退出服务开关concealed door contact 隐藏门触点shaft door contact 厅门触点shaft door lock contact 厅触点tension weight contact 触点buffer contact 触点overspeed governor contact for car 轿厢限速器触点overspeed governor contact for counterweightcar 对重限速器触点fireman`s switch 消防开关button for shaft light 井道照明按钮alarm bell 警铃water sensor 积水传感器shaft lighting 井道照明socket in shaft pit 底坑in use light 运行指示灯out of service light 退出服务指示灯car pos. indicator at floors 层站显示器fire detection at landings 厅站floors board lcefcb 楼层LCEFCBmain contactor 主auxiliary contactor 辅助isolating switch 主开关main switchcontrol panel light 控制柜照明lighting switch 照明开关emergency batter 应急电池remote alarm board lceral 远程报警板LCERALearth fault relaycontrol current transformer 电流shaft lighting relay 井道照明继电器switch for recall drive 紧急电动运行开关recall drive button up 紧急电动运行上recall drive button down 紧急电动运行下recall drive button run 紧急电动运行运行socket 插座car lighting fuse 轿厢照明保险door zone indication 门区指示灯braking resistorserial interface board 板cpu-board lcecpu CPU板LCECPUsafety circuit board lce230/lceADO 安全回路板LCE230/LCEADO drive module 驱动模块network filter 网络connection contactor 接通接触器expansion board lceopt 选项功能板LCEOPTpower supply board 电源板gateway board lcegtw 群控电源信号板LCEGTWcan-board lcecan CAN板LCECANelevator speech unit 电梯语音报站car controller board lceccb 轿厢LCECCBexpansion board lcecceb 扩展板LCECCEBdoor zone contactor 门区接触器speed measurement contactor 速度测量接触器supervisory contactor 监察接触器accurate levelling relay 精确平层继电器emergency battery drive 紧急maintenance access panel 维保shaft electrification panel 井道电器控制柜。
一. 主要部件控制器管理所有的电梯组件之间的通信,比如轿厢电气设备,井道电气设备,电机和驱动系统。
二电气化部件在下面的图表里,你可以看到运通产品的电气系统的结构。
它由许多pc板组成,三. 控制柜3.1 GPS20K,GP20K,GO20K控制柜排布1. LCEDRV驱动模块2. LCECPU主控制器3. LCECAN群控控制模块4. LCEKNX电梯运行模块5. LCEADO安全回路模块6. LCEOPT控制功能板7. LCEGTW群控控制模块8. LCEREC电源模块9. 变压器10. LCEBRK制动器控制模块11. 变压器12.相序保护器13. 空气开关14. 变频器15. 接触器16. 接触器17. 滤波器18. 线排19. 接地排3.2 GPN20K,GON20K控制柜排布1. 接触器2. 滤波器1. 接触器2. 滤波器3. 变频器4. 监视窗5. 三脚插座6. 保险丝7. 相序8. 主断路器9. 漏电断路器10. LCEDRV驱动板11. LCECPU主控制板12. LCE230/LCEADO安全回路板13. 变压器14. LCEBRK抱闸模块15. 继电器16. 线排17. 行程开关18. 松闸扳手19. 按钮控制面板20. LCEREC电源板21. LCEOPT功能板22. LCEGTW板3.3 安全回路1.GPS20K,GP20K,GO20K安全回路图2.无机房安全回路图四用户界面的操作手册4.1 CPU用户界面的按钮4.1.1用户界面的按钮按钮和显示屏1.功能模式2.功能模式的显示3.楼层(轿厢位置)4.新楼层(目标楼层)5.增加数值/楼层6.选择数值/接受7.上召8.内召9.限速器测试10.子菜单11.数值(调整值)12.减小数值/楼层13.下召14.缓冲测试用户界面的功能模式如下表所示如何通过用户界面召梯下例描述了召梯的步骤。
在该例里,轿厢在2楼,你想要把它召至6楼如何通过用户界面改变电梯参数下例描述了改变"door open time"参数的步骤。
巨人通力电梯图纸说明巨人通力电梯图纸说明drawing list 图纸目录position number table 代码对照表machinery 曳引机machine room wiring diagrams 机房接线图power supply 电源high voltage 高压controller 控制柜external connections 外部接线group connections 群控接线option interface unit 选项接口shaft wiring diagrams 井道接线图control panel connections 控制柜接线图served top floor 顶层服务楼层specials at top floors 特殊顶层服务楼层sered intermetiate floors 中间服务楼层specials at intermediate floors 特殊中间服务楼层extra long fllor to fllor distance 特殊长间距楼层served first fllor 第一层服务楼层specials at first fllor 特殊第一层服务楼层pit wiring 底坑接线key switches at landings 厅门钥匙开关emergency exits in shaft 井道紧急出口car diring diagrams 轿厢接线图travelling cable 随缆inspection drive 检修运行safety switches 安全开关limit switches 极限开关doors 门car network,cop 轿厢网络,COPcar calls 轿内召唤car operating panel,general 轿厢操作面板,通用car operating panel,optional 轿厢操作面板,选项car lighting and ventilation 轿厢照明和通风circuit diagrams 电路图contactor control 接触器控制machinery control 曳引机控制safety chain 安全回路car,door contacts 轿厢,门触点deceleration switches,position switches 检修运行,位置开关eceleration switches 减速开关load weighing 称重floor computer network 楼层计算机网络door control AMD 门机控制AMDcar and shaft light 轿厢和井道照明emergency lighting and alarm 应急照明和警报remote alarm 远程报警optional circuit diagrams 功能选项电路图wiring between option boards 选项板间接线option board 功能选项板monitoring and command system 监控和指令系统firemans drive 消防运行emergency power drive 紧急电源驱动lift announcer 电梯语音报locking of car calls 内呼锁定locking of landing calls 外呼锁定attendant service 司机服务emergency battery drive 紧急电池驱动traffic supervision display 运载流量监察显intercom system 对讲机系统vanes diagram 井道飞器布置图shaft layout,lowest floors 底层井道布置图shaft layout,top floors 顶层井道布置图shaft layout,dummy floors 假楼层井道布置图control panel layout 控制柜布置图shaft electrification panel 井道电器控制柜maintenance access panel 维保控制屏DWG. NO. 图号ISSUE 版本control panel assembly 控制柜总成position number table 代码对照表hoisting motor 曳引马达thermistors 热敏电阻tachome ter 测速发电机brake solenoid 抱闸线圈door zone switch 门区开关car call buttons 内呼按钮I/O-board lcecob LCECOB输入输出板attendant switch 司机开关attendent down 司机下attendent up 司机上door open button 开门按钮door close button 关门按钮door extension time 关门延时priority drive switch 优先服务开关switch for car lighting 轿厢照明开关switch for car fan 轿厢风扇开关locking switch 锁开关alarm button 警报按钮stop switch on car roof 轿顶急停开关switch for inspection drive 检修运行开关inspection button up 检修上行按钮inspection button down 检修下行按钮inspection button run 检修运行按钮car fan 轿厢风扇car lighting 轿厢照明emergency lighting 应急照明socket on car roof 轿顶电源插座final limit switch in car 轿厢极限开关safety gear contact 安全嵌触点emergency exit contact 紧急出口触点impules switch up 感应平层开关上impules switch down 感应平层开关下blocking divice 锁定装置ladder contact 轿顶机械锁触点load weighing device 称重装置alarm buzzer on car roof 轿顶报警器out of service switch 锁梯开关fireman`s switch 消防开关deceleration switch up 减速开关上deceleration switch down 减速开关下synchronizntion switch 同步开关safety edge contact 安全触板触点door operator 门机door motor 门机马达car door contact 轿门触点door photocell,transmitter 红外线发射端door photocell,receiver 红外线接收端photocell device 红外线装置car position indicator 轿厢显示器alarm received light 警报接收指示灯loudspeaker for elevator speech unit 语音报站扬声器overload indication 超载指示intercom device 对讲机prl-l call switch 厅站优先开关prl-h/hel call switch 医梯优先运行开关out of service switch 退出服务开关concealed door contact 隐藏门触点shaft door contact 厅门触点shaft door lock contact 厅门锁触点tension weight contact 涨紧轮触点buffer contact 缓冲器触点overspeed governor contact for car 轿厢限速器触点overspeed governor contact for counterweightcar 对重限速器触点fireman`s switch 消防开关button for shaft light 井道照明按钮alarm bell 警铃water sensor 积水传感器shaft lighting 井道照明socket in shaft pit 底坑电源插座in use light 运行指示灯out of service light 退出服务指示灯car pos. indicator at floors 层站显示器fire detection at landings 厅站火警探测器floors board lcefcb 楼层电脑板LCEFCBmain contactor 主接触器auxiliary contactor 辅助接触器isolating switch 主开关main switch 辅助开关control panel light 控制柜照明lighting switch 照明开关emergency batter 应急电池remote alarm board lceral 远程报警板LCERALearth fault relay 漏电继电器control current transformer 电流感应器shaft lighting relay 井道照明继电器switch for recall drive 紧急电动运行开关recall drive button up 紧急电动运行上recall drive button down 紧急电动运行下recall drive button run 紧急电动运行运行socket 插座car lighting fuse 轿厢照明保险door zone indication 门区指示灯braking resistor 制动电阻serial interface board 串行接口板cpu-board lcecpu CPU板LCECPUsafety circuit board lce230/lceADO 安全回路板LCE230/LCEADO drive module 驱动模块network filter 网络过滤器connection contactor 接通接触器expansion board lceopt 选项功能板LCEOPTpower supply board 电源板gateway board lcegtw 群控电源信号板LCEGTWcan-board lcecan CAN板LCECANelevator speech unit 电梯语音报站car controller board lceccb 轿厢控制板LCECCB expansion board lcecceb 扩展板LCECCEB door zone contactor 门区接触器speed measurement contactor 速度测量接触器supervisory contactor 监察接触器accurate levelling relay 精确平层继电器emergency battery drive 紧急电池驱动maintenance access panel 维保控制屏shaft electrification panel 井道电器控制柜。
详解新时达、默纳克、奥的斯、巨人通力安全回路!结合维修工作中用到的新时达、默纳克、巨人通力、奥的斯四种控制系统,谈谈安全回路电路图中各种符号的含义,希望本文能给初学者一些帮助。
尽管各个生产厂家设计的不同,只要掌握了电路图中常用的知识,是可以做到触类旁通的。
各种电梯尽管控制部分结构差别很大,但是其安全部件的构成是类似的,曳引机上有抱闸检测开关、温度检测开关,曳引机附近设有急停开关,限速部分由限速器开关、安全钳动作开关、限速器绳涨紧开关,地坑中有急停开关、油压缓冲器开关、钢带断带保护开关(有的厂家没有),井道中安装在导轨上的轿厢运行极限开关(有的安装在轿厢上),轿厢上有安全钳动作开关,轿顶安全窗开关、轿厢卡箍开关,这些开关安装位置不同、外观形状有差异但其作用相同,其共同的特征是常态下触点闭合,触点断开就意味着安全回路断开,理解这一点非常重要。
一体机结构简单,容易理解,那就先易后难吧。
(图的箭头可能有误,图文编辑软件有问题)【Ⅰ】新时达380一体机控制回路图纸只有一页纸,相对简单。
图纸上有中文标注、接插件、常开常闭触点、接触器等标示的很清楚,进控制器的输入点只有3个,输出接触器2个,请看下面的附图一,使用控制柜中的紧急运行开关时,安全钳、限速器、上行超速保护、上极限开关、下极限开关、轿厢缓冲器开关、对重缓冲器开关全部被短接,不起作用。
当使用轿顶检修开关时,控制柜紧急运行开关导电通路被切断,保证了使用检修时轿厢检修优先。
安全部分线号118接主控板AMC的输入点X25,有电时指示灯亮,轿门锁线号120接主控板的输入点X26,有电时指示灯亮,厅门锁线号116接主控板的输入点X27,有电时指示灯亮。
此安全线路的初始端(线号102)和末端(线号101)之间电压是交流110伏,接控制变压器次级。
一体机使用的三相电源(R、S、T)之前使用的是开关,开关闭合在有电的情况下一体机面板上指示灯亮。
安全回路链接通的情况下面板右上方水平排列的三个指示灯亮。
巨人通力电梯图纸说明drawing list 图纸目录position number table 代码对照表machinery 曳引机machine room wiring diagrams 机房接线图power supply 电源high voltage 高压controller 控制柜external connections 外部接线group connections 群控接线option interface unit 选项接口shaft wiring diagrams 井道接线图control panel connections 控制柜接线图served top floor 顶层服务楼层specials at top floors 特殊顶层服务楼层sered intermetiate floors 中间服务楼层specials at intermediate floors 特殊中间服务楼层extra long fllor to fllor distance 特殊长间距楼层served first fllor 第一层服务楼层specials at first fllor 特殊第一层服务楼层pit wiring 底坑接线key switches at landings 厅门钥匙开关emergency exits in shaft 井道紧急出口car diring diagrams 轿厢接线图travelling cable 随缆inspection drive 检修运行safety switches 安全开关limit switches 极限开关doors 门car network,cop 轿厢网络,COPcar calls 轿内召唤car operating panel,general 轿厢操作面板,通用car operating panel,optional 轿厢操作面板,选项car lighting and ventilation 轿厢照明和通风circuit diagrams 电路图contactor control 接触器控制machinery control 曳引机控制safety chain 安全回路car,door contacts 轿厢,门触点deceleration switches,position switches 检修运行,位置开关eceleration switches 减速开关load weighing 称重floor computer network 楼层计算机网络door control AMD 门机控制AMDcar and shaft light 轿厢和井道照明emergency lighting and alarm 应急照明和警报remote alarm 远程报警optional circuit diagrams 功能选项电路图wiring between option boards 选项板间接线option board 功能选项板monitoring and command system 监控和指令系统firemans drive 消防运行emergency power drive 紧急电源驱动lift announcer 电梯语音报locking of car calls 内呼锁定locking of landing calls 外呼锁定attendant service 司机服务emergency battery drive 紧急电池驱动traffic supervision display 运载流量监察显intercom system 对讲机系统vanes diagram 井道飞器布置图shaft layout,lowest floors 底层井道布置图shaft layout,top floors 顶层井道布置图shaft layout,dummy floors 假楼层井道布置图control panel layout 控制柜布置图shaft electrification panel 井道电器控制柜maintenance access panel 维保控制屏DWG. NO. 图号ISSUE 版本control panel assembly 控制柜总成position number table 代码对照表hoisting motor 曳引马达thermistors 热敏电阻tachome ter 测速发电机brake solenoid 抱闸线圈door zone switch 门区开关car call buttons 内呼按钮I/O-board lcecob LCECOB输入输出板attendant switch 司机开关attendent down 司机下attendent up 司机上door open button 开门按钮door close button 关门按钮door extension time 关门延时priority drive switch 优先服务开关switch for car lighting 轿厢照明开关switch for car fan 轿厢风扇开关locking switch 锁开关alarm button 警报按钮stop switch on car roof 轿顶急停开关switch for inspection drive 检修运行开关inspection button up 检修上行按钮inspection button down 检修下行按钮inspection button run 检修运行按钮car fan 轿厢风扇car lighting 轿厢照明emergency lighting 应急照明socket on car roof 轿顶电源插座final limit switch in car 轿厢极限开关safety gear contact 安全嵌触点emergency exit contact 紧急出口触点impules switch up 感应平层开关上impules switch down 感应平层开关下blocking divice 锁定装置ladder contact 轿顶机械锁触点load weighing device 称重装置alarm buzzer on car roof 轿顶报警器out of service switch 锁梯开关fireman`s switch 消防开关deceleration switch up 减速开关上deceleration switch down 减速开关下synchronizntion switch 同步开关safety edge contact 安全触板触点door operator 门机door motor 门机马达car door contact 轿门触点door photocell,transmitter 红外线发射端door photocell,receiver 红外线接收端photocell device 红外线装置car position indicator 轿厢显示器alarm received light 警报接收指示灯loudspeaker for elevator speech unit 语音报站扬声器overload indication 超载指示intercom device 对讲机prl-l call switch 厅站优先开关prl-h/hel call switch 医梯优先运行开关out of service switch 退出服务开关concealed door contact 隐藏门触点shaft door contact 厅门触点shaft door lock contact 厅门锁触点tension weight contact 涨紧轮触点buffer contact 缓冲器触点overspeed governor contact for car 轿厢限速器触点overspeed governor contact for counterweightcar 对重限速器触点fireman`s switch 消防开关button for shaft light 井道照明按钮alarm bell 警铃water sensor 积水传感器shaft lighting 井道照明socket in shaft pit 底坑电源插座in use light 运行指示灯out of service light 退出服务指示灯car pos. indicator at floors 层站显示器fire detection at landings 厅站火警探测器floors board lcefcb 楼层电脑板LCEFCBmain contactor 主接触器auxiliary contactor 辅助接触器isolating switch 主开关main switch 辅助开关control panel light 控制柜照明lighting switch 照明开关emergency batter 应急电池remote alarm board lceral 远程报警板LCERALearth fault relay 漏电继电器control current transformer 电流感应器shaft lighting relay 井道照明继电器switch for recall drive 紧急电动运行开关recall drive button up 紧急电动运行上recall drive button down 紧急电动运行下recall drive button run 紧急电动运行运行socket 插座car lighting fuse 轿厢照明保险door zone indication 门区指示灯braking resistor 制动电阻serial interface board 串行接口板cpu-board lcecpu CPU板LCECPUsafety circuit board lce230/lceADO 安全回路板LCE230/LCEADO drive module 驱动模块network filter 网络过滤器connection contactor 接通接触器expansion board lceopt 选项功能板LCEOPTpower supply board 电源板gateway board lcegtw 群控电源信号板LCEGTWcan-board lcecan CAN板LCECANelevator speech unit 电梯语音报站car controller board lceccb 轿厢控制板LCECCB expansion board lcecceb 扩展板LCECCEB door zone contactor 门区接触器speed measurement contactor 速度测量接触器supervisory contactor 监察接触器accurate levelling relay 精确平层继电器emergency battery drive 紧急电池驱动maintenance access panel 维保控制屏shaft electrification panel 井道电器控制柜。
通力安全回路详解
无机房电梯:
1.插件XLH8:1-3轿门触点,3-5安全钳.急停机械锁开关.安全窗开关,7-9轿顶限位开关.安全钳开关.轿顶急停开关。
2.插件XLH7:1-3厅门触点。
3.插件XLH6:127限速器开关。
4.插件XLH5:1-5270紧急电动开关.3-7270RB紧急运行。
5.插件XLH4:1-3缓冲器开关.1-5张紧轮开关.底坑急停开关。
6.插件XLH6:1-3短接(断绳触点)
有机房电梯:
插件说明插件说明
X5到LECPU板的X3XD1到驱动单元395驱动模块接触
器的XD5
XM1控制柜急停XM21-5机房270紧急检修开关
3-7机房270RB紧急运行开关XM31-3轿厢限速器开关XM4对重限速器开关
XM5接723板1-2机房急停.井道门等安全回路电源4-5门机电源XM72-3轿厢照明电源并与同板子的插件XC4的2-3联通
XC11-3轿厢限位.安全钳.检修开关3-5轿顶急停.松绳.安全窗检修
运行5-7轿门触点XC3输出220VAC门机电源及备用线到806板的插件XT3
XH1地坑急停.张紧轮.缓冲器开关XH21-3井道门触点F11A安全回路保险K1主接触器main relay。