SP706看门狗芯片SP706应用电路图
- 格式:pdf
- 大小:281.36 KB
- 文档页数:11
看门狗MAX705、706、813中文说明看门狗MAX705/706/8131 概述MAX705/706/813L是一组CMOS监控电路,能够监控电源电压、电池故障和微处理器(MPU或mP)或微控制器(MCU或mC)的工作状态。
将常用的多项功能集成到一片8脚封装的小芯片内,与采用分立元件或单一功能芯片组合的电路相比,大大减小了系统电路的复杂性和元器件的数量,显著提高了系统可靠性和精确度。
该系列产品采用3种不同的8脚封装形式:DIP、SO和mMAX。
主要应用于:微处理器和微控制器系统;嵌入式控制器系统;电池供电系统;智能仪器仪表;通信系统;寻呼机;蜂窝移动电话机;手持设备;个人数字助理(PDA);电脑电话机和无绳电话机等等。
2 功能说明2.1 RESET/RESET操作复位信号用于启动或者重新启动MPU/MCU,令其进入或者返回到预知的循环程序并顺序执行。
一旦MPU/MCU处于未知状态,比如程序“跑飞”或进入死循环,就需要将系统复位。
对于MAX705和MAX706而言,在上电期间只要Vcc大于1.0V,就能保证输出电压不高于0.4V的低电平。
在Vcc上升期间RESET维持低电平直到电源电压升至复位门限(4.65V或4.40V)以上。
在超过此门限后,内部定时器大约再维持200ms后释放RESET,使其返回高电平。
无论何时只要电源电压降低到复位门限以下(即电源跌落),RESET 引脚就会变低。
如果在已经开始的复位脉冲期间出现电源跌落,复位脉冲至少再维持140ms。
在掉电期间,一旦电源电压Vcc降到复位门限以下,只要Vcc不比1.0V还低,就能使RESET维持电压不高于0.4V 的低电平。
MAX705和MAX706提供的复位信号为低电平RESET,而MAX813L提供的复位信号为高电平RESET,三者其它功能完全相同。
有些单片机,如INTEL的80C51系列,需要高电平有效的复位信号。
2.2 看门狗定时器MAX705/706/813L片内看门狗定时器用于监控MPU/MCU的活动。
SP706P/R/S/T,SP708/R/S/T+3.0V/+3.3V低功耗微处理器外围监控器件高精度低电压监控器2.63V下的SP706P/R及SP708R2.93V下的SP706S及SP708S3.08V下的SP706T及SP708T复位脉冲宽度-200ms独立的看门狗定时器-溢出周期1.6s(SP706P/S/R/T)最大电源电流40uA支持开关式TTL/CMOS手动复位输入Vcc下降至1V时,产生R—E—S—E—T—信号RESET输出:SP706P 高电平有效SP706R/S/T 低电平有效SP708R/S/T 支持高/低电平两种方式WDI可以保持为浮空,以禁止看门狗功能内嵌Vcc干扰抑止电路提供8引脚PDIP,NSOIC及uSOIC封装内嵌电压监测器,可检测供电失败或电池不足警告706P/R/S/T及708R/S/T引脚兼容性增强以符合工业标准描述SP706P/S/R/T,SP708R/S/T系列属于微处理器(uP)监控器件。
其集成有众多组件,可监测uP及数字系统中的供电及电池的工作情况。
由于以上众多组件的使用,SP706P/S/R/T,SP708R/S/T系列可有效地增强系统的可靠性及工作效率。
SP706P/S/R/T,SP708R/S/T系列包含一个看门狗定时器,一个uP复位模块,一个供电失败比较器,及一个手动复位输入模块。
SP706P/S/R/T,SP708R/S/T系列适用于+3.0V或+3.3V 环境 ,如计算机,汽车系统,控制器,及其他一些智能仪器。
对于对电源供电要求严格的uP系统/数字处理系统,SP706P/R/S/T,SP708R/S/T系列是一款非常理想的选择。
型号 RESET 有效态 RESET 阈值 手动复位 PFI 准确率 看门狗输入 SP706P 高 2.63V YES 4% YES SP706R 低 2.63V YES 4% YES SP706S 低 2.93V YES 4% YES SP706T 低 3.08V YES 4% YES SP708R 低/高 2.63V YES 4% NO SP708S 低/高 2.93V TES 4% NO SP708T 低/高3.08VYES4%NO极限参数终端电压(以GND 为基准): Vcc……………… -0.3V 到+6.0V所有其他输入(注解1) ……………… -0.3V 到(Vcc+3.0V) 输入电流: Vcc ……………… 20mA GND……………… 20mA 输出电流(所有输出) ……………… 20mA ESD 额定值……………… 2kV电源持续功耗:Plastic DIP(70℃以上时,9.09mW/℃递减) ………………………………… 727mW SO(70℃以上时,5.88mW/℃递减) ………………………………… 471mW Mini SO(70℃以上时,4.10mW/℃递减) ………………………………… 330mW 正常工作温度范围………………………………… -65℃到160℃ 焊接温度(焊接10秒) (300)这里仅对部分参数进行描述,器件在以上状态的工作性能,及下面规范中的相关操作,没有在这里说明。
一个外置看门狗的不断复位问题的解决最近,研发产品运行中的遇到一个异常,表现为:上电后反复重启(时间间隔大概7秒),不能正常启动,断开外置看门狗复位信号后就正常了。
看门狗部分图纸如下:启动过程如下:初始化cpu及部分硬件-》启动ucos-》创建2个任务,1个可以复位看门狗,1个完成系统的初始化。
因为是3.3V系统,使用的外置看门狗型号为SP706TE,特征如下:经过仔细测试,cpu是输出的WDI信号是正常的,250ms间隔的脉冲,没有问题。
测量SP706的供电等,也都是正常的。
但是WDO上每隔6.18s会有一个20uS的低电平脉冲。
经测试,在C32上并一个47uF的电容,效果会好一些。
由此,怀疑是3.3V上的干扰在某个瞬时会低于3.08V的RESET阀值。
将SP706T改为SP706RE后,问题解决;总结:1)外置看门狗检测电压VCC,灵敏度很高。
如果vcc上纹波大,建议使用低阀值的芯片,或者使用PFI功能来检测电压,当然也可以采用更优质的电源方案;2)产品上电后,尽早启动看门狗,系统的可靠性会高一些,可以避免系统启动过程中发生的异常;3)喂狗避免放到中断中,也尽量不要放到优先级高的任务中;20140909网友allen_zhan提到电源可靠性的问题,又做了3.3V的纹波测试,如下:可见3.3V的电压跌落有700mV之高。
原因是以下电路:系统启动后,延时打开通讯电源(时间延迟和上文提到的6-7s一致),这样可以降低启动冲击电流,避免供电电源保护。
在PWR输入为低电平时,F0505D工作,包括前面的C33充电,造成5V的电源跌落,同时3.3V也收到了影响。
将C33和C47由10uF改为1uF后,电源跌落下降到370mV。
重新将看门狗改为SP706SE后,也可以正常启动了。
看门狗MAX705/706/813中文说明1 概述MAX705/706/813L是一组CMOS监控电路,能够监控电源电压、电池故障和微处理器(MPU或mP)或微控制器(MCU或mC)的工作状态。
将常用的多项功能集成到一片8脚封装的小芯片内,与采用分立元件或单一功能芯片组合的电路相比,大大减小了系统电路的复杂性和元器件的数量,显著提高了系统可靠性和精确度。
该系列产品采用3种不同的8脚封装形式:DIP、SO和mMAX。
主要应用于:微处理器和微控制器系统;嵌入式控制器系统;电池供电系统;智能仪器仪表;通信系统;寻呼机;蜂窝移动电话机;手持设备;个人数字助理(PDA);电脑电话机和无绳电话机等等。
2 功能说明2.1 RESET/RESET操作复位信号用于启动或者重新启动MPU/MCU,令其进入或者返回到预知的循环程序并顺序执行。
一旦MPU/MCU处于未知状态,比如程序“跑飞”或进入死循环,就需要将系统复位。
对于MAX705和MAX706而言,在上电期间只要Vcc大于1.0V,就能保证输出电压不高于0.4V的低电平。
在Vcc上升期间RESET维持低电平直到电源电压升至复位门限(4.65V或4.40V)以上。
在超过此门限后,内部定时器大约再维持200ms后释放RESET,使其返回高电平。
无论何时只要电源电压降低到复位门限以下(即电源跌落),RESET引脚就会变低。
如果在已经开始的复位脉冲期间出现电源跌落,复位脉冲至少再维持140ms。
在掉电期间,一旦电源电压Vcc降到复位门限以下,只要Vcc不比1.0V还低,就能使RESET维持电压不高于0.4V的低电平。
MAX705和MAX706提供的复位信号为低电平RESET,而MAX813L提供的复位信号为高电平RESET,三者其它功能完全相同。
有些单片机,如INTEL的80C51系列,需要高电平有效的复位信号。
2.2 看门狗定时器MAX705/706/813L片内看门狗定时器用于监控MPU/MCU的活动。
标题:单片机看门狗电路2009-04-22 10:50:3651单片机看门狗电路采用89C51单片机和X25045组成的看门狗电路,X25045硬件连接图如图2所示。
X25045芯片内包含有一个看门狗定时器,可通过软件预置系统的监控时间。
在看门狗定时器预置的时间内若没有总线活动,则X25045将从RESET输出一个高电平信号,经过微分电路C2、R3输出一个正脉冲,使CPU复位。
图2电路中,CPU的复位信号共有3个:上电复位(C1、R2),人工复位(S、R1、R2)和Watchdog复位(C2、R3),通过或门综合后加到RESET端。
C2、R3的时间常数不必太大,有数百微秒即可,因为这时CPU的振荡器已经在工作。
图2 X25045看门狗电路硬件连接图看门狗定时器的预置时间是通过X25045的状态寄存器的相应位来设定的。
如表2所示,X25045状态寄存器共有6位有含义,其中WD1、WD0和看门狗电路有关,其余位和EEPROM的工作设置有关。
表2 X25045状态寄存器WD1=0,WD0=0,预置时间为1.4s。
WD1=0,WD0=1,预置时间为0.6s。
WD1=1,WD0=0,预置时间为0.2s。
WD1=1,WD0=1,禁止看门狗工作。
看门狗电路的定时时间长短可由具体应用程序的循环周期决定,通常比系统正常工作时最大循环周期的时间略长即可。
编程时,可在软件的合适地方加一条喂狗指令,使看门狗的定时时间永远达不到预置时间,系统就不会复位而正常工作。
当系统跑飞,用软件陷阱等别的方法无法捕捉回程序时,则看门狗定时时间很快增长到预置时间,迫使系统复位。
以下是C语言编写的看门狗程序部分。
#include reg51.hsbit cs=P1^2;/*片选信号由P1.2产生*/sbit sck=P1^3; /*时钟信号由P1.3 产生*/sbit si=P1^0; /*SI由P1.0产生*/sbit so=P1^1; /*SO由P1.1产生*/sbit c=ACC^7; /*定义位变量*/bdata unsigned char com;void tran() /*发送一字节数据子函数*/{unsigned char i;for(i=0; i<8; i++){ ACC=com; /*将数据放入a中*/si=c;sck=0; /*sck产生一个上跳变*/sck=1;com=com<<1; /*左移一位*/}return;}main(){com=0x06; /*发写读使能命令*/cs=0;tran();cs=1;com=0x01; /*发写状态字命令*/cs=0;tran();com=0x00; /*定时1.4s*/tran();cs=1;...;系统正常运行的程序部分}需要注意的是,在程序正常运行的时候,应该在适当的地方加一条喂狗指令,使系统正常运行时的定时时间达不到预置时间。
穿,电流流过R134。
由于R134电阻很大,只要有一点电流都会使Q121饱和导通。
Q121 Uce=0.3V D121 D124导通,U121 U122参考端电压小于
2.5V,PC151 PC52光耦截止,CPU停止各路电压输出。
另一路检测大滤波电容波动电压,如果波动电压过大,ZD122稳压管击穿,Q121导
通,D121 D124导通,U121 U122参考端电压小于2.5V,光耦截止,CPU停止各路电压输出。
维修总结:经大量维修发现(R144 R142 R123 R137
C619
151
,正常状态16V经R210,R212,分压得到7V电压加到Q204(NPN)基极,Q204发射极接6.8V稳压管,Q204不导通,16V输出正常。
当16V电压超过17.35V时经R210(9.1K)R212(6.8K)分压得到7.4V电压加到Q204基极,Q204导通把Q202(PNP)基极电压拉低,Q202 导通16V通过Q202加到Q201 P沟道场效应管栅极,Q201截止16V无输出。
T201(11)脚的另一组绕组经D204、C210、C211整流滤波 后得到5.4V电源,经过稳压处理后为电源CPU(MC80F0308)、数字处理板、X Y驱动板供电。
此部分电路故障率较高元件速查 (①5.4V滤波电容C210、C211 ②供电保险电阻R151 ③驱动MOS管Q151 ④16V过压保护电路ZD201)。
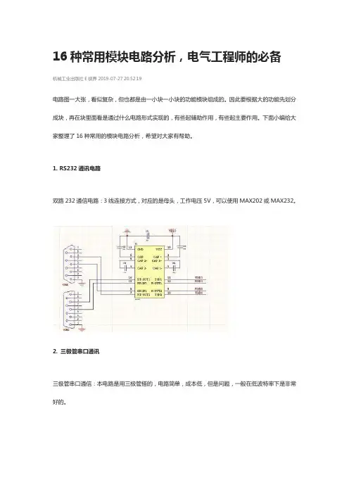
16种常用模块电路分析,电气工程师的必备机械工业出版社E视界2019-07-27 20:52:19电路图一大张,看似复杂,但也都是由一小块一小块的功能模块组成的。
因此要根据大的功能先划分成块,再在块里面看是通过什么电路形式实现的,有些起辅助作用,有些起主要作用。
下面小编给大家整理了16种常用的模块电路分析,希望对大家有帮助。
1. RS232通讯电路双路232通信电路:3线连接方式,对应的是母头,工作电压5V,可以使用MAX202或MAX232。
2. 三极管串口通讯三极管串口通信:本电路是用三极管搭的,电路简单,成本低,但是问题,一般在低波特率下是非常好的。
3. 单路RS232通讯单路232通信电路:三线方式,与上面的三级管搭的完全等效。
4. USB转RS232USB转232电路:采用的是PL2303HX,价格便宜,稳定性还不错。
5. 复位电路SP706S复位电路:带看门狗和手动复位,价格便宜(美信的贵很多),R4为调试用,调试完后焊接好R4。
6. SD卡模块电路SD卡模块电路(带锁):本电路与SD卡的封装有关,注意与封装对应。
此电路可以通过端口控制SD卡的电源,比较完善,可以用于5V和3.3V。
但是要注意,有些器件的使用,5V和3.3是不一样的。
7. LCM12864液晶显示电路LCM12864液晶模块(ST7920):本电路是常见的12864电路,价格便宜,带中文字库。
可以通过PSB端口的电平来设置其工作在串口模式还是并行模式,带背光控制功能。
8. LCD1602液晶显示电路LCD1602字符液晶模块(KS0066):最常用的字符液晶模块,只能显示数字和字符,可4位或8位控制,带背光功能。
9. 全双工RS485电路全双工RS485电路(带保护功能):带有保护功能,全双工4线通信模式,适合远距离通信用。
10. 半双工RS485电路RS485半双工通信模块:可以通过选择端口选择数据的传输方向,带保护功率。
电源看门狗复位电路公共模块说明V1.0版 2011-10-311.功能介绍:在实际的MCU应用系统中,由于常常会受到来自外界的某些干扰,有可能造成程序跑飞而进入死循环,从而导致整个系统的陷入停滞状态并且不会自动恢复到可控的工作状态。
指令技术、软件陷阱技术不能使失控的程序摆脱“死循环” 的困境,这时系统完全瘫痪。
如果操作者在场,就可以按下人工复位安钮,强制系统复位。
但操作者不能一直监视着系统,也往往是在引起不良后果之后才进行人工复位。
所以出于对MCU 运行的安全考虑,为使程序脱离“死循环”,便引入了一种专门的复位监控电路WatchDog,俗称看门狗。
看门狗电路所起的作用是一旦MCU运行出现故障,就强制对MCU进行硬件复位,使整个系统重新处于可控状态(要想精确恢复到故障之前的运行状态从技术上讲难度大成本高,而复位是最简单且可靠的处理手段)。
SP706 是 Exar(原 Sipex)公司推出的低功耗、高可靠、低价格的MCU复位监控芯片。
以下是其关键特性:分为4个子型号:SP706P、SP706R、SP706S、SP706T;复位输出:P为高电平有效,R/S/T为低电平有效;精密的低电压监控:P/R为2.63V、S为2.93V、T为3.08V;复位脉冲宽度:200ms (额定值);独立的看门狗定时器:1.6 秒超时(额定值);去抖TTL/CMOS 手动复位输入(/MR 管脚)。
我们公司采用Exar公司的SP706REN芯片实现看门狗复位功能,电源电路其他主要芯片还有LM2596S-5.0、SI4463BDY、LM1117IMPX-3.3,这三个主要应用于电源电路的转换中,起到降压,开关等作用。
SP706REN芯片应用于看门狗复位电路中,可以实现电源模块在受到死机的情况下而自动发出复位脉冲,从而使电源电路可以在无人状态下实现连续工作。
由SP706REN等芯片构成的电源看门狗复位电路模块实现的电源电路复位功能,在V2.0光纤直放站近与远端机主控板。
Low Power Microprocessor Supervisory CircuitsRev. 2.1.1GENERAL DESCRIPTIONThe SP705-708/813L series is a family of microprocessor (µP) supervisory circuits that integrate myriad components involved in discrete solutions which monitor power-supply and battery in mP and digital systems.The SP705-708/813L series will significantly improve system reliability and operational efficiency when compared to solutions obtained with discrete components. The features of the SP705-708/813L series includea watchdog timer, a µP reset, a Power Fail Comparator, and a manual-reset input.The SP705-708/813L series is ideal for applications in automotive systems, computers, controllers, and intelligent instruments. The SP705-708/813L series is an ideal solution for systems in which critical monitoring of the power supply to the µP and related digital components is demanded. APPLICATIONS•Processors & DSPs Based Systems •Industrial & Medical InstrumentsFEATURES•Precision Voltage Monitor−SP705/SP707/SP813L: 4.65V−SP706/SP708: 4.40V•200ms RESET Pulse Width •Independent Watchdog Timer−1.6s Timeout (SP705/SP706/SP813L) •60µA Maximum Supply Current •Debounced TTL/CMOS Manual ResetInput•RESET Asserted Down to V CC=1.1V •Voltage Monitor for Power Failure orLow Battery Warning•8-Pin PDIP, NSOIC and MSOP Packages •Pin Compatible with IndustryStandards 705-708-813L Series•Functionally Compatible to IndustryStandard 1232 Series8-Pin NSOIC available;PDIP and MSOP versions obsoletePart Number RESET Threshold RESET Active Manual RESET Watchdog PFI Accuracy SP705 4.65V Low Yes Yes 4% SP706 4.40V Low Yes Yes 4% SP707 4.65V Low and High Yes No 4% SP708 4.40V Low and High Yes No 4% SP813L 4.65V High Yes Yes 4%ABSOLUTE MAXIMUM RATINGSThese are stress ratings only and functional operation of the device at these ratings or any other above those indicated in the operation sections of the specifications below is not implied. Exposure to absolute maximum rating conditions for extended periods of time may affect reliability.V CC .......................................................... -0.3V to 6.0V All Other Inputs (Note 1) ................... -0.3V to (V CC+0.3V) Input CurrentVCC ................................................................. 20mA GND ................................................................ 20mA Output Current (All outputs) ............................... 20mA ESD Rating (HBM - Human Body Model) .................... 4kV Continuous Power DissipationPlastic DIP (derate 9.09mW/°C above +70°C) ....727mW SO (derate 5.88mW/°C above +70°C)...............471mW Mini SO (derate 4.10mW/°C above +70°C) ........330mW Storage Temperature .............................. -65°C to 160°C Lead Temperature (Soldering, 10 sec) ....................300°CELECTRICAL SPECIFICATIONSUnless otherwise indicated, V CC = 4.75V to 5.5V (SP705-SP707-SP813L), V CC = 4.50V to 5.5V (SP706-SP708), T A= T MIN to T MAX, typical at 25°C.Parameter Min. Typ. Max. Units ConditionsOperating Voltage Range V CC 1.1 5.5 VSupply Current I SUPPLY40 60 µA MR=V CC or floating, WDI floatingReset Threshold 4.50 4.65 4.75VSP705, SP707, SP813L 4.25 4.40 4.50 SP706, SP708 (Note 2)Reset Threshold Hysteresis 40 mV Note 2 Reset Pulse Width t RS140 200 280 ms Note 2RESET Output Voltage V CC-1.5VI SOURCE=800µA, Note 20.8 I SOURCE=4µA, V CC=1.1V, Note 20.4 I SINK=3.2mA, Note 20.3 I SINK=100µA, V CC=1.2V, Note 2Watchdog Timeout Period t WD 1.00 1.60 2.25 s SP705, SP707, SP813L WDI Pulse Width t WP100 ns V IL=0.4V, V IH=0.8xV CC WDI Input Threshold Low 0.8 V SP705, SP707, SP813LV CC=5VWDI Input Threshold High 3.5 VWDI Input Current30 75 µA SP705, SP707, SP813L, WDI=V CC -75 -20 µA SP705, SP707, SP813L, WDI=0VWDO Output Voltage V CC-1.5VI SOURCE=800µA0.4 I SINK=3.2mAMR Pull-up Current 100 250 600 µA MR = 0V MR Pulse Width t MR150 nsMR Input Threshold Low 0.8VMR Input Threshold High 2.0MR to Reset Out Delay t MD250 ns Note 2 PFI Input Threshold 1.20 1.25 1.30 V V CC=5V PFI Input Current -25.00 0.01 25.00 nAPFO Output Voltage V CC-1.5VI SOURCE=800µA0.4 I SINK=3.2mANote 1: The input voltage limits on PFI and MR can be exceeded if the input current is less than 10mA. Note 2: Applies to both RESET in the SP705-SP708 and RESET in the SP707/708/813L/813M.BLOCK DIAGRAMFig. 1: SP705-SP706-SP813L Block DiagramFig. 2: SP707-SP708 Block DiagramPIN ASSIGNMENTFig. 3: Pin AssignmentPIN DESCRIPTION - SOIC VERSION AVAILABLENamePin NumberDescriptionSP705-SP706 SP707-SP708 SP813L SOICMSOPSOICMSOPDIP SOICMR1 3 1 3 1 Manual ResetThis input triggers a reset pulse when pulled below 0.8V. This active LOW input has an internal 250µA pull-up current. It can be driven from a TTL or CMOS logic line or shorted to ground with a switch. V CC 2 4 2 4 2 +5V power supplyGND 3 5 3 5 3 Ground reference for all signals PFI 4 6 4 6 4 Power-Fail InputWhen this voltage monitor input is less than 1.25V, PFO goes LOW. Connect PFI to ground or V CC when not in use. PFO5-575Power-Fail OutputThis output is LOW until PFI is less then 1.25V WDI 6 8 - - 6Watchdog InputIf this input remains HIGH or LOW for 1.6s, the internalwatchdog timer times out and WDO goes LOW. Floating WDI or connecting WDI to a high-impedance tri-state bufferdisables the watchdog feature. The internal watchdog timer clears whenever RESET is asserted, WDI is tri-stated, or whenever WDI sees a rising or falling edge. N.C. - - 6 8 -No ConnectRESET7 1 7 1 -Active-LOW RESET OutputThis output pulses LOW for 200ms when triggered and stays LOW whenever V CC is below the reset threshold (4.65V for the SP705/707/813L and 4.40V for the SP706/708). It remains LOW for 200ms after V cc rises above the reset threshold or MR goes from LOW to HIGH. A watchdog timeout will not trigger RESET unless WDO is connected to MR .NamePin NumberDescription SP705-SP706 SP707-SP708 SP813LSOIC MSOP SOIC MSOP DIPSOICWDO 8 2 - - 8 Watchdog OutputThis output pulls LOW when the internal watchdog timer finishes its 1.6s count and does not go HIGH again until the watchdog is cleared. WDO also goes LOW during low-line conditions. Whenever V CC is below the reset threshold, WDO stays LOW. However, unlike RESET, WDO does not have a minimum pulse width. As soon as V CC is above the reset threshold, WDO goes HIGH with no delay.RESET - - 8 2 7 Active-HIGH RESET OutputThis output is the complement of RESET. Whenever RESET is HIGH, RESET is LOW and vice-versa. Note that the SP813L has a reset output only.ORDERING INFORMATION(1)Part Number Temperature Range Package Packing Method Lead Free(2) SP705SP705CN-L/TR 0°C ≤ T A ≤ +70°C8-pin NSOIC Tape & Reel Yes SP705EN-L/TR -40°C ≤ T A ≤ +85°C 8-pin NSOIC Tape & Reel Yes SP706SP706EN-L/TR -40°C ≤ T A ≤ +85°C8-pin NSOIC Tape & Reel Yes SP707SP707EN-L/TR -40°C ≤ T A ≤ +85°C8-pin NSOIC Tape & Reel Yes SP708SP708CN-L/TR 0°C ≤ T A ≤ +70°C8-pin NSOIC Tape & Reel Yes SP708EN-L/TR -40°C ≤ T A ≤ +85°C8-pin NSOIC Tape & Reel Yes SP813LSP813LEN-L/TR -40°C ≤ T A ≤ +85°C8-pin NSOIC Tape & Reel Yes Notes:1.Refer to /SP705, /SP706, /SP707,/SP708, and /SP813 for most up-to-date Ordering Information.2.Visit for additional information on Environmental Rating.TYPICAL PERFORMANCE CHARACTERISTICSAll data taken at V IN= 2.7V to 5.5V, T J = T A= 25°C, unless otherwise specified - Schematic and BOM from Application Information section of this datasheet.Fig. 4: Power-Fail Comparator De-Assertion Response TimeFig. 5: Power-Fail Comparator De-Assertion Response Time CircuitFig. 6: Power-Fail Comparator Assertion Response TimeFig. 7: Power-Fail Comparator Assertion Response Time CircuitFig. 8: SP705/707 RESET Output Voltagevs. Supply Voltage Fig. 9: SP705/707 RESET Output Voltage vs. Supply Voltage CircuitFig. 10: SP705/707 RESET Response Time Fig. 11: SP705/707 RESET Response Time CircuitFig. 12: SP707 RESET and RESET Assertion Fig. 13: SP707 RESET and RESET De-AssertionFig. 14: SP707 RESET and RESET Assertion and De-Assertion CircuitFig. 15: SP707/708/813L RESET Output Voltagevs. Supply VoltageFig. 16: SP813L RESET Response TimeFig. 17: SP707/708/813L RESET Output Voltage vs. Supply Voltageand SP813L RESET Response Time CircuitFEATURESThe SP705-708/813L series provides four key functions:1. A reset output during power-up, power-down and brownout conditions.2. An independent watchdog output that goes LOW if the watchdog input has not been toggled within 1.6 seconds.3. A 1.25V threshold detector for power-fail warning, low battery detection, or monitoringa power supply other than +5V.4. An active-LOW manual-reset that allows RESET to be triggered by a pushbutton switch. The SP707/708 devices are the same as theSP705/706 devices except for the active-HIGH RESET substitution of the watchdog timer. TheSP813L is the same as the SP705 except an active-HIGH RESET is provided rather than an active-LOW RESET. The SP705/707/813L devices generate a reset when the supply voltage drops below 4.65V. The SP706/708 devices generate a reset below 4.40V.The SP705-708/813L series is ideally suitedfor applications in automotive systems, intelligent instruments, and battery-powered computers and controllers. The SP705-708/813L series is ideally applied in environments where monitoring of power supply to a µP and its related components is critical.THEORY OF OPERATIONThe SP705-708/813L series is a microprocessor (µP) supervisory circuit that monitors the power supplied to digital circuits such as microprocessors, microcontrollers, or memory. The series is an ideal solution for portable, battery-powered equipment that requires power supply monitoring. Implementing this series will reduce the number of components and overall complexity. The watchdog functions of this product family will continuously oversee the operational status of a system. The operational features and benefits of the SP705-708/813L series are described in more detail below. RESET O UTPUTA microprocessor's reset input starts the µP ina known state. The SP705-708/813L series asserts reset during power-up and prevents code execution errors during power down or brownout conditions.On power-up, once V CC reaches 1.1V, RESET isa guaranteed logic LOW of 0.4V or less. As V CC rises, RESET stays LOW. When V CC rises above the reset threshold, an internal timer releases RESET after 200ms. RESET pulses LOW whenever V CC dips below the reset threshold, such as in a brownout condition. When a brownout condition occurs in the middle of a previously initiated reset pulse, the pulse continues for at least another 140ms. On power down, once V CC falls below the reset threshold, RESET stays LOW and is guaranteed to be 0.4V or less until V CC drops below 1.1V.The SP707/708/813L active-HIGH RESET output is simply the complement of the RESET output and is guaranteed to be valid with V CC down to 1.1V. Some µPs, such as Intel's 80C51, require an active-HIGH reset pulse.W ATCHDOG T IMERThe SP705/706/813L watchdog circuit monitors the µP's activity. If the µP does not toggle the watchdog input (WDI) within 1.6 seconds and WDI is not tri-stated, WDO goes LOW. As long as RESET is asserted or the WDI input is tri-stated, the watchdog timer will stay cleared and will not count. As soon as RESETis released and WDI is driven HIGH or LOW, the timer will start counting. Pulses as short as 50ns can be detected.Typically, WDO will be connected to the non-maskable interrupt input (NMI) of a µP. WhenV CC drops below the reset threshold, WDO will go LOW whether or not the watchdog timer had timed out. Normally this would trigger an NMI but RESET goes LOW simultaneously and thus overrides the NMI.If WDI is left unconnected, WDO can be used as a low-line output. Since floating WDI disables the internal timer, WDO goes LOW only when V CC falls below the reset threshold, thus functioning as a low-line output.Fig. 18: SP705/706/813L Watchdog Timing WaveformsFig. 19: SP705/706 Timing Diagrams with WDI tri-stated.P OWER-F AIL C OMPARATORThe power-fail comparator can be used forvarious purposes because its output and noninverting input are not internally connected.The inverting input is internally connected to a1.25V reference.To build an early-warning circuit for powerfailure, connect the PFI pin to a voltage divideras shown in Figure 20. Choose the voltagedivider ratio so that the voltage at PFI fallsbelow 1.25V just before the +5V regulatordrops out. Use PFO to interrupt the µP so itcan prepare for an orderly power-down.Fig. 20: Typical Operating CircuitM ANUAL R ESETThe manual-reset input (MR) allows RESET tobe triggered by a pushbutton switch. Theswitch is effectively debounced by the 140msminimum RESET pulse width. MR is TTL/CMOSlogic compatible, so it can be driven by anexternal logic line. MR can be used to force awatchdog timeout to generate a RESET pulsein the SP705/706/813L. Simply connect WDOto MR.Ensuring a Valid Reset Output Down toV CC=0VWhen V CC falls below 1.1V, theSP705/706/707/708 RESET output no longersinks current, it becomes an open circuit.High-impedance CMOS logic inputs can drift toundetermined voltages if left undriven. If apull-down resistor is added to the RESET pin,any stray charge or leakage currents will beshunted to ground, holding RESET LOW. Theresistor value is not critical. It should be about100KW, large enough not to load RESET andsmall enough to pull RESET to ground.M ONITORING V OLTAGES O THER THAN THEU NREGULATED DC I NPUTMonitor voltages other than the unregulated DC by connecting a voltage divider to PFI and adjusting the ratio appropriately. If required, add hysteresis by connecting a resistor (with a value approximately 10 times the sum of the two resistors in the potential divider network) between PFI and PFO. A capacitor between PFI and GND will reduce the power-fail circuit's sensitivity to high-frequency noise on the line being monitored. RESET can be used to monitor voltages other than the +5V V CC line. Connect PFO to MR to initiate a RESET pulse when PFI drops below 1.25V. Figure 21 shows the SP705/706/707/708 configured to assert RESET when the +5V supply falls below the RESET threshold, or when the +12V supply falls below approximately 11V.Fig. 21: Monitoring +5V and +12V Power SuppliesM ONITORING A N EGATIVE V OLTAGE S UPPLY The power-fail comparator can also monitor a negative supply rail, shown in Figure 22. When the negative rail is good (a negative voltage of large magnitude), PFO is LOW. By adding the resistors and transistor as shown, a HIGH PFO triggers RESET. As long as PFO remains HIGH, the SP705-708/813L will keep RESET asserted (where RESET= LOW and RESET = HIGH). Note that this circuit's accuracy depends on the PFI threshold tolerance, the V CC line, and the resistors.Fig. 22: Monitoring a Negative Voltage SupplyI NTERFACING TO µP S WITH B IDIRECTIONAL RESET P INSµPs with bidirectional RESET pins, such as the Motorola 68HC11 series, can contend with the SP705/706/707/708 RESET output. If, for example, the RESET output is driven HIGH and the µP wants to pull it LOW, indeterminate logic levels may result. To correct this, connect a 4.7KΩ resistor between the RESET output and the µP reset I/O, as shown if Figure 23. Buffer the RESET output to othersystem components.Fig. 23: Interfacing to Microprocessorswith Bidirectional REST I/O (SP705/706/708) APPLICATIONSThe SP705-708/813L series offers unmatched performance and the lowest power consumption for these industry standard devices. Refer to Figures 24 and 25 for supply current performance characteristics rated against temperature and supply voltages.Table 2 shows how the SP705-708/813L series can be used instead of the Dallas Semiconductor DS1232LP/LPS. Table 2 illustrates to a designer the advantages and tradeoffs of the SP705-708/813L series compared to the Dallas Semiconductor device. While the names of the pin descriptions may differ, the functions are the same or very similar. Unlike the DS1232, the SP705-708/813L series has a separate watchdog output pin WDO which can be simply connected to the MR input to generate a Reset signal. The DS1232 has pin selectable features, while the SP705-708/813L series has more fixed functions of reset threshold and watchdog time-out delay. For most applications, the fixed functions will be preferred, with the benefit of reduced cost due to a less complex part. In addition, the SP705-708/ 813L series has a power fail input and output function not available with the DS1232 that is useful for monitoring systems with unregulated supply voltages. The SP705-708/813L series is available in one of the industry's smallest space-saving package sizes, the MSOP.Fig. 24: Supply Current vs. TemperatureFig. 25: Supply Current vs. Supply VoltageFig. 26: Device Overview on Maxim/Dallas SemiconductorPACKAGE SPECIFICATION 8-P IN NSOIC-AVAILABLE8-P IN MSOP(T HESE VERSIONS ARE OBSOLETE)8-P IN PDIP(T HESE VERSIONS ARE OBSOLETE)REVISION HISTORYRevision Date Description2.0.0 06/03/2010 Reformat of datasheet2.1.0 06/02/2011 Minimum WDI Pulse Width t WP reduced from 1µs to 100ns.Change will be effective with release of Device Product Change Notice. 2.1.101/24/2020Updated to MaxLinear logo. Updated Ordering Information.C ORPORATE H EADQUARTERS :5966 La Place Court Suite 100Carlsbad, CA 92008 Tel.: +1 (760) 692-0711 Fax: +1 (760) 444-8598 The content of this document is furnished for informational use only, is subject to change without notice, and should not beconstrued as a commitment by Maxlinear, Inc. Maxlinear, Inc. Assumes no responsibility or liability for any errors or inaccuracies that may appear in the informational content contained in this guide. Complying with all applicable copyright laws is theresponsibility of the user. Without limiting the rights under copyright, no part of this document may be reproduced into, stored in, or introduced into a retrieval system, or transmitted in any form or by any means (electronic, mechanical, photocopying, recording, or otherwise), or for any purpose, without the express written permission of Maxlinear, Inc.Maxlinear, Inc. Does not recommend the use of any of its products in life support applications where the failure or malfunction of the product can reasonably be expected to cause failure of the life support system or to significantly affect its safety or effectiveness. Products are not authorized for use in such applications unless Maxlinear, Inc. Receives, in writing, assurances to its satisfaction that: (a) the risk of injury or damage has been minimized; (b) the user assumes all such risks; (c) potential liability of Maxlinear, Inc. Is adequately protected under the circumstances.Maxlinear, Inc. May have patents, patent applications, trademarks, copyrights, or other intellectual property rights covering subject matter in this document. Except as expressly provided in any written license agreement from Maxlinear, Inc., the furnishing of this document does not give you any license to these patents, trademarks, copyrights, or other intellectual property.Maxlinear, the Maxlinear logo, and any Maxlinear trademarks, MxL, Full-Spectrum Capture, FSC, G.now, AirPHY and the Maxlinear logo are all on the products sold, are all trademarks of Maxlinear, Inc. or one of Maxlinear’s subsidiaries in the U.S.A. and other countries. All rights reserved. Other company trademarks and product names appearing herein are the property of their respective owners.© 2010 - 2020 Maxlinear, Inc. All rights reserved.。
s Precision Voltage Monitor: SP705/707/813L at 4.65V SP706/708/813M at 4.40V s RESET Pulse Width - 200mss Independent Watchdog Timer - 1.6s Timeout (SP705/706/813L/813M)s 60µA Maximum Supply Currents Debounced TTL/CMOS Manual Reset Input s RESET Asserted Down to V CC = 1Vs Voltage Monitor for Power Failure or Low Battery Warnings Available in 8-pin PDIP, NSOIC, and µSOIC packagess Pin Compatible Enhancement to Industry Standard 705-708/813L Series s Functionally Compatible to Industry Standard 1232 SeriesDESCRIPTION…The SP705-708/813L/813M series is a family of microprocessor (µP) supervisory circuits that integrate myriad components involved in discrete solutions which monitor power-supply and battery in µP and digital systems. The SP705-708/813L/813M series will significantly improve system reliability and operational efficiency when compared to solutions obtained with discrete components. The features of the SP705-708/813L/813M series include a watchdog timer,a µP reset, a Power Fail Comparator, and a manual-reset input. The SP705-708/813L/813M series is ideal for applications in automotive systems, computers, controllers, and intelligent instruments. The SP705-708/813L/813M series is an ideal solution for systems in which critical monitoring of the power supply to the µP and related digital components is demanded.RETEMARAP.N IM.PYT.XAM ST I NU SNO I T I DNOCV,egnaRega t l oVgn i t a r epOCC0.15.5VI,t ne r r uCy l ppuSYLPPUS406µA V=RMCCgn i t ao l FI DW,gn i t ao l Fr od l oh s e r hTt e s eR05.452.456.44.457.45.4V2e t oN,L318PS,77PS,57PS2e t oN,M318PS,87PS,67PSs i s e r e t s yHd l oh s e r hTt e s eR04Vm2e t oNt,h t d iWe s l uPt e s eRSR4102082sm2e t oNTESER ega t l oVt up t uO VCC5.1-8.04.03.0V2e t oNIECRUOS8=µAIECRUOS4=µV,ACCV1.1=IKN I SAm2.3=VCCI,V1=KN I S5=µAt,do i r ePt uoem i Tgodh c t aWDW0.106.152.2s M318PS,L318PS,67PS,57PSt,h t d iWe s l uPI DWPW5s n VL IV,V4.0=H IVX8.0=CC,d l oh s e r hTt upn I I DWWOLHG I H5.38.0VM318PS,L318PS,67PS,57PSVCCV5=t ne r r uCt upn I I DW57-32-57µA M318PS,L318PS,67PS,57PSV=I DWCCM318PS,L318PS,67PS,57PSV=I DWABSOLUTE MAXIMUM RATINGS This is a stress rating only and functional operation of the device at these or any other conditions above those indicated in the operation sections of thisspecification is not implied. Exposure to absolutemaximum rating conditions for extended periods of time may affect reliability and cause permanentdamage to the device.Vcc .......................................................................................-0.3V to +6.0VAll Other Inputs (Note 1).........-0.3V to (Vcc+0.3V) Input Current:Vcc .............................................................................................................20mAGND............................................................20mA Output Current (all outputs).........................20mA ESD Rating.....................................................4KV Continuous Power DissipationPlastic DIP (derate 9.09mW/°C above +70°C)727mW SO (derate 5.88mW/°C above +70°C)......471mW Mini SO (derate 4.10mW/°C above +70°C)330mW Storage Temperature Range.......-65°C to +160°CLead Temperature (soldering, 10s)............+300°CSPECIFICATIONSV CC = 4.75V to 5.50V for SP705/707/813L, VCC= 4.50V to 5.50V for SP706/708/813M, TA= TMINto TMAX, unless otherwise noted, typical at 25o C.R E T E M A R A P .N I M .P Y T .X A M S T I N U S N O I T I D N O C e g a t l o V t u p t u O O D W V C C 5.1-04.0V I E C R U O S 008=µA I K N I S A m 2.3=R M t n e r r u C p U -l l u P 001052006µA R M V0=R M t ,h t d i W e s l u P R M 051sn R M d l o h s e r h T t u p n I W O L HG I H 0.28.0V R M t ,y a l e D t u O t e s e R o t D M 052s n 2e t o N d l o h s e r h T t u p n I I F P 02.152.103.1V V C C V5=t n e r r u C t u p n I I F P 00.52-10.000.52A n O F P eg a t l o V t u p t u O V C C 5.1-4.0VI E C R U O S 008=µA I K N I S A m 2.3=Note 1: The input voltage limits on PFI and MR can be exceeded if the input current is less than 10mA.Note 2: Applies to both RESET in the SP705-SP708 and RESET in the SP707/708/813L/813M.SPECIFICATIONSV CC = 4.75V to 5.50V for SP705/707/813L,813M, V CC = 4.50V to 5.50V for SP706/708, T A = T MIN to T MAX , unless otherwise noted, typical at 25o C.EMAN NO I TCNUFNO I TP I RCSEDN I P67/57PS87/77PS M318/L318PS/P I DS C I OC I OSµ/P I DS C I OC I OSµ/P I DS C I OC I OSµR Me s l upt e s e ras r egg i r t t upn i s i hT-t e s eRl aunaMt upn iWOL-e v i t c as i hT.V8.0wo l ebde l l upnehw52l an r e t n inas ahµebna ct I.t ne r r u cpu-l l upAde t r oh sr oen i l c i go lSOMCr oLTTamo r fne v i r dh c t i wsah t i wdnuo r go t131313VCCy l ppu sr ewopV5+242424DNG s l ang i s l l ar o fe c ne r ef e rdnuo rG353535I F Pt upn i r o t i nomega t l o vs i h tnehW-t upn I l i aF-r ewoPI FPt c ennoC.WOLs eogOFP,V52.1nah ts s e l s iVr odnuo r go tCC.e s un i t onnehw464646O F PI FPl i t nuHG I Hs i t up t uos i hT-t up t uOl i aF-r ewoP.V52.1nah ts s e l s i575757I D Wr oHG I Hs n i ame r t upn i s i h t f I-t upn Igodh c t aWs em i t r em i tgodh c t awl an r e t n ieh t,s6.1r o fWOLr oI DWgn i t ao l F.WOLs eogODWdnat uoe t a t s-i r te c nadepm i-hg i hao t I DWgn i t c enno cl an r e t n iehT.e r u t ae fgodh c t aweh ts e l ba s i dr e f f ubs iTESERr e v enehws r ae l cr em i tgodh c t aws ee sI DWr e v enehwr o,de t a t s-i r ts i I DW,de t r e s s a.egdegn i l l a f r ogn i s i ra68--68 .C.N.t c ennoCoN--68--TES ERs e s l upt up t uos i hT-t up t uOTESERWOL-e v i t cAWOLs y a t sdnade r egg i r tnehwsm2r o fWOLVr e v enehwCCV56.4(d l oh s e r h t t e s e reh two l ebs ieh t r o fV4.4dnaL318/77/57PSeh t r o fVr e t f asm2r o fWOLs n i ame r t I.)87/67PSc cmo r fs eogRMr od l oh s e r h t t e s e reh te v obas e s i rr egg i r t t onl l i wt uoem i tgodh c t awA.HG I Ho tWOL.RMo tde t c enno cs iODWs s e l nuTESER7171--O D WnehwWOLs l l upt up t uos i hT-t up t uOgodh c t aWt nuo cs6.1s t i s eh s i n i f r em i tgodh c t awl an r e t n ieh ts igodh c t aweh t l i t nun i agaHG I Hogt ons eoddnaen i l-wo lgn i r udWOLs eogo s l aODW.de r ae l cVr e v enehW.s no i t i dno cCCt e s e reh two l ebs ie k i l nu,r e v ewoH.WOLs y a t sODW,d l oh s e r h te s l upmum i n i mae v aht ons eodODW,TESERVs anoo ssA.h t d i wCCt e s e reh te v obas i.y a l edonh t i wHG I Hs eogODW,d l oh s e r h t82--82TESEReh ts i t up t uos i hT-t up t uOTESERHG I H-e v i t cAs iTESERr e v enehW.TESERf ot neme l pmo ceh te t oN.a s r e ve c i vdna,WOLs iTESER,HG I H.y l not up t uot e s e ras ahM318/L318PS--8271Table 1. Device Pin DescriptionFigure 3. Internal Block Diagram for the SP707/708Time.Assertion Response Time.Figure 6A. SP705/707 RESET Output Voltage vs. Supply Voltage.Figure 6B. Circuit for the SP705/707 RESET Output Voltage vs. Supply Voltage.TimeFigure 8. SP707 RESET and RESET Assertion Figure 9. SP707 RESET and RESET De-AssertionFigure 11. SP707/708/813L/813M RESET Output Voltage vs. Supply VoltageFigure 12. SP813L/813M RESET Response TimeFigure 13. Circuit for the SP707/708/813L/813M RESET Output Voltage vs. Supply Voltage and the SP813L/813M RESET Response TimeFEATURESThe SP705-708/813L/813M series provides four key functions:1. A reset output during power-up, power-down and brownout conditions.2. An independent watchdog output that goes LOW if the watchdog input has not been toggled within 1.6 seconds.3. A 1.25V threshold detector for power-fail warning, low battery detection, or monitoring a power supply other than +5V.4. An active-LOW manual-reset that allows RESET to be triggered by a pushbutton switch. The SP707/708 devices are the same as the SP705/706 devices except for the active-HIGH RESET substitution of the watchdog timer. The SP813L is the same as the SP705 except an active-HIGH RESET is provided rather than an active-LOW RESET. The SP705/707/813L devices generate a reset when the supply voltage drops below 4.65V. The SP706/708/813M devices generate a reset below 4.40V.The SP705-708/813L/813M series is ideally suited for applications in automotive systems, intelligent instruments, and battery-powered computers and controllers. The SP705-708/813L/ 813M series is ideally applied in environments where monitoring of power supply to a µP and its related components is critical.THEORY OF OPERATIONThe SP705-708/813L/813M series is a microprocessor (µP) supervisory circuit that monitors the power supplied to digital circuits such as microprocessors, microcontrollers, or memory. The series is an ideal solution for portable, battery-powered equipment that requires power supply monitoring. Implementing this series will reduce the number of components and overall complexity. The watchdog functions of this product family will continuously oversee the operational status of a system. The operational features and benefits of the SP705-708/813L/ 813M series are described in more detail below.RESET OutputA microprocessor's reset input starts the µPin a known state. The SP705-708/813L/813M series asserts reset during power-up and prevents code execution errors during power-down or brownout conditions.On power-up, once VCCreaches 1V, RESET isa guaranteed logic LOW of 0.4V or less. As VCC rises, RESET stays LOW. When VCCrises above the reset threshold, an internal timer re-leases RESET after 200ms. RESET pulsesLOW whenever VCCdips below the reset thresh-old, such as in a brownout condition. When a brownout condition occurs in the middle of a previously initiated reset pulse, the pulse con-tinues for at least another 140ms. On power-down, once VCCfalls below the reset threshold, RESET stays LOW and is guaranteed to be 0.4Vor less until VCCdrops below 1V.The SP707/708/813L/813M active-HIGH RESET output is simply the complement of the RESET output and is guaranteed to be valid withVCCdown to 1.1V. Some µPs, such as Intel's 80C51, require an active-HIGH reset pulse. Watchdog TimerThe SP705/706/813L/813M watchdog circuit monitors the µP's activity. If the µP does not toggle the watchdog input (WDI) within 1.6 seconds and WDI is not tri-stated, WDO goes LOW. As long as RESET is asserted or the WDI input is tri-stated, the watchdog timer will stay cleared and will not count. As soon as RESET is released and WDI is driven HIGH or LOW, the timer will start counting. Pulses as short as 50ns can be detected.Power-Fail ComparatorThe power-fail comparator can be used for various purposes because its output and noninverting input are not internally connected. The inverting input is internally connected to a 1.25V reference.To build an early-warning circuit for power failure, connect the PFI pin to a voltage divider as shown in Figure 16. Choose the voltage divider ratio so that the voltage at PFI falls below 1.25V just before the +5V regulator drops out. Use PFO to interrupt the µP so it can prepare for an orderly power-down.Manual ResetThe manual-reset input (MR) allows RESET to be triggered by a pushbutton switch. The switch is effectively debounced by the 140ms mini-mum RESET pulse width. MR is TTL/CMOS logic compatible, so it can be driven by an external logic line. MR can be used to force a watchdog timeout to generate a RESET pulse in the SP705/706/813L/813M. Simply connect WDO to MR.Ensuring a Valid RESET Output Down to VCC= 0VWhen VCCfalls below 1V, the SP705/706/707/ 708 RESET output no longer sinks current, it becomes an open circuit. High-impedance CMOS logic inputs can drift to undetermined voltages if left undriven. If a pull-down resistor is added to the RESET pin, any stray charge or leakage currents will be shunted to ground, holding RESET LOW. The resistor value is not critical. It should be about 100KΩ, large enough not to load RESET and small enough to pull RESET to ground.Monitoring Voltages Other Than the Unregulated DC InputMonitor voltages other than the unregulated DC by connecting a voltage divider to PFI and adjusting the ratio appropriately. If required, add hysteresis by connecting a resistor (with a value approximately 10 times the sum of the two resistors in the potential divider network) between PFI and PFO. A capacitor between PFI and GND will reduce the power-fail circuit'sSuppliessensitivity to high-frequency noise on the line being monitored. RESET can be used to monitor voltages other than the +5V V CC line. Connect PFO to MR to initiate a RESET pulse when PFI drops below 1.25V. Figure 17shows the SP705/706/707/708 configured to assert RESET when the +5V supply falls below the RESET threshold, or when the +12V supply falls below approximately 11V.Monitoring a Negative Voltage Supply The power-fail comparator can also monitor a negative supply rail, shown in Figure 18. When the negative rail is good (a negative voltage of large magnitude), PFO is LOW. By adding the resistors and transistor as shown, a HIGH PFO triggers RESET. As long as PFO remains HIGH,the SP705-708/813L/813M will keep RESET HIGH). Note that this circuit's accuracy de-pends on the PFI threshold tolerance, the V CC line, and the resistors.Bidirectional RESET I/O for the SP705/706/707/708Interfacing to mPs with Bidirectional RESET PinsµPs with bidirectional RESET pins, such as the Motorola 68HC11 series, can contend with the SP705/706/707/708 RESET output. If, for example, the RESET output is driven HIGH and the µP wants to pull it LOW, indeterminate logic levels may result. To correct this, connect a 4.7K Ω resistor between the RESET output and the µP reset I/O, as shown if Figure 19. Buffer the RESET output to other system components.ApplicationsThe SP705-708/813L/813M series offers unmatched performance and the lowest power consumption for these industry standard devices.Refer to Figures 20 and 21 for supply current performance characteristics rated against temperature and supply voltages.Table 2 shows how the SP705-708/813L/813M series can be used instead of the Dallas Semiconductor DS1232LP/LPS. Table 2illustrates to a designer the advantages and trade-offs of the SP705-708/813L/813M series compared to the Dallas Semiconductor device.While the names of the pin descriptions may differ, the functions are the same or very similar.Unlike the DS1232, the SP705-708/813L/813M series has a separate watchdog output pin WDO which can be simply connected to the MR input to generate a Reset signal. The DS1232 has pin selectable features, while the SP705-708/813L/813M series has more fixed functions of reset threshold and watchdog time-out delay. For most applications, the fixed functions will be preferred, with the benefit of reduced cost due to a less complex part. In addition, the SP705-708/813L/813M series has a power fail input and output function not available with the DS1232that is useful for monitoring systems with unregulated supply voltages. The SP705-708/813L/813M series is available in one of the industry's smallest space-saving package sizes,the µSOIC.no i t cnuFSPL/PL2321SDsa l l aD r ebmuNt r aPev i t an r e t l Axep i Sn i Pr ebmuNr oP I DC I OSn i Pno i t p i r cseDt r aPxep i Sr ebmuNr ebmuNn i Pno i t p i r cseDn i Pr oP I DC I OSC I OSµt e s eRl aunaM1TSRBP/87-57PSM318/L31813RMt eSy a l eDem i TI DW2DT/87-57PSM318/L318A/N A/N ng i s edy bc e s6.1VCCV6.4p i r T3DNG=LOT/77/57PSL318A/N A/N ng i s edy bV6.4VCCV4.4p i r T3V=LOTCC/87/67PSM318A/N A/N ng i s edy bV4.4dnuo rG4DNG/87-57PSM318/L31835DNGHG I He v i t cAt e s eR5TSR87/77PS82TESER HG I He v i t cAt e s eR5TSR M318/L318PS71TESER WOLe v i t cAt e s eR6TSR87-57PS71TESERt upn Igodh c t aW7)Lo tH(TS/67/57PSM318/L31868).s na r ty na(I DWt upn Iega t l oV8VCC/87-57PSM318/L31824VCCt upn I l i aFr ewoP A/N A/N/87-57PSM318/L31846I FPt up t uOl i aFr ewoP A/N A/N/87-57PSM318/L31857OFPt up t uOgodh c t aW A/N A/N/67/57PSM318/L31882ODWTable 2. Device Overview on Dallas SemiconductorORDERING INFORMATION Model.......................................................................................Temperature Range................................................................................Package SP705CP.......................................................................................0°C to +70°C.........................................................................8–pin Plastic DIP SP705CN.......................................................................................0°C to +70°C.....................................................................8–pin Narrow SOIC SP705CU.......................................................................................0°C to +70°C.................................................................................8-pin µSOIC SP705EP......................................................................................-40°C to +85°C.......................................................................8–pin Plastic DIP SP705EN.....................................................................................-40°C to +85°C...................................................................8–pin Narrow SOIC SP705EU.....................................................................................-40°C to +85°C...............................................................................8-pin µSOIC SP706CP.......................................................................................0°C to +70°C.........................................................................8–pin Plastic DIP SP706CN.......................................................................................0°C to +70°C.....................................................................8–pin Narrow SOIC SP706CU.......................................................................................0°C to +70°C.................................................................................8-pin µSOIC SP706EP......................................................................................-40°C to +85°C.......................................................................8–pin Plastic DIP SP706EN.....................................................................................-40°C to +85°C...................................................................8–pin Narrow SOIC SP706EU.....................................................................................-40°C to +85°C...............................................................................8-pin µSOIC SP707CP.......................................................................................0°C to +70°C.........................................................................8–pin Plastic DIP SP707CN.......................................................................................0°C to +70°C.....................................................................8–pin Narrow SOIC SP707CU.......................................................................................0°C to +70°C.................................................................................8-pin µSOIC SP707EP......................................................................................-40°C to +85°C.......................................................................8–pin Plastic DIP SP707EN.....................................................................................-40°C to +85°C...................................................................8–pin Narrow SOIC SP707EU.....................................................................................-40°C to +85°C...............................................................................8-pin µSOIC SP708CP.......................................................................................0°C to +70°C.........................................................................8–pin Plastic DIP SP708CN.......................................................................................0°C to +70°C.....................................................................8–pin Narrow SOIC SP708CU.......................................................................................0°C to +70°C.................................................................................8-pin µSOIC SP708EP......................................................................................-40°C to +85°C.......................................................................8–pin Plastic DIP SP708EN.....................................................................................-40°C to +85°C...................................................................8–pin Narrow SOIC SP708EU.....................................................................................-40°C to +85°C...............................................................................8-pin µSOIC SP813LCP.....................................................................................0°C to +70°C.........................................................................8–pin Plastic DIP SP813LCN.....................................................................................0°C to +70°C.....................................................................8–pin Narrow SOIC SP813LCU.....................................................................................0°C to +70°C.................................................................................8-pin µSOIC SP813LEP....................................................................................-40°C to +85°C.......................................................................8–pin Plastic DIP SP813LEN...................................................................................-40°C to +85°C...................................................................8–pin Narrow SOIC SP813LEU...................................................................................-40°C to +85°C...............................................................................8-pin µSOIC SP813MCP....................................................................................0°C to +70°C.........................................................................8–pin Plastic DIP SP813MCN....................................................................................0°C to +70°C.....................................................................8–pin Narrow SOIC SP813MCU....................................................................................0°C to +70°C.................................................................................8-pin µSOIC SP813MEP...................................................................................-40°C to +85°C.......................................................................8–pin Plastic DIP SP813MEN..................................................................................-40°C to +85°C...................................................................8–pin Narrow SOIC SP813MEU..................................................................................-40°C to +85°C..............................................................................8-pin ¨µSOIC。