基于PLC和触摸屏技术的纸机多段速度控制系统设计
- 格式:docx
- 大小:42.18 KB
- 文档页数:8
基于PLC的造纸机控制系统设计分析【摘要】PLC即Programmable Logic Controller的缩写,指的是可编程逻辑的控制器。
PLC在应用的时候具有编程简单、使用方便、性价比高、功能强以及可靠性和抗干扰的能力强等特点。
因此,目前PLC已经成功应用于各种控制器中。
本文首先对PLC进行了分析,然后基于PLC的基础上,对造纸机的控制系统进行了设计。
【关键词】PLC;造纸机;控制系统;设计当前,伴随着PLC与变频器价格的下降,在造纸机的控制系统中,通过应用PLC和变频器对造纸机的控制系统进行设计,能够有效的提高造纸机工作的稳定性,提高造纸机产量,同时还可以达到降低成本的目的。
变频器相信人们已经非常熟悉,但是什么是PLC呢,下面就让笔者首先分析一下PLC。
1 PLC简介PLC指的是可编程逻辑的控制器,它一般采用的是能够编程的存储器,多用于进行储存内部的程序,能够执行顺序控制、计数、逻辑运算以及算术操作等,面向用户的指令。
这种控制器能够通过模拟或数字式的输出、输入,进而达到控制各种生产过程或各种机械的目的。
一般来说,PLC主要包括电源、中央处理单元、存储器以及输入和输出的接口电路等。
随着PLC性能的不断完善,在应用的过程中,PLC具有以下几个鲜明的特点。
首先,PLC具有编程简单,使用方便的特点。
PLC采用的是比较简明的逻辑图、语句表以及梯形图等来编程语言,而不是使用复杂的计算机知识,所以,在编程的时候非常的简单。
而且PLC实现了在线修改程序,大大的方便了控制系统。
其次,PLC具有性价比高、功能强的特点。
PLC内有无数个方便用户用的编程元件,能够进行非常复杂的控制工作,与其他的控制器相比较,性价比更高,功能更加的强大,可以通过互联网实现分散控制和集中管理。
再次,PLC的抗干扰能力非常的强,具有较高的可靠性。
PLC进行了一系列的软件和硬件抗干扰的措施,因此,在抗干扰的能力方面非常的强。
一般来说,PLC的平均年无故障时间高达数万小时,具有较高的可靠性。
基于PLC和触摸屏的交流变频调速系统设计引言 可编程逻辑控制器(PLC)以其编程简单方便、控制稳定可靠、功能强大等优点通常作为控制器广泛应用于现代工业控制领域。
触摸屏作为人机交互界面在一定程度上减少PLC的外部I/O点的使用以及减轻系统外部按钮开关的连线复杂程度,同时也提高了运行维护的方便性。
随着工业现场对控制设备小型化、易操作化、智能化的要求的不断提高,基于PLC和触摸屏的交流变频调速系统的应用前景将非常广阔。
本文采用三菱PLC(Fx2N-64MR)、海泰克触摸屏(PWS6AOOT)、伦茨变频器和外部按钮实现两台三相异步电机的交流变频调速实验系统设计。
实际运行结果表明,该系统运行稳定可靠,控制性能良好。
1 控制系统要求 本套系统要求能够实现两台三相异步电动机的如下状态的控制:正转;反转;停止;点动;加速;减速。
要求可以由触摸屏或外部按钮实现上述功能,两种开关量输入方式互为冗余备用,以提高控制系统的可靠性。
另外,对于各种开关量状态及硬件不正常状态需要指示灯显示。
2 控制系统硬件设计 交流变频调速系统的硬件结构如图1所示。
控制系统硬件结构主要包括:可编程控制模块、控制指令输入模块、D/A转换模块、变频器调节模块。
2.1 模块功能 2.1.1 可编程控制模块 该模块是整个控制系统控制的核心处理器,是触摸屏指令和按钮开关指令的执行中枢和变频器指令触发元件。
2.1.2 控制指令输入模块 该模块就是给PLC加载控制指令以实现相应的输出操作。
这里指令输入可由触摸屏按键实现,也可以由外部开关按钮实现,两种指令输入方式互为备用。
为避免由按钮开关指令实现众多指令会导致接线复杂情况出现,可以对重要的开关量实现冗余备用,非重要开关量仅由触摸屏按键实现。
2.1.3 D/A模块 D/A是将PLC输出的数字量转换成模拟电压量以实现变频调速的目的。
此系统采用的FX2N-2DA模块,该模块有两路模拟量输出以实现对两台变频器的控制。
基于PLC的纸机传动控制系统可编程逻辑控制器(PLC)在工业自动化领域发挥着至关重要的作用,尤其在纸机传动控制系统中具有独特的优势。
本文将深入探讨PLC在纸机传动控制系统中的应用价值,并展望其未来发展趋势。
可编程逻辑控制器(PLC)是一种专门为工业环境设计的数字计算机,它通过执行存储程序来实现对工业设备的控制。
自20世纪60年代以来,PLC技术得到了迅速发展,并广泛应用于各种工业自动化场合。
PLC的主要特点包括高可靠性、灵活性和易于编程等。
纸机传动控制系统是一种典型的运动控制系统,它通过对纸张传输速度和张力进行精确控制,以确保纸张加工过程的稳定性和产品质量。
PLC在纸机传动控制系统中发挥着核心作用,通过接收输入信号、执行程序和发送输出信号来控制各个传动部件的动作。
PLC控制系统设计主要包括输入输出接口、程序设计和调试等方面。
在输入接口方面,PLC需要接收来自传感器、按钮等设备的信号,并将其转化为内部可处理的逻辑信号。
在程序设计方面,需要根据纸机传动控制系统的具体需求,编写相应的控制程序。
在调试方面,需要对PLC控制系统进行现场调试,以确保其可靠性和稳定性。
PLC技术不仅在纸机传动控制系统中得到广泛应用,还在其他领域展现出强大的实力。
例如,在化工、电力、交通等领域,PLC被用于实现生产过程的自动化、对设备进行实时监控以及实现智能交通管理。
这些应用案例充分展示了PLC技术的广泛应用性。
PLC在纸机传动控制系统中具有重要应用价值,能够提高生产效率、降低能耗、提高产品质量,并为纸机生产厂商带来显著的经济效益。
随着科技的不断发展,PLC技术将进一步完善和提升,为纸机传动控制系统以及其他领域的工业自动化发展提供更强大支持。
未来发展趋势,PLC在纸机传动控制系统将会朝着更高效、更精确、更可靠的方向发展。
具体表现为以下几个方面:高效性:通过优化硬件和软件设计,提高PLC的处理速度和响应时间,从而实现对纸机传动系统的更快、更精确的控制。
基于PLC的自动切纸机控制系统的设计毕业论文(设计)课题名称:基于PLC的自动切纸机控制系统设计学生姓名:专业: 机电一体化指导老师:摘要随着我国科技水平的蓬勃发展,各类产业产品的发展已趋向精致化、多元化。
在大环境的趋势下,多元化、弹性化且具有多种切换功能的自动化机种方能适应市场的需求。
而自动化技术已经成为科技事业中的重要组成部分。
自动化技术与我们的生产生活息息相关,它直接影响到人们的生产生活水平。
为了提高生产水平和产品的质量,首先是要提高科技,也就是提高生产的自动化技术,但是传统的手工生产方法已经无法满足现实生活的需求,这迫切的要求我们提高科技,发展自动化生产技术。
本课题研究基于PLC的自动切纸机控制系统,它是以微处理器为基础,综合了计算机技术、自动控制技术和通讯技术发展而来的一种新型工业控制装置。
本文对现在可编程控制技术的应用现状、发展趋势作了详细的介绍,并简要介绍了课题研究的背景和意义,而且具体的作出了该课题的设计方案。
此次课题的研究,具有重要的意义,它是我们由理论到具体实践的过度,是对独立完成实践设计能力的考验。
关键词:可编程控制器;切纸机;步进电机;步进驱动器;组态控制ABSTRACTWith the vigorous development of China's scientific andtechnological level, the development of all kinds of industrial products has tended refined and diversified. The trend of the environment, diversified, flexible and automated switching function with a variety of models in order to adapt to market demand. Automation technology has become an important part of the scientific and technological undertakings. Automation technology with our production and life are closely related, it directly affects the people's production and living standards. In order to improve the level of production and product quality, to improve the technology, automation technology is to improve production, but the traditional manual production methods have been unable to meet the needs of real life, and the urgent requires us to improve the scientific and technological development of automated production technology.This study is based on the the PLC automatic paper cutter control system, which is a microprocessor-based, integrated computer technology, automatic control technology and communication technology evolved a new type of industrial control devices. Programmable control technology application status, trends were described in detail, and briefly describes the background and significance of the research, and made the subject of specific design. The research projects of great significance, it is from the theoretical to the concrete practice of excessivepractice design capabilities independently test.Keywords: Programmable controller; Cutter; Stepper motor; Stepper drives; Configuration control.目录第一章绪论 ..................................................................... .. (1)1.1 课题研究的基本概况 ..................................................................... .. (1)1.2 本课题研究的意义 ..................................................................... (2).................................................................... ..........................4 第二章切纸机控制系统的设计方案2.1 切纸机控制系统的控制要求 ..................................................................... .. (4)2.2 切纸机的硬件选型 ..................................................................... (4)2.2.1 PLC的类型选择 ..................................................................... .. (4)2.2.2 步进电机的工作原理及分类 ..................................................................... .. (5)2.2.3 步进驱动器的选择 ..................................................................... (7)2.3 切纸机控制系统的构造关系 ..................................................................... .................................10 第三章切纸机控制系统的组态设计 ..................................................................... .. (12)3.1 切纸机控制系统的组态设计 ..................................................................... (12)3.3.1 MCGS简介 ..................................................................... .. (12)3.2 切纸机控制系统组态监控画面 ..................................................................... (13)3.3 控制系统的联机通讯 ..................................................................... ............................................14 第四章切纸机控制系统的软件设计 ..................................................................... .. (16)4.1 I/O表的设定...................................................................... (16)4.2 硬件接线图...................................................................... (16)4.3 程序说明...................................................................... . (18)第五章切纸机控制系统的调试 ..................................................................... . (20)5.1 切纸机控制系统实物接线图 ..................................................................... (20)5.2 主站和从站的调试 ..................................................................... . (21)5.3 程序调试结果...................................................................... .. (21)总结 ..................................................................... ........................................................................ (25)致谢 ..................................................................... ........................................................................ (26)参考文献 ..................................................................... ........................................................................ .27第一章绪论1.1 课题研究的基本概况伴随着社会的快速发展,产品的生产效率也越来越受到人们的关注,大到大型机械设备、航空用品,小到零器件甚至更微小的原件的加工制造,都离不开自动化设备的应用。
目录中文摘要 (1)英文摘要 (2)1 绪论 (3)1.1 造纸机控制系统设计目的与意义 (3)1.2 造纸机控制系统的研究现状 (3)1.3 本文的主要内容 (4)2 造纸机控制系统 (5)2.1 造纸机控制系统要求 (5)2.2 造纸机控制系统的方案 (6)3 控制系统的硬件电路设计 (7)3.1 硬件系统组成 (7)3.1.1 硬件电路主要器件 (7)3.1.2 硬件电路的工作原理 (8)3.2系统硬件原理图 (12)3.2.1系统电机部分原理图 (12)3.2.2 PLC与变频器连接的硬件电路 (14)3.2.3 PLC的模块电路 (17)4 系统软件设计 (21)4.1 系统软件设计的介绍 (21)4.1.1 Step7软件内容 (21)4.1.2 添加通讯适配器 (21)4.2 系统硬件组态与软件编程 (22)4.2.1 系统硬件组态 (22)4.2.2 软件流程图 (22)4.2.3 PLC的软件编程 (23)结论 (26)谢辞 (27)参考文献 (28)附录1:系统控制原理图 (29)附录2:PLC原理图 (30)基于PLC的造纸机控制系统的设计摘要:造纸业是与社会文明和经济发展息息相关的基础原材料产业,目前国内造纸业自动化水平与国外存在着一定差距,因此造纸系统的设计对造纸业来说至关重要。
本文设计了一套基于PLC的造纸机控制系统,系统以S7-300 PLC作为控制核心,以ABB变频器作为驱动单元,三相交流电机作为执行单元,由PLC通过Profibus-DP网络与变频器之间的通信完成各传动点的启动、停止、加速、减速、紧纸等操作。
论文介绍了国内外造纸行业的发展历程,根据造纸机的控制要求确定了系统的控制方案;设计了控制系统的硬件电路图,介绍了其工作原理,并进行了元器件的选型;基于编程软件Step7完成了系统的硬件组态以及控制程序的编写。
本文设计的基于PLC的造纸机控制系统,结构简单,成本低,控制方便。
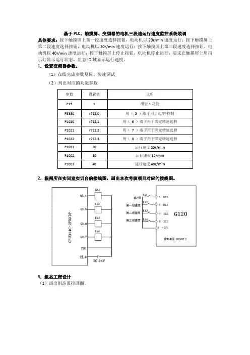
基于PLC、触摸屏、变频器的电机三段速运行速度监控系统装调
具体要求:按下触摸屏上第一段速度选择按钮,电动机以20r/min速度运行;按下触摸屏上第二段速度选择按钮,电动机以30r/min速度运行;按下触摸屏上第三段速度选择按钮,电动机以40r/min速度运行;按下触摸屏上停止按钮,电动机停止运行;要求在触摸屏上用指示灯显示运行状态,组态IO域显示运行速度。
1.设置变频器参数。
(1)在线完成参数复位、快速调试
(2)列出对应的功能参数
2.根据所在实训室实训台的接线图,画出本次考核项目对应的接线图。
3.组态工程设计
(1)画出组态监控画面。
(2)列出对应的变量。
(3)列出文本列表
4.程序设计。
摘要在造纸机中,同步控制和纸张力控制是造纸机控制中极为重要的一环。
本文就是以西门子S7-200 PLC 和西门子MM40变频器组合的控制方案在造纸过程中实现多电机同步传动,提出适于PLC 控制的、能在纸传动过程中实现高精度稳速控制及恒张力控制的控制方案。
该方案建立了过程运行参数与控制目标的准确定量关系,既没有理论误差,又避免了多电机的性能差异及负载波动等对控制的影响,为实现造纸机多电机高精度同步传动提供了技术手段。
关键词:PLC ; 继电器; 纸板切割机AbstractAccording to the working process of the cutter program, to overcome the relays, high reliability, low failure rate control, a set of faults in PLC is the core of cutter cutting automatic control system. It USES PLC perfect internal functions, effective and reliable realizes automatic paper feeding, automatic cutting full automatic control, etc.This paper firstly modern programmable control technology application situation and the development trends are introduced, and briefly introduces the background and cutter. Simply summarized cutter electrical system, and the overall design of industrial computer, compares the programmable controller to control scheme. In the F2-20MR mitsubishi type PLC made certain. After discoursed program-controlled cutter system hardware and software development process and the main design method.The key originally designed is that should be on the basis of control circuit of original relay, through rational conversion , thus design PLC control procedure with same functionKey Words:PLC ; Relay ; Cardboard cutting machine目录摘要 (1)Abstract (2)引言 (1)1绪论 (2)1 .1纸板切割机的基本概况 (2)1.2纸板切割机的基本设计要求 (2)2纸板切割机的总体设计方案 (2)2.1课题分析 (2)2.2设计思路 (4)3硬件设计与分析 (6)3.1原继电器控制电路与分析 (6)3.2 PLC控制电路分析 (7)3.3可编程控制器简介 (8)3.3.1 PLC的产生与发展 (8)3.3.2 PLC的基本结构与特点 (10)4纸板切割机的PLC控制系统设计 (20)4.1 PLC的环境技术条件设计 (20)4.2纸板切割机的加工工艺过程 (23)4.3纸板切割机的控制要求 (23)4.4 PLC型号的选择 (23)5设备布置图及程序说明 (24)5.1设备布置图 (24)5.2程序设计要求及程序说明 (24)5.2.1编程方法及编程规则 (24)5.2.2程序说明 (28)结论 (28)参考文献 (29)致谢 (30)引言造纸设备虽然种类繁多,具体传动结构也各异,但从系统组成来看都是由榨取、烘干、压光、卷取等几大部分组成,各部分都有电机驱动。
造纸机变频调速PL C 控制系统李凤祥 摘要:介绍适用于造纸机的变频调速PL C 控制系统。
本系统利用能量回馈技术消除了大惯性机械因负载突变而产生的高泵升电压,并利用PL C 实现了精确的速度链控制和其它逻辑控制。
运行结果表明:本系统自动化程度高,并具节能效果。
关键词:PL C ;变频调速;速度链;能量回馈;造纸机Abstract :A n A C variab le frequency drive sys 2tem of pap er m ach ine w ith PL C con tro ller is in tro 2duced .T he system u ses energy feedback techn ique to restrain h igh p um p ing vo ltage p roduced w hen the load of the m ach ine w ith large inertia varies sudden ly .A nd w ith PL C ,It is ab le to perfo r m s p re 2cise speed chain con tro l and o ther logical con tro l .It is show n by the op erati on resu lt that the system is of h igh au tom ati on level and energy saving ef 2fect .Key words :PL C ;A C variab le frequency drive ;speed chain ;energy feedback ;pap er m ach ine收稿日期:2000-05-17中图分类号:T P 276文献标识码:B文章编号:1001-2257(2001)02-0067-00030 引言变频调速技术在我国许多行业中的应用日趋广泛,在造纸机上的应用更为突出。
毕业设计(论文)题目:基于PLC与触摸屏的电机变频调速系统系部:电子工程系专业:电气自动化学号: 10137207学生姓名:文峰指导教师:王立凤职称:讲师二0一二年月日目录摘要 (1)前言 (2)第一章变频器调速系统的方案确定 (4)1.1变频器调速系统 (4)1.2系统的控制要求 (6)1.3 方案的确定 (7)第二章变频调速系统的硬件设计 (8)2.1 PLC (8)2.2 变频器 (12)2.3 外部电路设计 (13)第三章变频调速系统的软件设计 (14)3.1 编程软件的介绍 (14)3.2 PLC的工作原理 (17)3.3 PLC编程语言 (18)3.4 基本指令简介 (20)3.5 可编程控制器梯形图设计规则 .......................................... 错误!未定义书签。
3.6 变频调速系统程序设计 (22)第四章触摸屏的设计 (28)4.1 触摸屏的介绍 (28)4.2 触摸屏基础知识 (29)4.3 触摸屏的使用 (29)4.4 软件简单介绍 (30)4.5 实施内容与步骤 (32)第五章结论 (36)参考文献 (37)致谢 (38)摘要介绍了基于西门子PLC 和台达触摸屏的交流电机变频调速实验系统的硬件结构及软件设计。
开关量输入的触摸屏和外部按钮的双重方式提高了调速系统运行的可靠性,模块化程序设计思想增强了程序的扩展性和实用性。
该系统的实验运行结果表明,人机交互界面友好,运行安全稳定,有利于加强学生对简单工业控制系统的设计思想的掌握,达到了较好的实验教学效果。
关键词:可编程控制器;触摸屏;变频器;调速系统AbstractThe design of hardware and sof tware of a f requency conversion speed system based on Siemens PLC andHitech touch screen are int roduced. Since the switch signals are input dually by touch screen and external buttons ,respectively ,the speed regulating system is of higher reliability. Moreover ,the modularization programming methods enhance the extensibility and applicability. Practical test proves that this system is of performable human interface and higher stability and security ,it is helpful to enlighten the design idea of modern cont rolling systems for student s ,and thus acquires better teaching effect .Keywords :programmable logic cont roller ;touch screen ;f requency converter ; speed regulation system前言最先制作成电动机的人是德国的雅可比,在两个U型电磁铁中间,装异六臂轮,每臂带两根棒型磁铁。
毕业论文(设计)课题名称:基于PLC的自动切纸机控制系统设计学生姓名:专业:机电一体化指导老师:摘要随着我国科技水平的蓬勃发展,各类产业产品的发展已趋向精致化、多元化。
在大环境的趋势下,多元化、弹性化且具有多种切换功能的自动化机种方能适应市场的需求。
而自动化技术已经成为科技事业中的重要组成部分。
自动化技术与我们的生产生活息息相关,它直接影响到人们的生产生活水平。
为了提高生产水平和产品的质量,首先是要提高科技,也就是提高生产的自动化技术,但是传统的手工生产方法已经无法满足现实生活的需求,这迫切的要求我们提高科技,发展自动化生产技术。
本课题研究基于PLC的自动切纸机控制系统,它是以微处理器为基础,综合了计算机技术、自动控制技术和通讯技术发展而来的一种新型工业控制装置。
本文对现在可编程控制技术的应用现状、发展趋势作了详细的介绍,并简要介绍了课题研究的背景和意义,而且具体的作出了该课题的设计方案。
此次课题的研究,具有重要的意义,它是我们由理论到具体实践的过度,是对独立完成实践设计能力的考验。
关键词:可编程控制器;切纸机;步进电机;步进驱动器;组态控制ABSTRACTWith the vigorous development of China's scientific and technological level,the development of all kinds of industrial products has tended refined and diversified.The trend of the environment,diversified,flexible and automated switching function with a variety of models in order to adapt to market demand.Automation technology has become an important part of the scientific and technological undertakings.Automation technology with our production and life are closely related,it directly affects the people's production and living standards.In order to improve the level of production and product quality,to improve the technology,automation technology is to improve production,but the traditional manual production methods have been unable to meet the needs of real life,and the urgent requires us to improve the scientific and technological development of automated production technology.This study is based on the the PLC automatic paper cutter control system,which is a microprocessor-based,integrated computer technology,automatic control technology and communication technology evolved a new type of industrial control devices.Programmable control technology application status,trends were described in detail,and briefly describes the background and significance of the research,and madethe subject of specific design.The research projects of great significance,it is from the theoretical to the concrete practice of excessive practice design capabilities independently test.Keywords:Programmable controller;Cutter;Stepper motor;Stepper drives;Configuration control.目录第一章绪论 (1)1.1课题研究的基本概况 (1)1.2本课题研究的意义 (2)第二章切纸机控制系统的设计方案 (4)2.1切纸机控制系统的控制要求 (4)2.2切纸机的硬件选型 (4)2.2.1PLC的类型选择 (4)2.2.2步进电机的工作原理及分类 (5)2.2.3步进驱动器的选择 (7)2.3切纸机控制系统的构造关系 (10)第三章切纸机控制系统的组态设计 (12)3.1切纸机控制系统的组态设计 (12)3.3.1MCGS简介 (12)3.2切纸机控制系统组态监控画面 (13)3.3控制系统的联机通讯 (14)第四章切纸机控制系统的软件设计 (16)4.1I/O表的设定 (16)4.2硬件接线图 (16)4.3程序说明 (18)第五章切纸机控制系统的调试 (20)5.1切纸机控制系统实物接线图 (20)5.2主站和从站的调试 (21)5.3程序调试结果 (21)总结 (25)致谢 (26)参考文献 (27)第一章绪论1.1课题研究的基本概况伴随着社会的快速发展,产品的生产效率也越来越受到人们的关注,大到大型机械设备、航空用品,小到零器件甚至更微小的原件的加工制造,都离不开自动化设备的应用。
纸板造纸机PLC控制系统设计1 引言目前,我国造纸行业的控制系统主要采用集散控制系统(dcs),控制器和现场设备之间靠大量的i/o电缆连接,不仅增加成本,而且降低了系统的可靠性。
控制系统传送4~20ma信号,并以此监控现场设备,这样,由于控制器获得的信息量有限,现场级设备的在线故障诊断、报警、记录功能比较弱;另一方面也很难完成现场设备的动态监控、远程参数设定、修改等功能,造成造纸控制系统的信息集成能力不强和可维护性较差,影响工厂的生产效率,并给生产管理带来诸多不便。
随着计算机网络技术的发展,串行现场总线通信技术已深入到自动控制的各个领域。
应用这项技术可以将可编程序控制器、交直流驱动器、监控计算机、远程i/o及智能传感器等连接起来,实现分布式计算机控制,可提高检测和控制的精度,改善系统的动态响应速度,提高系统的安全性,因而建立基于现场总线的纸机控制系统成为解决这一问题的有效途径。
profibus过程现场总线是一种全数字化的、串行、双向传输、多分支结构的通信网络,用于工厂/车间仪表和控制设备的局域网。
profibus-dp是profibus过程现场总线协议的工厂自动化控制子集。
因此其在纸机控制系统中的应用,将大大减少布线工作量与电缆投资,避免信号干扰,使系统更可靠,操作更简便,监控更直观。
正是基于上述原因,山东中茂圣源纸浆有限公司纸板纸机项目工程中采用了profibus-dp现产总线技术,实现了该机组的通信及分布式控制,取得了良好的效果。
2 纸板造纸工艺分析图1所示的纸板造纸机示意图中,可以看到该纸机是一种由多台设备组成的联动机。
湿部包括浆料流送设备、网部和压榨部;干部包括干燥部、切纸机和理纸机。
具有适合抄纸性能的浆料进入造纸机的浆料流送设备,经浆流分布器和流浆箱的分布和匀整以后,均匀而稳定的流送到运动着的成形网的网面上。
浆流在网部逐渐地过滤、脱水,形成连续的湿的纸幅。
当湿纸幅脱水到一定干度,便可以从网面剥离,送至压榨部继续脱水。
摘要:在现代自动化领域可编程控制器(PLC)、触摸屏及变频器是非常重要的元器件,通过本次课程设计可熟悉三菱PLC、触摸屏的编程环境及变频器的调试。
这次课程设计主要内容是对三菱PLC和触摸屏进行编程,对变频器进行调试,来实现对三相异步电动机的三段速控制。
介绍了基于MT506S的触摸屏,FX1N-40MR的PLC,FR-S500的变频器控制电机多段调速系统的组成、控制方案及信号处理方法,设计了硬件电路、相关梯形图程序、触摸屏显示程序及变频器的参数设置。
调试应用表明,该系统简单、实用。
通过该课程综合设计的实践、锻炼,进一步掌握PLC和变频调速控制系统原理及应用,熟练使用触摸屏。
本次课程设计取得了让人满意的效果,学会了各种软件的使用,发挥了想象力、创造力,为今后的工作奠定了基础。
对其他相关课题也具有很好的借鉴作用和参考价值。
关键字:触摸屏,可编程控制器(PLC),变频器,电机目录引言一.主要硬件的介绍 (3)1.1触摸屏 (3)1.1.1 触摸屏的发展历程 (3)1.1.2 触摸屏的工作原理 (3)1.2可编程控制器(PLC) (4)1.2.1 PLC的发展历程 (4)1.2.2 PLC的构成 (4)1.3变频器 (4)1.3.1 变频技术的发展历程 (4)1.3.2 变频器的基本结构 (5)二、系统硬件的选型 (5)2.1触摸屏的型号选择 (5)2.2PLC的型号选择 (5)2.3变频器的型号选择 (6)三、系统设计 (6)3.1系统的原理图 (6)3.2系统的接线图 (6)3.3PLC梯形图 (8)3.4触摸屏操作介面程序 (9)3.4.1 首页导航 (9)3.4.2 院系介绍 (10)3.4.3 系统介绍 (11)3.4.4 基本操作 (13)3.5变频器参数的设置 (14)3.6系统各部件的通讯处理 (15)3.7结论 (15)四、致谢 (16)五、参考文献 (17)六、附录 (18)引言随着电气工业的不断发展,触摸屏,可编程控制器(PLC),变频器得以普及且应用到人们的生活、生产中,使电气控制更加方便,简洁,实用。
提供全套毕业论文图纸,欢迎咨询专业提供全套毕业论文2014届分类号:TP276单位代码:10452毕业论文(设计)基于PLC和触摸屏控制的电动机速度PID控制系统的设计姓名田川学号 201009140139年级 2010专业电气工程及其自动化系(院)汽车学院指导教师王君普2014 年3月22日步进电机是将脉冲信号转变为角位移或线位移的执行机构,在正常运行状态下,电机的转速、停止位置取决于脉冲信号的频率和脉冲数,不受负载变化的影响。
步进电机驱动器就是接受控制系统发出的脉冲信号(一般为PLC或单片机)并将其转化为步进电机的角位移,也就是控制系统每发一个脉冲信号,驱动器就控制步进电机旋转一步距角。
所以步进电机的转速与脉冲信号的频率成正比,控制脉冲信号的频率,就可以对电机进行精确调速;控制步进脉冲的个数,就可以对电机进行精确定位。
PLC从问世就在工业生产中占有重要地位,随着科技的不断发展,新产品的不断问世,PLC的地位虽然受到一定的冲击,但其仍然可以完成80% 以上的工业控制要求,并以其体积小、操作方便、价格便宜、抗干扰能力强等诸多优点仍在工业生产中占有重要地位。
触摸屏作为一种新兴的输入设备,它是目前最方便、简单、自然的人机交互方式,与PLC等控制器的结合是未来工业自动化的必然趋势。
旋转编码器是将角位移或直线位移进行转换的一种装置,并以电信号的形式输出,前者称为码盘,后者称为码尺。
拨码盘目前最为简便快捷的数字量输入设备,而且便宜能用,适用于各种场合。
本设计用触摸屏给PLC发出指令,步进电动机驱动器接受PLC发出的脉冲信号进而驱动步进电机带动珠丝杆滑台做匀速的往返加、减速运动,通过触摸屏和拨码盘可实现速度的实时设定。
旋转编码器与步进电机由联轴器同轴连接,将测量数值传输给PLC,PLC接收数据一方面进行计算后传输触摸屏进行速度的实时显示,另一方面PLC自带的PID模块进行数字量闭环控制,对电机转速进行精确地控制、调整。
基于PLC和触摸屏技术的纸机多段速度控制系统设计高俊【摘要】Most of the traditional paper machines are driven divisionally by multi-motor,with low intelleciual faculties,poor real-time control,low precision and efficiency.In order to overcome these shortcomings,the paper put forward a control system based on PLC and touch screen.The PLC is the core of the system,which stores,computes and transmits the real-time data collected from paper machine with the sensor to control the machine running.At the same time to communicate with the touch screen,the machine operating data is displayed in the form of a dynamic figure,and the preset parameters on the touch screen were accepted to control the executive component to realize"manmachine dialogue"function between the operators and the paper machine .The simulation commission proves,the system is simple and high intelligence,its application improves product quality and production efficiency,and to some extent,reduces energy loss.%设计了一种基于PLC和触摸屏技术的纸机多段速度控制系统.该系统以PLC为核心,对传感器采集的纸机实时数据进行存储、计算及传输,控制纸机的运行状态.同时与触摸屏进行通信,将纸机运行数据以动态图的形式显示,并接受触摸屏给定的工艺参数来控制执行元件,实现了操作人员与纸机的人机对话功能.通过模拟调试,该系统操作简单,智能化程度高,提高了产品质量及生产效率,并在一定程度上降低了能耗.【期刊名称】《中国造纸》【年(卷),期】2011(030)005【总页数】5页(P48-52)【关键词】纸机传动系统;多段速度控制;组态软件;PLC;触摸屏;变频器【作者】高俊【作者单位】浙江科技学院机械与汽车学院,浙江杭州,310023【正文语种】中文【中图分类】TP273传统的纸机大都采用多电机分部传动,在每一个传动分部安装交流电机,采用交流多点传动方式,工作强度大,智能化程度低,操作复杂,实时控制差,降低了纸张的产量和质量,影响了企业的经济效益和社会效益。
因此,研究并设计一种新的纸机控制模式具有一定的现实意义。
基于PLC和触摸屏技术的纸机传动多段速度控制系统能满足目前国内中小型造纸企业的纸机改造和升级的需求,在保证经济性的前提下,能很大地提升纸机系统的稳定性、灵活性、可靠性和节能性[1-2]。
根据纸机的运行需要,其传动控制部分必须满足以下要求。
(1)纸机速度链控制根据造纸工艺的要求,为了保证纸张在整个抄造过程中能顺利传送,各传动分部间要求达到线速度比例协调,即相邻两个分部间的线速度比值应保持恒定。
否则,将使得生产无法正常进行,产品质量下降。
同时,这种比例协调应具有微调功能 (速度微调范围通常在±5%),以调节相邻两分部间的速差,避免纸张在传递过程中的松弛或绷紧现象,并且速度微调应该灵敏、可靠,不应在调节过程中有明显的滞后现象[3]。
(2)速度控制在纸机的运行过程中,传统纸机可能会由于各种原因造成传动部分速度变化,从而导致纸机上的纸张出现薄厚不均、断纸等现象。
因此,控制系统能根据所生产的不同纸张改变纸机各分部电机的速度要求,通过对变频电机设置参数值进行优化处理,准确调整速度,提高静态和动态的控制精度,避免断纸,提高生产效率。
(3)负荷分配控制长网纸机网部有真空伏辊和驱网辊2个传动点,利用2台不同容量的电动机驱动同一张网,各传动点之间不是刚性的硬连接,而是通过网之间的一种软性接触,这就必然会出现各台电机之间的负荷分配问题,若处理不当就会造成一台电机过负荷,而另一台电机甚至处于发电状态,被拖动,电流反向。
负荷分配的原则理论上是要求各个传动点表面辊筒的线速度一致。
但由于各传动点的电动机功率不同,所驱动辊筒的直径不同,包角不同,因而具体的分配原则也不同。
典型的长网纸机在网部驱网辊 (主传动)与真空伏辊 (从传动)的负荷分配一般为6∶4。
(1)纸机速度控制及动态显示由于各分部传送着生产过程中的纸张,根据造纸工艺的要求,应该保持后一级张力略大于前一级,需要各分部间线速度比例协调控制,高精度、可靠地保持这个比例系数就能保证产品产量与质量。
各分部独立控制,且具有灵敏的微升、微降及绷紧等调节功能,便于调节前后两分部间的速差,避免纸张在传送过程中的过度松弛或绷紧断纸现象。
采用触摸屏结合PLC来完成速度链的控制,便于实现变频器给定的数字化控制,提高稳定性。
(2)主从负荷分配控制及显示在纸机传动控制中多个传动点带动一块网布或多个传动对象,相互施压合成一定力矩且同步运转,要使各关联传动电机根据各自的配置按比例合理承担功率输出,需采用负荷分配控制形式。
如果负荷分配调节不好,将会造成整个负荷环路各传动点负载失衡,线速不同步而无法正常运行。
(3)采用触摸屏控制,操作方便采用人机接口,可以直观地了解设备运行的参数及状况,操作简单,便于调试。
本课题所设计的纸机多段速度控制系统拟采用三级控制结构,如图1所示。
由上位机、触摸屏、PLC和变频电机组成一套自动控制系统[4-5]。
纸机传动控制系统第1级由上位机通过PLC改变变频器的设置,实现对变频交流电机的速度及纸带张力等参数的控制。
第2级为PLC控制器。
纸机传动控制系统的速度链控制、速度控制、负荷分配控制和软启动控制等,都必须由PLC通过指令完成动作。
操作台配置智能化操作面板与PLC实现高速数据通信。
在系统运行时,PLC控制器接受从上位机获得的操作指令,通过给定程序对操作进行逻辑计算之后,将结果传达给变频器。
第3级为触摸屏和上位机。
通过组态软件EB500软件构建触摸屏的操作界面和框架,并最终使得对纸机的各项操作能直接通过触摸屏的简单界面来设定和执行,并能直观地从触摸屏上显示纸机运行的状态和必要的数据。
同时,通过上位机可以对系统的运行情况进行实时监控,保证和维护程序的正常运行。
采用PLC作为控制系统的核心,对传感器采集的纸机实时数据进行存储、计算及传输,控制纸机的运行状态。
同时与触摸屏进行通信,将纸机运行数据以动态图的形式显示,并接受触摸屏给定的工艺参数来控制执行元件,实现了操作人员与纸机的人机对话功能。
PLC控制系统原理图如图2所示。
在纸机开始运行之前,PLC(FX2N-485BD)与触摸屏 (GOT)通过RS-232通信进行工艺参数 (主电机速度、速比、负荷分配等)设定,PLC对于给定的工艺参数进行存储。
运行过程中,PLC接受传感器的反馈信号,并将纸机的运行状态参数反馈到触摸屏实现在线监控。
传感器检测信号通过编码器存储到PLC中通过计算,由4D/A模块输出控制变频电机,驱动纸辊实现变速。
速度的调整通过触摸屏在线修改,提高了系统的工作效率,同时也保证了各纸辊间速度的比值恒定,以达到张力恒定的目的。
在纸机传动控制系统中,PLC作为系统最核心的部件,各个设备之间的数据传输通信运用RS-232通道、RS-422通道或RS-485通道进行,而且利用计算机进行管理、显示、编程及参数修改。
又由于RS-232、RS-422及RS-485各有特点,而设备又不可能配置所有的通信接口,计算机一般配置为RS-232接口,PLC配置的是RS-422接口,而变频器配置的是RS-485接口。
因此,在不同的接口之间必须通过转换器或者通信模块进行连接,只有配备必须的硬件之后,通信才能正常地工作。
由于目前计算机都是RS-232通信口,而三菱FX型PLC的通信口目前是RS-422,所以计算机与三菱FX型PLC之间的通信必须采用带有RS-232/422转换的SC-09专用通信电缆,如图3所示。
三菱FX2N系列PLC都可以通过CPU单元上的编程通信端口RS-422 COM与GOT触摸屏连接,也可以通过通信接口板232BD或者485BD来连接。
三菱PLC 的编程通信口是一个8针Din圆形母座。
接口传输关系如图4所示。
触摸屏下载程序时应设置以下通信参数:波特率为38400baud;有效字节为低字节;数据位为8;校验方式为偶校验;PLC站号地址为1。
通信接线如图5所示,RJ45水晶头插入变频器的PU接口 (也可通过变频器通信板FR-A5NR接线),另一端的对应信号线接在FX2N-485-BD上[9]。
控制系统通过GOT90触摸屏与PLC建立通信而实现了“人机对话”,以EB500组态软件设计监控系统界面如图6所示。
当系统开机时,进入系统控制的主界面。
界面分上、中、下3部分,上面部分为传动系统运行图;中间部分为电机驱动辊的实时运行状态,从左至右分别为胸辊、伏辊、第1正压辊和第2正压辊,图6所示状态为初始状态;下面部分为控制电机的启动和停止按钮。
启动方式设自动方式和手动方式,两种方式通过中间的切换开关来切换。
自动控制的顺序为按下启动按钮后,4个电机按第2正压辊、第1正压辊、伏辊、胸辊依次启动;按下停止按钮时,4个电机按胸辊、伏辊、第1正压辊、第2正压辊依次停止,这样做可以保证纸机启动和停止时的稳定性。
右边的手动控制主要为了便于停机检测。
在安全性能上,软件还设计了锁键盘及密码保护等相应的操作权限。
点击view按钮,弹出快速窗口栏,点击速度显示,即可进入纸机传动控制系统的电机运行速度显示,如图7所示。
点击频率设置,可弹出纸机控制系统的变频器调速页面,如图8所示。
通过右边的增加和减少按钮,可对变频器的频率进行设置。
相关参数可通过元件属性设置框设置[10]。
采用三菱FX2N-485BD系列PLC,GOT90系列触摸屏,二者采用RS-232通信。