电气配管安装工程隐蔽验收记录SG-A094(填写齐全)
- 格式:docx
- 大小:19.81 KB
- 文档页数:3
SG—A094电气配管安装工程隐蔽验收记录工程名称分项工程名称隐蔽验收部位施工单位项目负责人专业工长施工班组长设计图号单位数量回路层段编号配管及规格配管敷设情况弯曲半径接头处理跨箱盘处理防腐报警回路SC20 R≥6Dd 粘接或直接连接锁扣连接电源回路SC25R≥6Dd粘接或直接连接锁扣连接广播回路SC25R≥6Dd粘接或直接连接锁扣连接电话回路SC25R≥6Dd粘接或直接连接锁扣连接附图及说明线导管随土建支模绑扎钢筋,预埋于混凝土板内,线管在土建底板筋的上层埋于混凝土板内,塑料管为粘结连接,走向全部按图施工。
经检查,该检验批的线管连接紧密,走向位置符合设计要求,弯曲半径符合规范要求,评定合格。
施工单位检查评定结果项目专业质量检查员:项目专业质量(技术)负责人:年月日经旁站检查及验收,该检验批的施工质量符合设计和规范要求,同意隐蔽。
监理(建设)单位验收结论监理工程师(建设单位项目技术负责人):年月日四川省建设厅监制SG —A094电气配管安装工程隐蔽验收记录工程名称 分项工程名称隐蔽验收部位施工单位项目负责人 专业工长 施工班组长 设计图号 单 位数 量回路层段编号配管及规格配 管 敷 设 情 况弯曲半径 接头处理 跨箱盘处理 防 腐 报警回路 SC20 R ≥6Dd 直接连接 锁扣连接 电源回路 SC25 R ≥6Dd 直接连接 锁扣连接 广播回路 SC20 R ≥6Dd 直接连接 锁扣连接 电话回路SC20R ≥6Dd直接连接锁扣连接附 图 及 说 明弯曲半径 10DssssJDG管JDG直接JDG接线盒线导管随土建支模绑扎钢筋,预埋于混凝土板内,线管在土建底板筋的上层埋于混凝土板内,镀锌钢导管为丝接,钢管已按规范要求用铜线做卡接跨接地线,接地可靠,走向全部按图施工。
施工单位检查 评定结果项目专业质量检查员: 项目专业质量(技术)负责人: 年 月 日 监理(建设) 单位验收结论监理工程师(建设单位项目技术负责人): 年 月 日四川省建设厅监制。
电气工程隐蔽验收记录隐蔽验收是指在电气工程施工过程中,对已经完成的隐蔽工程进行检查,确保其符合设计要求和施工规范的一项工作。
本文将对电气工程隐蔽验收的记录进行详细说明。
一、项目基本情况项目名称:XXX电气工程施工单位:XXX公司验收日期:XXXX年XX月XX日二、隐蔽验收范围本次隐蔽验收的范围包括以下方面:1.电缆敷设情况:包括电缆敷设位置、敷设方式、固定方式等;2.电缆终端箱的安装情况:包括终端箱的位置、固定方式、接线情况等;3.线槽的安装情况:包括线槽的位置、固定方式、连接情况等;4.接地装置的安装情况:包括接地体的位置、连接方式、接地电阻等。
1.电缆敷设情况:根据设计要求,电缆敷设于墙壁内部,通过金属管道固定。
经过检查,发现所有的电缆都敷设在正确的位置,并且固定牢固,符合设计要求。
2.电缆终端箱的安装情况:终端箱按照设计要求安装于墙壁上,并且固定牢固。
所有终端箱的接线情况进行了检查,接线正确无误,并且安装有防护盖,符合设计要求。
3.线槽的安装情况:根据设计要求,线槽安装于墙壁表面。
经过检查,发现所有线槽的安装位置正确,固定方式牢固,连接紧密,无明显的开裂或变形,符合设计要求。
4.接地装置的安装情况:根据设计要求,接地装置安装在建筑物的地下室内,严禁与其他金属构件直接接触。
经过检查,发现接地装置的位置合理,与其他金属构件保持一定的距离,并通过连接线与电气设备进行有效接地。
四、隐蔽验收结论根据本次隐蔽验收的情况,经过严格检查,电气工程的隐蔽工程符合设计要求和施工规范。
所有的电缆敷设、终端箱安装、线槽安装和接地装置安装都达到了预期效果,并且没有发现明显的质量问题。
五、存在的问题及改进措施本次隐蔽验收中未发现明显的质量问题,但仍需注意以下问题:1.需要加强工人的安全教育和施工质量的监督,确保每个工序都严格按照设计要求和施工规范进行;2.在敷设电缆时,应注意保护电缆的外皮,避免损坏导致安全隐患;3.终端箱的安装应保证接线紧密、可靠,同时确保防护盖的安装完好,防止灰尘等杂物进入。
电气管道隐蔽工程验收记录项目名称:XXX工程验收人员:XXX,XXX,XXX验收日期:XXXX年XX月XX日一、工程概况本次验收的是XXX工程的电气管道隐蔽工程,该工程总投资XXXX万元,项目建设地点位于XXXX。
工程主要包括XXX,XXX,XXX等部分。
根据工程设计文件和施工合同,现在进行电气管道隐蔽工程的验收。
二、验收内容及标准1.管道安装是否符合设计要求和规范标准;2.管道品质是否合格,是否存在破损、变形、锈蚀等问题;3.隐蔽工程是否按照设计要求进行封闭;4.管道安装是否符合施工图纸,安装固定是否牢固;5.管道与周边结构是否存在冲突和安全隐患。
三、验收过程及结果1.验收前准备工作:a.对施工现场进行了踏勘,了解电气管道隐蔽工程的基本情况;b.查阅了工程设计文件、施工合同和现场记录等相关资料;c.组织相关人员进行会前培训,明确验收要求及注意事项。
2.验收过程:a.检查了电气管道的安装质量,核查了管道的材质、壁厚、施工质量等;b.检查了电气管道的连接处是否严密,是否存在漏水、漏电等问题;c.查验了管道的封闭质量,确保在隐蔽工程完成前对管道进行了合格的封闭;d.对管道与周边结构的关联进行了核对,确保不存在冲突和安全隐患。
3.验收结果:经过验收,确认以下事项:a.电气管道的安装质量符合设计要求和规范标准;b.管道品质良好,无破损、变形、锈蚀等问题;c.隐蔽工程按照设计要求进行了封闭;d.管道安装符合施工图纸,安装固定牢固可靠;e.管道与周边结构不存在冲突和安全隐患。
四、存在的问题及整改措施在本次验收过程中,发现以下问题:1.部分电气管道连接处存在漏水问题,需要重新加强密封处理;2.隐蔽工程中部分管道封闭未按要求进行,需要进行重新封闭;3.部分管道安装固定不够牢固,需要进行加固。
为解决上述问题,采取以下整改措施:1.对漏水问题的管道进行封闭处理,确保连接密封性;2.对尚未封闭的管道进行重新封闭,符合设计要求;3.对安装固定不牢固的管道进行加固,确保稳定可靠。
电气隐蔽工程检查验收记录1. 引言本文档记录了对电气隐蔽工程进行检查和验收的过程和结果。
电气隐蔽工程是指在电气设备安装前的穿墙、埋管、走线、接线等工作。
该工程的合格与否对电气安全和工程质量至关重要。
本次检查和验收由相关负责人和工程监理进行,以确保电气隐蔽工程符合相关标准和规范。
本次检查着重关注以下方面:•穿墙、埋管工程:检查墙体开孔是否符合要求,埋管是否符合设计要求;•走线工程:检查走线的质量、线径、敷设是否符合规范;•接线工程:检查接线盒、接线端子等的使用是否符合标准,接线是否牢固可靠。
3.1 穿墙、埋管工程检查检查人员对各个穿墙、埋管的位置进行了测量,并与设计图纸进行对比。
确认了每个穿墙、埋管位置的准确性和符合设计要求。
同时对墙体开孔的大小、平整度进行了检查,确保开孔的质量符合要求。
埋管的安装工艺和固定方式也进行了检查,确保埋管安装牢固可靠。
3.2 走线工程检查检查人员对各个走线的路径和敷设进行了检查。
首先检查了走线的线径是否与设计要求相符,并测量了走线的长度。
其次,对走线是否符合规范进行了检查,包括走线的水平和垂直度、保护措施等。
检查人员还对走线的接地方式进行了验证,确保走线的安全可靠。
3.3 接线工程检查检查人员对接线盒、接线端子等进行了检查。
首先检查接线盒的材料和安装方式是否符合标准,接线盒的选择是否合理。
其次,对接线端子进行了检查,确保接线端子的种类和使用符合要求。
检查人员还对接线的工艺进行了检查,包括接线的固定、绝缘等。
最后,对接线的接触电阻进行了测量,确保接线的良好接触。
4. 检查结果根据对电气隐蔽工程的检查,结果如下:•穿墙、埋管工程:所有穿墙、埋管的位置和质量均符合设计要求;•走线工程:所有走线的线径、敷设和保护措施均符合规范;•接线工程:所有接线盒、接线端子的选择和使用均符合标准,接线工艺也符合要求。
经过检查,电气隐蔽工程的质量满足验收要求。
5. 验收结论根据对电气隐蔽工程的检查结果,经确认工程的合格性,特此记录。
电气导管敷设隐蔽工程验收记录填写范本标题:电气导管敷设隐蔽工程验收记录填写范本【序号1】引言电气导管敷设是电气工程中的一项关键工作,对于保证电气系统的正常运行和安全性具有重要意义。
在敷设过程中,隐蔽工程验收记录的填写是必不可少的环节,它可以帮助工程人员对工程施工质量进行检查和评估,从而确保工程的可靠性和合规性。
本文将提供一份电气导管敷设隐蔽工程验收记录的填写范本,以帮助您更加全面地了解这一过程。
【序号2】电气导管敷设隐蔽工程验收记录填写范本隐蔽工程验收记录工程名称:___________ 工程区域信息:___________施工单位:___________ 验收日期:___________项目负责人:___________ 监理单位:___________【序号3】工程概况1. 工程名称及区域信息:此栏填写本工程的具体名称和所在地。
2. 施工单位:填写负责本工程施工的具体公司名称。
3. 验收日期:填写本次隐蔽工程验收记录填写的具体日期。
4. 项目负责人:填写本工程的项目负责人尊称。
5. 监理单位:填写进行工程监理的公司名称。
【序号4】施工内容1. 施工图纸编号:填写施工图纸的编号,以确保施工的一致性。
2. 施工位置:填写电气导管敷设的具体位置或区域。
3. 使用材料:此栏填写在敷设电气导管过程中所使用的材料名称和规格。
4. 施工工艺:填写电气导管的具体施工工艺和方法。
【序号5】施工质量1. 导管尺寸:填写电气导管的尺寸规格,例如直径、长度等。
2. 安装方式:填写电气导管的具体安装方式,例如埋地敷设、固定在墙壁上等。
3. 接头处理:填写电气导管接头的处理方式,例如焊接、螺纹连接等。
4. 绝缘措施:填写针对导管绝缘的具体措施,例如使用绝缘套管、绝缘胶带等。
【序号6】检查与验收1. 规格要求:填写电气导管敷设的规格要求,包括相关标准和技术规范。
2. 外观检查:填写对电气导管外观质量的检查结果,例如是否存在破损、变形等现象。
SG—A094电气配管安装工程隐蔽验收记录工程名称分项工程名称隐蔽验收部位施工单位项目负责人专业工长施工班组长设计图号单位数量回路层段编号配管及规格配管敷设情况弯曲半径接头处理跨箱盘处理防腐报警回路SC20 R≥6Dd 粘接或直接连接锁扣连接电源回路SC25R≥6Dd 粘接或直接连接锁扣连接广播回路SC25R≥6Dd 粘接或直接连接锁扣连接电话回路SC25R≥6Dd 粘接或直接连接锁扣连接附图及说明线导管随土建支模绑扎钢筋,预埋于混凝土板内,线管在土建底板筋的上层埋于混凝土板内,塑料管为粘结连接,走向全部按图施工。
施工单位检查评定结果经检查,该检验批的线管连接紧密,走向位置符合设计要求,弯曲半径符合规范要求,评定合格。
项目专业质量检查员:项目专业质量(技术)负责人:年月日监理(建设) 单位验收结论经旁站检查及验收,该检验批的施工质量符合设计和规范要求,同意隐蔽。
监理工程师(建设单位项目技术负责人): 年 月 日四川省建设厅监制SG —A094电气配管安装工程隐蔽验收记录工程名称 分项工程名称隐蔽验收部位施工单位项目负责人专业工长施工班组长设计图号 单 位数 量回路层段编号配管及规格配 管 敷 设 情 况弯曲半径 接头处理 跨箱盘处理 防 腐 报警回路 SC20 R ≥6Dd 直接连接 锁扣连接 电源回路 SC25 R ≥6Dd 直接连接 锁扣连接 广播回路 SC20 R ≥6Dd 直接连接 锁扣连接 电话回路SC20R ≥6Dd直接连接锁扣连接附 图 及 说 明弯曲半径 10DssssJDG管JDG直接JDG接线盒线导管随土建支模绑扎钢筋,预埋于混凝土板内,线管在土建底板筋的上层埋于混凝土板内,镀锌钢导管为丝接,钢管已按规范要求用铜线做卡接跨接地线,接地可靠,走向全部按图施工。
四川省建设厅监制。
SG—A094电气配管安装工程隐蔽验收记录工程名称分项工程名称隐蔽验收部位施工单位项目负责人专业工长施工班组长设计图号单位数量回路层段编号配管及规格配管敷设情况弯曲半径接头处理跨箱盘处理防腐附图及说明施工单位检查评定结果项目专业质量检查员:项目专业质量(技术)负责人:年月日监理(建设)单位验收结论监理工程师(建设单位项目技术负责人):年月日四川省建设厅监制SG—A094电气配管安装工程隐蔽验收记录工程名称分项工程名称施工单位隐蔽验收部位项目负责人专业工长施工班组长设计图号单位数量回路层段编号配管及规格配管敷设情况弯曲半径接头处理跨箱盘处理防腐附图及说明施工单位检查评定结果项目专业质量检查员:项目专业质量(技术)负责人:年月日监理(建设) 单位验收结论监理工程师(建设单位项目技术负责人): 年 月 日四川省建设厅监制SG —A094电气配管安装工程隐蔽验收记录工程名称 分项工程名称隐蔽验收部位施工单位项目负责人 专业工长 施工班组长 设计图号 单 位数 量回路层段编号配管及规格配 管 敷 设 情 况弯曲半径接头处理跨箱盘处理防 腐附 图 及 说 明弯曲半径 10DssssJDG管JDG直接JDG接线盒施工单位检查评定结果项目专业质量检查员:项目专业质量(技术)负责人:年月日监理(建设)单位验收结论监理工程师(建设单位项目技术负责人):年月日四川省建设厅监制SG-A093电气工程隐蔽验收记录工程名称分项工程名称隐蔽验收部位施工单位项目负责人专业工长施工班组长设计图号单位数量检查验收情况附图及说明施工单位检查评定记录项目专业质量检查员:项目专业质量(技术)负责人:年月日监理(建设)单位验收结论监理工程师(建设单位项目技术负责人):年月日注:本表一式四份,建设单位、施工单位、监理单位、城建档案馆各一份。
青山软件打印(鉴定证书号:川建科鉴字[2005]003号)四川省建设厅制SG-A093电气工程隐蔽验收记录工程名称分项工程名称隐蔽验收部位施工单位项目负责人专业工长施工班组长设计图号单位数量注:本表一式四份,建设单位、施工单位、监理单位、城建档案馆各一份。
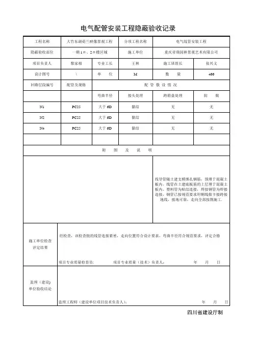
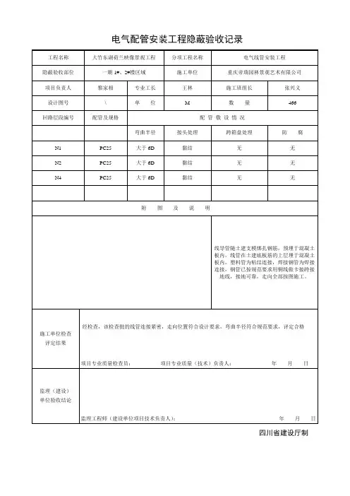
SG-A094 电气配管安装工程隐蔽验收记录
工程名称成都航空职业技术学院龙泉校区
二期食堂
分项工程名称
隐蔽验收部位施工单位成都市工业设备安装公司
项目负责人专业工长施工班组长
设计图号单位数量
回路层段编号配管及规格配管敷设情况
弯曲半径接头处理跨箱盘处理防腐
附图及说明
施工单位检查
评定结果
项目专业质量检查员:专目专业质量(技术)负责人:年月日
监理(建设)
单位验收结论
监理工程师(建设单位项目技术负责人)年月日SN:9120000000007d90 建龙软件打印(批准文号:川建发[2002]280号)四川省建设厅监制。
工程名称分项工程名称
隐蔽验收部位施工单位
项目负责人专业工长施工班组长
设计图号单位数量
回路层段编号配管及规格配管敷设情况
弯曲半径接头处理跨箱盘处理防腐报警回路SC20R> 6Dd粘接或直接连接锁扣连接
电源回路SC25R> 6Dd粘接或直接连接锁扣连接
广播回路SC25R> 6Dd粘接或直接连接锁扣连接
电话回路SC25R> 6Dd粘接或直接连接锁扣连接
附图及说明
c
II
/TOD
J总
...- 宀
线导管随土建支模绑扎钢筋,预埋于混凝土板内,线
II II k J •J .1 邈
管在土建底板筋的上层埋于混凝土板内,塑料管为粘结连接,走
向全部按图施工。
施工单位检查评定
结果
经检查,该检验批的线管连接紧密,走向位置符合设计要求, 弯曲半径符合规范要求,评定合格。
项目专业质量检查员项目专业质量(技术)负责人:年月日
监理(建设)
单位验收结论
经旁站检查及验收,该检验批的施工质量符合设计和规范要求,同意隐蔽。
监理工程师(建设单位项目技术负责人):年月日电气配管安装工程隐蔽验收记录
工程名称
分项工程名称
隐蔽验收部位
施工单位
项目负责人
专业工长
施工班组长
设计图号
单
位
数
量
回路层段编号
配管及规格
配管敷设情况
弯曲半径
接头处理 跨箱盘处理
防腐
报警回路 SC20 R > 6Dd 直接连接 锁扣连接
电源回路 SC25 R> 6Dd 直接连接 锁扣连接
广播回路 SC20 R> 6Dd 直接连接 锁扣连接
电话回路
SC20
R> 6Dd
直接连接
锁扣连接
附
图
及 说
明
s
口
弯曲半径 10D
、
JD (管
1
JD (直 接
线导管随土建支模绑扎钢筋,预埋于混凝土板内,线 管在土建底
板筋的上层埋于混凝土板内,镀锌钢导管 为丝接,钢管已按规范要求用铜线做卡接跨接地线, 接地可靠,走向全部按图施工。
]
、
-------- s
JD (接线盒
施工单位检查 评定结果
项目专业质量检查员: 项目专业质量(技术)负责人: 年 月 日
监理(建设) 单位验收结论
监理工程师(建设单位项目技术负责人) : 年 月 日
电气配管安装工程隐蔽验收记录
四川省建设厅监制
SG —
四川省建设厅监制。