建筑智能化配管隐蔽工程检查验收记录
- 格式:doc
- 大小:152.50 KB
- 文档页数:22
隐蔽工程检查验收记录1一、项目基本信息•项目名称:xxxxxx小区二期工程•工程地点:xxxxxx小区•建设单位:xxxxxx公司•监理单位:xxxxxx公司•施工单位:xxxxxx公司•隐蔽工程施工日期:xxxx年xx月xx日至xxxx年xx月xx日•验收日期:xxxx年xx月xx日二、验收人员•验收组组长:xxxxxx•验收组成员:xxxxxx、xxxxxx、xxxxxx三、检查内容1.检查墙体砌筑是否符合要求,是否有空鼓、开裂等现象。
2.检查地面平整度是否符合要求,是否存在隆起、虚陷等情况。
3.检查水电系统管线敷设是否符合规范要求。
4.检查地面、墙面防潮防水处理是否到位。
5.检查门窗安装是否合格,是否存在不平、不垂等问题。
6.检查内外墙面处理是否符合设计要求,是否存在脱落、不平整等情况。
7.检查细部处理是否到位,如墙角、天花板等。
四、检查结果经过现场检查,对于以上检查内容,我们检查组认为该项目的隐蔽工程符合要求,并达到验收标准。
五、存在问题及整改意见在检查过程中,我们发现以下问题:1.某些墙体砌筑空鼓现象较为明显,需要施工单位进行修补。
2.某些管线敷设存在歪斜,需要重新进行调整。
3.某些门窗安装存在垂直不平,需要施工单位进行重新安装。
对于以上问题,我们提出以下整改意见:1.施工单位应立即对墙体空鼓进行修补,并保障质量达到验收标准。
2.施工单位应立即进行管线敷设的调整,保证其符合规范要求。
3.施工单位应重新安装不合格门窗,并保证其结实可靠。
六、经过本次隐蔽工程检查和验收,我们认为该项目的隐蔽工程符合相关要求和规范,并达到合格标准。
同时,我们对于存在的问题提出了相应的整改意见,施工单位应按照要求进行整改,并保证整改质量。
建筑智能化配管隐蔽工程检查验收记录C6-01
建筑智能化配管隐蔽工程检查验收记录C6-01
建筑智能化配管隐蔽工程检查验收记录
建筑智能化配管隐蔽工程检查验收记录
C6-01
建筑智能化配管隐蔽工程检查验收记录C6-01
建筑智能化配管隐蔽工程检查验收记录C6-01
建筑智能化配管隐蔽工程检查验收记录C6-01
建筑智能化配管隐蔽工程检查验收记录C6-01
建筑智能化配管隐蔽工程检查验收记录C6-01
建筑智能化配管隐蔽工程检查验收记录C6-01
建筑智能化配管隐蔽工程检查验收记录C6-01
建筑智能化配管隐蔽工程检查验收记录C6-01
建筑智能化配管隐蔽工程检查验收记录C6-01
建筑智能化配管隐蔽工程检查验收记录C6-01
建筑智能化配管隐蔽工程检查验收记录C6-01
建筑智能化配管隐蔽工程检查验收记录C6-01
依据及内容1、依据施工图纸及《黑龙江省建筑工程施工质量验收标准》进行施工。
2、根据图纸设计文件施工。
3、完成二十一层配管施工。
4、标高、坐标按照设计要求进行敷设,具体位置见施工图纸。
5、穿线导管管口有保护措施。
主
要
材
料
规
格
及
试
验
编
主要材料采用:FPC20,FPC25,SC15,SC20,SC25
结
论
监理工程师施工技术施工
(建设单位代表):负责人:质检员:填写人:。
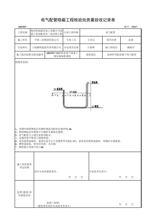
电气配管隐蔽工程检验批质量验收记录表
监理工程师:
(建设单位项目专业技术负责人)
年 月 日
监理(建设)单 位验收结论
施工单位检查 评定结果
项目专业质量检查员:
专业技术负责人:
年 月 日
年 月 日
施工执行标准名称及编号GB50397-2007冶金电气设备工
程安装验收规范
验收部位
加热炉风机房地下电气配管
附图及说明:
1、本图中除特殊标注外钢管埋深为距所在地坪-0.5m。
2、除特殊标注外桥架下方钢管尽量靠近墙壁。
3、电气配管与土建专业密切配合。
4、金属导管严禁对口熔焊焊接。
5、采用套管连接时,套管长度不小于电缆管外径的2.2倍,套管采用熔焊连接时,焊缝应牢固紧密。
6、钢管连接处,管内应光滑、无毛刺。
7、钢管最小弯曲半径≥6D。
分包单位
上海溧明建筑劳务有限公司
分包项目经理
吕春林施工班组长
姚桂付施工单位中国二冶集团有限公司专业工长王刘文项目经理沈强GB50397编号:YD027
工程名称扬州恒润海洋重工有限公司高
强工业用板项目三电安装工程
分项工程名称
电气配管。
隐蔽工程验收记录
一、引言
隐蔽工程是指在建筑装修和建设过程中难以直接看到的部分,如管道、电路等。
隐蔽工程验收是确保工程质量的重要环节,通过验收可以及时发现和解决问题,保证工程质量符合规范要求。
二、验收项目
1. 管道工程
•检查管道连接是否牢固
•检查管道运行是否畅通
•检查管道是否存在渗漏现象
2. 电路工程
•检查电路连接是否正常
•测试电路是否符合电气规范
•检查是否存在漏电等安全隐患
3. 其他隐蔽工程
•检查隐蔽工程施工质量
•检查隐蔽工程材料使用是否符合要求
•检查隐蔽工程是否对现场环境造成影响
三、验收标准
1. 符合规范要求
•隐蔽工程施工应符合相关国家标准和规范要求
2. 安全可靠
•隐蔽工程应保证安全可靠,不存在安全隐患
3. 设计要求
•隐蔽工程应符合设计要求,保证功能正常运行
四、验收程序
1. 验收前准备
•确认隐蔽工程施工完成
•对验收项目进行详细检查计划
2. 验收过程
•验收人员按照检查计划逐项进行验收
•对发现的问题及时处理或记录
3. 验收报告
•编制详细的验收报告,记录验收情况
•将验收报告提交给相关部门审批
五、验收结论
经过本次隐蔽工程验收,确认工程质量符合规范要求,可以进行后续工程进度。
结语
隐蔽工程验收是保证工程质量的一项重要环节,只有严格按照验收标准和程序
进行验收,才能确保工程质量和安全。
希望本文所述内容对您有所帮助。
工程隐蔽工程验收记录项目名称:XXXX工程验收单位:XXXX公司验收时间:XXXX年XX月XX日一、隐蔽工程基本信息1.工程名称:XXXX工程2.工程地点:XXXX3.总包单位:XXXX公司4.分包单位:XXXX公司5.隐蔽工程内容:XXXXX二、验收依据1.相关建设法律法规2.项目设计文件3.施工方案及施工图纸4.监理部门的监理意见5.相关验收标准和规范三、验收过程1.验收人员:由总包单位、分包单位、监理单位及工程所有者代表组成的验收组2.验收时间:在工程完成一定部分后进行隐蔽验收3.验收程序:3.1验收组按照工程进度计划,逐一对各隐蔽工程进行验收;3.2验收组对隐蔽工程是否符合相关设计要求、施工方案及施工图纸进行检查;3.3验收组进行实际测量,对各测量项目进行比对;3.4验收组进行记录,对存在的问题进行整理;3.5验收组根据整理的问题,提出相应的整改措施和要求;3.6验收组与总包单位、分包单位进行磋商,达成对问题的整改意见;3.7验收组进行最终验收,对整改情况进行评定。
四、验收结果1.验收合格的隐蔽工程项目:(1)项目1:XXXX(2)项目2:XXXX(3)...2.验收不合格的隐蔽工程项目:(1)项目1:存在XXXX问题,要求总包单位立即整改;(2)项目2:存在XXXX问题,要求分包单位立即整改;(3)...3.相关整改措施:(1)针对验收不合格的隐蔽工程项目,总包单位和分包单位需立即采取整改措施;(2)根据相关问题,总包单位和分包单位需提交整改方案,并按照验收组要求进行整改;(3)监理单位将对整改措施进行监督,确保整改达到要求。
五、其他事项1.工程所有者代表对整个验收过程表示满意,并对总包单位和分包单位的努力予以表扬;2.总包单位和分包单位表达了对整个工程的自豪感,并答应按时按质完成后续工程的施工。
六、验收结论经过详细的检查和整改,所有的隐蔽工程项目最终达到了相关验收标准和规范要求。
整个工程符合设计文件要求,施工质量良好,验收合格。
隐蔽工程质量验收记录一、项目名称:xxxx项目二、施工单位:XXXXXX公司三、验收时间:xxxx年xx月xx日四、验收人员:XXXXX(总包单位代表)、XXXXX(监理单位代表)、XXXXX(业主代表)五、验收内容:隐蔽工程是指在施工过程中不易观察到的部分,包括管线敷设、预埋件安装、墙壁浇筑等。
因此,对隐蔽工程的质量验收尤为重要。
1.管线敷设:a.验收人员首先检查了管线敷设的材料是否符合相关技术标准,包括管道的材质、规格和厚度等。
b.检查了管道的敷设是否满足设计要求,包括管道的坡度、弯曲、连接方式等。
c.检查了管道与其他隐蔽构件的连接是否紧固可靠。
2.预埋件安装:a.检查了预埋件的安装位置是否符合施工图纸和设计要求。
b.检查了预埋件的固定方式和数量是否与设计要求一致。
c.检查了预埋件与其他构件的连接是否牢固可靠。
3.墙壁浇筑:a.检查了墙壁的混凝土配比是否符合设计要求。
b.检查了墙壁浇筑的施工工艺和步骤是否规范。
c.检查了墙壁的抹灰和养护工作是否按照要求进行。
六、验收结论:经过仔细检查和实地观察,结合相关技术标准和设计要求,对隐蔽工程的质量验收作出如下结论:1.管线敷设:a.管线敷设的材料符合相关技术标准,敷设质量较好,符合设计要求。
b.管道的坡度、弯曲和连接方式都满足相关的规范要求。
c.管道与其他隐蔽构件的连接牢固可靠。
2.预埋件安装:a.预埋件的安装位置和数量均符合施工图纸和设计要求。
b.预埋件的固定方式牢固可靠。
c.预埋件与其他构件的连接良好。
3.墙壁浇筑:a.墙壁的混凝土配比符合设计要求,浇筑质量高。
b.墙壁浇筑的工艺和步骤规范,抹灰和养护工作也符合要求。
综上所述,经过质量验收,本次隐蔽工程的施工质量是合格的,符合相关技术标准和设计要求。
七、验收意见及建议:根据对隐蔽工程的质量验收过程中的观察和检查,鉴于施工单位在施工过程中较好地控制了质量,并按照设计要求进行施工,建议施工单位继续加强施工质量的管控,并做好记录和档案管理工作。
所属子分部(系统)工程名称/分项(子系统)工程名称电气照明安装/电线导管、电缆导管和线槽敷设相关的施工部位(层、区、段、房、室)教学新区负一层剪力墙(6)~(27)×(A)~(N)轴总承包施工单位广州工程总承包集团有限公司项目负责人许明辉专业承包安装单位/ 项目负责人施工执行的技术标准(含企业的工艺规程、工法等)名称及编号《建筑电气工程施工质量验收规范》GB50303-2002相关施工图名称及其图号教学新区地下负一层照明平面图电施-D43验收日期:从2014 年5月19 日起到2014 年5 月20日止回路名称/编号拟穿线缆型号/规格/根数配管接头连接方式名称(材质)型号(规格)管与管管与盒-1RAL-CW1BV-3×2.5 阻燃绝缘PVC线管Φ20粘接杯梳连接-1RAL-WL2 BV-3×2.5 阻燃绝缘PVC线管Φ20粘接杯梳连接-1RAL-WL3 BV-3×2.5 阻燃绝缘PVC线管Φ20粘接杯梳连接-1RAL1-WL1BV-3×2.5 阻燃绝缘PVC线管Φ20粘接杯梳连接-1RAL1-WL2 BV-3×2.5 阻燃绝缘PVC线管Φ20粘接杯梳连接-1RAL1-WLE1 BV-3×2.5 阻燃绝缘PVC线管Φ20粘接杯梳连接-1RAL1-WLE2 BV-3×2.5 阻燃绝缘PVC线管Φ20粘接杯梳连接-1AL1-WL1 BV-3×2.5 阻燃绝缘PVC线管Φ20粘接杯梳连接-1AL1-WL2 BV-3×2.5 阻燃绝缘PVC线管Φ20粘接杯梳连接-1AL1-WL4 BV-3×2.5 阻燃绝缘PVC线管Φ20粘接杯梳连接-1AL1-WLE2 BV-3×2.5 阻燃绝缘PVC线管Φ20粘接杯梳连接以下空白简介埋设隐蔽方式(如在砼内或砖砌体内埋设等)/施工方法/隐蔽前已进行的检查测试项目及其结果:1、隐蔽方式:在混凝土内暗敷。
建筑智能化配管隐蔽工程检查验收记录C6-01
建筑智能化配管隐蔽工程检查验收记录C6-01
建筑智能化配管隐蔽工程检查验收记录C6-01
建筑智能化配管隐蔽工程检查验收记录C6-01
建筑智能化配管隐蔽工程检查验收记录C6-01
建筑智能化配管隐蔽工程检查验收记录C6-01
.
.
建筑智能化配管隐蔽工程检查验收记录
C6-01
建筑智能化配管隐蔽工程检查验收记录C6-01
建筑智能化配管隐蔽工程检查验收记录C6-01
建筑智能化配管隐蔽工程检查验收记录C6-01
建筑智能化配管隐蔽工程检查验收记录C6-01
建筑智能化配管隐蔽工程检查验收记录C6-01
.
.
建筑智能化配管隐蔽工程检查验收记录
C6-01
建筑智能化配管隐蔽工程检查验收记录C6-01
建筑智能化配管隐蔽工程检查验收记录C6-01
建筑智能化配管隐蔽工程检查验收记录C6-01
建筑智能化配管隐蔽工程检查验收记录C6-01
建筑智能化配管隐蔽工程检查验收记录C6-01
.
.
建筑智能化配管隐蔽工程检查验收记录
C6-01
建筑智能化配管隐蔽工程检查验收记录C6-01
建筑智能化配管隐蔽工程检查验收记录C6-01。
直埋、暗敷管道和设备隐蔽验收记录C 2.4.6.1 编号:建筑施工技术,建筑施工组织,建筑工程计量与计价,建筑工程经济,混凝土结构,建筑构造与识图,钢结构,砌体结构,高层建筑施工,工程测量,工程结构抗震,装配化施工技术,建筑工程资料管理,建筑工程质量与安全管理,建筑CAD,天正建筑,BIM。
建筑工程技术专业主要包括土建、采暖卫生与煤气工程、电梯和消防,给排水工程五个方面,专业应具备建筑工程技术人员从业必须的文化基础与专业理论知识,从事建筑工程施工一线技术与管理等工作的高等技术应用型人才。
技术交底的作用与分类1什么是施工技术交底技术交底是施工企业极为重要的一项技术管理工作,是施工方案的延续和完善,也是工程质量预控的最后一道关口。
其目的是使参与建筑工程施工的技术人员与工人熟悉和了解所承担的工程项目的特点、设计意图、技术要求、施工工艺及应注意的问题。
2技术交底的作用使参与施工活动的每一个技术人员,明确本工程的特定施工条件、施工组织、具体技术要求和有针对性的关键技术措施,系统掌握工程施工过程全貌和施工的关键都位。
使参与工程施工操作每一个工人,通过技术交底,了解自己所要完成的分部分项工程的具体工作内容,操作方法、施工工艺、质量标准和安全注意事项等,做到施工操作人员任务明确,心中有数达到有序地施工,以减少各种质量通病,提高施工质量的目的。
3施工技术交底的分类(1)施工组织设计交底①重点和大型工程施工组织设计交底:由施工企业的技术负责人把主要设计要求、施工措施以及重要事项对项目主要管理人员进行交底。
其他工程施工组织设计交底由项目技术负责人进行交底。
②专项施工方案技术交底:由项目专业技术负责人负责,根据专项施工方案对专业工长进行交底。
(2)分项工程施工技术交底由专业工长对专业施工班组(或专业分包)进行交底。
“四新”技术交底:由项目技术负责人组织有关专业人员编制并交底。
(3)设计变更技术交底设计变更技术交底:由项目技术部门根据变更要求,并结合具体施工步骤、措施及注意事项等对专业工长进行交底。
隐蔽工程质量检查验收记录项目信息项目名称:[项目名称]项目地点:[项目地点]建设单位:[建设单位]监理单位:[监理单位]施工单位:[施工单位]验收单位:[验收单位]验收日期:[验收日期]验收内容本次验收针对以下隐蔽工程进行质量检查:1. 隐蔽工程1:[隐蔽工程1描述]2. 隐蔽工程2:[隐蔽工程2描述]3. 隐蔽工程3:[隐蔽工程3描述]4. ...检查结果经过对以上隐蔽工程的质量检查,得出以下结果:1. 隐蔽工程1:- 符合相关技术规范和设计要求- 检查无异常情况2. 隐蔽工程2:- 不符合相关技术规范和设计要求:- 不合格项目1:[不合格项目1描述]- 不合格项目2:[不合格项目2描述]- 已提出整改要求,待施工单位整改后复验3. 隐蔽工程3:- 符合相关技术规范和设计要求- 检查无异常情况...复验情况针对不符合相关技术规范和设计要求的隐蔽工程,已要求施工单位整改并进行复验。
1. 隐蔽工程2复验情况:- 整改已完成- 复验结果:- 符合相关技术规范和设计要求- 检查无异常情况...结论根据本次隐蔽工程质量检查的结果,大部分工程符合相关技术规范和设计要求,检查未发现异常情况。
对于不符合规范要求的工程已要求整改,并进行了复验,结果符合规范要求。
建设单位、监理单位和施工单位共同参与了本次验收,并达成一致意见。
验收人员:建设单位代表:[建设单位代表签字] 监理单位代表:[监理单位代表签字] 施工单位代表:[施工单位代表签字] 验收单位代表:[验收单位代表签字]日期:[日期]附件- [附件1]- [附件2]- ...。
一套完整的隐蔽工程验收记录一、前言隐蔽工程验收记录旨在确认隐蔽工程的完成情况,确保工程质量符合要求。
本次验收记录以人类的视角进行叙述,使读者感受到真实的场景和情感。
二、验收对象本次验收对象为某座办公楼的隐蔽工程,包括电气、通风、给排水等方面的工程。
三、验收时间本次验收于XXXX年XX月XX日进行,共耗时XX天。
四、验收人员本次验收共邀请了相关的工程师和监理人员进行验收,分别是XX工程师、XX工程师和XX监理人员。
五、验收内容1. 电气工程根据施工图纸要求,我们首先对电气工程进行了验收。
经过合理的布线和接线,电线隐蔽在墙壁和地板中,不影响办公空间的使用。
所有电路均通过安全检测,符合国家标准。
在配电箱中,安装了过载、漏电保护装置,确保了用电安全。
2. 通风工程经过检查,通风工程的风道布局合理,确保了办公楼内的空气流通。
风机和排风口的安装位置符合设计要求,能够达到预期的通风效果。
通风系统的噪音控制在合理范围内,不会对办公环境产生干扰。
3. 给排水工程我们对给排水工程进行了全面的检查。
排水管道和下水道的安装符合规范,无渗漏现象。
给水管道的连接牢固,无漏水问题。
所有设备和阀门操作灵活,使用方便。
经过水质检测,水质符合卫生标准。
六、验收结果根据对隐蔽工程的全面检查和测试结果,本次验收结果如下:1. 电气工程:符合设计要求,通过验收。
2. 通风工程:符合设计要求,通过验收。
3. 给排水工程:符合设计要求,通过验收。
七、存在问题在本次验收过程中,我们发现了以下问题:1. 电气工程:部分电线标识不清晰,需要进行补充标识。
2. 通风工程:某些风口的调节装置操作不灵活,需要进行调整。
3. 给排水工程:某些阀门存在轻微渗漏,需要进行修复。
八、改进措施针对存在的问题,我们制定了以下改进措施:1. 电气工程:对电线进行补充标识,并进行记录,以便今后维护和管理。
2. 通风工程:对调节装置进行调整,确保操作灵活。
3. 给排水工程:对渗漏的阀门进行修复,确保正常使用。