墙体二次电气配管埋设隐蔽工程验收记录
- 格式:xls
- 大小:175.50 KB
- 文档页数:3
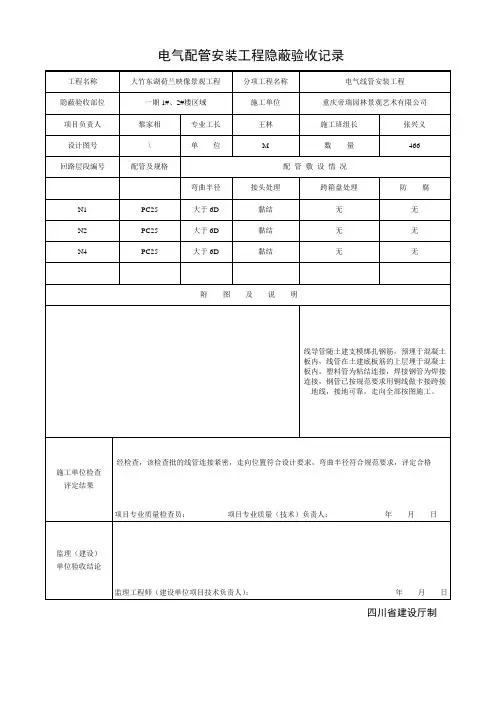
SG—A094电气配管安装工程隐蔽验收记录工程名称分项工程名称隐蔽验收部位施工单位项目负责人专业工长施工班组长设计图号单位数量回路层段编号配管及规格配管敷设情况弯曲半径接头处理跨箱盘处理防腐报警回路SC20 R≥6Dd 粘接或直接连接锁扣连接电源回路SC25R≥6Dd粘接或直接连接锁扣连接广播回路SC25R≥6Dd粘接或直接连接锁扣连接电话回路SC25R≥6Dd粘接或直接连接锁扣连接附图及说明线导管随土建支模绑扎钢筋,预埋于混凝土板内,线管在土建底板筋的上层埋于混凝土板内,塑料管为粘结连接,走向全部按图施工。
经检查,该检验批的线管连接紧密,走向位置符合设计要求,弯曲半径符合规范要求,评定合格。
施工单位检查评定结果项目专业质量检查员:项目专业质量(技术)负责人:年月日经旁站检查及验收,该检验批的施工质量符合设计和规范要求,同意隐蔽。
监理(建设)单位验收结论监理工程师(建设单位项目技术负责人):年月日四川省建设厅监制SG —A094电气配管安装工程隐蔽验收记录工程名称 分项工程名称隐蔽验收部位施工单位项目负责人 专业工长 施工班组长 设计图号 单 位数 量回路层段编号配管及规格配 管 敷 设 情 况弯曲半径 接头处理 跨箱盘处理 防 腐 报警回路 SC20 R ≥6Dd 直接连接 锁扣连接 电源回路 SC25 R ≥6Dd 直接连接 锁扣连接 广播回路 SC20 R ≥6Dd 直接连接 锁扣连接 电话回路SC20R ≥6Dd直接连接锁扣连接附 图 及 说 明弯曲半径 10DssssJDG管JDG直接JDG接线盒线导管随土建支模绑扎钢筋,预埋于混凝土板内,线管在土建底板筋的上层埋于混凝土板内,镀锌钢导管为丝接,钢管已按规范要求用铜线做卡接跨接地线,接地可靠,走向全部按图施工。
施工单位检查 评定结果项目专业质量检查员: 项目专业质量(技术)负责人: 年 月 日 监理(建设) 单位验收结论监理工程师(建设单位项目技术负责人): 年 月 日四川省建设厅监制。
电气工程隐蔽验收记录经过检查验收,以下是电气工程隐蔽验收情况:1.使用的电线及电线导管均有合格证明文件,中文标志及检验报告,符合设计和标准要求。
2.电线导管安装质量符合规范规定。
3.电线导管采用扣压式薄壁钢导管,采用锁扣式连接方式。
4.配电箱、开关、插座底盒安装位置正确,部件齐全,接线正确,配电箱回路编号齐全,标识正确,符合规范规定。
经过施工单位检查,评定结果为合格。
建设单位项目技术负责人和监理工程师也对此进行了专业质量检查,并最终验收结论为合格。
此记录一式四份,分别由建设单位、施工单位、监理单位和XXX各保存一份。
正确,配电箱回路编号齐全,标识正确,符合规范规定。
施工单位检查结果见附图。
项目专业质量检查员和负责人对电气工程进行了评定,并确认符合规范要求。
监理工程师也对工程进行了验收,并做出了验收结论。
此次隐蔽验收记录是针对XXX“精行”文化园地建设项目的13楼电气用配管JDG20、JDG25和JDG30进行的。
施工班组长XXX负责检查和记录,电线及电线导管使用合格证明文件,并符合设计和标准要求。
电线导管采用扣压式薄壁钢导管,并使用锁扣式连接方式。
配电箱、开关、插座底盒位置正确,部件齐全,接线正确,回路编号齐全,标识正确,符合规范规定。
本表一式四份,分别提供给建设单位、施工单位、监理单位和XXX。
经检查,XXX“精行”文化园地建设项目的13楼电气用金属软管DN20和钢制接线盒隐蔽验收部位的施工质量符合规范规定。
具体情况如下:1.电线和电线导管使用均有合格证明文件,并符合设计和标准要求,中文标志及检验报告齐全。
2.电线导管的安装质量符合规范规定,采用扣压式薄壁钢导管,并采用锁扣式连接方式。
3.配电箱、开关、插座底盒的安装位置正确,部件齐全,接线正确,配电箱回路编号齐全,标识正确,符合规范规定。
经项目专业质量检查员、项目专业质量(技术)负责人、监理工程师(建设单位项目技术负责人)检查评定,确认施工质量符合规范规定。
SG—A094电气配管安装工程隐蔽验收记录工程名称分项工程名称隐蔽验收部位施工单位项目负责人专业工长施工班组长设计图号单位数量回路层段编号配管及规格配管敷设情况弯曲半径接头处理跨箱盘处理防腐报警回路SC20 R≥6Dd 粘接或直接连接锁扣连接电源回路SC25R≥6Dd 粘接或直接连接锁扣连接广播回路SC25R≥6Dd 粘接或直接连接锁扣连接电话回路SC25R≥6Dd 粘接或直接连接锁扣连接附图及说明线导管随土建支模绑扎钢筋,预埋于混凝土板内,线管在土建底板筋的上层埋于混凝土板内,塑料管为粘结连接,走向全部按图施工。
施工单位检查评定结果经检查,该检验批的线管连接紧密,走向位置符合设计要求,弯曲半径符合规范要求,评定合格。
项目专业质量检查员:项目专业质量(技术)负责人:年月日监理(建设) 单位验收结论经旁站检查及验收,该检验批的施工质量符合设计和规范要求,同意隐蔽。
监理工程师(建设单位项目技术负责人): 年 月 日四川省建设厅监制SG —A094电气配管安装工程隐蔽验收记录工程名称 分项工程名称隐蔽验收部位施工单位项目负责人专业工长施工班组长设计图号 单 位数 量回路层段编号配管及规格配 管 敷 设 情 况弯曲半径 接头处理 跨箱盘处理 防 腐 报警回路 SC20 R ≥6Dd 直接连接 锁扣连接 电源回路 SC25 R ≥6Dd 直接连接 锁扣连接 广播回路 SC20 R ≥6Dd 直接连接 锁扣连接 电话回路SC20R ≥6Dd直接连接锁扣连接附 图 及 说 明弯曲半径 10DssssJDG管JDG直接JDG接线盒线导管随土建支模绑扎钢筋,预埋于混凝土板内,线管在土建底板筋的上层埋于混凝土板内,镀锌钢导管为丝接,钢管已按规范要求用铜线做卡接跨接地线,接地可靠,走向全部按图施工。
四川省建设厅监制。
电气配管安装工程隐蔽验收记录填写范本
黑猫警长是一部经典的动画片,它在我小时候给了我很多欢乐和回忆。
这部动画片中有很多可爱的角色,例如黑猫警长、大肚猫、草原老虎等等,他们每个人都有着自己的特点和性格。
其中,黑猫警长是一个非常勇敢、机智和正义的角色,他总是能够保护好小动物们的安全,让我们这些观众看到了希望和勇气。
这部动画片也不仅仅只是为了娱乐,它还有着深刻的寓意和启示。
例如,在黑猫警长的世界里,善良和正义永远是战胜邪恶的力量,而团结和互助更是实现共同目标的关键。
这些价值观对我影响很深,成为了我成长中的重要指南和信仰。
总的来说,黑猫警长是一部非常优秀的动画片,它让我从中汲取到了很多正能量和灵感,帮助我成为了一个更加勇敢、善良、正义和有担当的人。
对于电气配管安装工程隐蔽验收记录填写范本,具体格式和内容会根据不同的实际情况而有所不同。
一般而言,这个范本应包括以下基本信息:
1. 工程名称和地点
2. 工程负责人、监理单位及其联系方式
3. 工程施工单位及其联系方式
4. 隐蔽验收日期
5. 检查内容和检查结果
6. 报告编制人和审核人签字和日期
在具体填写时,需要认真按照规定填写相关内容,并且确保所有信息准确无误,以便于后续的验收和审查。