顺序启动逆序停止控制线路的安装实训教案
- 格式:doc
- 大小:83.00 KB
- 文档页数:4
顺序启动逆序停止控制线路的安装实训教案第一章:实训目的与要求1.1 实训目的1. 掌握顺序启动逆序停止控制线路的基本原理。
2. 学会使用常用低压电器及控制设备。
3. 熟悉电气控制线路的安装与调试方法。
4. 培养动手能力、观察能力和团队协作能力。
1.2 实训要求1. 了解顺序启动逆序停止控制线路的工作原理。
2. 能独立完成电气控制线路的安装与调试。
3. 能对故障进行排查和修复。
4. 严格遵守安全操作规程,确保人身和设备安全。
第二章:实训原理与内容2.1 实训原理顺序启动逆序停止控制线路是一种常用的电气控制线路,通过控制按钮、接触器、继电器等电器元件实现电动机的顺序启动和逆序停止。
2.2 实训内容1. 学习顺序启动逆序停止控制线路的原理图。
2. 分析顺序启动逆序停止控制线路的工作过程。
3. 掌握顺序启动逆序停止控制线路的安装方法。
4. 学会调试和故障排除技巧。
第三章:实训器材与步骤3.1 实训器材1. 实训台架及电动机。
2. 按钮、接触器、继电器等低压电器元件。
3. 电线、剥线钳、螺丝刀等工具。
4. 故障检测仪器及工具。
3.2 实训步骤1. 按照原理图,熟悉各个电器元件的作用和连接方式。
2. 在实训台架上安装顺序启动逆序停止控制线路。
3. 连接电动机及电器元件,确保连接正确无误。
4. 进行调试,检查线路是否正常工作。
5. 针对可能出现的故障,进行故障排查和修复。
第四章:实训注意事项4.1 安全事项1. 操作前,确保设备断电,防止触电事故。
2. 操作过程中,严格遵守规程,确保人身和设备安全。
3. 使用工具时,注意手部安全,防止割伤、碰伤等。
4.2 设备保护1. 实训过程中,避免对设备进行过度操作,防止损坏。
2. 遇到故障,切勿随意拆卸设备,应及时报告。
第五章:实训评价与总结5.1 实训评价1. 评价学生对顺序启动逆序停止控制线路原理的理解。
2. 评价学生对电气控制线路安装与调试的掌握程度。
3. 评价学生在故障排查和修复方面的能力。
两台电动机顺序启动.逆序停止电路电动机逆序启动两台电动机顺序启动、逆序停止电路顺序启动、逆序停止控制电路是在一个设备启动之后另一个设备才能启动运行的一种控制方法,常用于主辅设备之间的控制,如图当辅助设备的接触器KM1启动之后,主要设备的接触器KM2才能启动,主设备KM2不停止,辅助设备KM1也不能停止。
工作过程:1、合上开关QF 使线路的电源引入。
2、按下按钮SB1,接触器KM1线圈得电吸合,主触点闭合辅助设备运行,并且KM1辅助常开触点闭合实现自保持。
3、按下按钮SB2,接触器KM2线圈得电吸合,主触点闭合主电机开始运行,并且KM2的辅助常开触点闭合实现自保持。
4、 KM2的另一个辅助常开触点将SB5短接,使SB5失去控制作用,无法先停止辅助设备KM1。
5、停止时只有先按下SB6按钮,使KM2线圈失电辅助触点复位(触点断开),SB5按钮才起作用。
6、主电机的过流保护由FR2热继电器来完成。
7、辅助设备的过流保护由FR1热继电器来完成,但FR1动作后控制电路全断电,主、辅设备全停止运行。
安装调试步骤:1、检查电器元件检查按钮、接触器触头表面情况;检查分合动作;测量接触器线圈电阻;观察电机接线盒内的端子标记。
2、按图接线先分别用黄、绿、红三种颜色的导线接主电路。
辅助电路按接线图的线号顺序接线。
注意主电路各接触器触点间的连接线,要认真核对。
3、线路检查及试车(1)线路的检查一般用万用表进行,先查主回路,再查辅助电路。
分别用万用表测量各电器与线路是否正常。
也可以用试电笔检查该有电的地方是否有电。
(2)试车经上述检查无误后,检查三相电源,合上QF 进行试车。
常见故障:1、 KM1不能实现自锁分析处理:KM1的常开辅助接点接错2、不能顺序启动,KM2可以先启动分析处理:KM2先启动说明KM2的控制电路有电,KM2不受KM1控制而可以直接启动。
检查KM1的常开触头是否连接到KM2线圈的得电回路。
3、不能逆序停止,KM1能先停止分析处理:KM1能停止这说明SB1起作用,并接的KM2常开接点没起作用。
电动机顺序启动逆序停止控制线路的安装与调试教学设计下载提示:该文档是本店铺精心编制而成的,希望大家下载后,能够帮助大家解决实际问题。
文档下载后可定制修改,请根据实际需要进行调整和使用,谢谢!本店铺为大家提供各种类型的实用资料,如教育随笔、日记赏析、句子摘抄、古诗大全、经典美文、话题作文、工作总结、词语解析、文案摘录、其他资料等等,想了解不同资料格式和写法,敬请关注!Download tips: This document is carefully compiled by this editor. I hope that after you download it, it can help you solve practical problems. The document can be customized and modified after downloading, please adjust and use it according to actual needs, thank you! In addition, this shop provides you with various types of practical materials, such as educational essays, diary appreciation, sentence excerpts, ancient poems, classic articles, topic composition, work summary, word parsing, copy excerpts, other materials and so on, want to know different data formats and writing methods, please pay attention!一、引言电动机是工业生产中常用的设备,其控制线路的安装与调试是工程技术人员必须掌握的基本技能。
电工培训教案——三台电机顺序起动逆序停止控制线路教学目标:1.理解三台电机顺序起动逆序停止的基本原理和控制线路;2.能够设计和搭建三台电机顺序起动逆序停止的控制线路;3.能够根据不同的实际情况进行控制线路的调整和优化。
教学重点:1.三台电机顺序起动的控制原理;2.三台电机逆序停止的控制原理;3.控制线路的设计和搭建。
教学难点:1.控制线路的设计和搭建;2.根据不同的实际情况进行控制线路的调整和优化。
教学内容:一、三台电机顺序起动的控制原理1.顺序起动是指将多台电动机按照一定的顺序依次启动。
2.控制线路主要由电动机主接触器、辅助接触器、时间继电器、启动按钮和停止按钮等组成。
通过合理的接线和控制逻辑,实现电机的顺序起动。
二、三台电机逆序停止的控制原理1.逆序停止是指将多台电动机按照一定的逆序依次停止。
2.控制线路主要由电动机主接触器、辅助接触器、时间继电器、启动按钮和停止按钮等组成。
通过合理的接线和控制逻辑,实现电机的逆序停止。
三、控制线路的设计和搭建1.根据实际需要确定所需的电动机数量和顺序起动、逆序停止的顺序。
2.根据电动机的额定电压、额定功率和控制线路的电压和容量要求,选择合适的接触器、继电器和按钮。
3.根据三台电机的顺序起动和逆序停止的控制逻辑,设计和搭建控制线路。
4.在搭建过程中,要注意电路的接线正确、可靠,排除可能的故障因素。
四、控制线路的调整和优化1.根据实际使用过程中的反馈和需求,对控制线路进行调整和优化。
如根据启动电流、停止时间等参数进行合理的设置。
2.结合电机的实际工作状态和负载条件,对控制线路进行优化。
如增加过载保护、故障诊断等功能。
教学过程:一、引入问题1.请同学们思考一下,如果我们有三台电机,需要按照一定顺序依次启动和停止,应该如何设计控制线路呢?二、讲解顺序起动的控制原理和控制线路1.讲解顺序起动的基本原理和控制线路的组成;2.示范如何根据实际情况设计和搭建顺序起动的控制线路;3.学生跟随老师一起进行实操,搭建顺序起动的控制线路。
任务 2 顺序起动逆序停止控制线路(教案)-高二《工厂电气控制设备》同步精品课堂一、教学目标1.了解顺序起动逆序停止控制线路的基本原理和构造。
2.掌握顺序起动逆序停止控制线路的组成及其作用。
3.熟悉顺序起动逆序停止控制线路的设计和调试.二、教学内容1.顺序起动逆序停止控制线路的定义和基本原理2.顺序起动逆序停止控制线路的构造及原理图3.顺序起动逆序停止控制线路的电气控制系统设计流程4.顺序起动逆序停止控制线路的调试方法三、教学过程1.引入点击ppt进入教学,先播放一个视频的开头部分,让学生们学生尝试每一个控制开关的操作,然后带着大家一起讨论对应的控制作用。
2.基础篇学生们通过自学课本资料,掌握顺序起动逆序停止控制线路的定义和基本原理。
先批判之前观看的视频中极其简单的控制方式,并引入如何实现控制线路能够完成针对电机的顺序起动和逆序停止功能。
3.理论篇将顺序起动逆序停止控制线路的基本原理投影到黑板上,讲解顺序起动逆序停止控制线路中涉及到的一些核心细节,包括各种控制开关的作用、针对电机启动的开关设置等。
引导学生进入题目阶段。
在电气控制图中标注控制元件(接触器、按钮等)、电源、限位开关等。
让学生为控制线路建立一个原理图。
通过对原理图的讲解,让学生们更好地理解顺序启动和逆序停止的控制方式。
4. 工程篇根据推动相关设备所需的控制和启动流程,进行顺序起动和逆序停止的电气控制系统设计。
让学生们在模拟环境下,运用其学到的知识,自己实现一个起动和停止控制端口。
5.调试篇了解使用接口电路激励开关,进而将其应用于控制器的输入端口连接控制线路。
此阶段的学习任务,是要求学生运用其已学到的相关知识和技能,来验证自己的电路设计,以及测试线路的正确性。
通过难度逐步递增的实验来检验且掌握所学知识。
最终达到彻底掌握所有核心知识,以及电路设计和实现的关键技能的目标。
6.总结篇为了巩固课程rsquo;s需要,结合所学知识和熟练掌握的技能,来设计一块电气控制板。
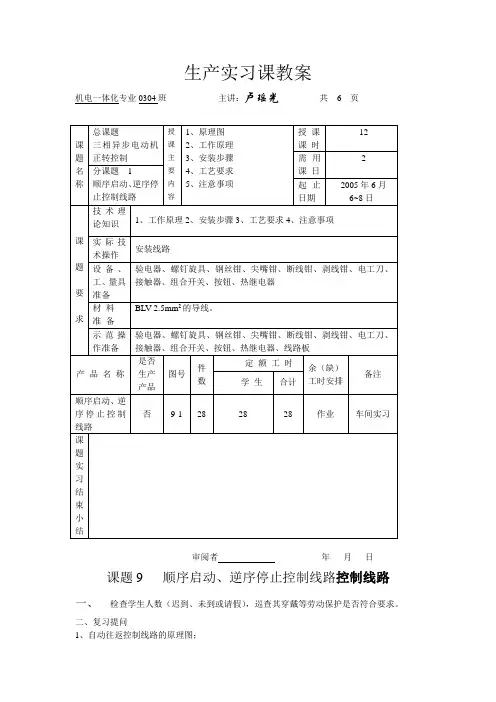
生产实习课教案机电一体化专业0304班主讲:卢瑶光共 6 页审阅者年月日课题9 顺序启动、逆序停止控制线路控制线路一、检查学生人数(迟到、未到或请假),巡查其穿戴等劳动保护是否符合要求。
二、复习提问1、自动往返控制线路的原理图;2、自动往返控制线路的工作原理3、引入正题:在装有多台电动机的生产机械上,各电动机所起作用是不同的,有时需按一定的顺序启动或停止,才能保证操作过程的合理和工作的安全。
例如:X62W型万能铣床上要求主轴电动机启动后,进给电动机才能启动;M7120型平面磨床的冷却泵电动机,要求当砂轮电动机启动后才能启动,叫做电动机的顺序控制。
下面一种控制电路能实现两台电动机顺序启动逆序停止的控制线路。
三、讲新课(入门指导):重点难点:1、两台电动机顺序启动、逆序停止控制线路的原理图两台电动机顺序启动、逆序停止控制线路对于这二条带运输机的电气要求是:(1)启动顺序为1号、2号,即顺序启动,以防止货物在带上堆积;(2)停车顺序为2号、1号,即逆序停止,以保证停车后带上不残存货物;(3)当1号出现故障停车时,2号能随即停车,以免继续进料。
3、该电路特点:线路中KM2线圈支路上串联了KM1的常开辅助触头,SB1的两端并联了接触器KM2的常开辅助触头,从而实现了M1启动后,M2才能启动,而M2停止后,M1才能停止的控制要求,即M1、M2是顺序启动,逆序停止。
三台电动机都用熔断器和热继电器作短路和过载保护,三台中任何一台出现过载故障,三台电动机都会停止。
2、工作原理:线路的工作原理如下:首先合上电源开关QSM1(1号)、M2(2)号、M3(3号)依次顺序启动:启动1号按下SB4 KM主触头闭合常开辅助触头闭合按下SB5 KM2线圈得电主触头闭合启动2号两对常开辅助触头闭合按下SB6 KM3启动3号主触头闭合常开辅助触头闭合M3(3号)、M2(2号)、M1(1号)依次逆序停止:KM3M3停止3号 按下SB3 KM3线圈失电 主触头分断 KM3常开辅助触头分断按下SB2 KM2线圈失电M2停止2号 KM2 KM2常开辅助触头分断KM1停止1号 按下SB1 KM1线圈失电主触头分断KM1常开辅助触头分断四、示范操作:元件安装、布线、查线路、通电试车。
教学过程(讲授内容、专业案例、职业案例、育人案例、提问内容与方法、导入方法、辅助教学手段的使用、时间把握、作业布置、演示部分的策划、结束方式):重点环节提示复习旧知识(5’)导入新课(5’)(1)电动机顺序启动、同时停车控制电路如何安装调试操作呢?(2)通电前如何检测?检测出问题又如何排除?讲授新课(80’)实践4:顺序启动、同时停车控制的安装调试1.实践器材三相异步电动机2台、断路器1台、热继电器1台、接触器2台、按钮3个、熔断器5个,万用表1台、电工工具1套、导线若干。
实践的器件外形参考图2-4所示。
2.实践电路三相异步电动机顺序起动、同时停车控制电路如图所示。
动画引入微课强化教学过程(讲授内容、专业案例、职业案例、育人案例、提问内容与方法、导入方法、辅助教学手段的使用、时间把握、作业布置、演示部分的策划、结束方式):重点环节提示3.实践过程1)布置并安装器材按照图及实践元器件明细的数量准备好电气元器件,注意每个器件的工作电压一定要与实训室配置的实验电压一致。
根据实训室设备情况完成布置图,在控制板上按照布置图合理、美观、牢固地安装电器元件。
2)按图接线参照元器件体积大小,以及图2-17的实践控制电路,明确线路中各元器件之间的安装接线关系,如图2-18所示。
然后按照先主后辅、从左到右、从上到下的顺序依次接线。
注意导线布局:走线美观,接线要求牢靠,整齐、清楚、安全可靠。
顺序起动、同时停止的安装接线图3)通电前检查(1)主电路的检查。
①按查线号法检查。
用查线号法逐线核对。
检查主电路时,可以手动来模拟受电线圈吸合时的情况进行检查。
②万用表检查法。
将万用表打到R×10挡(调零),断开控制线路(断开FU2),用表笔分别测4、5、6之间的阻值为∞。
按下KM1或KM2触点架,测得阻值应为电动机定子绕组的直流电阻值。
动画引入微课强化。
一、实训目的本次实训旨在使学生了解顺启逆停电动机的工作原理、控制电路的设计方法,并掌握其调试与操作技能。
通过实训,提高学生的动手能力和工程实践能力,培养学生的团队合作精神。
二、实训内容1. 顺启逆停电动机工作原理顺启逆停电动机是指电动机在启动时,先启动一台电动机,待其正常运行后,再启动下一台电动机;而在停止时,先停止最后启动的电动机,再依次停止前面的电动机。
这种启动方式可以避免电动机同时启动造成电流过大,从而保护电动机。
2. 控制电路设计(1)电路组成:顺启逆停电动机控制电路主要由接触器、按钮、继电器、时间继电器、指示灯等组成。
(2)电路原理:以两台电动机为例,电路原理如下:- 启动过程:按下启动按钮SB1,第一台电动机M1的接触器KM1线圈得电,KM1主触点闭合,M1启动;同时,KM1常开辅助触点闭合,为第二台电动机M2的接触器KM2线圈得电做准备。
- 延时启动过程:当M1启动后,时间继电器KT1线圈得电,其延时闭合的常开触点延时一段时间后闭合,KM2线圈得电,KM2主触点闭合,M2启动。
- 停止过程:按下停止按钮SB2,KM1、KM2线圈失电,KM1、KM2主触点断开,M1、M2停止。
3. 实训步骤(1)搭建顺启逆停电动机控制电路,连接电源、电动机、按钮、接触器、继电器、时间继电器、指示灯等。
(2)检查电路连接是否正确,无误后通电。
(3)进行电动机启动实验,观察启动顺序是否符合要求。
(4)进行电动机停止实验,观察停止顺序是否符合要求。
(5)分析实验过程中出现的问题,查找原因,并进行改进。
三、实训结果与分析1. 实训结果通过本次实训,我们成功搭建了顺启逆停电动机控制电路,实现了电动机的顺启逆停。
2. 实训分析(1)在搭建电路过程中,需要注意电路连接的正确性,确保电路通路畅通。
(2)在启动过程中,时间继电器延时时间要设置合理,以保证电动机启动顺序正确。
(3)在停止过程中,要确保停止顺序与启动顺序相反,以保护电动机。
自动化综合实训2项目二任务书题目:实现plc控制4台电动机顺序启动.逆序停止学年:13学年学期:第二学期系别:自控系班级:电气21132班组数:第六组指导教师:时间:2013年6月17——2013年6月21日全组名单工作具体分工✓Plc程序设计:孙磊磊✓Cad图表制作:帕提古丽✓资料收集:沈燚✓Plc接线调试:孙祥✓项目总结报告:桑贤伟一周具体工作安排✧星期一:熟悉有关电气设计规范,熟悉课题设计要求和内容,为项目设计作准备。
✧星期二:进行电路图和控制板电气元器件布置图的绘制。
✧星期三:绘制控制流程图. I/O端子接线图. 梯形图设计。
✧星期四:连接线路并调试。
✧星期五:整理资料,写课程设计报告。
目录一项目背景 (4)二设计要求 (4)三实训目的 (5)四总体方案设计 (5)1.控制要求 (5)2.接线原理图 (5)3.电气元件布置图 (6)4.实训设备及元器件明细表 (6)5.I/O地址分布表 (7)6.程序设计流程图 (8)7.程序梯形图 (8)五软硬件联调 (9)六实训小结 (9)七.参考文献 (10)一项目背景带式输送系统是一种摩擦驱动以连续方式运送物料的机械,利用它可以将物料在一定的输送线上,从最初的供料点到最终的卸料点之间形成一种物料的运送流程。
带式输送系统既可以进行碎散物料的输送,也可以进行成件套物品的运送。
所以带式输送系统广泛应用于电力.食品.冶金.化工.煤炭.矿山.港口.建材等现代化行业企业中,已经成为生产的重要环节。
下图为四条皮带运输机工作示意图。
二设计要求(1)根据项目技术要求,设计plc控制系统总体方案;(2)根据方案选择相应电气元器件后列写主要元器件清单;(3)绘制电路图.控制板电气元件布置图.电气安装接线图;(4)在控制板上安装接线;(5)系统控制板测试;(6)通电联调;(7)整理技术资料,编写项目报告,项目验收。
三实训目的1)学会用PLC控制主电路实现电动机正反转,达到综合应用PLC 的目的;2)学会用CAD制图;3)学会用Gx Developer编程软件,通过编写的程序,完成对主电路的控制;4)学会整理并制作课程设计报告。
课题五:三台电机顺序起动逆序停止控制线路2、工作原理起动:(合上QS)按下SB2→KM1线圈得电→→KM1主触头闭合,接通电源,M1起动。
↓→KM1常开触头闭合,自锁。
按下SB4→KM2线圈得电→→KM2主触头闭合,接通电源,M2起动。
↓→KM2常开触头闭合→自锁。
↓→锁定3、4按下SB6→KM3线圈得电→→KM3主触头闭合,接通电源,M3起动。
↓→KM3常开触头闭合→自锁。
↓→锁定5、6停止:按下SB5→KM3线圈失电→→KM3主触头断开→M3停转。
↓→KM3常开触头复位→释放5、6的锁定按下SB3→KM2线圈失电→→KM2主触头断开→M2停转。
↓→KM2常开触头复位→释放3、4的锁定按下SB1→KM1线圈失电→→KM2主触头断开→M1停转。
3、实习步骤同前,通电电路状况如下。
4、电器元件,见下表所示:5、注意事项⑴控制电路中5号线的连接线较多,要注意连接正确,在连接时,可先将5号线所要连接的所有触点找到,再按照一定的顺序(如从左到右)逐一连接。
⑵调整时间继电器的延时动作时间,通常以3~5秒为宜。
⑶在试电过程中,注意观察两台电机的启动顺序及其影响因素,并适当调整相关的参数67、故障检修(1)故障设置:当安装完成该电路后,要求学生备齐线槽盖,然后由指导老师在成功试电后的线路中设置三个断线故障(主电路一个,现象为缺相;控制电路两个,现象为有关部位没反应或是不正常)(2)故障检修:A.不能打开线槽盖B.不能通电扯线的方式发现断线故障C.通过试电观察现象、分析电路原理确定故障部位及故障点D.发现断线故障不用更换线,只需要在原有接线柱通过外接的方式接通断点E.定额时间半个小时。
通过本次电动机顺启逆停实训,旨在掌握电动机的基本工作原理,了解电动机顺启逆停控制系统的组成和原理,掌握电动机顺启逆停控制系统的安装、调试和运行方法,提高实际操作能力,为今后从事电动机控制相关领域的工作打下坚实基础。
二、实训内容1. 电动机顺启逆停控制系统组成电动机顺启逆停控制系统主要由以下部分组成:(1)电源:为电动机及控制系统提供电能。
(2)电动机:作为动力输出装置,完成各种运动任务。
(3)控制电路:由接触器、继电器、按钮、开关等组成,实现电动机的启停控制。
(4)保护电路:由熔断器、过载保护器等组成,对电动机进行过载、短路等保护。
2. 电动机顺启逆停控制系统原理电动机顺启逆停控制系统采用顺序启动、逆序停止的控制方式。
具体原理如下:(1)顺序启动:先启动一台电动机,再启动另一台电动机。
(2)逆序停止:先停止一台电动机,再停止另一台电动机。
3. 电动机顺启逆停控制系统安装与调试(1)安装①根据电路图,将电动机、控制电路、保护电路等元件安装到位。
②检查各元件连接是否牢固,接触是否良好。
(2)调试①检查电源电压是否正常。
②按顺序启动按钮,观察电动机启动是否正常。
③按顺序停止按钮,观察电动机停止是否正常。
④检查控制电路和保护电路是否正常工作。
1. 安装设备根据电路图,将电动机、控制电路、保护电路等元件安装到位,确保各元件连接牢固,接触良好。
2. 连接电源将电源接入电动机,确保电源电压正常。
3. 调试控制电路按顺序启动按钮,观察电动机启动是否正常。
如启动正常,则继续进行下一步调试。
4. 调试保护电路检查保护电路是否正常工作,如熔断器、过载保护器等是否正常。
5. 逆序停止测试按顺序停止按钮,观察电动机停止是否正常。
如停止正常,则说明电动机顺启逆停控制系统安装调试成功。
四、实训总结通过本次电动机顺启逆停实训,我们掌握了电动机顺启逆停控制系统的组成、原理、安装与调试方法。
在实训过程中,我们学会了如何根据电路图进行元件安装,如何检查电源电压,如何调试控制电路和保护电路。