一、顺序控制线路
- 格式:ppt
- 大小:571.00 KB
- 文档页数:16
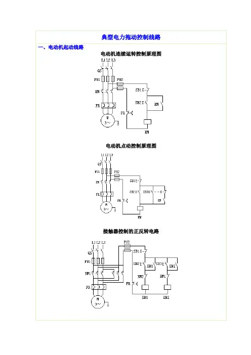
X62W型万能铣床上要求主轴电动机启动后,进给电动机才能启动;M7120型平面磨床则要求当砂轮电动机启动后,冷却泵电动机才能启动。
在装有多台电动机的生产机械上,各电动机所起的作用是不同的,有时需按一定的顺序启动或停止,才能保证操作过程的合理和工作的安全可靠。
像这种要求几台电动机的启动或停止,必须按一定的先后顺序来完成的控制方式,叫做电动机的顺序控制。
一、顺序控制线路110图1-67 主电路实现顺序控制的电路图1.主电路实现顺序控制如图1-67所示是主电路实现电动机顺序控制的电路图。
线路的特点是电动机M2的主电路接在KM(或KM1)主触头的下面。
在图1-67a所示控制线路中,电动机M2是通过接插器X接在接触器KM主触头的下面,因此,只有当KM主触头闭合,电动机M1启动运转后,电动机M2才可能接通电源运转。
M7120型平面磨床的砂轮电动机和冷却泵电动机,就采用了这种顺序控制线路。
在图1-67b所示控制线路中,电动机M1和M2分别通过接触器KM1和KM2来控制,接触器KM2的主触头接在接触器KM1主触头的下面,这样就保证了当KM1主触头闭合,电动机M1启动运转后,电动机M2才可能接通电源运转。
线路的工作原理如下:先合上电源开关QS。
M1启动后M2才能启动:按下SB1 KM1线圈得电 KM1KM1自锁触头闭合自锁电动机M1启动连续运转KM2再按下SB2 KM2 KM2自锁触头闭合自锁电动机M2启动连续运转M1、M2同时停转:按下SB3 控制电路失电 KM1、KM2主触头分断 M1、M2同时停转111想一想:能否通过控制电路来实现电动机的顺序控制?试一下,你能设计出几种形式的控制线路?几种在控制电路实现电动机顺序控制的电路图如图1-68所示。
图1-68a所示控制线路的特点是:电动机M2的控制电路先与接触器KM1的线圈并接后再与KM1的自锁触头串接,这样就保证了M1启动后,M2才能启动的顺序控制要求。
线路的工作原理与图1-67b所示线路的工作原理相同。
顺序控制电路工作原理
顺序控制电路是一种常用于自动化领域的电路,用于控制设备或系统按照特定顺序进行工作。
其工作原理可以分为以下几个步骤:
1. 电路电源连接:首先,顺序控制电路需要连接到电源。
这可以通过直接连接到电网电源或通过其他电源源头(例如电池)实现。
2. 信号输入:顺序控制电路接受来自外部的不同输入信号。
这些信号可以是开关、传感器、计时器等。
3. 信号处理:接收到不同的输入信号后,顺序控制电路会进行信号处理。
这包括解码、判断和转换输入信号以产生所需的控制信号。
4. 控制信号输出:信号处理之后,顺序控制电路将产生相应的控制信号。
这些控制信号可以通过电路中的继电器、触发器、电磁铁等元件来控制设备或系统的操作。
5. 设备或系统工作:最后,控制信号将被发送到设备或系统中,以按照预定的顺序进行工作。
这可以是打开或关闭电机、灯光、阀门等。
顺序控制电路的工作原理主要是基于输入信号的触发和处理,以及根据处理的结果来产生相应的控制信号。
它的核心原理是
根据输入信号的不同组合和逻辑关系,通过电路的设计和元件的选择,实现对设备或系统工作顺序的控制。
一、实训目的本次实训旨在通过实际操作,使学生了解和掌握顺序控制线路的基本原理、设计方法、安装与调试技巧,提高学生动手能力和实际操作技能。
通过实训,学生能够:1. 理解顺序控制线路的概念和作用;2. 掌握顺序控制线路的设计方法;3. 熟悉顺序控制线路的安装与调试步骤;4. 培养团队合作和沟通能力。
二、实训时间2023年X月X日至2023年X月X日,为期两周。
三、实训器材1. 电气元件:按钮、接触器、热继电器、时间继电器、继电器线圈、电磁阀、指示灯等;2. 电路板:实训专用电路板;3. 测量工具:万用表、示波器、绝缘胶带、导线等;4. 其他工具:螺丝刀、剥线钳、剪刀等。
四、实训内容1. 顺序控制线路的基本原理顺序控制线路是一种按照一定的顺序执行控制任务的电路,它由控制线路、执行机构和反馈机构组成。
控制线路负责发出控制信号,执行机构根据控制信号执行相应的动作,反馈机构将执行机构的动作反馈给控制线路,实现闭环控制。
2. 顺序控制线路的设计方法(1)确定控制线路的控制要求:根据实际需求,确定控制线路的控制对象、控制顺序、控制条件等。
(2)选择合适的电气元件:根据控制要求,选择合适的电气元件,如按钮、接触器、继电器等。
(3)绘制电路原理图:根据所选电气元件和控制要求,绘制电路原理图。
(4)检查电路原理图:检查电路原理图是否正确,是否存在错误或遗漏。
3. 顺序控制线路的安装与调试(1)安装电气元件:按照电路原理图,将电气元件安装在电路板上。
(2)连接导线:根据电路原理图,连接电气元件之间的导线。
(3)检查电路:检查电路连接是否正确,是否存在短路或断路。
(4)调试电路:通电测试电路,检查电路是否满足控制要求。
4. 顺序控制线路的实验(1)实验一:单机顺序控制设计一个简单的单机顺序控制电路,实现按下启动按钮后,电机依次启动,停止按钮使电机停止。
(2)实验二:多机顺序控制设计一个多机顺序控制电路,实现按下启动按钮后,多台电机依次启动,停止按钮使电机停止。
顺序控制线路的安装在装有多台电动机的生产机械上,各电动机所起的作用是不同的,有时需要按一定的顺序启动或停止,才能保证操作过程的合理和工作的安全可靠。
如X62W 型万能铣床上要求主轴电动机启动后,进给电动机才能启动;M7120型平面磨床的冷却泵电动机,要求当砂轮电动机启动后才能启动。
像这种要求几台电动机的启动或停止必须按一定的先后顺序来完成的控制方式,叫做电动机的顺序控制。
基础知识1主电路实现顺序控制: 1、电气原理图:见图6.11图6.11主电路顺序控制2、工作原理分析: 1)合上电源开关QS2)M1、M2同时停转:此电路中M1和M2分别通过接触器KM1、KM2来控制,接触器KM2的主触头接在KM1的L1L2L3FU2按下SB 3KM1、KM2主触头分断电动机M1、M2同时停转主触头下面,这样就保证了当KM1的主触头闭合、电动机M1启动运转后,M2才可能接通电源运转。
3、填写元器件清单,如表6.20表6.20 元器件及导线明细表4、画实际布线图(见附图)。
5、线路检测:(1)主电路接线检查。
按电路图或接线图从电源端开始,逐段核对接线有无漏接、错接之处,检查导线接点是否符合要求,压接是否牢固,以免带负载运行时产生闪弧现象。
(2)控制电路接线检查。
用万用表电阻挡检查控制电路接线情况。
检查时,应选用倍率适当的电阻挡,并调零。
①检查控制电路通断。
断开主电路,将表笔分别搭在U11、V11线端上,读数应为“∞”。
按下按钮SB1(或按钮SB2)时,万用表读数应为接触器线圈的直流电阻值(如CJlO一10线圈的直流电阻值约为1800Ω);同时按下停止按钮SB3,万用表读数由线圈的直流电阻值变为“∞”。
②自锁控制线路的控制电路检查.松开启动按钮SB1(或SB2),按下KM1(或KM2)触头架,使其常开辅助触点闭合,万用表读数应为接触器线圈的直流电阻值。
同时按下停止按钮SB3,万用表读数由线圈的直流电阻值变为“∞”。
教学设计五课程名称:电气控制与PLC 任课教师:学分:4个所属学科:机械所属专业:机电一体化适用对象:本专业高职教学过程设计【组织教学】1、课前准备上课所需的一些教学资料。
2、检查学生考勤,检查学生衣着是否穿戴整齐、符合安全要求。
3、说明本课题教学要求和教学方法。
4、稳定学生情绪,集中精力上课。
【复习旧课及课题的引入】在装有多台电动机的生产机械上,各电动机所起的作用是不同的,有时需要按一定的顺序启动或停止,才能保证操作过程的合理和工作的安全可靠。
1、以皮带运输机为例,引入电动机的顺序启动过程。
2、例如:M7120型平面磨床的冷却泵电动机,要求当砂轮电动机启动后才能启动。
【讲授新课】一、顺序控制线路1、概念:顺序控制---像这种要求几台电动机的启动或停止必须按一定的先后顺序来完成的控制方式。
2、主电路实现的顺序控制(1)电路图:顺序启动,同时停止。
工作原理的讲解在黑板画出电路图并进行电路结构分析和工作原理。
教师重点分析电路工作原理和特点。
3、控制电路实现顺序控制:工作原理的讲解4、扩展:在黑板画出电路分析电路的结构电路实现顺序控制:顺序启动,逆序停止。
工作原理举例说明该电路的应用。
5、多地控制电路能在两地或多地控制同一台电动机的控制方式叫电动机的多地控制。
工作原理线路的特点是:两地的启动按钮SBll、SB21并联接;停止按钮SBl2、SB22串联接。
拓展训练三条传送带运输机的示意图。
对于这三条带运输机的电气要求是:(1)启动顺序为1号、2号、3号,即顺序启动,以防止货物在带上堆积;(2)停车顺序为3号、2号、l号,即逆序停止,以保证停车后带上不残存货物;(3)当l号或2号出现故障停车时,3号能随即停车,以免继续进料。
试画出三条带运输机的电路图,并叙述其工作原理。
能满足三条带运输机电气控制要求的电路图。
小结本次课我们介绍了多地控制、顺序控制电路,对比点动、自锁控制电路,应用更广泛。