液体渗透检测机理
- 格式:ppt
- 大小:4.62 MB
- 文档页数:8
渗透检测是基于液体的毛细作用原理为基础,从而检查非多孔性固体材料表面开口缺陷的无损检测方法。
渗透检测原理工件表面被施涂含有荧光染料或着色染料的渗透剂后,在毛细现象的作用下,经过一定时间,渗透剂可以渗入表面开口缺陷中;去除工件表面多余的渗透剂,经干燥后,再在工件表面施加显像剂,在毛细作用下使显像剂吸附缺陷中的渗透剂,在一定的光源下,缺陷处的痕迹被显示,从而探测出缺陷的形貌和分布状态。
渗透检测方法的分类 1.根据渗透剂所含染料成份分类Ⅰ荧光法、Ⅱ着色法、Ⅲ荧光着色法;根据渗透剂去除方法分类A水洗型、B亲油型后乳化型、C溶剂去除型、D亲油型后乳化型;根据显像方法分类:a干粉显像剂、b水溶解显像剂、c水悬浮显像剂、d.溶剂悬浮显像剂、e自显像根据渗透检测伤灵敏度的分类:1.很低级、2.低级、3.中级、4.高级、5.超高级常用的渗透剂是荧光渗透剂和着色渗透剂,常用的去除剂有溶剂去除型和水洗型,常用的显像剂是溶剂悬浮显像剂和干粉显像剂。
一般干粉显像剂与荧光法配合使用;干式显像法、水基湿式显像法和自显像法均不能用于着色法。
灵敏度:渗透检测系统发现缺陷大小的能力。
分辨率:渗透检测系统探测缺陷的几何特性(位置、形状和尺寸)的鉴别能力。
可靠性:渗透检测系统检出缺陷与受检件真实缺陷之间的对应性。
渗透检测的优点 1.可检查金属和非金属的非多孔性材料的表面开口缺陷2.不受被检工件化学成份的限制;3. 不受被检工件材料组织结构限制;4. 不受缺陷形状、尺寸和方向的限制渗透检测的局限性1无法或难以检查多孔的材料;2.不适于检查因外来因素造成开口被堵塞的缺陷;3.难以定量的控制检查操作质量,多凭检测人员的经验、认真程度和视力的敏锐程度。
液体的表面张力:存在于液体表面,使液体表面收缩的力。
表面张力系数(法定单位是N/m(牛顿/米)与液体的种类和温度有关,一定成分的液体,在一定的温度和压力下有一定的α值;不同液体,α值不同;同一液体,表面张力系数α值随温度上升而下降;但有少数的熔融液体的表面张力系数α随温度的上升而增高,例如铜、镉等金属的熔融液体,含有杂质的液体比纯净的液体的表面张力系数要小。
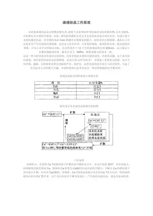
渗透结晶工作原理水泥基渗透结晶是由特殊的催化剂、波特兰水泥和硅砂等组成的无机质粉状物;以水为载体,在砼微孔及毛细管中渗透、充盈,催化砼的微粒及未完全水化的水泥成分再次水化,形成不溶于水的枝蔓状结晶,对出现的0.4~1mm裂缝有自我修复的能力。
如砼再次出现裂缝,遇水后又可反复多次产生结晶体封堵裂缝,达到永久防水作用,并有保护钢筋、增加砼密实度、提高强度的效果。
日本土木学会曾做过试验,在自然条件下12个月的渗透深度达到300mm。
这己满足大多数砼墙板的厚度。
耐水压为1.5MPa,膨胀系数与砼基本一致。
这是一种与砼同质同寿命的无机材料,没有有机防水材料出现的老化、环保等问题。
由于是在砼内渗透,增生新的水泥结晶封堵裂缝,是真正意义的“内防水”,并使施工变得更为简便,而且不怕穿刺、磕碰,无搭接要求和无须做找平层、保护层。
这种先进的技术设计与防水特性,引起了有关技术人员的极大兴趣。
该材料的核心技术是内含一种活性极强的化学催化剂。
渗透结晶防水材料机理主要成分表催化剂引发水泥结晶的增生机制图工作原理如图所示,在获得Ca²?的错体离子扩散在砼空隙的水分中,在反应型硅SiO?²¯存在的地方,因溶解度的格差得到Ca,错体的Ca转变为CaSiO?沉淀在砼的空隙中;分解出Ca的错体离子再次进行扩散,在存有Ca(OH)?:等物质、Ca²?浓度高的地方再次和Ca²?发生反应,转换成钙错体在砼内部扩散开来。
这个反应在砼中不断反复进行,产生新的水泥结晶,就是其基本机理。
水泥基渗透结晶型防水涂料字体大小:大- 中- 小tiand发表于08-07-23 11:19 阅读(1183) 评论(1)其主要成分硅酸盐水泥、精选石英砂、特种活性化学物质等,为灰色粉末状材料。
其防水机理在于以水为载体,通过水的引导,借助强有力的渗透性,在混凝土微孔及毛细管中进行传输、充盈,发生物化反应,形成不溶于水的枝蔓状结晶体。
1.1 简答渗透检测基本原理?答:是将溶有着色染料或荧光染料的渗透剂施加于工件表面,由于毛细现象的作用,渗透剂渗入到各类表面开口缺陷中,清除附着于工件表面上多余的渗透剂,干燥后再施加显像剂,缺陷中渗透剂重新回渗到工件表面,形成放大的缺陷显示,在白光下或在黑光灯下观察,缺陷处可呈红色显示或发出黄绿色荧光。
目视即可检测出缺陷的形状和分布。
1.2 简答渗透检测适用范围?答:渗透检测适用于钢铁、有色金属、陶瓷、塑料和玻璃等固体材料的表面开口缺陷的检测尤其适用于表面细微裂纹的检测,但不适用于多孔性材料的检测。
1.3 渗透检测的优点和局限性答:渗透检验的优点是设备和操作简单,缺陷显示直观,容易判断。
并不受材料组织结构和化学成分的限制。
局限性是只能检查非多孔性材料的表面开口缺陷,应用范围较窄,且仅能检出缺陷的表面分布,不能确定缺陷深度。
1.4 影响渗透检测灵敏度的主要因素是什么?答:因素有:⑴渗透液性能的影响;⑵乳化剂乳化效果的影响⑶显像剂性能的影响;⑷操作方法的影响;⑸缺陷本身性质的影响。
2.1 试写出润湿方程,并作出简图注明方程中各符号。
答:润湿方程如下:cosθ=(f S-f SL)/f L式中f S-固体与气体的界面张力,f L-液体表面张力,f SL-固体与液体的界面张力,θ-接触角2.2 什么是毛细现象、毛细管?写出公式h=2αCOSθ/r ρg中各符号的含义。
答:润湿液体在毛细管中呈凹面并且上升,不润湿液体在毛细管中呈凸面并且下降的现象称为毛细现象,能够发生毛细现象的管子称为毛细管。
公式h=2αCOSθ/rρg中各符号的含义是:H 一润湿液体在毛细管中的上升高度。
α—液体的表面张力系数。
θ—接触角。
R —毛细管内半径。
ρ—液体密度。
G —重力加速度。
2.3 什么是非离子型表面活性剂?为什么在渗透检测中通常采用非离子型表面活性剂?答:凡不能电离成离子的表面活性剂称为非离子型表面活性剂。
由于不电离所以稳定性高,不宜受强电解质无机盐及酸和碱的影响,与其它类型表面活性剂相容性好,在水和有机溶液中具有较好溶解性能,由于溶液中不电离,故在一般固体表面亦不宜发生强烈吸附,所以渗透检测中,通常采用非离子型表面活性剂。
渗透检测教案一、渗透检测的发展简史及现状1. 定义:渗透检测是一种以毛细作用原理为基础用于检测非松孔性金属和非金属试件表面开口缺陷的无损检测方法。
(是一种非破坏性检查方法)2. 基本原理:渗透检测是将一种含有染料的渗透剂涂覆在零件表面上,在毛细作用下,渗透剂渗入表面开口的缺陷中去,然后去除表面多余的渗透剂,再在零件表面涂上一薄层显像剂,缺陷中的渗透剂在毛细作用下重新被吸附到零件表面上来而形成放大了的缺陷显示,在黑光灯下(荧光检测法)或在白光灯下(着色检测法)观察缺陷显示。
3. 基本操作步骤渗透清洗显像检验图1-1 渗透检测的基本操作步骤4. 适用范围:不适用于陶瓷、粉末冶金、碳素制品陶瓷:上釉是瓷--------非松孔性可用常规渗透检测方法未上釉是陶------松孔性可用过滤性微粒渗透检测方法粉末冶金:分多孔性和致密性,应通过试验确定用过滤粒子法还是常规方法碳素制品:通过浸铜处理,可将松孔堵塞,可用常规方法检测5 渗透检测简史起源:约二十世纪初“油—白垩法”公认为是最早的一种渗透检测方法——铁道工业部门使用补加应用:1930—1940年航空工业的发展——非铁磁性材料的大量使用美国人斯威策着色渗透剂荧光渗透剂发展:现代高灵敏度、超高灵敏度、基本无毒害的渗透剂,减少了环境的污染,同时提高了检测效率。
6 渗透探伤工作质量及体系渗透探伤的工作质量取决于渗透检测探伤体系的可靠性与重复性。
渗透探伤体系包括:渗透探伤使用的设备仪器(渗透装置、乳化装置、显像装置、黑光灯)渗透探伤剂(渗透剂、乳化剂、显像剂、去除剂)工艺方法(渗透、去除、显像与水洗法、后乳化法、溶剂去除法)环境条件(水源、电源、气源、暗室、光源)渗透探伤操作人员的技术资格水平补加7 国外渗透检测现状•50年前代后美国推出军方规范MIL-I-6866 《渗透探伤方法》MIL-I-25135 《渗透探伤试验材料》•60年代后,研制成功闪烁荧光渗透检测材料,提高了检测的灵敏度•自动生产线开始出现•水基渗透液和水洗法技术的出现•对氟、氯、硫的控制•专职渗透剂公司的出现。
渗透shèntòu①低浓度溶液中的水或其他溶液通过半透性膜进入较高浓度溶液中的现象。
如植物细胞的原生质膜、液泡膜都是半透性膜。
植物的根主要靠渗透作用从土壤中吸收水分和矿物质等。
②军队利用敌部署的间隙或有利地形秘密渗入敌纵深或后方的作战行动。
战术渗透通常由小分队实施,战役渗透通常由大部队实施。
③比喻一种势力逐渐进入到其他方面。
渗透(osmosis)是指水分子以及溶剂通过半透性膜的扩散。
水的扩散同样是从自由能高的地方向自由能低的地方移动,如果考虑到溶质的话,水是从溶质浓度低的地方向溶质浓度高的地方流动。
更准确一点说,是从蒸汽压高的地方扩散到蒸汽压低的地方。
被半透膜所隔开的2种液体,当处于相同的压强时纯溶剂通过半透膜而进入溶液的现象,称参透。
参透作用不仅发生于纯溶剂和溶液之间,而且还可以在同种不同浓度溶液之间发生,低浓度的溶液通过半透膜进入高浓度的溶液中。
砂糖,食盐等结晶体之水溶液,易通过半透膜,而糊状,胶状等非结晶体则不能通过渗透作用是具有液泡的成熟的植物细胞吸收水分的方式,原理是:原生质层具有选择透过性,原生质层内外的溶液存在着浓度差,水分子就可以从溶液浓度低的一侧通过原生质层扩散到溶液浓度高的一侧。
溶液渗透压的高低与溶液中溶质分子的物质的量的多少有关,溶液中溶质分子物质的量越多,渗透压越高,反之则越低。
在比较两种溶液渗透压高低时以两种溶液中的溶质分子的物质的量为标准进行比较。
如果溶质分子相同,也可以质量分数比较。
能够通过渗透作用吸水的细胞一定是一个活细胞。
一个成熟的植物细胞是一个渗透系统。
验证通过渗透作用吸水或失水的最佳实例是质壁分离和质壁分离复原的实验。
一次施肥过多引起“烧苗”,是由于土壤溶液的浓度突然增高,导致植物的根细胞吸水发生困难或不能吸水所至。
盐碱地里大多数农作物不能正常生长的原因之一也是土壤溶液浓度过高造成的。
淹制的鱼、肉等不易变质,是由于高浓度的盐溶液使细胞等微生物失水死亡之故。
问答题1.1简答渗透检测基本原理?就是将溶有着色染料或荧光染料的渗透剂施加于工件表面,由于毛细现象的作用,渗透剂渗入到各类表面开口缺陷中,清除附着于工件表面上多余的渗透剂,干燥后在施加显像剂,缺陷中渗透剂重新回渗到工件表面,形成放大的缺陷显示,在白光或黑光下观察,缺陷处可呈红色显示或发出黄绿色荧光。
目视即可检出缺陷的形状和分布。
1.2简答渗透检测的适用范围?渗透检测适用于钢铁、有色金属、陶瓷、塑料和玻璃等固体材料的表面开口缺陷的检测尤其适用于表面细微裂纹的检测,但不能用于多孔材料的检测。
1.3渗透检测的优点和局限性?渗透检测的优点是设备和操作简单,缺陷显示直观,容易判断。
并不受材料组织结构和化学成分的限制。
局限性是只能检查非多孔性材料的表面开口缺陷,应用范围较窄,且紧能检出缺陷的表面分布,不能确定缺陷深度。
1.4影响渗透检测灵敏度的主要因素是什么?(1)渗透液性能的影响(2)乳化剂乳化效果的影响(3)显像剂性能的影响(4)操作方法的影响(5)缺陷本身性质的影响2.3什么是非离子型表面活性剂?为什么在渗透检测中通常采用非离子型表面活性剂?凡不能电离成离子的表面活性剂称为非离子型表面活性剂。
由于不电离所以稳定性高,不易受强电解质无机盐及酸和碱的影响,与其他表面活性剂相溶性好,在水和有机溶液中具有较好溶解性能,由于溶液中不电离,故在一般固体表面亦不发生强烈吸附,所以渗透检测中,通常采用非离子型表面活性剂。
2.4什么是乳化剂和乳化现象?由于表面活性剂的作用,使本来不能混合到一起的两种液体能够混合到一起的现象称为乳化现象。
具有乳化作用的表面活性剂称为乳化剂。
2.5什么是表面张力、表面张力系数?表面张力系数的物理意义?存在于液体表面使液体表面收缩的力称为表面张力。
液面边界单位长度所具有的表面张力称为表面张力系数。
表面张力系数的物理意义是将液面缩小单位面积,表面张力所做的功。
2.6表面张力产生的原因是什么?液体分子间存在着相互吸引力,在液体内部,对每个分子来说,它所受四周分子的引力作用是一样的,而处于表面液体的分子向外受气体分子的引力,向内受液体分子的引力,由于气体分子的密度小于液体分子的密度,液体表面层分子所受向内吸引力大于向外吸引力,合作用表现为向内的拉力,这就形成了表面张力。
目录第一章绪论1什么叫渗透检测?渗透检测的工作原理和适用范围?2渗透检测可以按什么形式分类?各分为哪几类?3原始渗透剂检测方法与现代渗透剂检测方法主要区别是什么?为什么说美国工程技术人员斯威策开创了现代渗透检测方法的新阶段?4渗透检测操作有哪几个基本步骤?水洗型;后乳化型及溶剂祛除型渗透法各有几个基本操作程序?5渗透检测体系的可靠性包括哪些内容?简述渗透体系的可靠性与受检零部件安全使用的关系。
6简述无损检测(探伤)的特征及作用。
第二章渗透检测的物理化学基础7什么叫分子运动论?简述分子运动论的基本内容。
8阐述拉伸或压缩物体时,分子间的作用力表现为引力或斥力的机理?9什么叫分子的平均动能;分子势能;分子内能?10为什么说温度是物体分子平均动能的标志?11阐述分子势能与分子间距的关系?12自然界有哪三种物质形态?各有什么特征?13什么叫界面?固,液,气三态之间有哪几种界面?简述界面张力和界面能的概念?14什么叫表面层;附着层?简述表面层,附着层里分子的受力情况?15什么叫液体的表面张力?举例说明?16什么叫表面张力系数?有什么特点?17什么叫表面过剩自由能?它的物理意义是什么?它与表面张力系数有何联系?18什么叫分子作用半径?分子作用球?为什么液体表面有自行收缩的趋势?19简述液体表面的分子分布状况及相互作用力状况?为什么说液体分子间相互作用力是表面张力产生的原因?20什么叫润湿?润湿有哪三种方式?它们与接触角有何关系?简述润湿与不润湿产生的机理,它对渗透检测有何影响?21润湿的基本公式是什么?它与界面张力有何联系?22什么叫表面活性?什么叫表面活性剂?23表面活性剂分子结构的特点是什么?离子型与非离子型表面活性剂各有什么特点?渗透检测时常用哪类表面活性剂?24渗透检测中常用的非离子型表面活性剂有哪几种?各有什特点?25什么叫胶团?胶团有哪几种形态?26什么叫胶团化作用?什么叫临界胶团浓度?临界胶团浓度与表面活性剂的界面吸附作用及增溶作用有何关系?27表面活性剂为何分于发生界面吸附现象?表面活性剂在溶液界面上的吸附近于饱和时,溶液性质将发生哪些变化?28什么叫表面活性剂的增溶作用?产生增溶作用的根本原因是什么?29什么叫H.L.B值?写出单一非离子型表面活性剂的H.L.B值计算公式及几种成份组合的非离子型表面活性剂的H.L.B值计算公式?30表面活性剂在水中分散情况与H.L.B值有怎样的大致关系?31表面活性剂的H.L.B值不同,对应的作用也不同,简述对应关系?32什么叫分散体系?分散相(内相,不连续相)和分散介质?33按分散程度的不同,分散体系分为哪几类?渗透检测中常用的乳状液属哪类?34按分散相和分散介质的不同的物质形态,可将分散体系分为哪几蒸?渗透检测中的乳状液属哪类?35什么叫乳状液?常见的乳状液有几种?举例?36油水不相溶的根本原因是什么?为什么加入表面活性剂后油水就能相混?37什么叫乳化现象?什么叫乳化剂?乳化机理是什么?38什么叫非离子型乳化剂的凝胶现象?为什么用凝胶现象可以提高渗透检测灵敏度?39乳化形式有哪几种?如何识别?不同的乳化形式与H.L.B值之间的关系?40什么叫吸附现象?简述固体表面的吸附现象?吸附剂和吸附质?41简述表面活性剂在液体表面吸附现象中的作用?42物理吸附和化学吸附的区别?43什么叫毛细现象?什么叫毛细管?举例说明.44湾曲液面产生附加压强的根本原因是什么?写出规则球状液面,柱状液面,平面液面及任意曲面液面的附加压强表达式,并指出其方向.45分析毛细管中受力情况,并写出毛细管中上升的高度表达式?指出各符号的意义?46简述光子说及光的波粒二象性的基本内?47什么叫光源?分为哪几类?着色渗透检测时用的白炽灯,高压水银灯属于什么光源?荧光渗透检测时,荧光渗透剂发出的荧光属于什么光源?48可见光,紫外线,荧光三者的区别是什山?写出三者的波长范围?49什么叫光致发光?什么叫磷光物质,荧光物质?荧光染料是哪一类物质?50什么叫着色强度(或荧光强度)?它对检测灵敏度有何影响?51简述发光机理?及人眼观察事物的复杂能力?52发光强度,光通量,辐射通量,照度,及光视效能的定义及单位?53渗透检测时对照明的具体要求?54渗透检测时,缺陷与缺陷显示尺寸有何区别?浅而宽的缺陷与细而长的缺陷,渗透检测时各应注意哪些主要问题?55什么叫可见度?它与哪些因素有头?56什么叫对比度和对比率?从对比度和对比率方面叙进荧光检测和着色检测的差别?57裂纹检出能力与哪些因素有关?如何测定裂纹检出能力?58什么叫渗透剂缺陷截留?影响渗透剂渗入开口缺陷有哪些因素?59渗透剂的主要成份是什么?每种成份各举三例说明?60渗透剂用染料应具备哪些基本性能?6l简述增强荧光亮度的“串激”方去?举例说明?62渗透剂中溶剂应具备哪些性能?63简述水基及自乳化型着色液的主要组成成份,特征和适用范围?64简述后乳化型着色渗透剂的主要组成成份及适用范围?65简述溶剂去除型着色渗透剂的主要组成成份及适用范围?66简述水洗型荧光渗透剂的主要组成成分及适用范围?67简述后乳化型荧光渗透剂的主要组成成分及适用范围?68简述溶剂去除型荧光渗透剂的主要组成成分及适用范围?69简述着色荧光渗透剂,高温下使用的渗透剂,过滤性微粒渗透剂及化学反应型着色剂的作用原理及适用范围?70简述渗透剂的综合性能?7l简述渗透剂的物理性能(粘度,表面张力,接触面,密度,挥发性,闪点,燃点,电导性)对渗透检测的影响?72简述渗透剂的化学性能(化学惰性,去除性,含水量,容水量,毒性,溶解性,腐蚀性)对渗透检测的影响?73简述渗透剂的特殊性能(稳定性)对渗透检测的影响?74(简述)不同的渗透检测方法使用哪些不同的去除剂?75乳化剂的成份有哪些?各起什么作用?76(简述)亲水性乳化剂与亲油性乳化剂的乳化型式?H.L.B值及使用注意事项等方面的区别?77简述乳化剂的综合性能要求?78简述乳化剂的物理性能,对渗透检测的影响?79简述乳化剂的化学性能,对渗透检测的影响?80简述乳化剂的特殊性能,对惨透检测的影响?81简述溶剂去除剂的主要性能要求?82显像剂分哪几类?各类显像剂的主要组分是什么?各组分的作用是什小?83简述显像剂的综合性能要求?84简述显像剂的物理性能,对渗透检测的影响?85简述显像剂的化学性能,对渗透检测的影响?86简述显像剂的特殊性能,对渗透检测的影响?87什么叫渗透检测剂系统?对渗透检测剂系统的基本要求是什么?88渗透检测剂同族组的含义是什么?为什么必须遵守"同族组"原则?89渗透检测剂系统的选择原则是什么?举例说明?90什么叫静态渗透参量?它与哪些因素有关?优质渗透剂的接触角,表面张力系数及静态渗透参量有何特征?91什么叫动态渗透参量?它与哪些因素有关?具体阐述粘度值是如何影响动态渗透参量并进而影响渗透检测的?第五章渗透检测设备,仪器和试块92简述压力喷罐的结构及工作原理?93什么叫分离型装置?它包括哪些具体装置?#94简述三氯乙烯蒸气除油装置的结构,工作原理及操作注意事项?95简述渗透剂施加装置的结构及各结构的作用?96简述乳化剂施加装置的结构?97简述压缩空气搅拌水槽的结构?98简述干燥装置的结构?99简述干式显像喷粉柜的结构及各结构的作用?100简述湿式显像槽的结构及各部分结构的作用?101什么叫整体型装置?它有几种形式?设计整体型装置的依据是什么? 102简述黑光灯的结构?点燃过程及使用注意事项?103试图出黑光灯接线图?104简述黑光灯镇流器的作用?为什么黑光灯要尽量减少不必要的开关次数?105简述需要检测黑光强度的原因?106黑光强度检测仪有哪几种型式?分别简述其工作原理?#107简述静电喷涂装置的工作原理?108(简述)渗透检测质量检验用试块(试件)常用哪几科?(简述)各有什么优缺点?第六章渗透检测方法109简述水洗型渗透检测法的基本工艺流程及适用范围?110简述后乳化型渗透检测法的基本工艺流程及适用范围?111简述溶剂去除型渗透检测法的基本工艺流程及适用范围?#112简述加载法的工作原理及优缺点?#113简述使用渗透检漏法的工作具体方法及注意事项?114渗透检测方法的选择原则是什么?举例说明?#115简述下列特殊渗透检测方法的工作原理:渗透剂与显像剂相互作用法,逆荧光法,酸洗显示的染色法,消色法,气体渗透剂技术,铬酸阳极化法?第七章渗透检测工艺116渗透检测前,为什么要对待检表面进行准备和清洗?它们包括哪些内容?117清除被检工件渗透检测表面污物有哪几种主要方法?各种方法应注意哪些事项?118被检工件表面的如下污物,用哪种方法清除较好?a大批量小被检工件表面的油污.b铸件表面的型砂,模料及溶渣等.c焊接件表面的飞溅,焊渣及铁屑等.d铝合金表面的油污.e锻件表面的氧化皮,积炭等.f陶瓷件表面的油污及水分.g受检工件表面的油漆及其它保护层.119施加渗透剂的基本要求是什么?有哪几种施加方法?适用范围是什么? 120施加渗透剂时,渗透时间及温度应如何控制?121去除工序的基本要求是什么?水洗型,后乳化型及溶剂去除型渗透剂的去除方法有何不同?去除时应注意哪些问题?第一章绪论1什么叫渗透检测?渗透检测的工作原理和适用范围?答:渗透检测:是一种以毛细作用原理为基础的检查表面开口缺陷的无损检测方法。
简述渗透探伤的工作原理和基本步骤答:用黄绿色荧光渗透液或有色非荧光渗透液渗入表面开口缺陷的缝隙中去,经清洗去除表面多余的渗透液,然后通过显像显示缺陷存在的方法称为渗透探伤。
渗透探伤的工作原理是:对零件表面被施涂含有荧光染料或着色染料的渗透液后,在毛细管作用下,经过一定时间的渗透,渗透液可以渗进表面开口缺陷中。
经去除零件表面多余的渗透液和干燥后,再在零件表面施涂吸附介质——显像剂;显像剂将吸附缺陷中渗透液。
在一定光源下(黑光或白光),缺陷处的渗透液迹痕被显示(黄绿色荧光或鲜艳的红色),从而探测出缺陷的形状及分布状况。
1.2渗透探伤可分哪几类?答:按渗透剂中染料种类分:可分为荧光和着色两类按去除渗透剂方法分:可分为水洗,后乳化,深剂去除三类这样可组合为六种方法,即水洗型着色渗透探伤;后乳化型着色渗透探伤;溶剂清洗型着色渗透探伤;水洗型荧光渗透探伤;后乳化型荧光渗透探伤;溶剂清洗型荧光渗透探伤。
此外按显像分:可分为干式,湿式,速干式,自显式。
1.3渗透探伤的优点和局限性是什么答:渗透检验的优点是设备和操作简单,缺陷显示直观,容易判断。
基本不受零件尺寸,形状的限制,各个方向的缺陷可一次检出。
局限性是只能检查非多孔性材料的表面开口缺陷,应用范围较窄。
1.4影响渗透探伤的灵敏度的主要因素是什么答:从大的方面讲影响探伤灵敏度的因素可归结如下:(1)渗透液性能的影响(2)乳化剂的乳化效果的影响(3)显像剂性能的影响(4)操作方法的影响(5)缺陷本身性质的影响1.5就磁粉与渗透两种探伤方法而言,其各自的优点是什么答:磁粉探伤的优点是:(1)对铁磁性材料检测灵敏度高(2)无毒害(3)可检查铁磁性材料表面和近表面(不开口)缺陷(4)操作简单,效率高。
渗透探伤的优点是:1)检查对象不受材质限制2)不受缺陷方向影响3)不受被检工件几何形状影响4)设备简单1.6简述渗透探伤的适用范围答:渗透探伤可以检查(钢,耐热合金,铝合金,铜合金)和非金属(陶瓷,塑料)零件或材料的表面开口缺陷,例如:裂纹,疏松,气孔,夹渣,冷隔,折叠和氧化斑疤等。
渗透探伤优点和局限性事什么?答:渗透探伤的优点是设备和操作简单,缺陷显示直观,容易判断基本上不受零件的尺寸和形状的的限制,各个方面的缺陷可一次检出。
局限性:只能检出非多孔性材料的表面开口缺陷,应用范围较窄简述渗透探伤的工作原理和基本步骤?答:用黄绿色荧光渗透液或有色非荧光渗透液渗入表面开口缺陷的缝隙中去,经清洗去除表面多余的渗透液,然后通过显像显示缺陷存在的方法称渗透探伤渗透探伤的工作原理:对零件表面施涂含有荧光染料或者是着色染料的渗透液后,在毛细管作用下,经过一定时间的渗透,渗透液可以渗进表面开口缺陷中,经去除零件表面多余的渗透液和干燥后,再在零件表面施涂吸附剂----显像剂,显像剂将吸附缺陷中的渗透液。
在一定光源下(黑光或者白光)缺陷处的渗透液痕迹被显示(黄绿色荧光或鲜艳的红色)从而探测出缺陷的形状及分布影响渗透探伤灵敏度的主要因素是什么?答:从大的方面来说可归结如下1渗透液的性能的影响2乳化剂的及乳化效果的影响3显像剂的性能的影响4操作方法法的影响5缺陷本身性质的影响液体表面张力产生的原因是什么?答:液体分子间存在着相互的吸引力,在液体的内部对每个分子来说,他所受四周的引力作用是一样的,而处于表层液体的分子向外受气体分子的吸引,向内受液体分子的吸引,由于气体分子的密度小于液体分子的密度,液体表面层的分子所受向内吸引力大于向外吸引力,合作用表现为受向内的拉力,这样就形成了液体表面张力什么是乳化剂和乳化现象?简述乳化机理答;由于表面活性剂的作用,使本来不能混合到一起的两种液体能够混合的一起的现象叫做乳化现象,具有乳化作用的表面活性剂称为乳化剂乳化机理:加入表面活性剂后,由于表面活性剂的两亲性质,使之易于在油水界面上吸附并富集,降低了界面的张力,改变了界面的状态,从而使不能混合在一起的油和水两种液体能够混合在一起,其中一相液体离散为许多微粒分散于另一相液体中,称为乳状液什么叫吸附现象?渗透探伤中那些地方发生吸附?答:物质自一相内部富集于界面的现象称为吸附现象,当固体和液体或者气体接触时,凡能把液体或气体中德某些成分聚集到固体表面上来的现象,就是固体表面上发生的吸附现象能起吸附作用的固体称为吸附剂被吸附在固体表面上的液体或者是气体中德某些成分称为吸附质。
渗透现象实验设计与研究
渗透现象是一种自然现象,它描述的是在两种不同的介质之间的物质流动的过程,其中一种介质为液体,另一种介质为固体。
渗透现象具有广泛的应用,可以用于土壤和水体的污染检测、细胞的营养物运输和植物的蒸腾和渗漏等。
因此,实验设计和研究是理解渗透现象的关键。
在实验设计中,首先要考虑渗透现象的主要因素,包括周围介质的物理性质、物质的类型和浓度等。
此外,还需要考虑实验的时间范围、渗透速率的测量方法、实验方法的重复性等。
在实验设计的基础上,要建立适当的实验模型,以探究和分析渗透现象的机理。
其次,要根据实验设计的要求,进行实验研究。
首先要仔细制备实验样品,确保实验条件的一致性,控制实验变量。
然后要对实验结果进行分析,绘制实验曲线,并建立理论模型,以描述渗透现象的特征。
此外,还可以进行一些改进性的实验,以进一步探究和分析渗透现象的机理。
例如,可以改变实验条件,检测渗透速率的变化规律,以及物质在介质中的扩散轨迹;还可以采用不同的实验方法,如汽提实验、振荡实验等,以进一步探究介质的渗透特性。
总之,渗透现象实验设计和研究是一个复杂的过程,需要仔细分析和研究,以便更好地理解渗透现象的机理和规律。
正确的实验设计和有效的实验研究,有助于更好地应用渗透现象,以满足工业和科研领域的需求。