桩基础实例设计计算书
- 格式:docx
- 大小:101.96 KB
- 文档页数:17
地基基础课程设计学生姓名:单兴孙学号:201005024312指导教师:赵少飞所在学院:建筑工程学院专业:土木工程专业2013 年09 月地基基础课程设计任务书(预制桩基础)-—土木B103一、工程概况燕郊某机械厂车间,为单层单跨排架结构,跨度18米,柱距6米,纵向总长度72m,室内外地面高差0.30米。
柱截面500×1000mm.建筑场地地质条件见表A,作用于基础顶面的荷载见表B.表A 建筑场地地质条件注:地下水位在天然地面下2。
5米处表B 上部结构传来荷载注:1、荷载作用于基础顶面,弯矩作用于跨度方向;2、表中给出的是荷载设计值,如需用到荷载标准值,直接把设计值除以1.3即可。
二、题目分配按学号选择表B中相应的荷载,全班地质条件均相同(表A)。
三、设计要求1、设计桩基础(包括桩、承台设计、群桩基础计算等);2、绘制施工图,包括基础平面布置图、承台和桩身详图及必要的施工说明等;(A1图纸594mm×841mm).3、计算书内容应详尽,数据准确,排版规范(按附件的排版规范执行).图纸应符合制图规范相关要求,表达完整、准确.参考设计步骤:1、确定桩的类型、长度(包括确定桩端持力层)、截面尺寸,初步选择承台底面标高(要考虑预制桩的要求);2、按经验公式确定单桩承载力;3、确定桩数及布置;4、群桩基础计算;5、桩身设计;6、承台设计;7、绘制施工图。
目录1 设计资料................................................................................................ 错误!未定义书签。
2 选择桩端持力层、承台埋深................................................................ 错误!未定义书签。
3 确定单桩极限承载力标准值 (2)4 确定桩数和承台尺寸 (3)5 桩顶作用效用验算 (3)6 桩基础沉降验算 (4)6.1 求基底压力和基底附加压力 (4)6。
基础工程计算书桩基础设计1.1设计资料 1.1.1上部结构资料某教学实验楼,上部结构为七层框架,其框架主梁、次梁、楼板均为现浇整体式,混凝土强度等级为C30。
底层层高3.4m (局部10m ,内有10t 桥式吊车),其余层高3.3m ,底层拄网平面布置及柱底菏载见图2.1。
1.1.2建筑物场地资料拟建建筑场地位于市区内,地势平坦,建筑平面位置见图2.2。
建筑场地位于非地震区,不考虑地震影响。
图2.2建筑物平面位置示意图单位:m场地地下水类型为潜水,地下水位离地表 2.1m,根据已有的分析资料,该场地底下水对混凝土无腐蚀性。
建筑地基的土层分布情况及其各土层的物理、力学指标见表2.1表2.1地基各土层物理、力学指标1.2选择桩型、桩端持力层、承台埋深1.2.1选择桩型因框架跨度大而且极不均匀,柱底荷载大,不宜采用浅基础。
根据施工场地、地基条件以及场地周围的环境条件,选择桩基础。
因钻孔灌注桩水泥排泄不便,为了减小对周围环境的污染,采用静压预制桩,这样可以较好的保证桩身质量,并在较短施工工期完成沉桩任务,同时,当地的施工技术力量、施工设备及材料供应也为采用静压桩提供了可能性。
1.2.2选择桩的几何尺寸及承台埋深依据地基土的分布,第④层土是较合适的桩端持力层。
桩端全断面进入持力层1.0m(>d2),工程桩进土深度为23.1m。
承台底进入第②层土0.3m,所以承台的埋深为2.1m,桩基的有效长度即为21m。
桩截面尺寸选用450m m×450m m,由施工设备要求,桩分为两节,上段长11m,下段长11m(不包括桩尖长度在内),实际桩长比有效桩长大1m,这是考虑持力层可能有一定的起伏以及桩需嵌入承台一定长度而留有的余地。
桩基及土层分布示意图见图2.3. 1.3确定单桩极限承载力标准值本设计属二级建筑桩基,采用经验参数法和静力触探法估算单桩承载力标准值。
根据单桥探头静力触探资料s P 按图1.2确定桩侧极限阻力标准值。
工程桩基础设计计算书 YUKI was compiled on the morning of December 16, 2020基础工程课程设计计算书系别:土木工程系姓名:盛懋目录1 .设计资料 (3)1.1 建筑物场地资料 (3)2 .选择桩型、桩端持力层、承台埋深 (3)2.1 选择桩型 (3)2.2 选择桩的几何尺寸以及承台埋深 (3)3 .确定单桩极限承载力标准值 (4)3.1 确定单桩极限承载力标准值 (4)4 .确定桩数和承台底面尺寸 (4)5 .确定复合基桩竖向承载力设计值及群桩承载力和 (5)5.1 四桩承台承载力计算 (5)6 .桩顶作用验算 (6)6.1 四桩承台验算 (6)7 .桩基础沉降验算 (6)7.1 桩基沉降验算 (6)8 .桩身结构设计计算 (9)8.1 桩身结构设计计算 (9)9 .承台设计 (10)9.1 承台弯矩计算及配筋计算 (10)9.2 承台冲切计算 (11)9.3承台抗剪验算 (12)9.4 承台局部受压验算 (12)1. 工程地质资料及设计资料1) 地质资料某建筑物的地质剖面及土性指标表1-1所示。
场地地层条件:粉质粘土土层取q sk=60kpa,q ck=430kpa;饱和软粘土层q sk=26kpa;硬塑粘土层q sk=80kpa,q pk=2500kpa;设上部结构传至桩基顶面的最大荷载设计值为:V=2050kn,M=300knm,H=60kn。
选择钢筋混凝土打入桩基础。
柱的截面尺寸为400mm600mm。
已确定基础顶面高程为地表以下0.8m,承台底面埋深1.8m。
桩长8.0m。
土层的主要物理力学指标表1-1编号名称HmW%?kn/m3?°S r e I p I L G sE smpaf akkpaa1-2mpa-11 杂填土 1.8 16.02 粉质粘土 2.0 26.519.020 0.90.8 12 0.6 2.7 8.51903 饱和软粘土4.4 42 18.316.51.01.1 18.5 0.982.711100.964 硬塑粘土>10 17.621.828 0.980.5120.1 0.252.78132572)设计内容及要求需提交的报告:计算说明书和桩基础施工图:(1)单桩竖向承载力计算(2)确定桩数和桩的平面布置(3)群桩中基桩受力验算(4)群桩承载力和(5)基础中心点沉降验算(桩基沉降计算经验系数为1.5)(6)承台结构设计及验算2 .选择桩型、桩端持力层、承台埋深1)、根据地质勘察资料,确定第4层硬塑粘土为桩端持力层。
桩基础实例设计计算书桩基础设计计算书⼀:建筑设计资料1、建筑场地⼟层按其成因⼟的特征和⼒学性质的不同⾃上⽽下划分为四层,物理⼒学指标见下表。
勘查期间测得地下⽔混合⽔位深为,地下⽔⽔质分析结果表明,本场地下⽔⽆腐蚀性。
建筑安全等级为2级,已知上部框架结构由柱⼦传来的荷载:V = 3200kN, M=400kN mg,H = 50kN;柱的截⾯尺⼨为:400×400mm;承台底⾯埋深:D =。
2、根据地质资料,以黄⼟粉质粘⼟为桩尖持⼒层,钢筋混凝⼟预制桩断⾯尺⼨为300×300,桩长为3、桩⾝资料:混凝⼟为C30,轴⼼抗压强度设计值fc=15MPa,弯曲强度设计值为fm =,主筋采⽤:4Φ16,强度设计值:fy=310MPa4、承台设计资料:混凝⼟为C30,轴⼼抗压强度设计值为fc=15MPa,弯曲抗压强度设计值为fm=。
、附:1):⼟层主要物理⼒学指标;2):桩静载荷试验曲线。
附表⼀:附表⼆:桩静载荷试验曲线⼆:设计要求:1、单桩竖向承载⼒标准值和设计值的计算;2、确定桩数和桩的平⾯布置图;3、群桩中基桩的受⼒验算4、承台结构设计及验算;5、桩及承台的施⼯图设计:包括桩的平⾯布置图,桩⾝配筋图,承台配筋和必要的施⼯说明;6、需要提交的报告:计算说明书和桩基础施⼯图。
三:桩基础设计(⼀):必要资料准备1、建筑物的类型机规模:住宅楼2、岩⼟⼯程勘察报告:见上页附表3、环境及检测条件:地下⽔⽆腐蚀性,Q —S 曲线见附表(⼆):外部荷载及桩型确定1、柱传来荷载:V = 3200kN 、M = 400kN ?m 、H = 50kN2、桩型确定:1)、由题意选桩为钢筋混凝⼟预制桩;2)、构造尺⼨:桩长L =,截⾯尺⼨:300×300mm 3)、桩⾝:混凝⼟强度 C30、cf=15MPa 、m=4φ16yf=310MPa 4)、承台材料:混凝⼟强度C30、cf=15MPa 、mf=tf=(三):单桩承载⼒确定 1、单桩竖向承载⼒的确定:1)、根据桩⾝材料强度(?=按折减,配筋φ16)2()1.0(150.25300310803.8)586.7pS cyR kNf f AA ?''=+=+?=2)、根据地基基础规范公式计算:1°、桩尖⼟端承载⼒计算:粉质粘⼟,LI=,⼊⼟深度为100800(800)8805pakPa q -=?= 2°、桩侧⼟摩擦⼒:粉质粘⼟层1:1.0LI17~24sakPa q= 取18kPa粉质粘⼟层2:0.60LI= ,24~31sakPa q= 取28kPa28800.340.3(189281)307.2p ippasia Ra kPaqq lA µ=+=?++?=∑3)、根据静载荷试验数据计算:根据静载荷单桩承载⼒试验Q s -曲线,按明显拐点法得单桩极限承载⼒550ukN Q=单桩承载⼒标准值:55027522uk kN QR === 根据以上各种条件下的计算结果,取单桩竖向承载⼒标准值275akN R单桩竖向承载⼒设计值1.2 1.2275330k kN R R ==?=4)、确定桩数和桩的布置:1°、初步假定承台的尺⼨为 223m ? 上部结构传来垂直荷载: 3200V kN = 承台和⼟⾃重: 2(23)20240G kN == 32002401.1 1.111.5330F G n R ++=?=?= 取 12n =根桩距:()()3~43~40.30.9~1.2S d m ==?= 取 1.0S m =2°、承台平⾯尺⼨及柱排列如下图:桩平⾯布置图1:100桩⽴⾯图(四):单桩受⼒验算: 1、单桩所受平均⼒:3200 2.6 3.6220297.912F G N kPa R n ++===<2、单桩所受最⼤及最⼩⼒:()()max max min2240050 1.5 1.5297.960.5 1.5iF G nMx Nx+??+=±=±=??∑3、单桩⽔平承载⼒计算: 150 4.212i H kPa n H === , 3200266.712i V == 4.211266.763.512H V ==<即 i V 与i H 合⼒与i V 的夹⾓⼩于5o∴单桩⽔平承载⼒满⾜要求,不需要进⼀步的验算。
目录1设计任务 (2)1.1设计资料 (2)1.2设计要求 (3)2 桩基持力层,桩型,桩长的确定 (3)3 单桩承载力确定 (3)3.1单桩竖向承载力的确定 (3)4 桩数布置及承台设计 (4)5 复合桩基荷载验算 (6)6 桩身和承台设计 (9)7 沉降计算 (14)8 构造要求及施工要求 (20)8.1预制桩的施工 (20)8.2混凝土预制桩的接桩 (21)8.3凝土预制桩的沉桩 (22)8.4预制桩沉桩对环境的影响分析及防治措施 (23)8.5结论与建议 (25)9 参考文献 (25)一、设计任务书(一)、设计资料1、某地方建筑场地土层按其成因土的特征和力学性质的不同自上而下划分为5层,物理力学指标见下表。
勘查期间测得地下水混合水位深为2.1m,本场地下水无腐蚀性。
建筑安全等级为2级,已知上部框架结构由柱子传来的荷载。
承台底面埋深:D =2.1m。
(二)、设计要求:1、桩基持力层、桩型、承台埋深选择2、确定单桩承载力3、桩数布置及承台设计4、群桩承载力验算5、桩身结构设计和计算6、承台设计计算7、群桩沉降计算8、绘制桩承台施工图二、桩基持力层,桩型,桩长的确定根据设计任务书所提供的资料,分析表明,在柱下荷载作用下,天然地基基础难以满足设计要求,故考虑选用桩基础。
由地基勘查资料,确定选用第四土层黄褐色粉质粘土为桩端持力层。
根据工程请况承台埋深 2.1m,预选钢筋混凝土预制桩断面尺寸为450㎜×450㎜。
桩长21.1m。
三、单桩承载力确定(一)、单桩竖向承载力的确定:1、根据地质条件选择持力层,确定桩的断面尺寸和长度。
根据地质条件以第四层黄褐色粉土夹粉质粘土为持力层,采用截面为450×450mm的预置钢筋混凝土方桩,桩尖进入持力层1.0m;镶入承台0.1m,桩长21.1 m。
承台底部埋深2.1 m。
2、确定单桩竖向承载力标准值Quk可根据经验公式估算:Quk= Qsk+ Qpk=µ∑qsikli+qpkApQ——单桩极限摩阻力标准值(kN)skQ——单桩极限端阻力标准值(kN)pku——桩的横断面周长(m)A——桩的横断面底面积(2m)pL——桩周各层土的厚度(m)iq——桩周第i层土的单位极限摩阻力标准值(a kP)sikq——桩底土的单位极限端阻力标准值(a kP)pk桩周长:µ=450×4=1800mm=1.8m桩横截面积:Ap=0.45²=0.2025㎡桩侧土极限摩擦力标准值qsik:查表得:用经验参数法:粉质粘土层:L I=0.95,取qsk=35kPa淤泥质粉质粘土:qsk=29kPa粉质粘土:L I=0.70,取qsk=55kPa桩端土极限承载力标准值qpk,查表得:qpk=2200 kPa用经验参数法求得Quk1=1.8×(35×8.0+29×12.0+1.0×55) +2200×0.2025=1674.9KN用静力触探法求得Quk2=1.8×(36×8.0+43×12.0+1.0×111) +1784.5×0.2025=2008.4KN3、确定单桩竖向承载力设计值R,并且确定桩数n和桩的布置先不考虑群桩效应,估算单桩竖向承载力设计值R为:R=Qsk/rs+Qpk/rpR——单桩竖向极限承载力设计值,kNQ——单桩总极限侧阻力力标准值,kNskQ——单桩总极限端阻力力标准值,kNpkγ——桩侧阻力分项抗力系数sγ——桩端阻力分项抗力系数p用经验参数法时:查表rs=rp=1.65R1=Qsk/rs+Qpk/rp=1229.4/1.65+445.5/1.65=1015.09KN 用静力触探法时:查表rs=rp=1.60R2=Qsk/rs+Qpk/rp=1647/1.60+361.4/1.60=1255.25KNRz=min(R1,R2)= 1015.09 KN四、桩数布置及承台设计根据设计资料,以轴线⑦为例。
目录1设计任务 (2)1.1设计资料 (2)1.2设计要求 (3)2 桩基持力层,桩型,桩长的确定 (3)3 单桩承载力确定 (3)3.1单桩竖向承载力的确定 (3)4 桩数布置及承台设计 (4)5 复合桩基荷载验算 (6)6 桩身和承台设计 (9)7 沉降计算 (14)8 构造要求及施工要求 (20)8.1预制桩的施工 (20)8.2混凝土预制桩的接桩 (21)8.3凝土预制桩的沉桩 (22)8.4预制桩沉桩对环境的影响分析及防治措施 (23)8.5结论与建议 (25)9 参考文献 (25)一、设计任务书(一)、设计资料1、某地方建筑场地土层按其成因土的特征和力学性质的不同自上而下划分为5层,物理力学指标见下表。
勘查期间测得地下水混合水位深为2.1m,本场地下水无腐蚀性。
建筑安全等级为2级,已知上部框架结构由柱子传来的荷载。
承台底面埋深:D =2.1m。
(二)、设计要求:1、桩基持力层、桩型、承台埋深选择2、确定单桩承载力3、桩数布置及承台设计4、群桩承载力验算5、桩身结构设计和计算6、承台设计计算7、群桩沉降计算8、绘制桩承台施工图二、桩基持力层,桩型,桩长的确定根据设计任务书所提供的资料,分析表明,在柱下荷载作用下,天然地基基础难以满足设计要求,故考虑选用桩基础。
由地基勘查资料,确定选用第四土层黄褐色粉质粘土为桩端持力层。
根据工程请况承台埋深 2.1m,预选钢筋混凝土预制桩断面尺寸为450㎜×450㎜。
桩长21.1m。
三、单桩承载力确定(一)、单桩竖向承载力的确定:1、根据地质条件选择持力层,确定桩的断面尺寸和长度。
根据地质条件以第四层黄褐色粉土夹粉质粘土为持力层,采用截面为450×450mm的预置钢筋混凝土方桩,桩尖进入持力层1.0m;镶入承台0.1m,桩长21.1 m。
承台底部埋深2.1 m。
2、确定单桩竖向承载力标准值Quk可根据经验公式估算:Quk= Qsk+ Qpk=µ∑qsikli+qpkApQ——单桩极限摩阻力标准值(kN)skQ——单桩极限端阻力标准值(kN)pku——桩的横断面周长(m)A——桩的横断面底面积(2m)pL——桩周各层土的厚度(m)iq——桩周第i层土的单位极限摩阻力标准值(a kP)sikq——桩底土的单位极限端阻力标准值(a kP)pk桩周长:µ=450×4=1800mm=1.8m桩横截面积:Ap=0.45²=0.2025㎡桩侧土极限摩擦力标准值qsik:查表得:用经验参数法:粉质粘土层:L I=0.95,取qsk=35kPa淤泥质粉质粘土:qsk=29kPa粉质粘土:L I=0.70,取qsk=55kPa桩端土极限承载力标准值qpk,查表得:qpk=2200 kPa用经验参数法求得Quk1=1.8×(35×8.0+29×12.0+1.0×55) +2200×0.2025=1674.9KN用静力触探法求得Quk2=1.8×(36×8.0+43×12.0+1.0×111) +1784.5×0.2025=2008.4KN3、确定单桩竖向承载力设计值R,并且确定桩数n和桩的布置先不考虑群桩效应,估算单桩竖向承载力设计值R为:R=Qsk/rs+Qpk/rpR——单桩竖向极限承载力设计值,kNQ——单桩总极限侧阻力力标准值,kNskQ——单桩总极限端阻力力标准值,kNpkγ——桩侧阻力分项抗力系数sγ——桩端阻力分项抗力系数p用经验参数法时:查表rs=rp=1.65R1=Qsk/rs+Qpk/rp=1229.4/1.65+445.5/1.65=1015.09KN 用静力触探法时:查表rs=rp=1.60R2=Qsk/rs+Qpk/rp=1647/1.60+361.4/1.60=1255.25KNRz=min(R1,R2)= 1015.09 KN四、桩数布置及承台设计根据设计资料,以轴线⑦为例。
桩基础设计计算书1、研究地质勘察报告1・1地形拟建建筑场地地势平坦,局部堆有建筑垃圾。
1.2、工程地质条件自上而下土层一次如下:①号土层:素填土,层厚约为l・5m,稍湿,松散,承载力特征值仁上95KPa =②号土层:淤泥质土,层厚5・5m,流塑,承载力特征值faK65KB =③号土层:粉砂,层厚 3.2m,稍密,承载力特征值fak 110KR④号土层:粉质粘土,层厚5・8m,湿,可塑,承载力特征值faK 165KPa =⑤号土层:粉砂层,钻孔未穿透,中密 -密实,承载力特征值fak 280KP二1.3 >岩土设计参数岩土设计参数如表1和表2所示。
表2桩的极.限侧阻力标准值qsk 和极限端阻力标准值qpk单位KPa土层编号①土层编号桩的侧阻力q S k桩的端阻力q pk土层编号土层编号桩的侧q sk桩的端阻力q pk素填土22—④粉质粘土粉砂4阻力8900②淤泥质土20-752000◎1.4水文地质条件⑴拟建场区地下水对混凝土结构无腐蚀性。
⑵地下水位深度:位于地表下4.5m。
1・5场地条件建筑物所处场地抗震设防烈度为7度,场地内无可液化沙土、粉土。
1.6上部结构资料拟建建筑物为六层钢筋混凝土结构,长30m,宽9.6m。
室外地坪标高同自然地面,室内外高差450mm。
柱截面尺寸均为400mm m,横向承重,柱网布① ② ③ ④2•选择桩型、桩端持力层、承台埋深根据地质勘查资料,确定第⑤层粉砂层为桩端持力层。
采用钢筋混凝土预制桩,桩截面为方桩,400mmX400mm桩长为15.7m o桩顶嵌入承台70mm, 桩端进持力层1.2m承台埋深为1.5m。
[如图所示。
3 •确定单桩竖向承载力3.1确定单桩竖向承载力标准值Q根据静载力触探法公式:Quk Qsk Qpk u q 1厶殛Ap" pk=4 X 0.4( X20X 5.5+52 X 3.2+58 X 5.8+75 X 1.2)+2000 X 0.4 X 0.4 =1444.48 TCN3.2确定单桩竖向承载力设计值RaRa=Q uk _1444.48K =722.24 KN式中安全系数I<=2 24•确定桩数比布置及承台尺寸 4.1 桩数n最大轴力标准值,F 2280KN初步估算桩数,由于柱牛是偏心受压,考虑一定的系数,按规范取1.1〜1.2。
基础工程桩基础设计资料⑴上部结构资料某教学实验楼,上部结构为十层框架,其框架主梁、次梁、楼板均为现浇整体式,混凝土强度等级为C30,上部结构传至柱底的相应于荷载效应标准组合的荷载如下︰竖向力 :4800 kN , 弯距 :70 kN · m, 水平力:40 kN拟采用预制桩基础,预制桩截面尺寸为350mm * 350mm。
⑵建筑物场地资料拟建建筑物场地位于市区内,地势平坦 , 建筑物场地位于非地震地区,不考虑地震影响 . 场地地下水类型为潜水,地下水位离地表 2.1 米,根据已有资料,该场地地下水对混凝土没有腐蚀性。
建筑地基的土层分布情况及各土层物理,力学指标见下表:表 1地基各土层物理、力学指标土天然层底埋含孔液塑压缩地基层层厚重度内聚内摩土层名称深( m)( kN/m 水量隙限限模量承载力编(m)( %)( %)( %)力擦角(MPa) (kPa)比号)1 杂填土 1.5 1.5 15.52 粉质粘土9.8 8.3 17.3 32.0 0.90 34.0 19.0 15.0 20.0 5.4 1103 粘土21.8 12.0 16.2 33.8 1.06 44.0 18.0 13.8 17.5 3.2 100粉土夹粉4 27.1 5.3 18.3 30.0 0.88 33.0 18.0 16.9 22.1 11.0 148质粘土淤泥质粘5 >27.1 16.9 45.3 1.2 6.0 4.7 1.2 60土基础工程桩基础设计计算1.选择桩端持力层、承台埋深⑴ . 选择桩型由资料给出,拟采用预制桩基础。
还根据资料知,建筑物拟建场地位于市区内,为避免对周围产生噪声污染和扰动地层,宜采用静压法沉桩,这样不仅可以不影响周围环境,还能较好地保证桩身质量和沉桩精度。
⑵ . 确定桩的长度、埋深以及承台埋深依据地基土的分布,第 3 层是粘土,压缩性较高,承载力中等,且比较厚,而第 4 层是粉土夹粉质粘土,不仅压缩性低,承载力也高,所以第 4 层是比较适合的桩端持力层。
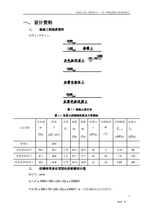
一、 设计资料1、场地工程地质资料见图1-1和表1-1。
图1-1 场地土层分布表1-1 各层土的物理性质及力学指标土层名称含水量ω(%)重度γ3(/)kN m比重 s G 液限 L ω (%) 塑限 P ω(%)内聚力 c()kPa内摩擦角 ϕ(度)压缩模量 12S E - ()MPa承载力ak f()kPa杂填土 16.0 灰色淤泥质土 38.2 18.5 2.73 38.2 18.4 10 5 3.54 60 灰黄色粘性土 6.7 19.6 2.71 32.7 17.7 18 20 7.0 220 灰黑色淤泥质土30.118.92.7342.018.912144.651002、 柱端传至承台顶面处的荷载设计值顺序号:n=30轴力5000300(3010)11000F kN =+⨯-=弯矩40050(3010)1400M kN m =+⨯-=⋅(沿柱截面长边方向作用)剪力10020(3010)500V kN =+⨯-=(沿柱截面长边方向作用)3、 柱底面标高 -0.5m4、柱截面尺寸F=11000kN>10000kN∴柱截面尺寸取为700600mm mm ⨯5、 桩基安全等级 二级二、 设计过程1、初选方案选用C40(21.71/t f N mm =)的混凝土预制桩(动力打桩),配置HRB335级(2300/y f N mm =)钢筋;承台混凝土强度等级取C40(21.71/t f N mm =),配置HRB335级(2300/y f N mm =)钢筋。
桩截面尺寸为400400mm mm ⨯,长度为11m ,承台底面标高为-1.900m 。
承台与桩的大致尺寸如下:图2-1 单桩及承台尺寸示意图2、 确定单桩竖向承载力设计值桩长11m ,桩顶伸入承台0.05m ,则打穿了厚度110.9 1.99l m =-=的淤泥质土,进入粘性土的长度21190.05 1.95l m =--=。
⑴确定单桩竖向极限承载力标准值桩基安全等级为二级,当根据土的物理指标与承载力参数之间的经验关系确定单桩竖向极限承载力标准值时,宜按下式计算:uk sk pk sik i pk p Q Q Q u q l q A =+=+∑式中 sik q ——桩侧第i 层土的极限侧阻力标准值,按《建筑桩基技术规范》查表取值; pk q ——极限端阻力标准值,按《建筑桩基技术规范》查表取值。
【题1】某试验大厅柱下桩基,柱截面尺寸为mm mm 600400⨯,地质剖面示意图如图1所示,作用在基础顶面的荷载效应基本组合设计值为F = 2360kN ,M=330kN·m ,H = 55kN ,荷载效应标准组合设计值为F k =1565kN ,M k =254kN·m ,H k =42kN ,试设计桩基础。
1. 确定桩的规格根据地质勘察资料和《规范》知一般应选择硬土层作为桩端持力层故确定第4层粘土为桩端持力层。
查《规范》和经验知:桩顶嵌入承台0.1米。
由题目要求知采用钢筋混凝土预制桩,故由经验选择选择桩截面为方桩,为400mm ×400mm ,桩长至少为2米+4.5米+0.1米=6.6米查规范知桩端嵌入持力层为5d-10d 故选择6d ,所以桩长为6.6+6x0.4=9米故选择桩长为9米。
有《规范》知承台埋深一般为1-2米,而题目中已知承台埋深为1.7米故选择承台埋深1.7米 ,桩端进持力层2.4米。
初步确定承台尺寸为2.4m ×2.4m 。
2. 确定单桩竖向承载力标准值Q按静力触探法确定单桩竖向极限承载力标准值:p pk isik pk sk uk A q l quQ Q Q +=+=∑=4×0.4(60×2.0+38×4.5+82×1.5)+2500×0.4×0.4=902.4KN图1 地质剖面示意图取=uk Q 902.4 kN3. 确定桩基竖向承载力设计值R 并确定桩数n 及其布置按照规范要求,d S a 3≥,取d S a 4=,c b =2m ,l =9m 故=lb c 0.22查表得,=sp η0.97。
查表得,=sp γ 1.60先不考虑承台效应,估算基桩竖向承载力设计值R 为sp uk sp Q R γη== 1.60902.40.97 ⨯ =547.08 kN 桩基承台和承台以上土自重设计值为 G =2.4×2.4×1.7×20=195.84 kN 粗估桩数n 为n =1.1×(F+G)/R=(1565+195.84)/ 547.08=3.22根取桩数n =4 根,桩的平面布置为右图所示,承台面积为2.4m ×2.4m ,承台高度为 0.9m ,由于n > 3,应该考虑群桩效应和承台效应确定单桩承载力设计值R 由d S a =4 ;lB c=0.25 查表得:承台内区群桩效应系数 i c η=0.155 ,承台外区群桩效应系数e c η=0.75。
桩基础设计实例某城市中心区旧城改造工程中,拟建一幢18层框剪结构住宅楼。
场地地层稳定,典型地质剖面图及桩基计算指标见表8-5。
柱的矩形截面边长为400mm ×500mm ,相应于荷载效应标准组合时作用于柱底的荷载为:5840=k F kN ,180=xk M kN ·m ,550=yk M kN ·m ,120=xk H kN 。
承台混凝土强度等级取C30,配置HRB400级钢筋,试设计柱下独立承台桩基础。
表8-5 地质剖面与桩基计算指标解:(1)桩型的选择与桩长的确定人工挖孔桩:卵石以上无合适的持力层。
以卵石为持力层时,开挖深度达26m 以上,当地缺少施工经验,且地下水丰富,故不予采用。
沉管灌注桩:卵石层埋深超过26m ,现有施工机械难以沉管。
以粉质粘土作为持力层,单桩承载力仅240~340 kN ,对16层建筑物而言,必然布桩密度过大,无法采用。
对钻(冲)孔灌注桩,按当地经验,单位承载力的造价必然很高,且质量控制困难,场地污染严重,故不予采用。
经论证,决定采用PHC400-95-A (直径400mm 、壁厚95mm 、A 型预应力高强混凝土管桩),十字型桩尖。
由于该工程位于城市中心区,故采用静力法压桩。
初选承台埋深d =2m 。
桩顶嵌入承台0.05m ,桩底进入卵石层≥1.0m ,则总桩长L=0.05+1.0+10.4+3.5+9.3+1.0≈25.3m 。
(2)确定单桩竖向承载力 ①按地质报告参数预估∑+=i sia P p pa a L q u A q R()4596910.1803.9105.3304.1061254.044.055002+=⨯+⨯+⨯+⨯+⨯⨯⨯+⎪⎪⎭⎫⎝⎛⨯⨯=ππ =1150kN②按当地相同条件静载试验成果u Q 的范围值为2600 ~3000kN 之间,则 1500~13002/==u a Q R kN ,经分析比较,确定采用13502/==u a Q R kN 。
目录一.作用效应组合 (2)(一)、恒载计算 (2)(二)、活载反力计算 (3)(三)、人群荷载 (3)(四)、汽车制动力计算 (4)(五)、支座摩阻力 (4)(六)、荷载组合计算 (4)二.确定桩长 (6)三.桩基强度验算 (7)(一)、桩的内力计算 (7)(二)桩身材料截面强度验算 (11)四.桩顶纵向水平位移验算 (13)五.横系梁设计 (14)六.桩柱配筋 (14)七.裂缝宽度验算 (14)桥墩桩基础设计计算书一. 作用效应组合(一)恒载计算1、盖梁自重 )1(G =25⨯0.5⨯0.33⨯1.4=5.775 KN)2(G =(0.9+1.5)⨯2.075/2⨯25⨯1.4=87.15 KN)3(G =(0.25+1.2+5.8+1.2+5.8+1.2+0.25)⨯25⨯1.5⨯1.4=824.25KN )4(G =0.33⨯0.5⨯25⨯1.4=5.775 KN)5(G =(0.9+1.5)⨯2.065/2⨯25⨯1.4=86.73 KN1G =)1(G +)2(G +)3(G +)4(G +)5(G =1009.68 KN2、桥墩自重:2G =)]633.6738.6843.6(412.1[252++⨯⨯⨯⨯π=KN 54.5713.系梁自重:3G =253145.128.01)215.08.5(252⨯⨯⨯⨯+⨯⨯⨯⨯-⨯π=KN 54.3524.上部恒载:各梁恒载反力表 表一边梁自重:)1(G =2⨯12.54⨯19.94=500.10KN 中辆自重:)2(G =10.28⨯19.94⨯15=3074.75KN 一孔上部铺装自重:)3(G =3.5⨯19.94⨯17.5=1221.33KN 一孔上部恒载:4G =)1(G +)2(G +)3(G =4796.18KN 综上可得恒载为:G=1G +2G +3G +4G =6729.94KN(二)支座活载反力计算 1. 汽车荷载(1)一跨活载反力查规范三车道横向折减系数取0.78,根据规范的跨径在五米和五十米之内均布荷载标准值应该采用直线内插法180360180--x 4515= 解得x =237.84 故P K=237.84KN在桥跨上的车道荷载布置如图排列,均布荷载q k =10.5KN/m 满跨布置,集中荷载P K=237.84KN 布置在最大影响线峰值处,反力影响线的纵距分别为: h 1=1.0, h 2=0.0hh 1支座反力: KN l q P N k k 61.79578.03)2205.1084.237(78.03)2(6=⨯⨯⨯+=⨯⨯⨯+= 支座反力作用点离基底形心轴的距离:e a =(20-19.46)/2=0.27m由1N 引起的弯矩:KN M 81.21427.061.7951=⨯=(1) 两跨活载反力 支座反力: KN lq P N k k 68.103478.03)46.195.1084.237(78.03)22(2=⨯⨯⨯+=⨯⨯⨯⨯+= 由2N 产生的弯矩:m KN M .36.27927.068.10342=⨯= 2.行人荷载布置在5.5米人行道上,产生竖直方向力。
土力学课程设计姓名:学号:班级:二级学院:指导老师:地基基础课程设计任务书[工程概况]某城市新区拟建一栋10层钢筋混凝土框架结构的办公楼,长24.0m ,宽9.6m ,其1-5轴的柱底荷载效应标准组合值如下所示。
建筑场地位于临街地块部·位,地势平坦,室外地坪标高同自然地面,室内外高差450mm 。
柱截面尺寸均为500mm ×500mm ,横向承重,柱网布置图如图1所示。
场地内地层层位稳定,场地地质剖面及桩基计算指标详见工程地质资料,如表1所示。
勘察期间测得地下水水位埋深为2.5m 。
地下水水质分析结果表明,本场地地下水无腐蚀性。
试按乙级条件设计柱下独立承台桩基础。
柱底荷载效应标准组合值1轴荷载:5417;85.m;60k k k F kN M kN V kN ===。
2轴荷载:5411;160.m;53k k k F kN M kN V kN ===。
3轴荷载:5120;88.m;63k k k F kN M kN V kN ===。
4轴荷载:5300;198.m;82k k k F kN M KN V kN ===。
5轴荷载:5268;140.m;60k k k F kN M kN V kN ===。
图1 框架结构柱网布置图(预制桩基础)--12土木1班工程概况某市新区钢筋混凝土框架结构的办公楼,长24.0米,柱距6米,宽9.6米,室内外地面高差0.45米。
柱截面500×500mm。
建筑场地地质条件见表1。
表1 建筑场地地质条件注:地下水位在天然地面下2.5米处目录地基基础课程设计任务书........................................................................................................ - 0 - 工程概况.................................................................................................................................... - 1 -1.设计资料................................................................................................................................. - 3 -2.选择桩型与桩端持力层、确定桩长和承台埋深................................................................. - 3 -3.确定单桩极限承载力标准值................................................................................................. - 4 -4.确定桩数和承台尺寸............................................................................................................. - 5 -5.桩顶作用效应验算................................................................................................................. - 5 -6.桩基础沉降验算..................................................................................................................... - 6 -6.1 求基底压力和基底附加压力..................................................................................... - 6 -6.2 确定沉降计算深度..................................................................................................... - 6 -6.3 沉降计算..................................................................................................................... - 6 -6.4 确定沉降经验系数..................................................................................................... - 7 - 8 承台设计计算........................................................................................................................ - 9 -8.1承台受冲切承载力验算.............................................................................................. - 9 -8.1.1.柱边冲切........................................................................................................... - 9 -8.1.2角桩向上冲切................................................................................................. - 10 -8.2承台受剪承载力计算................................................................................................ - 10 -8.3承台受弯承载力计算.................................................................................................- 11 - 参考文献...................................................................................................................................- 11 -桩基础课程设计计算书1.设计资料由上结构传至桩基的最大荷载设计值为:N=5268kN ,M=140 kN·m ,V=60kN表1 建筑场地地质条件2.选择桩型与桩端持力层、确定桩长和承台埋深根据表1地质条件,以粉砂土层为桩尖持力层,采用预制混凝土方桩,桩长L=20m ,截面尺寸为500mm 500mm ,桩尖进入粉砂土层为2m 。
桩基础设计计算书例题
桩基础设计计算书例题
一、工程概况
工程名称:某桩基础工程
建设地点:某市某县
建设单位:某建设公司
二、基础工程概况
1、桩基础类型:抗拔桩,单桩;
2、基础设计荷载:主桩设计荷载为Qk=200 kN;
3、桩径:Φ750 mm;
4、桩长:Lk=20 m;
5、地基础质地:粉土、软细黏土;
6、桩基块组:6个,每块宽度为0.8m;
7、基础深度:z=2.6 m;
三、桩基计算
1、桩基确定:
根据基础设计荷载Qk=200 kN,地基有效抗拔强度f'a=30 kPa,可得抗拔桩抗拔拉力Tk=Qk/πD2/4=200/π(0.75)2/4=26.18 kN,桩基宽度b=6*0.8=4.8 m,桩长Lk=20 m,桩深度z=2.6 m,故有效抗拔面积A=bz=4.8×2.6=12.48 m2,计算所得桩基抗拔强度
fy=Tk/A=26.18/12.48=2.1 kPa,与设计有效抗拔强度f'a=30 kPa相比满足要求,桩基确定。
2、桩基施工:
桩孔按设计图施工,桩基施工完毕后,进行桩身和桩基结合状况检验,其结合状况满足要求,可以开始桩基浇筑。
3、桩基浇筑:
按设计桩基浇筑方案施工,桩基浇筑阶段,采用挖孔补注即时混凝土施工方法,每桩须补注2m3混凝土,补注混凝土与桩身紧密结合,混凝土强度符合设计要求。
桩基浇筑完毕后,进行桩基检验,检验结果合格,桩基浇筑完毕。
四、总结
本桩基础工程按设计要求,桩孔挖掘、桩身施工、桩基浇筑等施工工序设计合理,可满足设计要求。
桩基础设计实例计算书近年来,随着建筑技术的发展,桩基础在大型建筑物的建设中越来越受到重视。
作为一个安全、稳定、可靠的基础结构体系,桩基础的设计和施工显得尤为重要。
本文将以一座超高层建筑物的桩基础设计为例,详细介绍桩基础设计过程中的关键要素和计算方法,并提供一些实用的指导意见,希望能对读者有所启发。
先介绍一下本案例的具体情况:一座超高层建筑物,总建筑面积50万平方米,地下室建筑面积20万平方米,地下室深度40米。
由于场地土壤比较松散,难以支撑大楼的重量,因此需要采用桩基础结构。
设计要求桩基础的抗震性能、承载能力均需满足国家标准和行业要求。
一、桩基础设计要素1. 桩长:桩长是指桩身埋入土层的深度,也是桩基础能够承受的承载力的主要决定因素。
桩长的测算方法一般有静载试验法、动力触探法和静力触探法等。
在本项目中,我们采用了静载试验法进行桩长计算,根据试验结果确定了每根桩在土层中埋入的深度。
2. 桩径:桩径是桩身的直径,它的大小主要依据于建筑物的重量和土质条件而定。
桩径的确定需要综合考虑多种因素,如土层稳定性、荷载情况、施工难度和成本等。
在本项目中,我们选择了桩径为80厘米,能够满足建筑物的重量和土壤承载力的要求。
3. 桩距:桩距是指相邻桩点之间的距离。
它的大小直接影响着桩基础的承载能力和抗震性能。
桩距大小的确定需要综合考虑多种因素,如桩径、土质条件和建筑物荷载等。
在本项目中,我们选择了桩距为2.5米,能够满足设计要求。
4. 桩身材质:桩身材质是指桩基础使用的材料,其性能和质量决定着桩基础的承载能力和抗震性能。
常用的桩身材质有钢筋混凝土、钢管及复合桩等。
在本项目中,我们采用了钢筋混凝土桩身材质,具有优良的承载能力和抗震性能。
5. 桩头设计:桩头是桩身顶部的一部分,直接受到建筑物的荷载作用。
因此,桩头设计需要根据建筑物的结构和重量来确定。
一般情况下,桩头的设计包括锚固长度、悬挂系统和翼板等。
在本项目中,我们采用了锚固长度为60厘米,悬挂系统为钢结构,翼板为方形板材等设计方案。
桩基础设计计算书一:建筑设计资料1、建筑场地土层按其成因土的特征和力学性质的不同自上而下划分为四层,物理力学指标见下表。
勘查期间测得地下水混合水位深为 2.0m,地下水水质分析结果表明,本场地下水无腐蚀性。
建筑安全等级为2级,已知上部框架结构由柱子传来的荷载:V = 3200kN , M=400kN gm »H = 50kN ;柱的截面尺寸为:400 x400mm ;承台底面埋深:D = 2.0m。
2、根据地质资料,以黄土粉质粘土为桩尖持力层,钢筋混凝土预制桩断面尺寸为300 X300,桩长为10.0m3、桩身资料:J氏觎土丿J UOU屛出心、"U主7虫丿旻1 艾TH旦1二2IVI厂d ‘铃HU)虫丿旻1 艾VH旦丿J Cf = 310MPaf = 16.5MPa,主筋采用:4①16,强度设计值:m4桑口设计资料•混凝土为C30,轴心抗压强度设计值为f二15MPa,弯曲抗压强度设c计值为f二1.5MPao1) :摄主要物理力学指、附:标;附表附表二:桩静载荷试验曲线100 P00 309 4 co 300 600 /00 72468101214161820:设计要求:1、单桩竖向承载力标准值和设计值的计算;2、确定桩数和桩的平面布置图;3、群桩中基桩的受力验算4、承台结构设计及验算;5、桩及承台的施工图设计:包括桩的平面布置图,桩身配筋图,承台配筋和必要的施工说明;6、需要提交的报告:计算说明书和桩基础施工图。
二:桩基础设计(一):必要资料准备2、岩土工程勘察报告:见上页附表Q- S曲线见附表3、环境及检测条件:地下水无腐蚀性,(二):外部荷载及桩型确定1、 柱传来荷载:v = 3200kN 、M = 400kN ? m 、H = 50kN2、 桩型确定:1)、由题意选桩为钢筋混凝土预制桩;2)、构造尺寸:桩长L= 10.0m ,截面尺寸:300 x300mm 3)、桩身:混凝土强度C30、f 二 15MPa 、f = 16.5MPacm4 $16 f =310MPa1y4)、承台材料:混凝土强度 C30、f = 15MPa 、f = 16.5MPacmft =1.5MPa(三):单桩承载力确定1'单桩竖向承载力的确定:1 )、根据桩身材料强度( 二1.0按0.25折减,配筋$16)Rf cAp f yAs )21.0 (15 0.25 300 310 803.8)586.7kN2)、根据地基基础规范公式计算:1 °、桩尖土端承载力计算:L = 0.60、入土深度为 12.0m(100 800Qpa800) 880kPa、桩侧土摩擦力:880 0.32 4 0.3 (18 9 28 1) 307.2kPa3)、根据静载荷试验数据计算:根据静载荷单桩承载力试验Q s 曲线,按明显拐点法得单桩极限承载力Qu 550kN单桩承载力标准值:RkQ u-5b275kN根据以上各种条件下的计算结果,取单桩竖向承载力标准值粉质粘土层1I L 1.0 q 17-24kPasa取 18kPa粉质粘土层2 :I L 0.60 ,24~ 31 kPa 取 28kPaFL 275kN单桩竖向承载力设计值R 1.2Rk 1.2 275 330kN4)、确定桩数和桩的布置:21 °、初步假定承台的尺寸为23m2°、承台平面尺寸及柱排列如下图:…L U ...直1.1 1J3200 24011.5 取 n 12 根330桩距:S 3〜4 d3~4 0.3 0.9~1.2m 取 S 1.0m承台和土自重:G 2 (2 3) 20240kN匕部结构传来垂直荷载:V 3200kN 桩平面布置图1 : 100114实体基础底面宽:23 2 10 0.0919 4.14m(四):单桩受力验算:1 '单桩所受平均力:KI FG 3200 2.6 3.6 2 2卷・2、单桩所受最大及最小力:297.9kPa R maxFGN minmax297 9400 50 1.5 1.5345.4kN R Xi2260.51.5250.4kN3、单桩水平承载力计算:H 空 n 12H 4,2QV 266.74.2kPa , _[ 63.512(五):群桩承载力验算:1、根据实体基础法进行验算:1 )・实体基础底面尺寸计算:桩所穿过的土层的摩擦角:1 2115.25, 边桩外围之间的尺寸为:42.33.3m 2密 266.712Vi 与H i 合力与V i 的夹角小于5°单桩水平承载力满足要求,不需要进一步的验算。
1219m ? 2 20tan 0.919冇・1庄?桩立面图2、承台冲切验算:1 )、柱边冲切:实体基础底面长:3.3 2 10 0.0919 5.14m2)、桩尖土承载力设计值:1 °实体基础埋深范围内的土的平均重度(地下水位下取有效重度)18.8 2 18.9 10 9 19.6 10 1-10.6kN ma2 °实体基础底面粉质粘土修正后的承载力特征值为:1.6t t b312 0.5aakbd m220 0.3 0.94.14 31.6 10 12 3°取 20kN m 3 ,10kN m 3,G!m基础自重为:4实体基础底面压力计算:①当仅有轴力作用时:F G 3200 2979 PaA4.145.14⑦考虑轴力和弯矩时计算:F G M 3200Pmax A W4.14290.4kPa f 407.3kPa2979 400 50 1.5 o 65.144.145.14424.3kPa 1.2f 1.2 407.3 488.8kPaa由以上验算,单桩及整体承载力满足要求。
(六八承台设计:承台尺寸由图1所示,无垫层,钢筋保护层厚取100mm o1、单桩净反力的计算:单桩净反力,即不考虑承台及覆土重量时桩所受的力1)、单桩净反力的最大值:Q 345.42.63.6 2 20 12 314.2max2)、平均单桩净反力:Q F . n 3200. 12266.7kN根据书上表2- 5取bd0.5407.3kPG4.145.142 20 10 10 2979kN冲切力:F L F Ni3200 1.35 0 4320kN受冲切承载力截面高度影响系数的计算:hp0.772, 0.45 0.225. 2 0.45 0.525. 2 殳丸越3Q 5252&45 kNh?ft ftftx 345.4 kN0.56 1y 1 0.20.56 0.225 0.2冲夸比1 0.92000 80()与系数酌牖即2900 8001yC10.992aix2hp^h00.840.84OxOx 0 20.525 0.21.16aoy 0.225oy0.2250.2h。
10000.840.841.98oy oyO.2 0.225 0.21800帀10000.946进行计算。
Oxbe a°yOy hp f th o2 1.16 0.4 0.225 1.98 0.6 0.525 0.992 1500 1.0 8786kN F i 4320kN 满足要求3角桩向上冲切:0.45m, aix Qox ix Ox,3 1y a°y, 1y oy.亠——亜」0.7721X 1x0.2 0.525 0.20.992 1500 11.32要求剪力V 3Q0.946 1.147 1500 1.93 1.0 3141kN V 可以n-n 截面处承台抗剪验算:边排桩单桩净反力平均值Qj 266.7kN ,按4根桩计算。
剪切力V 4Q 4 266.7 1066.8kN斜截面上受压区混凝土的抗剪强度为:1.75 1.0Vchsf tboho 0.946 1.147 1500 2.63 1.0 4280kN V 可以5、承台弯矩计算及配筋计算:1 )、承台弯矩计算:多桩承台的弯矩可在长,宽两个方向分别按单向受弯计算: I ・I 截面,按3根桩计算:M | 3 314.20.975 0.3 636.3kN?mn-n 截面5按4根桩计算:M II 4 266.70.675 0.3 400kN?mMil400 1061.75 1.751.0 0.525 1.01.1472 )、承台配筋计算:取h 1.0m, K 1.4 o长向配筋:Mi636.3 106As2281mm 20 9h4 y0.9 1000 310 As201113 2614mm 2f tb°h°承台抗剪时的截面尺寸:平均宽度b 2.63m , h°1.0m1.750.525 1.01.147选配16@200短向配筋:选配 14(3)200A: o.9h°f y 0.9 1000 310 1434mmAs 153.9 18 2700mm2构造要求承台配筋图:(七)、桩的强度验算桩的截面尺寸为300 300mm2,桩长为10.0m ,配筋为4 16,为通长配筋,钢筋保护层厚度选40mm。
因桩的长度不大,桩吊运及吊立时的吊点位置宜采用同一位置,如下图所示,控制弯矩为吊立时的情况:2.0 ...0.25,取动力系数为2.0m,则8.0|M maxho f cm1 22-0.3 24 886228 10300 265215021 0.25 1.5 22.8kNgm0.072由钢筋混凝土结构设计规范得0.94922.8 1062----------- 298mm0.949 260 310A 2 254.5 509mm2选用2 18,桩的配筋构造见图纸。
(图纸另附)。