土木5桥梁桩基础课程设计word文档
- 格式:doc
- 大小:600.50 KB
- 文档页数:15
桥桥墩桩基础基础设计TPMK standardization office [ TPMK5AB- TPMK08- TPMK2C- TPMK18]华东交通大学课程设计(论文)题目名称某桥桥墩桩基础设计计算院係) ____________ 土木建筑学院专业____________ 道路与铁道工程班级 _______________ 道铁2班姓名欧阳俊雄2011年6月13日至一2011年6月29曰共丄周指导教师:耿大新教研室主任:李明华资料收集某桥梁上部构造采用预应力箱梁。
标准跨径32m,梁长31.9m,计算跨径31.5m, 桥面宽13m,墩上纵向设两排支座,一排固定,一排滑动,桥墩采用圆端形实心墩,平面尺寸形式如图1所示,墩高12m,计算墩顶变形时,不考虑墩身的挠曲。
下部结构采用钻孔灌注桩基础。
1、地质及地下水位情况:河面常水位标高25.000m,河床标高为22.000m,—般冲刷线标高20.000m,最大冲刷线标高l&000m处,一般冲刷线以下的地质情况如下:2、设计荷载:(1)恒载:桥面自重:Ni=1500kN+学号x20kN= 1500+16x20=1820kN箱梁自重:Nz =6000kN+学号x40kN=6000+16x40=6610kN桥墩自重:N3=3875kN(2)活载—跨活载反力:N4 = 2835.75kN,在顺桥向引起弯矩:Mi =3334.3kN-m ;两跨活载反力:N5=5030.04kN+学号x5OkN=5O3O.O4+l6 x50=5930. 04kN\(3)水平力制动力:Hi=300kN,对承台顶力矩6.5m ;风力:H2=2.7 kN,对承台顶力矩4.75m主要材料承台采用C30混凝土,重度y=25kN/m\ y z=15kN/m3(浮容重)。
在班编号为20,所以桩基采用C30混凝土,HRB400级钢筋;4、其它参数结构重要性系数Ys°=l.l,荷载组合系数9=10,恒载分项系数Y G=1.2,活载分项系数Y Q=1.4,风荷载屮=0.75,制动力:1.0拟定承台尺寸:假设承台的厚度为1.5叫根据圆端形实心墩的平面尺寸计算承台的长和宽宽度:3 + 2x1.5x1= 6m长度:6 +2x 1.5x1 =9m三、拟定桩的尺寸及桩数:1、摩擦桩,桩身采用C30混凝土。
桥桥墩桩基础基础设计 TPMK standardization office【 TPMK5AB- TPMK08- TPMK2C- TPMK18】华东交通大学课程设计(论文)题目名称某桥桥墩桩基础设计计算院(系)土木建筑学院专业道路与铁道工程班级道铁2班姓名欧阳俊雄2011年 6 月 13 日至 2011 年 6 月 29 日共 1 周指导教师: 耿大新教研室主任: 李明华资料收集某桥梁上部构造采用预应力箱梁。
标准跨径32m,梁长31.9m,计算跨径31.5m,桥面宽13m,墩上纵向设两排支座,一排固定,一排滑动,桥墩采用圆端形实心墩,平面尺寸形式如图1所示,墩高12m,计算墩顶变形时,不考虑墩身的挠曲。
下部结构采用钻孔灌注桩基础。
1、地质及地下水位情况:河面常水位标高25.000m,河床标高为22.000m,一般冲刷线标高20.000m,最大冲刷线标高18.000m处,一般冲刷线以下的地质情况如下:2、设计荷载:(1)恒载:桥面自重:1N=1500kN+学号×20kN=1500+16×20=1820kN箱梁自重:2N=6000kN+学号×40kN=6000+16×40=6640kN桥墩自重:3N=3875kN(2)活载一跨活载反力:2835.75kNM1⋅=;kN3334.3N4=,在顺桥向引起弯矩:m 两跨活载反力:N5=5030.04kN+学号×50kN=5030.04+16×50=5930.04kN\(3)水平力制动力:H1=300kN,对承台顶力矩6.5m;风力:H2=2.7 kN,对承台顶力矩4.75m主要材料承台采用C30混凝土,重度γ=25kN/m3、γ′=15kN/m3(浮容重)。
在班编号为20,所以桩基采用C30混凝土,HRB400级钢筋;4、其它参数结构重要性系数γso=1.1,荷载组合系数φ=1.0,恒载分项系数γG=1.2,活载分项系数γQ=1.4,风荷载ψ=0.75,制动力:1.0拟定承台尺寸:假设承台的厚度为1.5m,根据圆端形实心墩的平面尺寸计算承台的长和宽宽度:m⨯⨯+3=5.1162长度:m6=⨯⨯+2915.1三、拟定桩的尺寸及桩数:1、摩擦桩,桩身采用C30混凝土。
桥梁基础桩基础课程设计一、课程目标知识目标:1. 学生能理解桥梁基础桩的基本概念、分类及在桥梁工程中的应用。
2. 学生能掌握基础桩的受力原理、设计要点及施工方法。
3. 学生能了解桥梁基础桩的检测与验收标准。
技能目标:1. 学生能运用基础桩知识,分析桥梁工程中基础桩的选择与应用。
2. 学生能运用所学原理,进行基础桩的简单设计和施工方案制定。
3. 学生能运用检测方法,评估桥梁基础桩的质量。
情感态度价值观目标:1. 学生培养对桥梁工程建设的兴趣,增强对国家基础建设的责任感和使命感。
2. 学生树立正确的工程质量观念,注重施工安全和环境保护。
3. 学生培养团队合作精神,学会在工程实践中相互协作、共同解决问题。
课程性质:本课程为工程专业实践课程,结合理论知识与实际应用,提高学生的工程实践能力。
学生特点:学生具备一定的桥梁工程知识基础,对桥梁基础桩有一定了解,但缺乏深入的认识和实际操作经验。
教学要求:通过本课程的学习,使学生能够掌握桥梁基础桩的知识,具备实际操作能力,培养解决实际问题的能力。
教学过程中注重理论与实践相结合,提高学生的综合素质。
课程目标分解为具体学习成果,以便于教学设计和评估。
二、教学内容1. 桥梁基础桩概述- 基础桩的定义、分类及功能- 桥梁基础桩的发展历程及现状2. 基础桩受力原理- 桩土相互作用原理- 桩基承载力的计算方法- 桩身强度及稳定性分析3. 桥梁基础桩设计- 设计原则与要求- 桩长、桩径、桩距的确定- 桩基施工图的绘制4. 桥梁基础桩施工技术- 施工准备与工艺流程- 钻孔灌注桩施工方法- 预制桩施工方法- 桩基施工质量控制措施5. 桥梁基础桩检测与验收- 检测方法与技术- 验收标准与程序- 桩基工程质量评定6. 案例分析与讨论- 现有桥梁基础桩工程案例介绍- 案例分析与问题讨论- 解决实际工程问题的方法与技巧教学内容根据课程目标进行科学性和系统性组织,结合教材相关章节进行详细讲解。
桥梁桩基础课程设计桥梁桩基础课程设计一、恒载计算(每根桩反力计算)1、上部结构横载反力N1 N1=12⨯2350=1175kN 2、盖梁自重反力N2 N2=12⨯350=175kN 3、系梁自重反力N312⨯25 ⨯3.5 ⨯0.8 ⨯1=35kN 4、一根墩柱自重反力N4KN N 94.222)1025(5.01.5255.0)1.54.13(224=-⨯⨯⨯+⨯⨯⨯-=ππ(低水位)KN N 47.195255.08.4155.06.8224=⨯⨯⨯+⨯⨯⨯=ππ (常水位)5、桩每延米重N5(考虑浮力) m KN N /96.16152.1425=⨯⨯=π二、活载反力计算1、活载纵向布置时支座最大反力⑴、公路二级:7.875/k q kN m = 193.2k P kN =Ⅰ、单孔布载 55.57822.1932875.74.24=⨯+⨯=)(R Ⅲ、双孔布载 24.427.875(193.2)2766.3082R kN ⨯⨯=+⨯=(2)、人群荷载Ⅰ、单孔布载 113.524.442.72R kN =⨯⨯=1、计算墩柱顶最大垂直反力R 组合Ⅰ:R= 恒载 +(1+u )汽ϕ∑iiyP +人ϕql= 1175+175+(1+0.2)⨯1.245⨯766.308+1.33⨯85.4 =2608.45kN (汽车、人群双孔布载)2、计算桩顶最大弯矩⑴、计算桩顶最大弯矩时柱顶竖向力 R= 1N +2N +(1+u )汽ϕ∑i i y P + 人ϕql 21 = 1175+175+1.2⨯1.245⨯578.55+1.33⨯42.7= 2271.14kN (汽车、人群单孔布载)⑵、计算桩顶(最大冲刷线处)的竖向力0N 、水平力0Q 和弯矩0M0N = max R +3N + 4N (常水位)= 2608.45+35+195.47=2838.92 kN0Q = 1H + 1W + 2W= 22.5+8+10=40.5 kN0M = 14.71H + 14.051W + 11.252W + 0.3活max R= 14.7⨯22.5+14.05⨯8+11.25⨯10+0.3⨯(2608.45-1175-175) = 933.185kN.m活max R ——组合Ⅰ中活载产生的竖向力。
独立桩基础课程设计一、课程目标知识目标:1. 学生能理解独立桩基础的定义、分类及构造特点。
2. 学生能掌握独立桩基础的承载特性及影响因素。
3. 学生能了解独立桩基础在工程中的应用及优缺点。
技能目标:1. 学生能够运用所学知识,分析独立桩基础在实际工程中的适用性。
2. 学生能够通过实例,评估独立桩基础的承载能力。
3. 学生能够设计简单的独立桩基础结构,并对其进行简单的受力分析。
情感态度价值观目标:1. 培养学生对土木工程学科的兴趣,激发其探索精神。
2. 培养学生的团队合作意识,使其在小组讨论和实践中学会倾听、交流、协作。
3. 培养学生关注社会热点问题,了解土木工程在国民经济和社会发展中的重要作用。
课程性质:本课程为土木工程专业基础课程,旨在让学生掌握独立桩基础的基本理论、设计和应用。
学生特点:学生已具备一定的力学基础和土木工程知识,具有一定的分析问题和解决问题的能力。
教学要求:结合理论知识与实践应用,注重培养学生的动手能力和实际操作技能,提高其解决实际工程问题的能力。
在教学过程中,注重启发式教学,引导学生主动参与、积极思考、乐于探究。
通过课程学习,使学生在知识、技能和情感态度价值观方面得到全面提升。
二、教学内容1. 独立桩基础的定义、分类及构造特点- 桩基础的分类及适用范围- 独立桩基础的构造及组成部分- 桩身材料及其性能要求2. 独立桩基础的承载特性及影响因素- 桩的受力分析及承载机制- 影响桩承载力的主要因素- 桩基设计中的安全系数及可靠性分析3. 独立桩基础的设计方法- 桩长的确定- 桩径的选择- 桩间距及排布方式- 桩基施工工艺及质量控制4. 独立桩基础在工程中的应用实例- 桩基础在高层建筑中的应用- 桩基础在桥梁工程中的应用- 桩基础在水利工程中的应用5. 独立桩基础的优缺点分析- 独立桩基础的优点- 独立桩基础的局限性- 独立桩基础与其他类型基础的比较教学内容安排与进度:第一周:独立桩基础的定义、分类及构造特点第二周:独立桩基础的承载特性及影响因素第三周:独立桩基础的设计方法第四周:独立桩基础在工程中的应用实例及优缺点分析教学内容依据课程目标,紧密结合教材,注重理论与实践相结合,旨在培养学生的实际工程设计能力。
一、课程设计(论文)的内容在学习桥梁基础工程等课程的基础上,根据给定基本资料(地质及水文资料,荷载)进行桥梁群桩基础的设计,初步掌握桥梁桩基础的设计与计算方法。
二、课程设计(论文)的要求与数据(一)基本资料 1 地质及水文资料河床土质为卵石土,粒径50-60mm 约占60%,20-30mm 约占30%,石质坚硬,孔隙大部分由砂填充密实, 卵石层深度达58.6m ;地基比例系数4/120000m kN m =(密实卵石);地基承载力基本容许值[]01000a f kPa =; 桩周土摩阻力标准值kPa q ik 500=; 土的重度320.00/kN m γ= (未计浮力);土内摩擦角40ϕ=。
地面(河床)标高69.50m ;一般冲刷线标高63.54m ;最大冲刷线标高60.85m ;承台底标高67.54m ;常水位标高69.80m ,如图1。
承台平面图如图2所示。
纵桥向断面 横桥向断面图1 桩基剖面图(单位:m ) 图2 单位:m2 作用效应上部为等跨30m的钢筋混凝土预应力梁桥,荷载为纵向控制设计,作用于混凝土桥墩承台顶面纵桥向的荷载如下。
永久作用及一孔可变作用 (控制桩截面强度荷载) 时:∑N=40746kN∑(制动力及风力)=H kN358.60∑M=4617.30kN.m(竖直反力偏心距、制动力、风力等引起的弯矩)永久作用及二孔可变作用(控制桩入土深度荷载)时:∑N=46788.00kN3 承台用C20混凝土,尺寸为9.8×5.6×2.0m,承台混凝土单位容重3γ=。
25.0/kN m4 桩基础采用高桩承台式摩擦桩,根据施工条件,桩拟采用直径m=,以d2.1冲抓锥施工。
(二)主要设计依据规范1 公路桥涵地基及基础设计规范(JTG D63-2007 )2 公路钢筋混凝土及预应力混凝土桥涵设计规范(JTGD62-2004)三、课程设计(论文)应完成的工作设计满足要求的群桩基础,并形成图纸与计算文件。
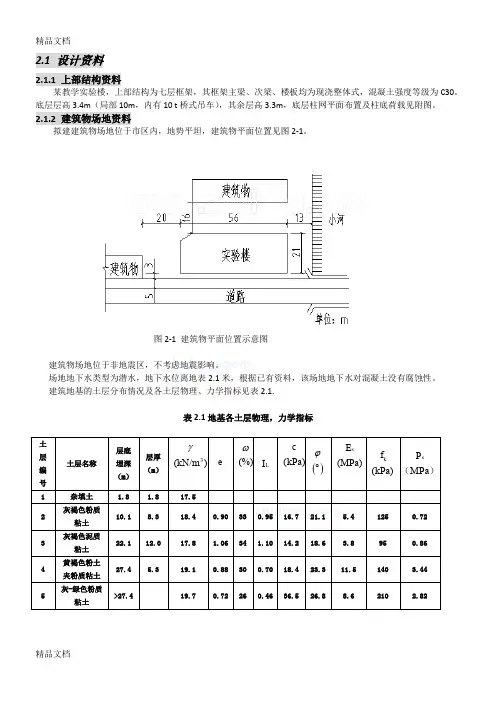
2.1 设计资料2.1.1 上部结构资料某教学实验楼,上部结构为七层框架,其框架主梁、次梁、楼板均为现浇整体式,混凝土强度等级为C30。
底层层高3.4m(局部10m,内有10 t桥式吊车),其余层高3.3m,底层柱网平面布置及柱底荷载见附图。
2.1.2 建筑物场地资料拟建建筑物场地位于市区内,地势平坦,建筑物平面位置见图2-1。
图2-1 建筑物平面位置示意图建筑物场地位于非地震区,不考虑地震影响。
场地地下水类型为潜水,地下水位离地表2.1米,根据已有资料,该场地地下水对混凝土没有腐蚀性。
建筑地基的土层分布情况及各土层物理、力学指标见表2.1.表2.1地基各土层物理,力学指标0.95 16.7 21.1 5.42.2 选择桩型、桩端持力层、承台埋深2.2.1 选择桩型因为框架跨度大而且不均匀,柱底荷载大,不宜采用浅基础。
根据施工场地、地基条件以及场地周围环境条件,选择桩基础。
因转孔灌注桩泥水排泄不便,为减少对周围环境污染,采用静压预制桩,这样可以较好的保证桩身质量,并在较短的施工工期完成沉桩任务,同时,当地的施工技术力量、施工设备以及材料供应也为采用静压桩提供可能性。
2.2.2 选择桩的几何尺寸以及承台埋深依据地基土的分布,第③层是灰色淤泥质的粉质粘土,且比较后,而第④层是粉土夹粉质粘土,所以第④层是比较适合的桩端持力层。
桩端全断面进入持力层1.0m(>2d),工程桩入土深度为mhh1.231123.88.1,=+++=由于第①层后1.8m,地下水位为离地表2.1m,为了使地下水对承台没有影响,所以选择承台底进入第②层土0.3m,即承台埋深为2.1m,桩基得有效桩长即为23.1-2.1=21m。
桩截面尺寸选用:由于经验关系建议:楼层<10时,桩边长取300~400,350mm×350mm,由施工设备要求,桩分为两节,上段长11m,下段长11m(不包括桩尖长度在内),实际桩长比有效桩长长1m,图2-2桩基及土层分布示意图这是考虑持力层可能有一定的起伏以及桩需要嵌入承台一定长度而留有的余地。
桥梁桩基础工程方案一、工程概述随着城市化建设的不断推进,越来越多的桥梁工程项目纷纷展开。
桥梁作为连接城市不同地区的重要交通枢纽,其基础工程至关重要。
桶灌桩是桥梁基础工程中常用的方法,本文将对其进行详细介绍和制定方案。
二、工程地理环境本工程项目位于某市的城郊,地势平坦,无明显的地质裂缝和地震活动迹象。
地下水位深度在5-8米左右,土壤主要为粉质黏土和砂质土,整体土质较好。
三、工程目标1. 建设安全稳定的桥梁基础,确保桥梁的稳固性和安全性;2. 保证工程质量,减少施工过程中的不良影响;3. 实现经济效益和社会效益的最大化。
四、方案设计1. 方案选择考虑到地下水位较深和土壤条件较好的情况,本工程首选桩基础方案。
桩基础能够有效分散荷载,提供良好的承载能力和稳定性,适用于该地区的地质环境。
2. 桩基础类型选择在桩基础中,本工程采用了桶灌桩。
桶灌桩具有承载力大、施工周期短、成本低廉等优点,适合于该项目的实际情况。
3. 施工工艺(1)桩基础预处理首先进行现场勘察,确定桥梁基础的具体位置和尺寸。
然后清理施工现场,确保施工环境整洁。
接着进行地质探测和水文勘察,以便了解地下水位和土质情况,为后续工程做好准备。
(2)桶灌桩施工桶灌桩施工分为打孔、清底和浇筑三个步骤。
首先进行地面定位,确定桩基位置,然后进行孔洞打桩。
接着进行清底作业,确保桩孔底部有足够的承载力。
最后进行钢筋编织和混凝土浇筑,形成桩基础。
(3)桩基础验收完成桩基础的施工后,进行验收工作。
包括对桩基础质量、形状和尺寸的检查,以及对其承载能力和稳定性的测试。
五、工程预算1. 材料费用:包括混凝土、钢筋、水泥等施工材料的费用;2. 人工费用:包括施工人员工资、技术人员费用等;3. 设备费用:包括桩基础施工所需的机械设备费用;4. 其他费用:包括施工现场租赁费用、交通运输费用等。
六、安全管理1. 安全规范:确保施工人员遵守安全生产规范和操作规程;2. 安全设施:设置警示标志、警戒线等安全设施,保障施工现场的安全;3. 安全培训:对施工人员进行安全教育和培训,提高安全意识和自我保护能力。
2.1 设计资料2.1.1 上部结构资料某教学实验楼,上部结构为七层框架,其框架主梁、次梁、楼板均为现浇整体式,混凝土强度等级为C30。
底层层高3.4m(局部10m,内有10 t桥式吊车),其余层高3.3m,底层柱网平面布置及柱底荷载见附图。
2.1.2 建筑物场地资料拟建建筑物场地位于市区内,地势平坦,建筑物平面位置见图2-1。
图2-1 建筑物平面位置示意图建筑物场地位于非地震区,不考虑地震影响。
场地地下水类型为潜水,地下水位离地表2.1米,根据已有资料,该场地地下水对混凝土没有腐蚀性。
建筑地基的土层分布情况及各土层物理、力学指标见表2.1.表2.1地基各土层物理,力学指标土层编号土层名称层底埋深(m)层厚(m)3(kN/m)γe(%)ωLI(kPa)c()ϕ︒(MPa)sE(kPa)kfMPasP()1 杂填土 1.8 1.8 17.52灰褐色粉质粘土10.1 8.3 18.4 0.90 33 0.95 16.7 21.1 5.4 125 0.723灰褐色泥质粘土 22.1 12.0 17.8 1.06 34 1.10 14.2 18.6 3.8 95 0.864 黄褐色粉土夹粉质粘土 27.4 5.3 19.1 0.88 30 0.70 18.4 23.3 11.5 140 3.445 灰-绿色粉质粘土>27.4 19.7 0.72 26 0.46 36.5 26.8 8.6 210 2.822.2 选择桩型、桩端持力层 、承台埋深2.2.1 选择桩型因为框架跨度大而且不均匀,柱底荷载大 ,不宜采用浅基础。
根据施工场地、地基条件以及场地周围环境条件,选择桩基础。
因转孔灌注桩泥水排泄不便,为减少对周围环境污染,采用静压预制桩,这样可以较好的保证桩身质量,并在较短的施工工期完成沉桩任务,同时,当地的施工技术力量、施工设备以及材料供应也为采用静压桩提供可能性。
2.2.2 选择桩的几何尺寸以及承台埋深依据地基土的分布,第③层是灰色淤泥质的粉质粘土,且比较后,而第④层是粉土夹粉质粘土,所以第④层是比较适合的桩端持力层。
桥梁基础工程课程设计题目:某公路桥梁桩基础设计1. 课程设计教学条件要求本设计对象为某公路桥梁,该桥梁的上部结构设计已经完成,本课程设计的任务是完成桥墩基础与地基的设计与检算。
要求同学选择(或由任课教师分配)一个基础,按给定的条件完成相关的设计和计算工作。
2. 课程设计任务2.1工程概况某公路桥梁设计采用桩(柱)式桥墩,初步拟定尺寸如图1所示。
该桥梁上部结构为25米钢筋混凝土装配式T梁桥。
桥面宽7米,两边各0.5米人行道。
该桥墩基础由两根钻孔桩组成,旋转钻成孔。
桩的设计直径d(即钻头直径,精确至0.1m)自选,桩底沉渣厚度控制为t=(0.2~0.4)d。
在局部冲刷线处设置横系梁,其断面尺寸可按构造等要求确定,高度约1.0m。
2.2 工程地质和水文地质地质资料:标高20.00以上桩侧土为软塑亚粘土,各物理性质指标为:容重=18.5kN/m3,土粒比重G s=2.70,天然含水量w=21%,液限w L=22.7%,塑限w p=16.3%;标高20.00以下桩侧及桩底均为硬塑性亚粘土,其物理性质指标为:容重=19.5kN/m3,土粒比重G s=2.70,天然含水量w=17.8%,液限w L=22.7%,塑限w p=16.3%。
2.3 设计荷载(1)一跨上部结构自重G1=2000×(L/20)1.2 kN(取整),其中L为跨径;(2)盖梁自重G2=350kN;(3)局部冲刷线以上桩重应分别考虑最低水位及常水位;汽车荷载应考虑最不利荷载组合(双孔和单孔布载);人群荷载尚应考虑最不利情况;荷载布载长度为梁长(L-0.1)m。
(4)设计汽车荷载为公路—Ⅱ级,汽车可能产生的横向偏心距为0.55m,单。
)=5kN;图22.4 材料桩身混凝土强度等级拟采用C25,混凝土弹性模量E h=2.85×104MPa,可选择的钢筋有HPB235和HRB335。
2.5 具体任务要求如下:(1)确定桩的长度,进行单桩承载力验算。
可编辑修改精选全文完整版1.设计资料柱底荷载标准组合:Fk=1403KN,M kx=30kN,H kx=22kNM ky=-42kN H ky=-34kN柱底荷载基本组合=柱底荷载标准组合×1.352.选择桩端持力层、承台埋深根据上表土层条件,以碎石混砂层为桩尖持力层,采用钢筋混凝土预制桩,型号。
桩端进入持力层1.0m(>2d).工程桩桩入土深度h=0.5+3.5+6+11+1=22m,则桩基有效长度为L=22-2.0=20m.桩基尺寸选择400mm x400mm。
本工程桩身混凝土强度等级为C80。
承台用C20级混凝土桩,取f t=1100kPA配置HRB335级ƒy=300N/mm²。
3.确定单桩极限承载力标准值极限侧阻力标准值q sk粘土q s1k=24kpa淤泥q s2k=12kpa淤泥质粘土q s3k=20kpa碎石混砂q s4k=40kpa极限端阻力标准值q pk q pk=2300kpa=2300x0.42+4x0.4x(24x2+12x6+20x11+40x1)=976kNK取2单桩竖向承载力特征值:R a=Q uk/K=976/2=488kNA-⑦4.确定桩的根数、布桩及承台尺寸 桩距:s=4d=4x400=1600mm,取s=1.6m. 预设承台尺寸:承台的边长a=b=(0.4+0.8)x2=2.4m 。
承台为边长=2.4m 的正方形。
初设承台埋深2m ,承台高度h=1.2m ,桩顶伸入承台50mm ,钢筋保护层取70mm 。
承台的有效高度为:h 0=1.2-0.07=1.13m=1130mm 取承台及其上土的平均重度。
3.34=48822.42.420+1403R G +F ≥n a k K ⨯⨯⨯= 暂取 n=4根。
5.计算桩顶荷载取承台及其上土的平均重度桩顶平均竖向力:Q k =(F k +G k )/n=(1403+20x2.4x2.4x2)/4=408.35KN<R a =488kN{585.6KN =1.2Ra <416.6KN 400.1KN25.87517.625±408.35=)(4x0.80.81.2)-34+(-42±)(4x0.80.8)1.222+30(±408.35=x ∑x )h H +(M ±y ∑y )h H +M (±Q =Q 222i i k y k y 2i i k x k x k max min =⨯⨯⨯⨯=相应于作用的基本组合是作用于柱底的荷载设计值为: F=1.35F k =1.35x1403=1894.05kN M=1.35M kx =1.35x30=40.5kN =1.35M ky =1.35x -42=-56.7kN H=1.35H kx =1.35x22=29.7kN =1.35H ky =1.35x -34=-45.9kN扣除承台和其上填土自重后的桩顶竖向设计值: N=F/n=473.5kN2iik y k y 2i i k x k x max minx ∑x )h H +(M ±y ∑y )h H +M (±N =N=473.5±23.834.9 ={kN kN6.4844.4626.承台受冲切承载力验算①柱边冲切计算:冲切力 kN N F F i l 05.1894005.1894=-=-=∑ 受冲切承载力截面高度影响系数=hp β计算 因为h 0=2m 所以=hp β0.9 冲垮比λ与系数β的计算310.013.135.0000===h a x x λ 647.12.0310.084.02.084.0x 00=+=+=λx β310.013.135.0000===h a y y λ 647.12.0310.084.02.084.0y 00=+=+=λy β)(05.1894626413.111009.0)]35.05.0(647.1)35.05.0(647.1[2h f ]a a [20t hp y 0c y 0y 0c 0可以β)(β)(βkN F kN b b l x =>=⨯⨯⨯+⨯++⨯=+++ ②角柱向上冲切,c 1=c 2=0.6m,a 1x =a 0x =a 1y =a 0y =0.35,λ1x =λ0x =λ1y =λ0y =0.310098.12.0310.056.02.056.0098.12.0310.056.02.056.0y 11x 11=+=+==+=+=λλyx ββ)(6.484190413.111009.0)]2/35.06.0(098.1)2/35.06.0(098.1[h f ]a 2/a [max 0t hp 11y 1y 121可以β)(β)(βkN N kN c c x x =>=⨯⨯⨯+⨯++⨯=+++ 7.承台受剪切承载力计算 剪跨比与以上冲切跨比相同。
《基础工程》课程设计指导教师:季羡军班级:0814511姓名:学号:设计时间:2011、12、24桥梁桩基础设计一、初步桩基础拟定尺寸1。
桩基础类型的选择因为基础位于湖中,考虑到冲刷及潮水,且最高水位差为95.5—91.4=4。
1m,施工时排水困难,应采用高桩承台式摩擦桩。
本设计采用桥梁整体式墩台多排桩基础,墩台联结及承台板与群桩的连接均为刚性连接(见附图)。
2。
桩底标高经过初步计算,并考虑单桩承载力、局部冲刷线的影响,结合设计区域桩身穿过密实砂砾石层5m,桩底标高拟采用78。
6m。
3. 桩长、桩径拟定由《公路桥涵地基与基础规范》,钻孔灌注桩混凝土等级不应小于C25.在满足规范要求的情况下,采用桩径为1.2m的钢筋混凝土桩。
桩身采用C25混凝土,R级钢筋,每桩18根主筋,主筋直径20mm,钢筋保护层净距80mm,箍筋采235用闭合式直径8mm,箍筋间距200mm,详见配筋图.4. 基桩根数及其平面布置经过初步试算,拟采用6根钻孔灌注桩,对称竖直双排桩基础(即2×3).查《规范》知:钻孔灌注桩的摩擦桩中心距不得小于2。
5倍成孔直径,所以取钻孔桩中距为3.0m。
二、初拟承台尺寸1. 承台尺寸由《规范》,承台的厚度为桩径的一倍及以上,且不宜小于1。
5m,混凝土强度等级不应低于C25.本例采用厚度为2。
0m,C25混凝土。
采用板式实体承台板,考虑到墩底尺寸为:3。
5m×7m,结合桩间中心距,所以拟定承台形状为矩形4。
5m(纵桥向)×8m。
2. 配筋构造要求根据板式刚性承台板的受力特性,于承台底部高出承台板地面约15cm处设置一层钢筋网,网孔为100mm×100mm,钢筋直径采用 12mm,钢筋网应通过桩顶主筋且不应截断。
承台的顶面和侧面应设置表层钢筋网,每个面在两个方向的截面面积均不宜小于400mm 2/m ,钢筋间距不应大于400mm,本例按250mm ×250mm 布置,钢筋为φ12mm 。
桥梁桩基础课程设计任务书1、桥墩组成:该桥墩基础由两根钻孔灌注桩组成。
桩径采用φ=1.2m ,墩柱直径采用φ=1.0m 。
桩底沉淀土厚度t = (0.2~0.4)d 。
局部冲刷线处设置横系梁。
2、地质资料:标高25m 以上桩侧土为软塑亚粘土,其各物理性质指标为:容量γ=18.5kN /m 3,土粒比重G=2.70g/3cm ,天然含水量%21=ω,液限%7.22=l ω,塑限%3.16=p ω。
标高25m 以下桩侧及桩底土均为硬塑性亚粘土,其物理性质指标为:容量γ=19.5kN /m 3,土粒比重G=2.70g/3cm ,天然含水量%8.17=ω,液限%7.22=l ω,塑限%3.16=p ω。
3、桩身材料:桩身采用25号混凝土浇注,混凝土弹性模量αMP E h 41085.2⨯=,所供钢筋有Ⅰ级钢和Ⅱ级纲。
4、计算荷载⑴ 一跨上部结构自重G=2350kN ; ⑵ 盖梁自重G 2=350kN⑶ 局部冲刷线以上一根柱重G 3应分别考虑最低水位及常水位情况; ⑷公路Ⅱ级 :双孔布载,以产生最大竖向力;单孔布载,以产生最大偏心弯矩。
支座对桥墩的纵向偏心距为3.0=b m (见图2)。
计算汽车荷载时考虑冲击力。
⑸ 人群荷载:双孔布载,以产生最大竖向力;单孔布载,以产生最大偏心弯矩。
⑹ 水平荷载(见图3) 制动力:H 1=22.5kN (4.5); 盖梁风力:W 1=8kN (5);柱风力:W 2=10kN (8)。
采用常水位并考虑波浪影响0.5m ,常水位按45m 计,以产生较大的桩身弯矩。
W 2的力臂为11.25m 。
图45、设计要求⑴确定桩的长度,进行单桩承载力验算。
⑵桩身强度验算:求出桩身弯矩图(用座标纸画),定出桩身最大弯矩值及其相应截面位置和相应轴力,配置钢筋,验算截面强度(采用最不利荷载组合及常水位)。
⑶计算主筋长度、螺旋钢筋长度及钢筋总用量。
⑷用A3纸绘出桩的钢筋布置图。
二、应交资料1、桩基础计算书2、桩基础配筋图3、桩基础钢筋数量表桥梁桩基础课程设计计算书一、恒载计算(每根桩反力计算)1、上部结构横载反力N1N1=1/2*G1=1/2*2000(30/20)^1.2=1626.7KN 2、盖梁自重反力N2221135017522N G kN=⨯=⨯=3、系梁自重反力N331(0.71)(11) 3.325292N kN =⨯⨯⨯⨯⨯⨯=(?)4、一根墩柱自重反力N4 低水位:()22411258.32510 5.1223.8544N kN ππ⨯⨯=⨯⨯+-⨯⨯=常水位:()2241125 4.825108.6196.9144N kN ππ⨯⨯=⨯⨯+-⨯⨯=5、桩每延米重N5(考虑浮力)()25 1.22510116.964N kN π⨯=-⨯⨯=二、活载反力计算1、活载纵向布置时支座最大反力⑴、公路II 级:7.875/k q kN m =,193.5k p kN = Ⅰ、 单孔布载 1290.76R kN = Ⅲ、双孔布载 2581.52R kN = ⑵、人群荷载Ⅰ、单孔布载 R 1=42.7kN (?)⑴、计算桩顶最大弯矩时柱顶竖向力组合Ⅰ:R= 1N +2N +(1+u )汽ϕ∑i i y P + 人ϕql 21(汽车、人群单孔布载)11175175 1.3 1.25290.761 1.33 3.524.41879.282R kN =++⨯⨯⨯+⨯⨯⨯=⑵、计算桩顶(最大冲刷线处)的竖向力0N 、水平力0Q 和弯矩0M0N = m ax R +3N + 4N (常水位)2408.5529196.912631.71kN =++= 0Q = 1H + 1W + 2W 22.581040.5kN =++= 0M = 14.71H + 14.051W + 11.252W + 0.3活max R=()14.722.514.05811.25100.32408.551175175873.22kN m ⨯+⨯+⨯+⨯--=⋅活max R ——组合Ⅰ中活载产生的竖向力的较大者。
四、钻孔灌注桩单桩承载力及强度计算 1、单桩承载力计算 桩长计算:设最大冲刷线以下桩长为h ,一般冲刷线以下桩长为h 3,单桩最大竖向力为: V=1N +2N +3N +4N (低水位)+活N +21qh 活N ——计算柱顶最大垂直反力时活载产生的较大值q ——桩的集度(考虑浮力)1117517529223.85(2408.551175175)16.962658.658.482V h h =++++--+⨯⨯=+单桩容许承载力:{}00231[][](3)2i i z P U l m A K h τλσγ=++-∑i l ——各层土的厚度,i τ——各层土的极限抗剪强度,2K ——查表2-5、z γ——土的容重(多层土时取加权平均值),U ——桩周长,A ——桩底面积λ——查表3-9,0m ——表3-10,[0σ]——查表2-3取1l =10.9m ,2l =h-10.9m,1τ=45,2τ=80,2K =2.5,18.510.919.5(10.9)z h hγ⨯+⨯-=,设计桩径 1.2m ,考虑冲抓锥成孔直径 1.3m ,桩周长 1.3 4.08U m π==,421.134d A m π==,[]0427σ=kPa ,取0.7λ= (由4~20hd=得), 0m =0.7 (由()0.2~0.40.2~0.4d t d d==得)。
00231[](3)2h i i z N U l m A K h τλσγ=++-∑()118.510.919.5(10.9)4.0810.94510.9800.70.7 1.13427 2.5( 3.63)2h h h h ⨯+⨯-⎡⎤=⨯⨯⨯+-⨯+⨯⨯⨯+⨯⨯+-⎡⎤⎣⎦⎢⎥⎣⎦令最大竖向力与单桩容许承载力相等,即h V N =解得h=17.6m,取h=18m 。
pl p l w w w w I --=l I ——液性指数 w ——天然含水量 l w ——液限 p w ——塑限软塑:21%16.3%0.73422.7%16.3%p l l p w w I w w --===--硬塑:17.8%16.3%0.23422.7%16.3%p l l pw w I w w --===--γ)1(0w G e +=0e ——天然孔隙比 G ——土粒比重 γ——容重软塑:()0 2.70121%(1)0.17718.5G w e γ⨯++===硬塑:()0 2.70117.8%(1)0.16319.5G w e γ⨯++===6.33+=h h =18.1+3.6=21.7m 取22m2、钻孔桩强度复合⑴、确定桩的计算宽度1b 和变形系数αkd k k b f 01= 0k k f 及——查表4-3 k =1(桩间影响系数)d ——桩径查表得0.9f k =,011k d=+10110.910.91 1.2 1.981.2f b k k kd d d ⎛⎫⎛⎫==⨯+⨯=⨯+⨯= ⎪ ⎪⎝⎭⎝⎭51EImb =α m ——查表4-1 EI =0.67h h I E 查表得410/m MN m =4761.20.670.672.8510 1.943634261064h h EI E I π⎛⎫⨯==⨯⨯⨯=⨯ ⎪⎝⎭0.40α=== ⑵、最大冲刷线以下深度z 处桩截面上的弯矩z M 计算m m z B M A Q M 00+=α根据z z α=-,h h α=-=0.4⨯18=7.2,所以按弹性桩考虑(其中4≥h α时按4考虑),查附表3、附表7得m A 、m B ,按上式计算不同深度α-=zz 处的z M 并按比例绘出桩身弯矩图,求出最大弯矩所在位置m ax z 、最大弯矩值m ax M 及相应轴力N (计算轴力N 时桩自重考虑浮力并按一半考虑,同时应减去摩阻力)。
0,0, 1.040.50873.221873.220.40m m z z A B M kN m====⨯+⨯=⋅时 1,0.37739,0.9861740.50.37739873.220.98617899.350.40m m z z A B M kN m ====⨯+⨯=⋅时 2,0.64561,0.9132440.50.64561873.220.91324862.830.40m m z z A B M kN m====⨯+⨯=⋅时 3,0.76183,0.7741540.50.76183873.220.77415753.140.40m m z z A B M kN m ====⨯+⨯=⋅时4,0.73734,0.5937340.50.73734873.220.59373593.110.40m m z z A B M kN m ====⨯+⨯=⋅时 5,0.61413,0.4065840.50.61413873.220.40658417.210.40m m z z A B M kN m ====⨯+⨯=⋅时 6,0.44334,0.2426240.50.44334873.220.24262256.750.40m m z z A B M kN m ====⨯+⨯=⋅时 7,0.26996,0.1197940.50.26996873.220.11979131.940.40m m z z A B M kN m ====⨯+⨯=⋅时 8,0.19305,0.0759540.50.19305873.220.0759585.870.40m m z z A B M kN m ====⨯+⨯=⋅时 9,0.0.05081,0.0135440.50.05081873.220.0135416.970.40m m z z A B M kN m ====⨯+⨯=⋅时 10,0.00005,0.0000940.50.00005873.220.000090.080.40m m z z A B M kN m ====⨯+⨯=⋅时⑶、计算纵向力j N 、计算弯矩j M 的确定计算纵向力j N :max max 111234()2211117517529196.9116.961 4.081451489.8422G i S N N N N qz Uz kN τ=++++-=++++⨯⨯-⨯⨯⨯=常水位 ()()110.3 1.25581.52944.97i i N u Py kN ϕ=+=+⨯⨯=∑汽汽11 1.33 3.524.456.7922N ql kN ϕ==⨯⨯⨯=人人 1944.9755.791001.76QS N N kN '=+=+=人汽 11.2 1.4 1.21489.84 1.41001.763190.27j G QN S S kN '=+=⨯+⨯= 当汽车荷载效应占总荷载效应50%及以上时,G S 、1Q S 的系数不再得高,否则应按规定提高,见规范134P 。