桩基础课程设计计算书.doc
- 格式:doc
- 大小:654.51 KB
- 文档页数:13
目录1设计任务 (2)1.1设计资料 (2)1.2设计要求 (3)2 桩基持力层,桩型,桩长的确定 (3)3 单桩承载力确定 (3)3.1单桩竖向承载力的确定 (3)4 桩数布置及承台设计 (4)5 复合桩基荷载验算 (6)6 桩身和承台设计 (9)7 沉降计算 (14)8 构造要求及施工要求 (20)8.1预制桩的施工 (20)8.2混凝土预制桩的接桩 (21)8.3凝土预制桩的沉桩 (22)8.4预制桩沉桩对环境的影响分析及防治措施 (23)8.5结论与建议 (25)9 参考文献 (25)一、设计任务书(一)、设计资料1、某地方建筑场地土层按其成因土的特征和力学性质的不同自上而下划分为5层,物理力学指标见下表。
勘查期间测得地下水混合水位深为2.1m,本场地下水无腐蚀性。
建筑安全等级为2级,已知上部框架结构由柱子传来的荷载。
承台底面埋深:D =2.1m。
(二)、设计要求:1、桩基持力层、桩型、承台埋深选择2、确定单桩承载力3、桩数布置及承台设计4、群桩承载力验算5、桩身结构设计和计算6、承台设计计算7、群桩沉降计算8、绘制桩承台施工图二、桩基持力层,桩型,桩长的确定根据设计任务书所提供的资料,分析表明,在柱下荷载作用下,天然地基基础难以满足设计要求,故考虑选用桩基础。
由地基勘查资料,确定选用第四土层黄褐色粉质粘土为桩端持力层。
根据工程请况承台埋深 2.1m,预选钢筋混凝土预制桩断面尺寸为450㎜×450㎜。
桩长21.1m。
三、单桩承载力确定(一)、单桩竖向承载力的确定:1、根据地质条件选择持力层,确定桩的断面尺寸和长度。
根据地质条件以第四层黄褐色粉土夹粉质粘土为持力层,采用截面为450×450mm的预置钢筋混凝土方桩,桩尖进入持力层1.0m;镶入承台0.1m,桩长21.1 m。
承台底部埋深2.1 m。
2、确定单桩竖向承载力标准值Quk可根据经验公式估算:Quk= Qsk+ Qpk=µ∑qsikli+qpkApQ——单桩极限摩阻力标准值(kN)skQ——单桩极限端阻力标准值(kN)pku——桩的横断面周长(m)A——桩的横断面底面积(2m)pL——桩周各层土的厚度(m)iq——桩周第i层土的单位极限摩阻力标准值(a kP)sikq——桩底土的单位极限端阻力标准值(a kP)pk桩周长:µ=450×4=1800mm=1.8m桩横截面积:Ap=0.45²=0.2025㎡桩侧土极限摩擦力标准值qsik:查表得:用经验参数法:粉质粘土层:L I=0.95,取qsk=35kPa淤泥质粉质粘土:qsk=29kPa粉质粘土:L I=0.70,取qsk=55kPa桩端土极限承载力标准值qpk,查表得:qpk=2200 kPa用经验参数法求得Quk1=1.8×(35×8.0+29×12.0+1.0×55) +2200×0.2025=1674.9KN用静力触探法求得Quk2=1.8×(36×8.0+43×12.0+1.0×111) +1784.5×0.2025=2008.4KN3、确定单桩竖向承载力设计值R,并且确定桩数n和桩的布置先不考虑群桩效应,估算单桩竖向承载力设计值R为:R=Qsk/rs+Qpk/rpR——单桩竖向极限承载力设计值,kNQ——单桩总极限侧阻力力标准值,kNskQ——单桩总极限端阻力力标准值,kNpkγ——桩侧阻力分项抗力系数sγ——桩端阻力分项抗力系数p用经验参数法时:查表rs=rp=1.65R1=Qsk/rs+Qpk/rp=1229.4/1.65+445.5/1.65=1015.09KN 用静力触探法时:查表rs=rp=1.60R2=Qsk/rs+Qpk/rp=1647/1.60+361.4/1.60=1255.25KNRz=min(R1,R2)= 1015.09 KN四、桩数布置及承台设计根据设计资料,以轴线⑦为例。
【题1】某试验大厅柱下桩基,柱截面尺寸为mm mm 600400⨯,地质剖面示意图如图1所示,作用在基础顶面的荷载效应基本组合设计值为F = 2035kN ,M=330kN·m ,H = 55kN ,荷载效应标准组合设计值为F k =1565kN ,M k =254kN·m ,H k =42kN ,试设计桩基础。
表1 土的物理力学性质表注:各层土的平均内摩擦角020=ϕ图1 地质剖面示意图1. 确定桩的规格根据地质勘察资料,确定第4层粘土为桩端持力层。
采用钢筋混凝土预制桩,桩截面为方桩,为400mm ×400mm ,桩长为9米。
承台埋深1.7米 ,桩顶嵌入承台0.1米,则桩端进持力层2.4米。
初步确定承台尺寸为2.4m ×2.4m 。
2. 确定单桩竖向承载力标准值Q根据公式p pk isik pk sk uk A q l quQ Q Q +=+=∑=4×0.4(60×2.0+38×4.5+82×1.5)+2500×0.4×0.4=902.4KN 取=uk Q 902.4 kN3. 确定桩基竖向承载力设计值R 并确定桩数n 及其布置按照规范要求,d S a 3≥,取d S a 4=,c b =2m ,l =9m 故=lb c0.22查表得,=sp η0.97。
查表得,=sp γ 1.60先不考虑承台效应,估算基桩竖向承载力设计值R 为sp uk sp Q R γη== 1.60902.40.97 ⨯ =547.08 kN 桩基承台和承台以上土自重设计值为G =2.4×2.4×1.7×20=195.84 kN 粗估桩数n 为n =1.1×(F+G)/R=(1565+195.84)/ 547.08=3.22根 取桩数n =4 根,桩的平面布置为右图所示,承台面积为2.4m ×2.4m ,承台高度为 0.9m ,由于n > 3,应该考虑群桩效应和承台效应确定单桩承载力设计值R 由d S a =4 ;lB c=0.25 查表得 ic η=0.155 ,ec η=0.75 由ic A =4 m ²,ec A =2.4²-2²=1.76 m ²得c ecc e c i c i cc A A A A ηηη+==76.576.175.076.54155.0+=η=0.337由=k f 60,得==k ck f q 2120 kPa ,查表得=c γ 1.7,所以考虑承台底土的抗力为nA q Q Q Q R c cck cspukspcckcspukspγηγηγηγη+=+= =(0.97×902.4÷1.60)+(0.337×120×2.4×2.4)÷(4×1.7)=581.34kN 按桩的静载荷试验取R =581.34kN 根据经验公式得∑+=p pk i sik uk A q l q u Q=4×0.4(60×2.0+38×4.5+82×1.5)+2500×0.4×0.4=902.4KN这说明,按桩的静载荷试验取R =581.34 是合理的。
目录一、设计资料 (4)二、确定桩的长度和承台埋深 (5)三、确定单桩的竖向承载力 (5)四、轴线选择 (5)五、初步确定桩数及承台尺寸 (5)六、群桩基础中单桩承载力验算 (6)七、确定桩的平面布置 (6)八、承台结构计算 (6)1、桩顶最大竖向力 (6)2、承台受弯验算及承台配筋 (6)3、承台柱下抗冲切验算 (7)4、承台角桩抗冲切验算 (8)5、承台抗剪验算 (9)九、单桩配筋设计和计算 (10)一、设计资料1、地形拟建建筑场地地势平坦,局部堆有建筑垃圾;2、工程地质条件自上而下土层依次如下:号土层:素填土,层厚约1.5m,稍湿,松散,承载力特征值fak=95kPa号土层:淤泥质土,层厚3.3m,流塑,承载力特征值fak=65kPa;号土层:粉砂,层厚6.6m,稍密,承载力特征值fak=110kPa;号土层:粉质黏土,层厚4.2m,湿,可塑,承载力特征值fak=165kPa;号土层:粉砂层,钻孔未穿透,中密-密实,承载力特征值fak=280kPa;3、岩土设计技术参数岩土设计参数如表和表所示.4、水文地质条件1拟建场区地下水对混凝土结构无腐蚀性; 2地下水位深度:位于地表下3.5m;5、场地条件建筑物所处场地抗震设防烈度为7度,场地内无可液化砂土、粉土; 6、上部结构资料拟建建筑物为六层钢筋混凝土结构,长30m,宽9.6m;室外地坪标高同自然地面,室内外高差450mm;柱截面尺寸均为4 00mm×400mm,横向承重,柱网布置如图所示;图柱网布置图7、上部结构作用、水平上部结构作用在柱底的荷载效应标准组合值如表所示,该表中弯矩MK 均为横向方向;上部结构作用在柱底的荷载效应基本组合值如表所示,该表中力VK弯短M、水平力V均为横向方向;8、材料混凝土强度等级为C25~C30,钢筋采用HPB235、HRB335级; 二、确定桩的长度和承台埋深1、 材料信息:柱混凝土强度等级:30C桩、承台混凝土强度等级:30C 2/43.1mm N f t = 钢筋强度等级:235HpB 2/210mm N f y = 钢筋强度等级:335HRB 2/300mm N f y =2、 确定桩的长度及截面尺寸:根据设计资料,选第四层粉质粘土为持力层,进入持力层,承台埋深,桩长12m;截面尺寸选为300mmx300mm;三、确定单桩竖向承载力根据公式根据设计资料,Ap=0.3m=㎡,==1.2m,p四、轴线选择选择第1组轴线B计算,根据设计资料有:柱底荷载效应标准组合值:FK=1765KN,MK=,V=130 KN;柱底荷载效应基本组合值:FK=2630KN,MK=,V=140KN五、初步确定桩数及承台尺寸先假设承台尺寸为2mx2m,厚度为1m,承台及其上土平均容重为30 kN/m3则承台及其上土自重标准值为:Gk==300 kN,根据规范,桩数n需满足:4.39.6653001765x 1.11.1n =+=+=Ra G F k k , 如下图所示:六、群桩基础中单桩承载力验算 按照设计的承台尺寸,计算 Gk= kN,单桩平均竖向力: 符合要求;单桩偏心荷载下最大竖向力:在偏心竖向力作用下,必须有: Qk,max=, 符合要求;七、确定桩的平面布置几何参数:承台边缘至桩中心距 mm C 300= mm D 300= 桩列间距 mm A 2000= 桩行间距 mm B 1000= 承台高度mm H 1000= 桩顶深入承台100 mm,承台下设100mm,强度为C25的混凝土垫层,钢筋保护层取50mm , 承台有效高度h0=850mm承台采用混凝土强度等级为C30,抗拉强度2/43.1mm N f t =, 钢筋采用:335HRB 2/300mm N f y =八、承台结构计算1、在承台结构计算中,相应于荷载效应基本组合设计值为:FK=2630KN,MK=,V=140 KN各桩不计承台及其上土重Gk 部分的净反力Ni 为: Ni=kN n F k 5.6574/2630/== 最大竖向力3、 承台受弯计算及承台配筋:1对Ⅰ-Ⅰ截面,垂直于X 轴方向计算截面处弯矩计算:2606.57958503009.0101.13309.0mm h f M A y ys =⨯⨯⨯== 选用2512φ 25890mm A s =,平行于x 轴布置;2对于Ⅱ-Ⅱ截面,垂直于Y 轴方向计算截面处弯矩计算:2606.14368503009.0105.3949.0mm h f M A y x s =⨯⨯⨯== 选用1214φ 21582mm A s =,平行于y 轴布置.4、 承台柱下抗冲切验算:计算公式:建筑地基基础设计规范JGJ-94——2008 式中:X 方向上自柱边到最近桩边的水平距离:,mm a ox 65.0= X 方向冲垮比:765.085.065.00===h a ox ox λ,X 方向冲切系数:87.0)2.0765.0(84.0)2.0(84.0=+=+=ox ox λβY 方向上自柱边到最近桩边的水平距离: mm a oy 15.0=,Y 方向冲垮比:2.018.085.015.00y <===h a o oy λ,取2.0=oy λ,Y 方向冲切系数:1.2)2.02.0(84.0)2(84.0=+=+=oy oy λβ bc=ac=0.4m,作用于冲切破坏锥体上的冲切力设计值:kN Ni F F l 5.19725.6572630=-=-= 符合要求;4、承台角桩抗冲切验算:计算公式:建筑地基基础设计规范JGJ-94——2008 角桩竖向冲反力设计值:kN N N 5.796m ax 1== 式中:Y 方向上从承台角桩内边缘引 45冲切线于承台顶面相交点至角桩边缘的水平距离当柱或承台变阶处位于该 45线以内时,则取由柱边变阶处与桩内边缘连线为冲切锥体的锥线m a x 65.01=,765.085.065.0011===h a x x λ, 58.0)2.056.011=+=x x λβ;X 方向上从承台角桩内边缘引 45冲切线于承台顶面相交点至角桩边缘的水平距离当柱或承台变阶处位于该 45线以内时,则取由柱边变阶处与桩内边缘连线为冲切锥体的锥线m a y 15.01=,2.018.0011<==h a y y λ取,2.01=y λ抗冲切=0111121)]2()2([h f a c a c t hp x y y x ⋅⋅+++βββ符合要求; 5、承台抗剪验算:计算公式:建筑地基基础设计规范JGJ-94——2008(1) Ⅰ—Ⅰ截面的抗剪验算:765.085.065.001===h a x x λ,02.2)0.1765.075.1)0.1(75.1=+=+=λβ受剪的承载力截面高度影响系数hs β的计算:985.08508008004141=⎪⎭⎫ ⎝⎛=⎪⎪⎭⎫ ⎝⎛=h hs β最大剪力设计值:kN N V l 15935.7962m ax 2=⨯==抗剪切力=kN V kN h b f l t hs 6.16625.241885.0143002.2985.000=>=⨯⨯⨯=ββ 符合要求2Ⅱ-Ⅱ截面的抗剪验算:3.018.085.015.00<===h a y y λ,取3.0=y λ,受剪的承载力截面高度影响系数hs β的计算:985.08508008004141=⎪⎭⎫ ⎝⎛=⎪⎪⎭⎫ ⎝⎛=h hs β 最大剪力设计值:kN Ni V l 13155.65722=⨯==抗剪切力=kN V kN h b f l t hs 13159.418985.06.21430346.1985.000=>=⨯⨯⨯⨯=ββ 符合要求; 九、单桩配筋设计和计算桩身采用C30混凝土,2/1.20mm N f c = 按构造配筋,根据建筑地基基础设计规范JGJ-94——2008,取最小配筋率%:%8.03.03.0=⨯sA 2720mm A s = 采用146φ 2923mm A s =箍筋取200@6φ,局部加密,保护层厚度为30mm.。
地基基础课程设计学生姓名:单兴孙学号:201005024312指导教师:赵少飞所在学院:建筑工程学院专业:土木工程专业2013 年 09 月地基基础课程设计任务书(预制桩基础)--土木B103一、工程概况燕郊某机械厂车间,为单层单跨排架结构,跨度18米,柱距6米,纵向总长度72m,室内外地面高差0.30米。
柱截面500×1000mm。
建筑场地地质条件见表A,作用于基础顶面的荷载见表B。
表A 建筑场地地质条件注:地下水位在天然地面下2.5米处表B 上部结构传来荷载注:1、荷载作用于基础顶面,弯矩作用于跨度方向;2、表中给出的是荷载设计值,如需用到荷载标准值,直接把设计值除以1.3即可。
二、题目分配按学号选择表B中相应的荷载,全班地质条件均相同(表A)。
三、设计要求1、设计桩基础(包括桩、承台设计、群桩基础计算等);2、绘制施工图,包括基础平面布置图、承台和桩身详图及必要的施工说明等;(A1图纸594mm×841mm)。
3、计算书内容应详尽,数据准确,排版规范(按附件的排版规范执行)。
图纸应符合制图规范相关要求,表达完整、准确。
参考设计步骤:1、确定桩的类型、长度(包括确定桩端持力层)、截面尺寸,初步选择承台底面标高(要考虑预制桩的要求);2、按经验公式确定单桩承载力;3、确定桩数及布置;4、群桩基础计算;5、桩身设计;6、承台设计;7、绘制施工图。
目录1 设计资料................................................ 错误!未定义书签。
2 选择桩端持力层、承台埋深................................ 错误!未定义书签。
3 确定单桩极限承载力标准值 (2)4 确定桩数和承台尺寸 (3)5 桩顶作用效用验算 (3)6 桩基础沉降验算 (4)6.1 求基底压力和基底附加压力 (4)6.2 确定沉降计算深度 (4)6.3 沉降计算 (4)6.4 确定沉降经验系数 (6)7 桩身结构设计计算 (6)8 承台设计计算 (8)8.1 承台受冲切承载力验算 (8)8.2 承台受剪切承载力验算 (9)8.3 承台受弯承载力验算 (10)8.4 承台局部受压验算 (10)参考文献 (12)桩基础课程设计计算书1.设计资料由上结构传至桩基的最大荷载设计值为:N=2956kN ,M=231 kN·m,V=80kN表A 建筑场地地质条件注:地下水位在天然地面下2.5米处1.选择桩端持力层、承台埋深根据表A 地质条件,以粉质粘土层为桩尖持力层,采用预制混凝土方桩,桩长L=20m ,截面尺寸为400mm ⨯400mm ,桩尖进入粉质粘土层为2m 。
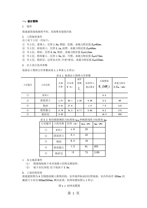
一:设计资料1.地形拟建建筑场地地势平坦,局部堆有建筑垃圾2.工程地质条件自上而下土层一次如下:①号土层,素填土,层厚1.6m,稍湿,松散,承载力特征值f ak=98kPa②号土层,淤泥质土,层厚3.1m,流塑,承载力特征值f ak=69kPa③号土层,粉砂,层厚6.3m,稍密,承载力特征值f ak=115kPa④号土层,粉质黏土,层厚4.5m,湿,可塑,承载力特征值f ak=170kPa⑤号土层,粉砂层,层厚未击穿,中密-密实,承载力特征值f ak=285kPa3.岩土设计技术参数地基岩土物理力学参数如表1.1和表1.2所示。
sik pk4.水文地质条件(1)拟建场地地下水对混凝土结构无腐蚀性。
(2)地下水位深度:位于地表下3.5m。
5.上部结构资料拟建建筑物为6层钢筋混凝土框架结构,室外地坪标高同自然地面,室内外高差350mm,柱截面尺寸均为500mmX500mm,横向承重,柱网布置如图1.1所示。
图1.1 柱网布置图二.计算1.对题号1荷载计算近似取荷载效应基本组合值为标准组合值的1.35倍,荷载效应准永久组合值标准组合值的0.8倍。
(1)确定桩基竖向承载力设计值R根据地质勘察资料,确定第5层粉砂层为桩端持力层。
采用钢筋混凝土预制桩,桩截面为方桩,为400mm ×400mm ,桩长为11米。
承台埋深1.6米 ,则桩端进持力层1.6米。
按经验参数法确定单桩竖向承载力极限承载力标准值: (2)确定桩数和承台尺寸 ①确定A 轴桩数和承台尺寸按照规范要求,桩中心距d S a 3≥,取3a S d =,承台尺寸 2.0cB m =,桩基承台和承台以上土自重设计值为G =2.0×2.0×1.6×20=128 kN 桩数n 为n =(F+G)/R=(1256+128)/ 452.96=3.06根取桩数n =4 根,桩的平面布置为右图所示,承台面积为2.0m ×2.0m 。
四桩基础计算书华清家园工程;工程建设地点:武清区新城翠通路西侧;属于结构;地上33层;地下1层;建筑高度:100m;标准层层高:3m ;总建筑面积:11500平方米;总工期:0天。
本工程由投资建设,设计,地质勘察,监理,组织施工;由担任项目经理,担任技术负责人。
本计算书主要依据施工图纸及以下规范及参考文献编制:《塔式起重机设计规范》(GB/T13752-1992)、《地基基础设计规范》(GB50007-2002)、《建筑结构荷载规范》(GB50009-2001)、《建筑安全检查标准》(JGJ59-99)、《混凝土结构设计规范》(GB50010-2002)、《建筑桩基技术规范》(JGJ94-2008)等编制。
一、塔吊的基本参数信息塔吊型号:TQ60/80,塔吊起升高度H:65.000m,塔身宽度B:2.5m,基础埋深D:1.500m,自重F1:852.6kN,基础承台厚度Hc:1.000m,最大起重荷载F2:80kN,基础承台宽度Bc:6.000m,桩钢筋级别:HPB235,桩直径或者方桩边长:0.700m,桩间距a:5m,承台箍筋间距S:200.000mm,承台混凝土的保护层厚度:50mm,承台混凝土强度等级:C35;二、塔吊基础承台顶面的竖向力和弯矩计算塔吊自重(包括压重)F1=852.60kN;塔吊最大起重荷载F2=80.00kN;作用于桩基承台顶面的竖向力F k=F1+F2=932.60kN;风荷载对塔吊基础产生的弯矩计算:M kmax=2188.71kN·m;三、承台弯矩及单桩桩顶竖向力的计算1. 桩顶竖向力的计算依据《建筑桩技术规范》(JGJ94-2008)的第5.1.1条,在实际情况中x、y轴是随机变化的,所以取最不利情况计算。
N ik=(F k+G k)/n±M yk x i/∑x j2±M xk y i/∑y j2;其中 n──单桩个数,n=4;F k──作用于桩基承台顶面的竖向力标准值,F k=932.60kN;G k──桩基承台的自重标准值:G k=25×Bc×Bc×Hc=25×6.00×6.00×1.00=900.00kN;M xk,M yk──承台底面的弯矩标准值,取2188.71kN·m;x i,y i──单桩相对承台中心轴的XY方向距离a/20.5=3.54m;N ik──单桩桩顶竖向力标准值;经计算得到单桩桩顶竖向力标准值最大压力:N kmax=(932.60+900.00)/4+2188.71×3.54/(2×3.542)=767.68kN。
基础工程桩基础设计资料⑴上部结构资料某教学实验楼,上部结构为十层框架,其框架主梁、次梁、楼板均为现浇整体式,混凝土强度等级为C30,上部结构传至柱底的相应于荷载效应标准组合的荷载如下︰竖向力 :4800 kN , 弯距 :70 kN · m, 水平力:40 kN拟采用预制桩基础,预制桩截面尺寸为350mm * 350mm。
⑵建筑物场地资料拟建建筑物场地位于市区内,地势平坦 , 建筑物场地位于非地震地区,不考虑地震影响 . 场地地下水类型为潜水,地下水位离地表 2.1 米,根据已有资料,该场地地下水对混凝土没有腐蚀性。
建筑地基的土层分布情况及各土层物理,力学指标见下表:表 1地基各土层物理、力学指标土天然层底埋含孔液塑压缩地基层层厚重度内聚内摩土层名称深( m)( kN/m 水量隙限限模量承载力编(m)( %)( %)( %)力擦角(MPa) (kPa)比号)1 杂填土 1.5 1.5 15.52 粉质粘土9.8 8.3 17.3 32.0 0.90 34.0 19.0 15.0 20.0 5.4 1103 粘土21.8 12.0 16.2 33.8 1.06 44.0 18.0 13.8 17.5 3.2 100粉土夹粉4 27.1 5.3 18.3 30.0 0.88 33.0 18.0 16.9 22.1 11.0 148质粘土淤泥质粘5 >27.1 16.9 45.3 1.2 6.0 4.7 1.2 60土基础工程桩基础设计计算1.选择桩端持力层、承台埋深⑴ . 选择桩型由资料给出,拟采用预制桩基础。
还根据资料知,建筑物拟建场地位于市区内,为避免对周围产生噪声污染和扰动地层,宜采用静压法沉桩,这样不仅可以不影响周围环境,还能较好地保证桩身质量和沉桩精度。
⑵ . 确定桩的长度、埋深以及承台埋深依据地基土的分布,第 3 层是粘土,压缩性较高,承载力中等,且比较厚,而第 4 层是粉土夹粉质粘土,不仅压缩性低,承载力也高,所以第 4 层是比较适合的桩端持力层。
基础工程课程设计————某住宅楼桩基础设计一:设计资料1、建筑场地土层按其成因土的特征和力学性质的不同自上而下划分为四层,物理力学指标见下表。
勘查期间测得地下水混合水位深为2.0m,地下水水质分析结果表明,本场地下水无腐蚀性。
建筑安全等级为2级,已知上部框架结构由柱子传来的荷载:V = 3200kN, M=400kN m,H = 50kN;柱的截面尺寸为:400×400mm;承台底面埋深:D = 2.0m。
2、根据地质资料,以黄土粉质粘土为桩尖持力层,钢筋混凝土预制桩断面尺寸为300×300,桩长为10.0m3、桩身资料:混凝土为C30,轴心抗压强度设计值fc=15MPa,弯曲强度设计值为fm =16.5MPa,主筋采用:4Φ16,强度设计值:fy=310MPa4、承台设计资料:混凝土为C30,轴心抗压强度设计值为fc=15MPa,弯曲抗压强度设计值为fm=1.5MPa。
、附:1):土层主要物理力学指标;2):桩静载荷试验曲线。
附表一:附表二:桩静载荷试验曲线二:设计要求:1、单桩竖向承载力标准值和设计值的计算;2、确定桩数和桩的平面布置图;3、群桩中基桩的受力验算4、承台结构设计及验算;5、桩及承台的施工图设计:包括桩的平面布置图,桩身配筋图,承台配筋和必要的施工说明;6、需要提交的报告:计算说明书和桩基础施工图。
三:桩基础设计 (一):必要资料准备1、建筑物的类型机规模:住宅楼2、岩土工程勘察报告:见上页附表3、环境及检测条件:地下水无腐蚀性,Q —S 曲线见附表 (二):外部荷载及桩型确定1、柱传来荷载:V = 3200kN 、M = 400kN •m 、H = 50kN2、桩型确定:1)、由题意选桩为钢筋混凝土预制桩; 2)、构造尺寸:桩长L =10.0m ,截面尺寸:300×300mm 3)、桩身:混凝土强度 C30、cf=15MPa 、mf=16.5MPa4φ16yf=310MPa4)、承台材料:混凝土强度C30、cf=15MPa 、mf=16.5MPatf=1.5MPa(三):单桩承载力确定1、 单桩竖向承载力的确定: 1)、根据桩身材料强度(ϕ=1.0按0.25折减,配筋 φ16)2()1.0(150.25300310803.8)586.7pS cyR kNf f AA ϕ''=+=⨯⨯⨯+⨯=2)、根据地基基础规范公式计算: 1°、桩尖土端承载力计算: 粉质粘土,LI=0.60,入土深度为12.0m100800(800)8805pakPa q -=⨯= 2°、桩侧土摩擦力: 粉质粘土层1:1.0LI= ,17~24sakPa q= 取18kPa粉质粘土层2:0.60LI= ,24~31sakPa q= 取28kPa28800.340.3(189281)307.2pippasia Ra kPaqq lA μ=+=⨯+⨯⨯⨯+⨯=∑3)、根据静载荷试验数据计算:根据静载荷单桩承载力试验Q s -曲线,按明显拐点法得单桩极限承载力550ukN Q=单桩承载力标准值:55027522uk kN QR === 根据以上各种条件下的计算结果,取单桩竖向承载力标准值275akN R=单桩竖向承载力设计值1.2 1.2275330k kN R R ==⨯=4)、确桩数和桩的布置:1°、初步假定承台的尺寸为 223m ⨯ 上部结构传来垂直荷载: 3200V kN = 承台和土自重: 2(23)20240G kN =⨯⨯⨯= 32002401.1 1.111.5330F G n R ++=⨯=⨯= 取 12n =根 桩距 :()()3~43~40.30.9~1.2S d m ==⨯= 取 1.0S m =2°、承台平面尺寸及柱排列如下图:桩平面布置图1:100桩立面图(四):单桩受力验算: 1、单桩所受平均力:3200 2.6 3.6220297.912F G N kPa R n ++⨯⨯⨯===< 2、单桩所受最大及最小力:()()maxmax min 2240050 1.5 1.5297.960.5 1.5iF G nMx N x+⨯⨯+=±=±=⨯⨯∑3、 单桩水平承载力计算: 150 4.212i H kPa n H === , 3200266.712i V == 4.211266.763.512H V ==<< 即i V 与i H 合力 与i V 的夹角小于5∴单桩水平承载力满足要求,不需要进一步的验算。
课程设计计算书(桩基础)2011一、设计原则1、结构布置必须全面、正确地体现经济合理;2、结构构件必须具有足够的承载力、刚度、稳定性和耐久性等方面的要求;3、地基必须满足的承载力、稳定性和变形等方面的要求。
二、基础结构布置的选择基础结构布置方案如附图所示,采用低承台桩基础,且承台为柱下桩基础独立承台。
三、持力层选择及桩型确定1、根据工程地质资料选择持力层确定桩型根据设计条件可知采用混凝土预制桩,持力层为粉土层2、确定桩的断面尺寸和桩长桩的断面为方形,尺寸400×400,长15m3、确定承台埋深0.5m拟定承台埋深0.5m四、单桩承载力计算由《建筑地基基础设计规范》经验公式,算得单桩承载力特征值R a=q pa A p+µp∑q sia L i=1400×(400/1000)×(400/1000)+4×(400/1000)×(14×2.5+32×2+14×8.5+2×42)=707.2KN五、确定桩数和桩布置1、计算桩数并确立桩的布置取A3桩的桩基础为设计对象,由附图可知F k=5503.7/1.35=4076.8KNM xk=72.8/1.35=54KN·m M yk=12.5KN·m由于水平力与弯矩相比太小,可忽略不计。
则桩数n≥Fk/Ra=4076.8/707.2=5.8 取n=6由于采用混凝土预制桩,且为挤土预制桩,因此,桩距S≥3.0d,取S=3d=3×400=1200mm,各桩的外边缘至承台边距离为600m2,计算群桩和单桩是否满足单桩承载力需求为满足刚性角α>45°的要求,则承台有效厚度h≥900×tan45°=900m ,则Q k=(Fk+Gk)/n=(4076.8+20×3×1.8×1.9)/6=704.7KN˂Ra=707.2KNQ max=(F k+G k)/n+(M xk·y i)/∑(xi·xi)+(M yk·xi)/∑(yi·yi)=737.3KN˂1.2R a=848.6KN六、承台设计与计算由图可知承台为矩形,尺寸1800×3000,厚900m承台受冲切承载力验算相应于荷载效应基本组合值时作用于桩底的荷载设计值为F=1.35Fk=5502.7KNMx=1.35Mxk=72.8KN·mMy=1.35Myk=102.5KN·m扣除承台和基上填土自重的与桩顶竖向力设计值N=F/n=5502.7/6=967.12KNNmax=953.6KN Nmin=880.7KN①边冲切,按式(4-59)或(4-65)计算冲切力Ft=F-∑Ni=5502.7KN受冲切承载力截面高度影响系数βnp计算Βnp=1-(1-0.9)/(200-800)×(100-800)=0.992冲垮比λ与系数a的计算λox=0.7/0.830=0.8471˂1.07βox=0.84/(0.843+0.1)=0.805λoy=0.175/0.830=0.211>0.20βoy=0.84/(0.211+0.1)=2.044七、桩身配筋验算1.35Qk=0.94(fca+fy'As')则As'=(1.35Qk/0.94-fca)·(1/ fy')=【(1.35×704.7)/(0.9×0.38)-1430×0.9×0.4】×(1/300)=8509.7取12Φ30 As'=8982.3mm²由于0.3%˂0.5%故可以,箍筋采用HRB225.角桩向上冲切,l1=l2=500mma1x=aox=λ1x=λ2x a1y=aoy λ1y=λoyβ1x=0.56/(0.843+0.2)=0.537β1y=0.56/(0.211+0.2)=1.363【β1x(l2+a1y/2)+β1y(l1+a1x/2)】·βnp·fth=1735.5KN>Nmax=953.6KN承台受剪切承载力计算按式(4-70)或(4-71)计算,剪跨比与以上冲垮比相同受剪切承载力截面高度影响系数βhs计算Βhs=(800/h)¼=(800/830)¼=0.991对于I-I斜截面Λx=λox=0.843剪切系数β=1.75/(λ+1.0)=0.950则βns·βƒt·b·h=0.991×0.950×1430×3.0×0.830=3352.2KN>2Nmax=1907.2KN(可以)对于Ⅱ-Ⅱ斜截面Λy=λoy=0.211˂0.33,取λy=0.3剪切系数β=1.75/(λ+1.0)=1.75/(0.3+1.0)=1.346βns·βƒt·b·h=0.991×1.346×1430×3.0×0.830=4749.6KN>3Nmax=2751.9KN(可以)承台受弯承载力计算由式(4-55)计算Mx=∑Niyi=3×917.12×0.375=1031.8KN·mAs=Mx/0.9ƒyh=(1031.8×10³×10³)/(0.9×3000.830)=4604.2mm²选用21Φ18,As=5343.85mm²,沿平行于Y轴方向均匀布置My=∑NiXi=2×983.6×0.9=1716.5KN·mAs=My/0.9ƒyh=7659.5mm²选用16Φ26,As=8494.87mm²,沿平行于Y轴方向均匀布置八、桩身强度验算由于采用混凝土预制桩,故系数取0.75,混凝土采用C30,则ƒc=19.3N/mm²,桩身横截面积Ap=0.4×0.4=0.16mm²则Apƒc=0.16×14.3×1000000×0.75=1716KN>1.35Qk=951.3KN (可以)。
桩基础课程设计计算书一、引言桩基础是土木工程中常用的一种基础形式,用于承受建筑物或其他结构的重力和水平力。
本文旨在通过桩基础课程设计计算书,对桩基础的设计和计算过程进行详细介绍。
二、桩基础设计原则1.选取合适的桩型:根据工程场地的地质条件和设计要求,选择适合的桩型,常见的桩型有钢筋混凝土灌注桩、预制桩和钢管桩等。
2.确定桩的数量和布置:根据建筑物或结构的荷载和地质条件,确定桩的数量和布置方式,以保证桩基础的稳定性和承载能力。
3.计算桩的承载力:根据桩的类型和地质条件,采用适当的计算方法计算桩的承载力,包括桩身承载力和桩端承载力。
4.考虑桩与土的相互作用:在桩基础设计中,需要考虑桩与土之间的相互作用,包括桩身的摩擦阻力和桩端的土的阻力等。
5.确定桩的长度和直径:根据桩的承载力和桩身的应力条件,确定桩的长度和直径,以满足设计要求。
三、桩基础设计计算书的内容1.工程概况:包括工程名称、地理位置、建设单位、设计单位等基本信息。
2.设计依据:包括国家相关标准、规范和技术要求等。
3.地质勘察报告摘要:根据地质勘察报告的结果,对地质条件进行简要描述。
4.荷载计算:根据建筑物或结构的荷载标准,计算垂直和水平荷载,包括永久荷载、活荷载和地震荷载等。
5.桩的类型和布置:根据地质条件和设计要求,确定桩的类型和布置方式。
6.桩身承载力计算:根据所选桩的类型和地质条件,计算桩身的承载力,包括桩身的摩擦阻力和桩身的承载力等。
7.桩端承载力计算:根据所选桩的类型和地质条件,计算桩端的承载力,包括桩端的土的阻力和桩端的承载力等。
8.桩的长度和直径计算:根据桩的承载力和桩身的应力条件,计算桩的长度和直径。
9.桩基础的稳定性分析:对桩基础的稳定性进行分析,包括桩身的稳定性和桩端的稳定性等。
10.施工及验收规范:根据国家相关标准和规范,列出桩基础施工的要求和验收标准。
四、桩基础设计计算书的编写要点1.准确性:设计计算书应准确描述桩基础的设计和计算过程,避免歧义或错误信息的出现。
桩基础课程设计计算书一、引言桩基础是一种通过深埋桩体来传递建筑物或其他结构物荷载到地下的基础形式。
它通过桩与土层之间的摩擦力和桩端的承载力来支撑结构物。
桩基础的设计和计算是确保工程安全可靠的重要环节。
二、桩基础的类型桩基础可分为承载桩和摩擦桩两种类型。
承载桩主要通过桩端的承载力来支撑荷载,而摩擦桩主要通过桩身与土层之间的摩擦力来传递荷载。
根据桩体材料的不同,桩基础又可分为钢筋混凝土桩、预应力混凝土桩、木桩等。
三、桩基础的设计步骤1. 确定设计荷载:根据工程要求和土层特性,确定设计荷载的大小和分布情况。
2. 选择桩型和桩长:根据设计荷载和土层条件,选择合适的桩型和桩长。
3. 桩身计算:根据桩型和桩长,计算桩身的抗弯强度和抗剪强度。
4. 桩端计算:根据桩型和桩长,计算桩端的承载力和桩身与桩端的转换段的承载力。
5. 桩身与土层的摩擦力计算:根据土层性质和桩身形状,计算桩身与土层之间的摩擦力。
6. 桩身与土层的稳定性计算:根据桩身形状和土层特性,计算桩身与土层之间的稳定性。
四、桩基础的计算方法1. 桩身抗弯强度的计算:根据横截面形状和材料强度,采用梁理论计算桩身的抗弯强度。
2. 桩身抗剪强度的计算:根据横截面形状和材料强度,采用剪切理论计算桩身的抗剪强度。
3. 桩端承载力的计算:根据桩端形状和土层特性,采用承载力公式计算桩端的承载力。
4. 桩身与桩端转换段承载力的计算:根据桩型和土层特性,采用承载力公式计算转换段的承载力。
5. 桩身与土层的摩擦力的计算:根据土层性质和桩身形状,采用摩擦力公式计算桩身与土层之间的摩擦力。
6. 桩身与土层的稳定性的计算:根据土层特性和桩身形状,采用稳定性公式计算桩身与土层之间的稳定性。
五、桩基础设计实例以某建筑物的桩基础设计为例,设计要求为承载力为1000kN,桩的直径为600mm,桩长为12m。
根据土层特性和建筑物的荷载情况,选择了钢筋混凝土桩作为基础形式。
根据设计要求,计算桩身的抗弯强度和抗剪强度,采用梁理论和剪切理论进行计算。
土力学课程设计姓名:学号:班级:二级学院:指导老师:地基基础课程设计任务书[工程概况]某城市新区拟建一栋10层钢筋混凝土框架结构的办公楼,长24.0m ,宽9.6m ,其1-5轴的柱底荷载效应标准组合值如下所示。
建筑场地位于临街地块部·位,地势平坦,室外地坪标高同自然地面,室内外高差450mm 。
柱截面尺寸均为500mm ×500mm ,横向承重,柱网布置图如图1所示。
场地内地层层位稳定,场地地质剖面及桩基计算指标详见工程地质资料,如表1所示。
勘察期间测得地下水水位埋深为2.5m 。
地下水水质分析结果表明,本场地地下水无腐蚀性。
试按乙级条件设计柱下独立承台桩基础。
柱底荷载效应标准组合值1轴荷载:5417;85.m;60k k k F kN M kN V kN ===。
2轴荷载:5411;160.m;53k k k F kN M kN V kN ===。
3轴荷载:5120;88.m;63k k k F kN M kN V kN ===。
4轴荷载:5300;198.m;82k k k F kN M KN V kN ===。
5轴荷载:5268;140.m;60k k k F kN M kN V kN ===。
图1 框架结构柱网布置图(预制桩基础)--12土木1班工程概况某市新区钢筋混凝土框架结构的办公楼,长24.0米,柱距6米,宽9.6米,室内外地面高差0.45米。
柱截面500×500mm。
建筑场地地质条件见表1。
表1 建筑场地地质条件注:地下水位在天然地面下2.5米处目录地基基础课程设计任务书........................................................................................................ - 0 - 工程概况.................................................................................................................................... - 1 -1.设计资料................................................................................................................................. - 3 -2.选择桩型与桩端持力层、确定桩长和承台埋深................................................................. - 3 -3.确定单桩极限承载力标准值................................................................................................. - 4 -4.确定桩数和承台尺寸............................................................................................................. - 5 -5.桩顶作用效应验算................................................................................................................. - 5 -6.桩基础沉降验算..................................................................................................................... - 6 -6.1 求基底压力和基底附加压力..................................................................................... - 6 -6.2 确定沉降计算深度..................................................................................................... - 6 -6.3 沉降计算..................................................................................................................... - 6 -6.4 确定沉降经验系数..................................................................................................... - 7 - 8 承台设计计算........................................................................................................................ - 9 -8.1承台受冲切承载力验算.............................................................................................. - 9 -8.1.1.柱边冲切........................................................................................................... - 9 -8.1.2角桩向上冲切................................................................................................. - 10 -8.2承台受剪承载力计算................................................................................................ - 10 -8.3承台受弯承载力计算.................................................................................................- 11 - 参考文献...................................................................................................................................- 11 -桩基础课程设计计算书1.设计资料由上结构传至桩基的最大荷载设计值为:N=5268kN ,M=140 kN·m ,V=60kN表1 建筑场地地质条件2.选择桩型与桩端持力层、确定桩长和承台埋深根据表1地质条件,以粉砂土层为桩尖持力层,采用预制混凝土方桩,桩长L=20m ,截面尺寸为500mm 500mm ,桩尖进入粉砂土层为2m 。
地基基础课程设计学生姓名:王少冬学号:20084023210指导教师:张兆强所在学院:工程学院专业:土木工程中国·大庆2011 年10 月地基基础课程设计任务书(预制桩基础)--土木08-2一、工程概况哈尔滨某机械厂车间,为单层单跨排架结构,跨度18米,柱距6米,纵向总长度72m,室内外地面高差0.30米。
柱截面500×1000mm。
建筑场地地质条件见表A,作用于基础顶面的荷载见表B。
表A 建筑场地地质条件注:地下水位在天然地面下2.5米处表B 上部结构传来荷载注:1、荷载作用于基础顶面,弯矩作用于跨度方向;2、表中给出的是荷载设计值,如需用到荷载标准值,直接把设计值除以1.3即可。
二、题目分配按学号选择表B中相应的荷载,全班地质条件均相同(表A)。
三、设计要求1、设计桩基础(包括桩、承台设计、群桩基础计算等);2、绘制施工图,包括基础平面布置图、承台和桩身详图及必要的施工说明等;(A1图纸594mm×841mm)。
3、计算书内容应详尽,数据准确,排版规范(按附件的排版规范执行)。
图纸应符合制图规范相关要求,表达完整、准确。
参考设计步骤:1、确定桩的类型、长度(包括确定桩端持力层)、截面尺寸,初步选择承台底面标高(要考虑预制桩的要求);2、按经验公式确定单桩承载力;3、确定桩数及布置;4、群桩基础计算;5、桩身设计;6、承台设计;7、绘制施工图。
目录1 设计资料................................................................................................ 错误!未定义书签。
2 选择桩端持力层、承台埋深................................................................ 错误!未定义书签。
3 确定单桩极限承载力标准值 (2)4 确定桩数和承台尺寸 (3)5 桩顶作用效用验算 (3)6 桩基础沉降验算 (4)6.1 求基底压力和基底附加压力 (4)6.2 确定沉降计算深度 (4)6.3 沉降计算 (4)6.4 确定沉降经验系数 (6)7 桩身结构设计计算 (6)8 承台设计计算 (8)8.1 承台受冲切承载力验算 (8)8.2 承台受剪切承载力验算 (9)8.3 承台受弯承载力验算 (10)8.4 承台局部受压验算 (10)参考文献 (12)桩基础课程设计计算书1.设计资料由上结构传至桩基的最大荷载设计值为:N=2956kN ,M=231 kN·m ,V=80kN表A 建筑场地地质条件注:地下水位在天然地面下2.5米处1.选择桩端持力层、承台埋深根据表A 地质条件,以粉质粘土层为桩尖持力层,采用预制混凝土方桩,桩长L=20m ,截面尺寸为400mm ⨯400mm ,桩尖进入粉质粘土层为2m 。
土力学课程设计姓名:学号:班级:二级学院:指导老师:地基基础课程设计任务书[ 工程概况 ]某城市新区拟建一栋 10 层钢筋混凝土框架结构的办公楼,长 24.0m,宽9.6m,其 1-5 轴的柱底荷载效应标准组合值如下所示。
建筑场地位于临街地块部·位,地势平坦 ,室外地坪标高同自然地面,室内外高差 450mm。
柱截面尺寸均为 500mm×500mm,横向承重,柱网布置图如图 1 所示。
场地内地层层位稳定,场地地质剖面及桩基计算指标详见工程地质资料,如表 1 所示。
勘察期间测得地下水水位埋深为 2.5m。
地下水水质分析结果表明,本场地地下水无腐蚀性。
试按乙级条件设计柱下独立承台桩基础。
柱底荷载效应标准组合值1轴荷载:2轴荷载:3轴荷载:4轴荷载:5轴荷载:F k5417 kN; MF k5411kN ; MF k5120 kN; MF k5300 kN; MF k5268 kN; Mk85kN .m;V k 60kN。
k160kN.m;V k 53kN。
k88kN .m;V k 63kN。
k198KN .m;V k 82kN。
k140kN.m;V k 60kN。
C45B24A6000 6000 6000 6000240001 2 3 4 5图 1 框架结构柱网布置图(预制桩基础) --12 土木 1班工程概况某市新区钢筋混凝土框架结构的办公楼,长24.0 米,柱距 6 米,宽 9.6 米,室内外地面高差0.45 米。
柱截面 500×500mm。
建筑场地地质条件见表1。
表1 建筑场地地质条件土层厚度重度γ含水量孔隙比压缩模量侧阻力端阻力编号土层名称(m) kN/m 3 w(%) еEs(MPa) q sk(kPa) q pk(kPa)①素填土 1.8 18.7 34.1 0.94 5.0 22 ----②灰色粘土7.2 18.9 38.2 1.02 4.8 42 ----③粉质粘土7.2 19.6 31.2 0.79 9.2 60 900④淤泥质粘土 3.0 17.1 50.3 1.42 3.0 23 ----⑤粉砂土9.0 16.7 27.6 0.68 16.8 75 2400⑥中粗砂15.0 16.2 23.8 0.62 22.0 90 3200 注:地下水位在天然地面下 2.5 米处目录地基基础课程设计任务书 ........................................................................................................ - 0 - 工程概况 .................................................................................................................................... - 1 -1.设计资料 ................................................................................................................................. - 3 -2.选择桩型与桩端持力层、确定桩长和承台埋深 ................................................................. - 3 -3.确定单桩极限承载力标准值 ................................................................................................. - 4 -4.确定桩数和承台尺寸 ............................................................................................................. - 5 -5.桩顶作用效应验算 ................................................................................................................. - 5 -6.桩基础沉降验算 ..................................................................................................................... - 6 -6.1 求基底压力和基底附加压力 ..................................................................................... - 6 -6.2 确定沉降计算深度 ..................................................................................................... - 6 -6.3 沉降计算 ..................................................................................................................... - 6 -6.4 确定沉降经验系数 ..................................................................................................... - 7 - 8 承台设计计算 ........................................................................................................................ - 9 -8.1 承台受冲切承载力验算 .............................................................................................. - 9 -8.1.1.柱边冲切 ........................................................................................................... - 9 -8.1.2 角桩向上冲切 (10)8.2 承台受剪承载力计算 (10)8.3 承台受弯承载力计算 (11)参考文献 (11)桩基础课程设计计算书1.设计资料由上结构传至桩基的最大荷载设计值为:N=5268kN ,M=140 kN·m,V=60kN表1 建筑场地地质条件编号土层名称土层厚度重度γ含水量孔隙比е压缩模量侧阻力端阻力(m) kN/m 3 w(%) E s(MPa) q sk(kPa) q pk(kPa)①素填土 1.8 18.7 34.1 0.94 5.0 22 ----②灰色粘土7.2 18.9 38.2 1.02 4.8 42 ----③粉质粘土7.2 19.6 31.2 0.79 9.2 60 900④淤泥质粘土 3.0 17.1 50.3 1.42 3.0 23 ----⑤粉砂土9.0 16.7 27.6 0.68 16.8 75 2400⑥中粗砂15.0 16.2 23.8 0.62 22.0 90 3200 注:地下水位在天然地面下 2.5 米处2.选择桩型与桩端持力层、确定桩长和承台埋深根据表 1 地质条件,以粉砂土层为桩尖持力层,采用预制混凝土方桩,桩长 L=20m,截面尺寸为 500mm500mm,桩尖进入粉砂土层为2m。
桩身材料:7f y= f y'=300 N / mm2。
承台用C25及混凝土,f c=11.9 N / mm2;f t=1.27 N /mm2,承台底面埋深 d=1.6m。
3.确定单桩极限承载力标准值0.75 0.63129492根 据 R ha0.9400.01 223.2kN 地基基础规范经验公式桩侧土的极限侧阻力标准值( kPa )按表 1 取得:灰色粘土层,取 q s1k=42kPa ;粉质粘土层,取 q s2k=60kPa ;淤泥质粘土,取 q s3 k=23kPa ;粉质粘土层,取 q s 4k=75kPa 。
桩的极限端阻力标准值,可按查表粉质粘土层,混凝土预制桩桩长1 取值:20m ,取q pk =2400 kPaQ ukQ skQ pku pq sik l iq pk A P=4×0.5×( 22×( 1.8-1.6)+42×7.2+60×7.2+3.0×23+75×2)+0.52×2400=2515.6 KN单桩竖向承载力特征值: R a =Q uk /K=2515.6/2=1257.8 KN水平承载力特征值:ha0.75a 3 EI oa( X oa 一般取 10mm )RVxXk f (d 1)d 1m取 1.0b={k f (1.5d 0.5)d 1m }由于混凝土预制桩桩型为方形, 故k f0 0bh 2W 0b 1=1.5×0.5+0.5=1.25 m , b=h=0.5 m , b 0=0.45 m , I 062EI 0.85EcI 0 =0.85×3.25×107×0.53×0.45/12=129492m 为地基土横向抗力系数的比例系数 6~10,取 m=8a5mb 1 a5mb 18 1250EI = 5= 0.60EI 129492V 0 x 桩顶水平位移系数, ah=0.60×20=12>4 取 ah=4,则 V 0x =0.940则4.确定桩数和承台尺寸F k5268 4.188 取 n=6 根NR a 1257 .8桩距 s 3d 3 0.5 1.5m 取 s=1.5m。
承台尺寸 a = 2 (0.5 1.5) 4.0m , b = 2 (0.5 0.75) 2.5m承台高取 1.4m。
确定承台平面尺寸及桩的排列如下图 2 所示。