就地热再生工程施工方案(复拌工艺)
- 格式:doc
- 大小:1.21 MB
- 文档页数:13
热再生施工技术方案1、施工前准备(1)就地热再生施工前做好周边环境调查,对可能影响到的植物隔离带、树木、加油站等提前采取隔离措施.(2)施工前,必须对就地热再生无法恢复的路面病害进行预处理。
2。
1破损松散类病害:当此类的破损深度超过就地热再生的施工深度时,应予修补。
2。
2变形类病害:变形深度超过30mm时,再生前应进行铣刨处理,以提供满意的工作面。
2、原路面特殊部位的预处理(1)宜用铣刨机沿行车方向将伸缩缝和井盖后铣刨2—5m,前端铣刨1—2m,深度30mm,再生施工时用新的沥青混合料铺筑。
·(2)原路面上的突起路标应清除。
(3)采用隔热板保护桥梁伸缩缝。
(4)确保路面干净和无有害材料如污物等.3、再生施工(1)清扫路面,画导向线清扫路面,避免杂物混入混合料内。
在路面再生宽度以外画导向线,也可将路面边缘线作为导向线,保证再生施工边缘顺直美观。
(2)路面加热a、原路面必须充分加热,不得因温度不足造成铣刨时集料破损,影响再生质量,也不得因加热温度过高造成沥青过度老化.b、应减少再生列车各设备间距,减少热量损失。
c、原路面加热宽度比铣刨宽度每侧至少宽出200mm。
(3)路面铣刨a、铣刨深度要均匀,铣刨深度变化时应缓慢渐变.b、铣刨面应有较好的粗糙度。
c、铣刨面温度应高于70℃。
(4)再生剂喷洒a、再生机喷洒装置应与再生复拌机行走速度联动并可自动控制,能准确按设计剂量喷洒。
b、再生机应加热至不影响再生机质量的最高温度,提高再生机的流动性和与旧沥青路面的融合性。
c、再生机应均匀喷洒入旧沥青混合料中。
d、再生机用量应准确控制,施工过程中应根据铣刨深度的变化适时调整再生剂的用量。
(5)拌合应保证再生沥青混合料拌合均匀。
(6)摊铺a、摊铺应匀速行驶,施工速度为1。
5-5m/min,混合料摊铺应均匀,避免出现粗糙、拉毛、裂纹、离析等现象。
b、应根据再生层厚度调整摊铺熨平板的振捣功率,提高混合料的初始密度,减少热量损失。
沥青路面就地复拌热再生施工工法沥青路面就地复拌热再生施工工法是一种高效、环保的道路维修方法,能够快速修复老化、开裂和变形的沥青路面,提高路面的使用寿命和安全性。
以下是对该工法的详细介绍:一、前言沥青路面就地复盘热再生施工工法是在道路维修领域中应用广泛的一种方法。
它通过将旧沥青路面回收再生,彻底解决了沥青路面破损问题,提高了路面使用寿命和安全性。
二、工法特点1.节约成本:利用热再生设备将旧沥青路面回收再生,避免了新建路面的成本,大大降低了维修费用。
2.高效快捷:施工过程简单快速,一次完成旧路面回收和新沥青路面的施工,缩短了工期。
3.环保节能:通过回收再生旧沥青路面,减少了对资源的消耗,降低了废弃物的产生量,符合可持续发展的要求。
三、适应范围沥青路面就地复盘热再生施工工法适用于各种类型的沥青路面,包括市区道路、高速公路、机场跑道等。
它能够修复不同程度的路面破损,并且能够适应不同环境和气候条件。
四、工艺原理沥青路面就地复盘热再生施工工法的核心原理是通过热再生设备将旧沥青路面回收再生。
首先,通过剥离机将旧路面的沥青层剥离下来,并进行初步破碎和筛分。
然后,将破碎的旧沥青再次加热,完全回收其中的沥青,再与新的沥青混合。
最后,将混合后的沥青再铺设在路面上,进行压实和整平。
五、施工工艺 1. 施工准备:对施工路段进行勘测和设计,清理路面杂物,并按需准备好所需的材料和设备。
2. 旧路面剥离:使用剥离机将旧沥青路面剥离,并进行初步破碎和筛分。
3. 沥青再生:将剥离下来的旧沥青再次加热,完全回收其中的沥青,并与新沥青进行混合。
4. 路面铺设:将混合后的沥青料铺设在路面上,利用摊铺机进行均匀铺排,然后用压路机进行压实。
5. 后续工序:对新铺设的沥青路面进行灌浆、修整、标线等后续工序,使其质量达到设计要求。
六、劳动组织沥青路面就地复盘热再生施工工法的劳动组织包括施工队伍的组建和工人的分工协作。
需要配备专业的热再生设备操作人员、剥离机操作人员、摊铺机操作人员等。
由于路面的破坏包含很多因素,如路面厚度、道路条件、交通量、设备配置、旧路面材料质量、路面基层结构等。
因而路面热再生工程成功的关键就是要对现有条件进行分析和对最佳材料配比的选择,然后根据路面质量的不同要求和不同的维修设计,确定最佳的沥青路面就地热再生工艺。
如美国沥青再生协会认定的三种基本就地热再生工艺有:重铺再生法、表面再生法(整形法)、复拌再生法。
下面对这三种方法进行简要概述:表述适用表面再生法用加热机把旧沥青路面加热达到一定温度以后,使用复拌机把路面翻松,然后将翻松的路面材料放到复拌机的搅拌器中拌合均匀(也可以同时加入适量的添加剂用来恢复沥青的性能),最后将搅拌好的沥青混合料摊铺到路面上,用压路机压实成型主要适用于破损不严重、破损面积小的路面维修,可使原有路面的龟裂、车辙得到消除,用此法修复的道路表面横截面如下图2.1所示。
重铺再生法在表面再生法的基础上,用现场热再生设备的复拌机将旧沥青路面材料翻松、搅拌均匀并将其整平以后,然后再在其上铺设一层磨耗层(新的沥青混合料),最后使用压路机压实成型主要适用于维修翻新破损较严重的路面以及升级改造旧路的施工。
用此法修复的沥青混合料路面具有较好的抗滑阻力、路面平整、道路横坡得到改善、沥青路面强度有了提高,用此法修复的道路表面横截面如下图2.2所示。
复拌再生法使用现场热再生设备的加热机(如热再生养护车的加热墙)把旧路面加热到一定的温度以后,使用复拌机把旧沥青路面翻松,然后通过材料输送装置把翻松以后的沥青材料输送到搅拌器中,同时将经过集配设计的新热沥青混合料、沥青和可使沥青恢复特性的再生剂按合适的比例输送到搅拌器,经过搅拌器,可使新旧沥青混合料得到均匀拌合,从而得到新品质的沥青混合料,最后摊铺到路面上,使用压路机压实成型对中等程度破损的路面维修非常适用。
并且可以改善旧沥青路面的材料特性,使老化和非稳定磨耗层得到修复,路面强度得到提高,使用复拌法前后道路表面横截面如下图2.3所示。
S209线沥青路面就地热再生施工质量控制及施工工艺沥青路面厂拌热再生是一项新型综合养护工艺,它以整合利用原有资源环保性强、费用节省等优势在公路养护和改建工程领域受到越来越多的关注,并且已经成为当代公路建设养护中的重大科技。
沥青路面厂拌热再生是将旧沥青路面铣刨后运到拌合厂,通过破碎、筛分,并根据旧料中沥青含量、沥青老化度、集料级配等指标,掺入一定数量的新集料、再生结合料(沥青或乳化沥青、矿粉)、然后在拌和站搅拌形成新的混合料,按照沥青混凝土的施工工艺重新铺筑,可用于维修、改建沥青路面的上、下面层的一种技术。
1工艺的特点厂拌热再生设备的特点:特点一,生产能力大、效率高。
本套再生设备为无锡路德筑路机械科技有限公司1型沥青热再生厂拌设备,该设备采用独特工艺,使沥青铣刨料在加热的同时能有效地防止热料的粘连。
产生的废气经二次燃烧能很好的解决环保问题。
工艺流程:沥青铣刨料由配料斗经输送带送至干燥筒,加热后经计量由特殊装置送入搅拌缸与新骨料、矿粉、沥青混合搅拌后成为真正的沥青再生料。
特点:独立式系统,方便与现有的各类搅拌站配套添加。
模块化结构,便于拆装,安装工期短。
加热温度高,可达到160℃以上。
生产效率高,添加率可达到总产量的50%适用范围广,可加热普通沥青和改性沥青。
生产能力左右,为加快施工进度,缩短工期方面优势明显;特点二,拌合质量好,多级筛分,级配细化,6个料仓可同时添加新料和旧料。
对铣刨回收的旧料进行筛分,旧料经筛网过筛后分成3种规格的料,分开堆放存储。
设备配有六个冷料仓,根据生产配比细分添加新料和旧料,保证了再生混合料级配,提高了再生混合料质量及路用性能;特点三,配有一个矿粉罐,能添加矿粉,计量精确。
提高了再生料质量和性能。
2施工工艺流程及要点2.1沥青路面热再生设计回收旧料基本性能分析:旧沥青混合料性质测定和分析包括对旧沥青混合料性质、旧沥青混合料料中的沥青含量以及旧沥青混合料中沥青老化程度和集料级配特性的分析,这些分析的结果是热再生沥青混合料的配合比设计研究、热再生沥青混合料使用性能研究等的重要依据。
沥青路面就地热再生复拌加铺施工技术摘要:沥青路面就热再生复拌加铺施工是维修道路的重要的方式,不仅能保障沥青路面达到社会对路面的高质量和高性能运用要求,还能快速做好路面维修,保障其经济性和建设质量。
因此,相关部门要深度分析这一技术,明确其技术工艺与运用方式,发挥出技术的运用价值,促使路面整体稳定性和强度的不断提升,保障城市道路健康稳定。
关键词:沥青路面;就地热再生;复拌加铺;技术应用前言:道路建设中所运用的都是沥青路面,但是由于沥青路面被长期暴露在室外供车辆在上方行驶,使其不可避免的会产生因雨水、光照和碾压出现老化的问题,这就会影响到路面的平整性与路面质量。
为解决这一问题,相关部门可以通过调节旧沥青路面的化学程度,使其能“再生”,再补充新的沥青混合料,将新旧沥青混合料融合成为新的路面材料,保障新铺路面的功效和建设质量,让其被更加高效地运用到社会中,促使道路行业与社会经济的健康发展。
1施工工艺沥青路面就热再生复拌加铺技术,能实现对路面的就地再生革新,直接加热原有的沥青路面进行耙松,通过添加一定的再生剂进行对原路面老化沥青性能恢复,提升收集原路面混合料并补充新沥青混合料进行拌合摊铺,最后加铺一层新的沥青混合料,使其整体强度和稳定性都能不断提升,使整个沥青路面质量也能迅速提升。
2复拌加铺型就地热再生施工技术的关键控制2.1控制原理热再生施工都是直接将整个车道作为施工对象,进行对其中主线道、行车道与加宽车道等再生铺设,在之前的沥青路面上增加四厘米的复拌层,将路面的标高厚度提高,但是无需进行再生热处理的路面,则无需进行标高升高。
而且处理的过程中要格外注重仅处理局部出现病害的区域,包括部分坑槽和拥包等等。
相关的施工人员可以直接运用专业的再生机组设备对车道进行施工,选择再生机组连续作业的施工方式,保障其路段都能得到有效的维修处理。
同时,施工人员还需注意先进行硬路肩施工,后进行施工超车和行车道施工,这样才能保障路面横坡的真实维修效果,发挥出就地热再生复拌加铺的技术运用效果,使沥青路面质量能更上一层楼。
热再生技术施工方案随着社会的不断发展和环境保护意识的提高,热再生技术在环保领域中发挥着越来越重要的作用。
而在热再生技术的施工过程中,科学的方案和严谨的执行将直接影响到项目的效果和成果。
本文将介绍一种适用于热再生技术的施工方案。
一、前期准备工作在进行热再生技术的施工之前,首先需要对施工现场进行详细的调研和勘察。
通过勘察,确定施工区域的地形、土质、地下水位等情况,以便为后续工作提供参考。
同时,要对施工人员进行专业培训,确保他们对热再生技术的原理和操作流程有充分的了解。
二、施工方案制定根据前期的调研结果,结合实际情况制定针对性的施工方案。
施工方案应包括施工流程、工艺参数、安全措施等内容。
在确定施工方案时,需考虑人员配备、材料准备、设备调试等因素,确保施工能够顺利进行。
三、施工过程1.材料准备:根据施工方案的要求,提前准备好所需的材料,确保施工过程中不会出现材料供应不足的情况。
2.设备调试:在施工过程中,需要对相关设备进行调试和检测,确保设备能够正常工作。
3.施工操作:根据施工方案,进行具体的操作。
在操作过程中,要严格按照标准操作规程进行,确保工艺参数的准确性。
4.安全措施:在施工过程中,要严格遵守相关安全规定,确保施工人员的安全。
四、施工总结与改进施工结束后,要对整个施工过程进行总结和评估。
总结施工中遇到的问题和困难,并提出改进建议。
通过不断地总结和改进,提高施工效率和质量。
结语热再生技术作为一种环保技术,对于改善环境质量起着重要的作用。
采用科学、严谨的施工方案,能够有效地提高热再生技术的施工效率,保障施工的安全性和质量。
希望通过本文的介绍,能够对热再生技术的施工方案有进一步的了解和认识。
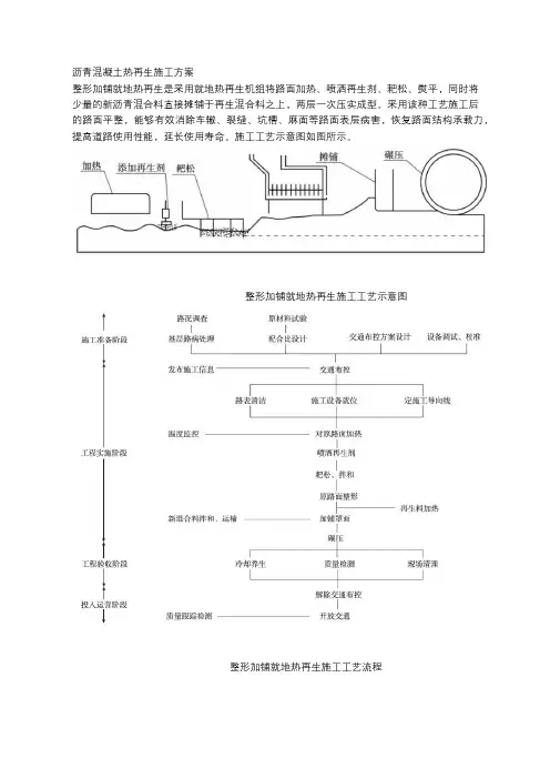
沥青混凝土热再生施工方案整形加铺就地热再生是采用就地热再生机组将路面加热、喷洒再生剂、耙松、熨平,同时将少量的新沥青混合料直接摊铺于再生混合料之上,两层一次压实成型。
采用该种工艺施工后的路面平整,能够有效消除车辙、裂缝、坑槽、麻面等路面表层病害,恢复路面结构承载力,提高道路使用性能,延长使用寿命。
施工工艺示意图如图所示。
整形加铺就地热再生施工工艺示意图整形加铺就地热再生施工工艺流程施工方案:一、原路调查对旧路面进行的路况调查及主要性能的检测试验是施工方案编制和再生沥青混合料配合比设计的依据,也是工程顺利进行的基础。
路况调查∶1、原路面的设计资料,如路面结构等;2、原路面的竣工资料,如路面的混凝土级配碎石的石质、施工时路面的各种参数等;3、原路面的养护资料,如历年来路面的损坏及修补情况等;4、原路面的路面损坏情况,包括各种病害的类型、数量、分布情况,并简单分析其原因;5、原路面的各种几何数据,如高程、横坡度、车辙深度等等。
详细调查是为了选择施工方式及进行路面断面设计,定量地把握旧路面性状及面层材料的质量。
(一)热再生材料的试验设计1、沥青混凝土路面的老化和再生在路况调查结束后需立即进行沥青混凝土路面就地热再生实验。
包括两大类∶第一大类是对沥青的再生试验;第二大类是再生沥青混合料的配合比设计。
旧沥青的再生试验包括∶旧沥青性能试验,再生剂的掺量试验。
再生沥青混合料配合比设计包括∶旧沥青混合料的试验,新掺沥青混合料级配的确定,再生沥青混合料性能检验。
对于就地热再生作业质量来说,施工前进行恰当的工艺选择和评价分析是至关重要的。
再生工艺的选择取决于对旧路面的检测、评价和材料的试验结果。
(1)旧沥青混合料检验对旧沥青混合料进行抽提实验得到的再生沥青的性能如何,不但要看再生后的常规指标的改善情况,还应看沥青的抗老化能力如何。
要对沥青抗老化指标做综合评定,评定依据主要是国标规定的抗老化指标。
对于级配的确定先将旧矿料进行筛分,以判断旧路面的级配。
就地热再生施工工艺
哇塞,就地热再生施工工艺啊,这可真是个超厉害的东西呢!它就像是给道路做了一次神奇的焕新魔法。
你知道吗,这种工艺就像是一个技艺高超的医生,能精准地修复道路的各种毛病。
它直接在现有的道路上施展身手,不需要大动干戈地把路面全部挖开重新铺设。
这多省事儿啊,既节省了时间,又节约了成本。
在施工的时候,那些大型机械就像是一群训练有素的士兵,紧密配合,协同作战。
加热机先把路面加热到恰到好处的温度,让路面变得松软,就好像是把一块坚硬的巧克力融化了一样。
然后铣刨机上场,把那些废旧的沥青材料收集起来,进行再利用,这多环保啊!接着,新的沥青混合料被添加进去,就像是给伤口敷上了良药。
最后压路机把路面压得平平整整,一条崭新的道路就出现在眼前啦。
这工艺多牛啊!它不仅能让道路恢复如新,还能减少对交通的影响呢。
不像传统的施工方法,一施工就得封路好久,给大家的出行带来好多麻烦。
就地热再生施工工艺就像是一个贴心的小天使,尽量不打扰大家的生活。
而且哦,它还能延长道路的使用寿命呢。
想想看,经过它的精心照料,道路能不更加坚固耐用吗?这就好比给道路穿上了一层厚厚的铠甲,让它能抵御岁月的侵蚀和车辆的重压。
这就是就地热再生施工工艺啊,它真的是道路建设和维护的一把好手!难道不是吗?它以其独特的优势和高效的方式,为我们的交通出行保驾护航。
我们真应该为有这样的工艺而感到高兴和自豪啊!。
就地热再生工程施工方案1.项目背景和目标2.工程准备在施工开始之前,我们需要对现有土地进行调查和勘探,以确定地下地热资源的分布和利用潜力。
同时,还需制定一个详细的施工计划,确保工程按时完成且符合质量标准。
3.地热管道布局根据地下地热能源分布情况和建筑物的排列,我们需要设计一个合理的地热管道布局方案。
这个方案需要考虑管道的长度、直径和深度等参数,以确保其能够有效地输送地热能源,并确保供暖系统的正常运行。
4.区域建设在地热管道铺设之前,我们需要对施工区进行准备工作。
这包括地面平整、清理杂物和拆除不必要的设施等。
此外,还需要对现有的地下管线进行勘察,以避免可能的碰撞和事故。
5.管道铺设地热管道一般采用钢管或塑料管,具有良好的耐温和耐压性能。
在施工过程中,我们将使用机械设备将地热管道铺设在事先设计好的位置。
然后,我们将对管道进行组装和连接,并进行严密性测试,以确保其没有泄漏。
6.水泥浆封固为了增加地热管道的稳定性和安全性,我们将在管道周围进行水泥浆封固。
这将防止管道移动和断裂,并提供额外的支撑和保护。
7.输送系统安装除了地热管道铺设外,我们还需要安装输送系统,以便将地热能源输送给各个建筑物。
这包括泵站、排气系统和计量设备等。
在安装过程中,我们将根据设计图纸进行准确的安装和连接。
8.系统调试和测试在施工结束后,我们将对整个供暖系统进行调试和测试,以确保其能够正常运行。
这包括水源热泵机组、循环泵和温控系统等设备的调试。
此外,还将对地热管道进行压力测试和渗漏检测,以验证其可靠性和安全性。
9.工程交付在所有施工和测试工作完成后,我们将对就地热再生工程进行最终验收。
这将涉及到供暖系统的正常运行和温度控制等。
一旦验收通过,我们将正式交付项目,并提供所需的运维支持和维修服务。
总结:就地热再生工程施工方案需要综合考虑地质条件、施工技术和环境保护等因素。
在施工过程中,我们将按照预先设计的地热管道布局方案,进行地热管道的铺设和连接,并对整个供暖系统进行调试和测试。
就地热再生沥青混合料施工工艺与质量控制摘要:就地热再生技术是一项全新有效的路面施工工艺,在具体的施工工程中,为加强就地热再生技术的推广,在对就地热再生技术原理介绍的基础上,分别对就地热再生的施工工艺和质量控制两方面进行研究。
关键词:就地热再生;施工工艺;质量控制引言公路基础设施在养护过程中既要考虑技术性,也要考虑经济性,应根据路面损坏情况选择合适的养护技术。
路面旧料循环利用是目前路面养护的趋势,这种新理念促进了就地热再生技术的不断发展,就地热再生技术具有技术先进、施工简便、施工效率较高及节能环保等特点,受到公路建设单位的青睐。
1就地热再生原理(1)再生剂加入后,会通过与低粘度的油料混合的方式降低原路面沥青材料的粘度,使其达到标准规定的范围内,同时采用软化工艺改善旧路沥青混合料已经变硬变脆的现状,实现性能的重塑。
(2)再生剂的加入也会起到溶胶作用,可以将沥青老化过程中已经凝聚的沥青质溶解,使其分散均匀,改善沥青的胶体结构,恢复有路面沥青材料的粘弹性和流变性能,更好的与集料发挥粘结作用。
2施工工艺2.1施工之前的准备1)在对沥青混凝土路面进行施工以前,为能够顺利将施工路段进行封闭,应和相关交通部门进行及时联系;2)清理干净沥青混凝土路面,对合理的施工方案进行制定,充分准备施工机械设备,同时有效调试施工设备;3)对原沥青路面进行详细检测。
深入分析和研究原沥青路面的实际情况,通过对分段采样方式进行运用,在不同路段上,均应随机抽取一个检测点,对其进行钻芯采样;深入分析和研究采集到的沥青样品,同时对沥青样品的现有性质、物料配比进行深入分析,深入研究和分析同配方的新沥青,对现有沥青的老化程度进行深入了解,在对再生剂配方进行选择时,一定保证合理性,有效控制再生剂配方的用量;4)热再生混合料的配方设计:针对旧样品,对其进行随机取样,通过实验,深入分析物料的配比情况,对再生剂的用量和成分进行确定,并以此为依据,通过对类似的用量、再生剂配比进行运用,进行模拟实验,以对再生剂的最佳用量和最佳配比进行确定;5)在通过配方设计以后,在施工之前,必须要进行热再生混合料试验。
就地热再生工程施工方案复拌工艺为了充分利用地热能源,实现能源的可再生利用,地热再生工程应用于地下地热系统的设计和施工中。
为了保证地热再生工程的施工效果和工程质量,需要制定合理的施工方案和复拌工艺。
1.施工方案:地热再生工程施工方案主要包括设计方案、施工图纸、施工组织设计、施工进度计划等。
设计方案是指地热再生系统的设计图纸和工程参数,包括地下地热井的布置、地下管网的布置、热交换器的选型等。
施工图纸是根据设计方案编制的具体施工图纸,包括地下管网的具体布置、井孔的施工示意图等。
施工组织设计是根据施工图纸和设计方案制定的施工方案,包括施工队伍的组织、施工设备的准备、施工材料的选择等。
施工进度计划是根据施工组织设计和工程要求制定的施工进度计划书,包括施工工期、施工工序的安排等。
2.复拌工艺:地热再生工程中的复拌工艺是指地下地热井中的固体吸附材料与热载体的混合工艺。
复拌工艺要求混合均匀、充分吸附热量,并确保固体吸附材料的稳定性和使用寿命。
(1)材料选择:选择合适的固体吸附材料是实现高效地热再生的关键。
常用的吸附材料有活性炭、分子筛、活性氧化铝等。
选择材料时要考虑其吸附性能、稳定性和成本等因素。
(2)材料预处理:材料预处理是为了提高吸附材料的吸附性能和稳定性。
一般包括清洗、干燥、活化等步骤。
清洗是为了去除材料表面的杂质,干燥是为了去除材料中的水分,活化是为了提高材料的吸附能力。
(3)复拌工艺:复拌工艺是将预处理后的吸附材料与热载体进行混合,在地下地热井中形成复合吸附层。
复拌工艺应该保证吸附材料与热载体的充分接触和混合,以实现高效的热量吸附和传导。
复拌工艺中可以采用机械搅拌、水力搅拌等方式,也可以采用层层堆积或间隔堆积等方式。
3.施工控制:地热再生工程的施工控制是保证工程质量和施工进度的重要环节。
在施工过程中,应严格控制施工工艺,保证施工质量和施工效率。
施工控制的主要内容包括材料控制、施工工序控制、工艺参数控制等。
浅谈沥青路面就地热再生施工技术沥青路面就地热再生施工技术主要适用于纵缝、横缝、重型车辙等沥青混凝土路面病害处理。
一、就地热再生施工技术特点(一)、关键技术:1、利用旧沥青混凝土路面材料作为原材料,需通过多次配合比设计;2、对旧沥青混凝土路面加热温度控制。
(二)、施工要点:1、旧路面加热温度控制;2、旧路面铣刨厚度控制;3、添加新沥青混凝土后混合料拌合均匀性控制;4、混合料拌合及摊铺温度控制;5、新旧路面接缝衔接控制。
二、在工程中的应用情况1、施工工艺流程就地热再生施工工艺流程为:加热机加热路面→加热铣刨机铣刨路面并加入再生剂、新沥青→加热复拌机内加入新沥青混合料并强制搅拌→摊铺机摊铺复拌再生沥青混合料→压路机组碾压成型→路面降温至50℃→路面质量检测→开放交通。
2、加热机加热加热机之间间隔约1米,调整加热宽度比再生宽度两侧各宽5~10cm,对路面的加热温度一般为:1#加热机加热后路表温度控制在120℃~140℃左右,2#加热机加热后路表温度控制在140℃~160℃左右。
3#加热机加热后路表温度控制在160℃~180℃左右。
温度是就地热再生施工中质量好坏的关键,应严格控制。
加热温度过高造成旧路面过度老化,温度过低将使原路面级配在铣刨过程中被破坏而影响路面强度。
再生混合料温度过低会使路面空隙变大,降低混合料相互间粘结力,影响路面压实度和渗水系数。
施工过程中用远红外测温枪(需进行校正)配合温度计随时检测温度,保证加热温度全程受控。
加热机加热行驶过程中,保持与铣刨机、复拌机之间的联络,复拌机操作手根据摊铺温度(一般120℃~150℃,)估算出复拌机的行进速度,通过对讲机或手语通知铣刨机、加热机操作手控制设备行进速度。
机组运行速度一般控制在1.5-5m/min。
再生机组的运行由现场负责人统一指挥。
即将达到施工终点时,将加热功率下调并减速。
最后3#加热机采用往复多次及长时间的加热方式,以确保加热温度。
3、路面加热翻松、添加再生剂、添加沥青加热机加热后行驶距离达到铣刨机一个车位,加热铣刨机进入工作区,加热铣刨机下部的加热板对原路面再次加热后进行铣刨铇松。
三、施工方案1、施工目的和要求本次维修设计以G6京藏高速道路交通量、现场路面病害调查、路面平整度、路面车辙深度、路面结构强度检测、路面钻芯取样分析结果以及维修的经济性等为基础,因地制宜,结合当地的实际情况,本着科学、合理、经济的原则确定路面维修方案。
由于本项目路面已运营至设计寿命末期,大部分路段已不适宜采用预防性养护措施,对于局部病害以纵、横向裂缝为主,且并未有坑槽、唧浆等严重病害出现的路段,预防性养护措施采用就地热再生进行处治。
就地热再生是一种预防性养护技术。
采用专用的就地热再生设备,对沥青路面进行加热、铣刨,就地掺入一定数量的新沥青、新沥青混合料、再生剂等,经热拌和、摊铺、碾压等工序,一次性实现对表面一定深度范围内的旧沥青混凝土路面再生的技术。
就地热再生适用于仅存在浅层轻微病害的高等级公路沥青路面表面层的就地再生利用,再生层用作上面层,再生深度为40mm。
就地热再生路面结构4cm厚就地热再生沥青混凝土原路面结构2、施工工序及流程本养护维修工程主要工程项目为路面工程,其中路面就地热再生和路面重铺是本次养护维修工程的重点工程。
2.1、施工段落划分经项目经理部技术人员现场调查,将路面就地热再生分为两部分五个施工单元进行实施,具体划分见表4;2016年只对G6京藏高速公路刘白段进行施工前准备,2017年对第一部分、第二部分进行施工。
结合就地热再生实际情况,按照半幅封闭施工方案作业,减少对交通正常通行的影响。
表4 就地热再生工程施工单元划分2.2、施工方法及施工工艺本项目设计加强了再生技术利用,以促进资源循环利用。
旧沥青混合料的再生利用,由于充分的利用了旧路材料,不仅具有较好的经济效益,同时还具有良好的社会和环境效益。
沥青路面就地热再生技术重复利用了沥青混合料,防止沥青混凝土废料对弃置场环境的污染;节约了沥青和砂石材料,减少了对材料的需求量,缓解了我国对沥青材料的需求量;减少了对石料的开采,能有效的保护林地,维护自然景观和生态环境等,符合了我国可持续发展战略中废物资源化的要求;节省了道路建设投资,降低了工程造价,使某些原来不能及时翻修的旧沥青路面得以修复,从而改善了道路状况,提高了公路的运输能力,减少轮胎的磨损,降低运输成本,减少可能发生的交通事故,保证行车舒适安全。
寒区沥青路面就地热再生施工工法一、前言随着社会的发展和城市化进程的加快,交通建设已经成为国民经济发展的重要组成部分。
而路面的施工是交通建设的重要一环,路面施工质量的好坏直接影响到车辆行驶的安全和舒适性。
随着环保意识的不断提高,越来越多的工程采用了环保施工工法,寒区沥青路面就地热再生施工工法便是其中之一。
二、工法特点该工法主要有以下几个特点:1. 原材料采用在现场回收的废旧沥青路面,减轻了对环境的污染,提高了资源的利用率。
2. 不需要增加新原料,省去了从外地运输原材料的费用。
3. 施工过程不需要大型的设备和机器,在施工过程中排放的废气和噪音也得到了有效地控制。
4. 该工法具有良好的适应性,适用于各种不同类型的沥青路面,不仅可以在城市中使用,还可以广泛应用于铁路、机场等领域。
三、适应范围该工法适用于平面布置较规则的各种类型的沥青路面,施工时不受太多的限制,只要满足以下两个条件即可:1. 原沥青路面属于可热再生的材料。
2. 原沥青路面进行加热后质量基本能够符合设计要求。
四、工艺原理该工法的主要原理是将旧材料通过加热处理后进行再利用。
施工过程分为废弃物回收、再生加热、改性添加和铺装四个阶段。
首先,需要对旧材料进行清理和切碎,并将其送入再生装置进行加热处理。
再生装置采用的是直接加热的方式,即将旧沥青路面经过高温加热,使其溶化成为液态沥青,再通过连续拌合后形成新的热再生沥青混合料。
其次,需要对新的热再生沥青混合料进行改性添加。
改性添加主要是对混合料进行添加一些改性剂,以提高其性能和耐久性。
改性剂的种类和添加量要根据实际情况进行选择和调整。
最后,将改性后的热再生沥青混合料进行铺装,并在铺装后进行压实和养护,以确保质量达到设计要求。
五、施工工艺施工过程主要分为以下几个阶段:1. 原材料的回收和清理在施工现场对需要处理的旧沥青路面进行清理和切碎,并将其送入回收设备进行处理。
回收设备对旧材料进行筛分和粉碎后,将其送入再生设备进行热再生。
沪宁连接线工程就地热再生施工组织设计英达热再生有限公司2010年3月目录一、工程概况路病分析 (1)1.1、工程概况 (1)1.2、路面病害 (2)二、处治技术方案 (4)三、热再生施工工艺的特点 (5)四、施工组织 (6)4.1、设备配置 (6)4.2、工艺流程 (7)4.3、工期计划 (7)4.4、组织机构 (7)五、施工方法 (11)1、施工准备阶段 (11)2、热再生施工阶段 (11)3、质量检测 (14)六、施工安全管理 (16)1、安全交通布控 (16)2、安全管理措施 (16)七、施工注意事项 (16)1、设备的转场和夜间停放地点 (16)2、超高段的施工 (17)3、路面标线的清除 (17)4、伸缩缝处理 (17)5、施工顺序安排 (18)6、沉陷路段的处理 (19)7、新添加沥青混合料 (20)8、绿化带的保护措施 (20)八、施工质量管理 (21)1、质量保证体系 (21)2、质量保证措施 (22)附件1:交通布控图 (22)附件2:夜间停车布控图 (25)一、 工程概况路病分析1.1、工程概况图1.1 沪宁连接线施工位置图南京市政府近日发布了《2010年南京城市规划、建设和管理任务组织实施方案》和《南京市城市环境综合提升三年行动计划》,力求将南京打造成国际级品质城市、宜居城市。
接下来3年,南京计划整治主城范围内的全部主干道、重要次干道、老城与绕城公路间的进出城快速干道,共计“10纵10横6射”;整治分布在8区46个街道未达标的街巷(支路)。
本次沪宁连接线整治出新工程也位列其中,沪宁连接线于1996年建成,2008年为了改善路面状况,对沪宁连接线进行了预防性养护,全线进行了16mm 稀浆封层处理,但是从运营情况来看,治理效果有限。
目前,沪宁连接线道路路面病害主要表现在沥青路面沉陷积水、封层局部剥落,作为南京与外界联系的一条重要纽带,一条窗口型道路,沪宁连接线的整治出新已刻不容缓。
6就地热再生施工工艺和新建路面施工一样,就地热再生施工也包括四个阶段,即准备阶段、实施阶段、验收阶段和投入运营阶段。
所不同的是,各环节的工作内容有所差异。
本章将就各阶段的工作流程进行介绍。
6.1 施工前的准备工作再生沥青混合料的基本设计思路与常规沥青混合料设计基本上是一致的,但与一般新建公路工程的沥青混合料设计存在着一些差异,主要应充分考虑到原路面混合料的性能状况和就地热再生施工的特点,必要时应参照原路面材料再生施工前的参数状况,对新拌沥青混合料的参数进行适当的调整。
在保证满足再生沥青混合料的力学性能、路用性能的同时,还要做到因地制宜,便于施工。
(1)取样设计再生混合料,首先要对原路面进行取样,国际领先就地热再生施工工艺一般采用沥青路面修补车模拟就地热再生施工的加热方式取样,条件不满足时也可采用钻取芯样、切块等方式。
但是钻取芯样和切块取样的方法对原路面材料的试验结果会产生较大误差,会影响再生效果。
混合料样品数量应不少于100kg,取样时应注意样品的代表性,避免在修补不久的路面区域内取样。
(2)旧混合料的沥青含量、级配测定旧混合料中的沥青必须要回收,以测定其沥青的含量。
一般采用离心分离法(T0722-1993)进行沥青含量的测定。
并对矿料级配进行筛分检验(T0725-2000),检查对照原设计配合比和施工生产配合比的差异情况。
(3)旧沥青的回收与指标测定抽提液中的沥青用阿布森法(T0726-2011)或旋转蒸发器法(T0727-2011)进行回收,回收时应尽量避免矿粉和三氯乙烯在沥青中残留,以免影响沥青三大指标的测定结果。
回收后的沥青需要测定针入度、延度、软化点、粘度等指标,以检查沥青的老化程度。
(4)再生剂指标测定和选择各种再生剂之间的性质差异较大,在使用之前需要对再生剂的有关指标进行检测,并根据沥青的老化程度选择相应类型的再生剂。
(5)再生剂掺量确定为了还原老化沥青的原有性能,达到沥青再生的目的,需要在沥青混合料中掺加一定量的再生剂。
就地热再生工程(复拌工艺)施工方案1 技术方案1.1 技术方案路面病害主要是平整度差,泛油和麻面也比较普遍,这与路面材料级配和沥青含量离散性大有直接关系,热再生施工时需要对原路面材料配合比进行优化和调整,提高混合料的路用性能。
通过对原路面的调查,选择路面代表弯沉值≤50(0.01mm),国际平整度指数IR I>2.3m/km,车辙深度RD>10mm,且基层无松散的路段,采用复拌再生工艺进行维修,施工后路面标高不变。
复拌就地热再生施工工艺就是对出现上述路病的沥青混凝土路面,利用就地热再生机组进行加热、翻松,加入再生剂、热沥青及特定级配的新沥青混合料,充分拌和后摊铺碾压成型的一种工艺。
施工工艺示意图如图2所示。
图2 复拌就地热再生施工工艺示意图2 英达就地热再生工艺特点就地热再生工艺具有以下特点:(1)、施工工艺简单,迅速方便快捷,施工时只占用一个车道,对交通干扰小,同时无扬尘,不会造成环境污染,如图3至图4所示。
图3 热再生施工—无环境污染 图4 热再生施工-不影响交通(2)、实现100%旧路面沥青材料的重新使用,符合资源循环利用的原则,而传统工艺需要大量的新添加沥青混合料,对矿山、环境等有很大破坏,如图5至图7所示。
图5 开山采石前 图6 开山采石中 图7 开山采石后(3)、沥青面层之间为热粘结,使之成为一个整体,提高了路面维修质量,施工接缝为热接缝,避免了冷接缝由于雨水深入而发生的路面破坏,如图8、图9所示。
图8 传统工艺施工图9 热再生工艺施工后层间弱界面消除层间弱界面和传统工艺施工后沥青层界面的抗剪强度对比,英达热再生工艺施工后路面的抗剪强度提高了2~3倍,如图10所示。
经东南大学结构试验室检测,界面抗剪强度提高约2.4倍图10 层间抗剪强度试验结果(4)、施工工艺科学合理,可恢复其中老化沥青的性能,恢复旧路面沥青混合料良好的路用性能。
英达就地热再生施工设备具有以下特点:(1)、每台设备都为汽车半挂牵引式,具有无级变速慢速行走驱动功能的牵引汽车使得整个机组既可以像汽车一样在公路上高速行驶又可以在施工时以很低的速度匀速行走;(2)、采用以液化石油气为燃料、特殊陶瓷材料为热辐射体的沥青路面加热板。
液化气燃烧产生的热能转化成辐射热能,加热效率与能源利用率高,比热风加热方式以及普通反射式红外加热器加热方式加热效率提高一倍以上;(3)、可折叠结构加热墙,在工作时展开宽度达 4.5m,折叠后宽度不超过2.5m,符合我国有关法律法规对汽车宽度的要求,可以在高速公路上高速牵引运输,机动灵活,转场迅速;(4)、横向多组多排液压、气压双控制升降的耙齿式沥青路面疏松耙,可以在需要的范围内自动适应路面高低变化,使得已加热路面被均匀耙松,确保被再生路面沥青混合料中骨料不被打碎,以保证被再生路面沥青混合料级配不被改变,这在世界上是独一无二的;(5)、再生剂喷洒采用电脑自动控制,沥青路面疏松耙之后均匀布置再生剂撒布盘,撒布盘将再生剂均匀地撒布在被耙松的路面旧沥青混合料上,使得再生剂与旧沥青混合料均匀、充分裹覆,确保再生剂添加比例准确且均匀;(6)、沥青路面就地热再生提升复拌机之提升机与双轴拌和器外壳均带有保温层且安装有加热器,在提升、拌和过程中可对沥青混合料进行再加热(这也是其它设备所没有的),以提升再生沥青混合料的温度,确保拌和之后沥青混合料的摊铺温度满足摊铺质量要求;(7)、沥青路面就地热再生提升复拌机拾料器之后安装有加热墙,从而实现对下层路面进行再次加热,实现再生层与下一层之间界面的热粘结,避免出现弱界面,提高再生后沥青路面的整体强度,从而提高了再生后路面的使用寿命。
英达热再生公司就地热再生施工工艺与传统铣刨摊铺工艺比较见表8。
表8 英达就地热再生技术和传统铣刨摊铺工艺比较3 施工方法3.1 驻地建设及施工组织工程项目部办公室拟设在工程项目所在地附近,可以租用民房。
项目经理由英达公司具有多年施工和项目管理经验的工程师担任,并配备相应的各类专业人员,每套机组约40人。
项目部机构设置和人员配置见图11。
图11 项目部人员配置3.2 设备配置根据以往的工程经验,结合本工程的实际特点,拟为本工程投入的主要设备如表9所示。
表9 拟投入的主要设备一览表(每个机组) 设备名称 产地\型号 单位 数量 备注加热王 Heat Master 16 台 3 公路王 Road Master 6800台 1 提升复拌机 EM 6500台 1 摊铺机 台 1 双驱双振压路机 12吨 台 1 轮胎压路机 26~30吨 台 1 双钢轮压路机8-10吨台13.3 工艺流程复拌就地热再生的施工工艺示意图见图12,流程见图13。
图12 复拌再生施工示意图项目经理项目总工施工现场负责人 质量监控组 安全管理组 加热再生组 设备保障组质量负责人摊铺碾压组沥青路面复拌就地热再生施工工艺流程图13 复拌就地热再生施工流程3.4 施工方法(1)复拌再生各工序施工方法如下:①路面清洁施工前,封闭将要施工的车道,进行交通布控,对施工路面进行彻底清洁。
②定施工基准线为保证施工时边界顺直,施工前要定施工基准线,即再生设备行走基准线,可按高速公路的现有标线作为参考基准。
该线要平滑、顺直、明显,保证驾驶员、操作手易于观察和控制。
③车辆按要求就位,施工准备开始施工前,车辆按施工工艺要求顺序就位,然后预热再生机械、点燃长明火。
驾驶员要定好行走基准标杆,此时一切准备工作必须就绪,准备工作完成后,报告现场负责人。
④加热作业所有准备工作完成后即可开始施工。
所有加热设备依次前进,加热设备采用热辐射加热,不会烧焦路面,对路面没有损伤。
所有加热墙点燃后辅助人员必须确认加热墙处于正常工作状态,并注意经常观察、检查。
车辆前进时车辆的行驶导杆必须沿标线行驶,中途不得随意变换方向和改变速度,辅助人员要随时检查、提醒驾驶员。
准备工作一切就绪后,就地热再生系列机组开始施工,在加热过程中严格控制加热工艺,各加热车辆统一按照设定的施工速度匀速行进,并尽可能控制好车辆之间的间距。
为避免热量的过多散失,在车辆底部和车辆之间空隙加装保温板,通过以上措施保证加热的温度、深度符合施工控制要求。
⑤翻松、再生、收集作业加热后的路面经RM6800翻松后,再生剂喷头行进到施工起始位置,打开喷洒系统,调整喷洒剂量,喷洒再生剂。
采用收集器将被翻松的已喷洒再生剂的原路面沥青混合料向路面中心一次收集成连续梯形截面料带,减少热量损失并使再生剂与旧料有充分融合时间。
(见图14、图15)图14 松耙、收集不会打碎骨料图15 旧料收集成梯形料带⑥添加新料、收集再生料进行复合搅拌在再生混合料带上按设定比例添加新沥青混合料,新料添加量由设备电子控制系统根据设定的施工参数(施工宽度、深度以及施工速度等)自动调节,并由提升机将再生料与新料一起提升至搅拌器内,经充分加热和搅拌均匀后,输送至摊铺机进行摊铺施工。
EM6500腹部的加热墙,始终对收集过再生料后的旧路面进行加热,确保新的摊铺层与旧路面之间的热粘结,保证新铺路面与旧路面连接成为一个整体,提高路面的整体性能。
(见图16、图17)图16 添加新沥青混合料图17 提升、拌合、摊铺、底层再加热⑦摊铺机作业为保证施工后路面的平整度,采用专用摊铺机进行摊铺。
摊铺机要提前就位,紧跟在复拌设备后部,保证复拌设备的供料不会洒落在地面上。
调整好摊铺厚度、校准好各种自动控制仪表,保持摊铺机匀速、平稳前进,保证摊铺质量。
摊铺工艺和一般新建路面的上面层摊铺工艺基本相同。
⑧碾压碾压前要对边上散落的混合料进行清扫,碾压按初压、复压和终压三个阶段进行。
压路机紧跟在摊铺机后面,及时快速碾压,保证在温度较高的情况下,取得良好的碾压效果。
碾压时采取先两侧后中央,先静压后振动,先慢后块,低振幅高频率碾压的原则,先压左右两侧纵向接缝,使接缝密实平顺。
碾压时压路机至少2/3轮宽要处于老路面,然后按照从低向高的原则依次碾压,每次重叠1/3轮宽。
碾压段落不宜太长,折返距离应控制在30米以内。
碾压时注意水(或色拉油)量的控制,以不粘轮时尽可能少。
(图18)。
图18 碾压⑨路面养生就地热再生施工完成,待路面温度下降到50℃后开放交通。
3.5 施工组织顺序每次施工一个车道,需要半幅施工时,先施工紧急车道,后施工行车道,最后施工超车道。
车道间纵向搭接10~15cm施工结束后将设备停到指定地点。
3.6 质量检查在实施这项工程时,我们坚持“质量第一”的原则,分三阶段加强质量控制,即施工前对路面进行巡查、试验,施工中加强过程质量控制,施工后定期观测评价使用效果。
(1)路况巡查和试验施工前对路面进行调查,并取样分析,通过试验确定再生剂和热沥青添加量和新添加沥青混合料的生产配合比。
(2)施工中过程控制施工中对试验数据详尽的记录,特别是温度的检测,对数据归纳、分析,根据分析结果指导后续施工。
参考《公路沥青路面施工技术规范》(JTG F40-2004)、《公路沥青路面再生技术规范》(JTG F41-2008)以及以往的工程经验,施工过程采用如下指标检测,见表10。
表10 就地热再生混合料施工过程中的质量控制标准表完工后对施工质量进行检测,包括压实度、平整度、构造深度、摩擦系数、渗水系数等。
交工验收标准见表11。
表11 就地热再生交工验收质量标准4 施工安全管理4.1 安全交通布控做好安全交通布控对保证安全快速施工具有重要意义,热再生作业时,只封闭施工车道作业段,其它车道照常通行。
交通安全布控需要与交警、路政做好沟通协调配合工作,其中施工准备区与需要大型就地热再生机组折返转场的车道的转场区都需要进行布控。
复拌再生施工时,交通布控如图19、图20所示。
施工超车道时,只封闭超车道,留行车道和紧急车道通行。
施工行车道时,封闭行车道和紧急车道,留超车道通行。
施工紧急车道时,封闭行车道和紧急车道,留超车道通行。
图19 超车道交通布控示意图图20 行车道、紧急车道交通布控图以上交通布控图中:S=1600m;LS=90m;H=50;Lx=30m;Z=30m,G为工作区,施工中根据交警和路政人员的要求,可视具体情况再做调整。
4.2 安全管理措施①成立以项目经理为组长的安全领导小组,项目设专职安全员,班组设兼职安全员,专、兼职安全员有职有责,严格管理。
②各级安全组织必须履行职责,从措施强度、安全教育、技术交底、执行检查等环节层层把关,纠正违章作业,消灭事故隐患。
③各级施工管理人员,工程技术人员必须熟悉与工程施工有关的安全规程条例,标准和规范等,各工种工人必须熟悉本工种的安全技术操作规程,否则不许上岗。
④道路施工作业现场按照交警、业主等部门的安全施工有关规定,设置醒目有效的标志车灯、标志和警示锥。
施工现场作业人员必须要身穿安全标志服。