螺杆桩桩帽施工技术交底(1)
- 格式:doc
- 大小:981.12 KB
- 文档页数:8
一、交底目的为确保螺杆桩施工过程中的安全,提高施工人员的安全意识,预防安全事故的发生,特进行本次安全技术交底。
二、交底内容1. 施工人员安全教育(1)所有参与螺杆桩施工的员工必须经过安全教育培训,掌握螺杆桩施工的安全操作规程。
(2)新入职的施工人员必须通过公司统一的安全培训,取得相关证书后方可上岗。
(3)定期对施工人员进行安全知识、操作技能的培训,提高施工人员的安全意识和自我保护能力。
2. 施工前的准备工作(1)施工前,应认真审查施工图纸,熟悉施工工艺,确保施工方案合理、安全。
(2)施工前,应做好施工区域的清理工作,确保施工场地整洁、畅通。
(3)施工前,应检查施工设备、工具是否完好,确保其安全可靠。
3. 施工过程中的安全措施(1)施工过程中,应严格按照施工方案进行操作,不得擅自更改施工工艺。
(2)施工人员应佩戴安全帽、安全带等个人防护用品,确保人身安全。
(3)施工过程中,应定期检查桩位偏差、垂直度等参数,确保施工质量。
(4)施工过程中,应加强施工现场的通风、防尘、防暑降温等措施。
4. 紧急事故处理(1)如发生安全事故,应立即停止施工,及时上报事故情况。
(2)根据事故原因,采取相应的应急措施,最大限度地减少事故损失。
(3)事故发生后,应做好事故调查、原因分析及责任追究工作。
三、注意事项1. 施工过程中,严禁酒后作业、疲劳作业。
2. 严禁施工人员违章操作、擅自改变施工工艺。
3. 施工现场严禁吸烟、动火。
4. 施工过程中,应加强现场管理,确保施工安全。
四、交底时间(此处填写具体日期)五、交底人(此处填写交底人姓名及职务)六、接受交底人(此处填写接受交底人员姓名及职务)七、备注1. 本安全技术交底书为范本,具体施工过程中应根据实际情况进行调整。
2. 施工过程中,如遇特殊情况,应立即停止施工,待问题解决后方可继续施工。
3. 本安全技术交底书自发布之日起实施,如遇修订,则以最新版本为准。
ZT1101JL11-02
施工单位:中铁十一局集团京沈京冀客专Ⅶ标段指挥部一工区编号:
编制:复核:审核:签收:年月日
ZT1101JL11-02
施工单位:中铁十一局集团京沈京冀客专Ⅶ标段指挥部一工区编号:
编制:复核:审核:签收:年月日
ZT1101JL11-02
施工单位:中铁十一局集团京沈京冀客专Ⅶ标段指挥部一工区编号:
编制:复核:审核:签收:年月日
ZT1101JL11-02
施工单位:中铁十一局集团京沈京冀客专Ⅶ标段指挥部一工区编号:
编制:复核:审核:签收:年月日
ZT1101JL11-02
施工单位:中铁十一局集团京沈京冀客专Ⅶ标段指挥部一工区编号:
编制:复核:审核:签收:年月日。
一、工程名称:____________________二、施工日期:____________________三、施工单位:____________________四、交底日期:____________________五、交底人:____________________六、参与人员:____________________一、工程概况1. 桩帽施工是桩基础工程中的重要环节,其质量直接影响到整个建筑物的稳定性和使用寿命。
2. 本工程桩帽施工采用______________(如:预应力混凝土桩帽、现浇混凝土桩帽等)。
二、施工前的准备工作1. 施工人员必须经过专业培训,熟悉桩帽施工工艺和安全操作规程。
2. 施工现场应配备必要的安全防护设施,如安全帽、安全带、防护眼镜等。
3. 施工现场应设立警示标志,明确危险区域,防止非施工人员进入。
三、安全技术交底1. 施工人员进入施工现场前,必须进行安全教育,了解桩帽施工过程中的安全风险。
2. 施工过程中,严格遵守以下安全操作规程:(1)桩帽施工前,应检查桩基质量,确保桩基无裂缝、无变形。
(2)施工过程中,严禁酒后作业、疲劳作业。
(3)施工人员应正确佩戴个人防护用品,如安全帽、安全带等。
(4)施工过程中,严禁操作人员穿越正在施工的桩帽区域。
(5)施工过程中,严禁使用损坏的机械设备。
(6)施工过程中,严禁在桩帽周围堆放易燃易爆物品。
(7)施工过程中,严禁在桩帽周围吸烟。
3. 施工过程中,如发现异常情况,应立即停止施工,并报告相关部门进行处理。
四、施工流程及注意事项1. 施工流程:(1)桩帽施工前,检查桩基质量,确认桩基无裂缝、无变形。
(2)根据设计图纸,制作桩帽模板。
(3)将模板安装到桩顶,并进行加固。
(4)在模板内浇筑混凝土,确保混凝土密实。
(5)混凝土达到设计强度后,拆除模板,进行养护。
(6)桩帽施工完成后,进行检查验收。
2. 注意事项:(1)桩帽模板应选用质量合格的材料,确保模板的刚度和稳定性。
一、交底目的为确保螺旋管桩打桩施工过程中的安全,预防事故发生,特进行安全技术交底,要求全体施工人员严格遵守。
二、交底内容1. 施工人员培训(1)施工人员必须经过专业培训,掌握螺旋管桩打桩施工技术及安全操作规程。
(2)施工人员应熟悉施工图纸、施工方案和施工规范,了解工程特点及施工要求。
2. 施工现场安全措施(1)施工现场应设置明显的安全警示标志,如安全通道、警示线、警示牌等。
(2)施工现场应设置足够的照明设施,确保夜间施工安全。
(3)施工现场应配备消防器材,并定期检查、维护。
3. 螺旋管桩打桩设备安全操作(1)打桩机操作人员必须持证上岗,严格遵守操作规程。
(2)打桩机启动前,应检查设备各部件是否完好,液压系统、电气系统是否正常。
(3)打桩机作业时,操作人员应密切关注设备运行情况,发现异常立即停车检查。
(4)打桩机作业范围内严禁站人,非操作人员不得进入。
4. 螺旋管桩施工安全措施(1)桩位放样应准确,桩位偏差应符合设计要求。
(2)桩基施工前,应对地质情况进行勘察,了解土层分布、地下管线等。
(3)桩基施工过程中,应密切关注桩基垂直度、桩顶标高、桩长等指标。
(4)桩基施工完成后,应及时进行质量检查,确保桩基质量符合设计要求。
5. 施工人员个人防护(1)施工人员应佩戴安全帽、安全带、防尘口罩等个人防护用品。
(2)施工人员应穿着合适的劳保服装,避免裸露皮肤接触有害物质。
(3)施工人员应定期进行健康检查,确保身体健康。
6. 应急措施(1)发生事故时,立即停止施工,启动应急预案。
(2)组织救援,确保伤员得到及时救治。
(3)对事故原因进行调查,采取有效措施防止类似事故再次发生。
三、交底要求1. 施工人员必须认真学习本交底内容,熟悉施工安全操作规程。
2. 施工过程中,严格执行各项安全措施,确保施工安全。
3. 施工人员应相互监督,发现问题及时报告,共同维护施工安全。
4. 施工单位应定期对施工人员进行安全教育培训,提高安全意识。
一、交底目的为确保螺杆灌注桩施工过程中的安全,降低施工风险,提高施工质量,现将螺杆灌注桩施工安全技术进行交底。
二、交底内容1. 施工人员安全教育培训(1)施工前,对施工人员进行安全技术培训,确保其掌握螺杆灌注桩施工过程中的安全操作规程。
(2)施工人员应熟悉《建筑施工模板安全技术规范》JGJ162-2008等相关法规、标准。
2. 施工现场安全措施(1)施工现场应设置安全警示标志,明确施工区域、危险区域。
(2)施工区域应设置围挡,防止无关人员进入。
(3)施工人员应穿戴符合安全要求的防护用品,如安全帽、安全带、防尘口罩等。
3. 施工机械安全操作(1)施工机械应定期进行保养、维修,确保其安全运行。
(2)施工机械操作人员应持证上岗,熟悉机械性能和操作规程。
(3)施工机械运行过程中,操作人员应密切关注机械状态,发现异常情况立即停车检查。
4. 施工工艺安全措施(1)施工过程中,严格按照螺杆灌注桩施工技术规定进行操作。
(2)施工人员应掌握钻孔、灌注、拔管等施工环节的安全操作要领。
(3)施工过程中,注意观察桩身、桩孔、土体等情况,确保施工质量。
5. 应急预案(1)制定螺杆灌注桩施工过程中的应急预案,包括火灾、触电、机械故障等情况。
(2)施工人员应熟悉应急预案,掌握应急处置方法。
(3)施工现场应配备必要的应急救援器材,如灭火器、急救箱等。
三、交底要求1. 施工单位应严格按照安全技术交底内容组织施工,确保施工安全。
2. 施工人员应认真听取安全技术交底,掌握安全操作规程,提高安全意识。
3. 施工过程中,如发现安全隐患,应立即停止施工,及时上报并采取措施消除隐患。
4. 施工单位应定期对施工人员进行安全技术培训,提高施工人员的安全素质。
四、附则1. 本交底自发布之日起实施,如有未尽事宜,可由施工单位根据实际情况进行调整。
2. 施工单位应将本交底内容纳入施工日志,作为施工过程的重要依据。
3. 施工单位应将本交底内容向监理单位、建设单位进行通报,确保各方共同关注施工安全。
编制:复核:签收:年月日注:①对重点工程、关键部位及质量要求高的特殊工程除口头交底外,还要以书面形式进行技术交底。
主送单位架子三队路基二工班 第 页 共4 页 工程名称 CFG 桩帽施工日期 2015年 11 月 5 日 编制: 复核: 签收: 年 月 日 注:①对重点工程、关键部位及质量要求高的特殊工程除口头交底外,还要以书面形式进行技术交底。
2 5、桩帽模板桩帽模板采用竹夹板、方木为原材料,由工人现场制作,要求模板内侧尺寸为0.9m ×0.9m ×0.4m ;要求模板拼装衔接良好,不漏浆;模板摆放时按测量放样点用墨线横竖拉直,保证桩帽横竖在一条直线上;模板使用完后,应及时清理干净,以便循环使用。
6、桩帽施工桩帽施工采用泵车泵送混凝土浇筑。
施工前调整钢筋间距及保护层,保证不漏筋;浇筑后,用小型振动棒振捣密实,初凝后采用钢抹子抹平收光。
7、短桩缺桩处理(1)短桩及断桩处理当短桩及断桩发生在浅层时,将断桩以上土方开挖,开挖直径比设计直径大20cm ,四周并镶入到原桩体下不小于10cm ,断桩处的桩头表面应平整和凿毛,采用同等强度的混合料浇筑,保证砼终凝后不小于设计桩长。
当短桩及断桩发生在深层时,与设计院协商处理。
接桩示意图编制:复核:签收:年月日注:①对重点工程、关键部位及质量要求高的特殊工程除口头交底外,还要以书面形式进行技术交底。
主送单位架子三队路基二工班 第 页 共4 页 工程名称 CFG 桩帽施工日期 2015年 11 月 5 日 编制: 复核: 签收: 年 月 日 注:①对重点工程、关键部位及质量要求高的特殊工程除口头交底外,还要以书面形式进行技术交底。
4 CFG 桩帽大样图附件:CFG 桩桩帽钢筋布置图。
一、交底对象1. 施工项目负责人2. 施工班组全体成员3. 相关施工机械操作人员二、交底目的为确保螺杆桩施工过程中的安全,预防事故发生,提高施工人员的安全意识和自我保护能力,特进行安全技术交底。
三、交底内容1. 施工现场环境安全(1)施工现场应保持整洁,合理布置施工区域,确保人员通行畅通。
(2)施工现场应设置明显的警示标志,提醒施工人员注意安全。
(3)施工现场应配备必要的安全防护设施,如安全网、防护栏杆等。
2. 施工机械安全(1)操作人员必须熟悉所操作机械的性能、结构及安全操作规程。
(2)机械运行前,应检查各部件是否完好,确保机械处于正常状态。
(3)机械操作过程中,严禁操作人员离开操作岗位。
(4)机械作业区域应设置隔离区域,防止非操作人员进入。
3. 施工材料安全(1)施工材料应按照规定储存,避免材料损坏或变质。
(2)材料堆放区域应保持整洁,避免材料倾倒或滑落。
(3)施工材料应按照施工顺序进行分发,确保施工进度。
4. 施工过程安全(1)施工人员应遵守施工操作规程,确保施工质量。
(2)施工过程中,应密切注意施工安全,发现安全隐患立即停止施工,报告上级领导。
(3)施工人员应穿戴好个人防护用品,如安全帽、手套、眼镜等。
(4)施工过程中,应保持通讯畅通,确保紧急情况下能够及时联系。
5. 应急处理(1)发生事故时,施工人员应立即停止施工,保护现场,并立即上报。
(2)根据事故情况,采取相应的应急措施,如止血、救援等。
(3)事故处理后,应总结经验教训,制定预防措施,防止类似事故再次发生。
四、交底要求1. 施工人员应认真听取安全技术交底,了解施工过程中的安全风险。
2. 施工人员应将安全技术交底内容落实到实际施工过程中,确保施工安全。
3. 施工项目负责人应定期对施工人员进行安全技术培训,提高施工人员的安全意识。
4. 施工过程中,如发现安全隐患,应立即整改,确保施工安全。
五、交底时间本安全技术交底自签字之日起生效,有效期为施工全过程。
螺旋桩安全技术交底目的:本文档旨在向相关人员提供螺旋桩安全技术交底的相关信息,确保施工过程中的安全性和合规性。
一、螺旋桩概述:螺旋桩是一种常用于土木工程中的钢制或混凝土制成的桩。
其特点是拧入地下的方式,以增加地基的稳定性和承载力。
二、螺旋桩施工前安全措施:1.确保工区无危险物和障碍物,为施工人员提供良好的工作环境。
2.检查螺旋桩材料的质量和完整性,保证安装过程中不会出现损坏或卡阻现象。
3.掌握各种螺旋桩的安装技术要求和操作规程,确保施工人员具备相关专业技能。
4.检查施工设备和工具的安全性能,确保能够正常操作和使用。
三、螺旋桩施工中安全措施:1.在安装过程中,严格遵守操作规程,确保螺旋桩垂直安装,不得出现倾斜和偏移。
2.注意施工现场的通风和照明条件,确保施工人员的安全。
3.使用适当的个人防护装备,如安全帽、安全鞋、手套等,防止意外伤害。
4.在装入土壤之前,检查螺旋桩的质量和完整性,如有问题应及时更换。
5.施工现场应设置明显的安全警示标志,提醒他人注意安全。
四、螺旋桩施工后安全措施:1.清理施工现场,将无用材料和垃圾妥善处置,避免影响周围环境和其他施工工序。
2.对施工设备和工具进行检查和维护,确保其正常运行和安全使用。
五、应急处理:1.预先做好相关风险评估和应急预案,确保在意外情况下能够迅速作出正确决策。
2.发生事故或异常情况时,及时向相关管理人员和工作人员报告,并采取措施进行紧急处理。
六、相关责任:在螺旋桩施工过程中,相关责任人应严格遵守安全规程和操作规定,确保施工人员的安全和施工质量。
七、总结:螺旋桩施工过程中的安全措施是保证工程质量和人员安全的重要保障。
所有参与施工的人员都应严格遵守相关规定,并加强安全意识,提高安全技能。
只有在安全技术交底的基础上,才能顺利完成螺旋桩施工任务。
以上即为螺旋桩安全技术交底的相关内容,请相关人员仔细阅读,并按照规定进行操作。
一、交底目的为确保螺旋桩头破除施工过程中的安全,防止事故发生,特制定本安全技术交底。
二、交底内容1. 施工前的准备工作(1)对施工人员进行安全教育和技能培训,确保施工人员具备必要的操作技能和安全意识。
(2)对施工机械设备进行全面的检查和维护,确保设备运行正常。
(3)对施工现场进行安全检查,排除安全隐患。
2. 施工过程中的安全注意事项(1)施工人员必须穿戴好个人防护用品,如安全帽、工作服、手套、防尘口罩等。
(2)破除桩头前,需确认桩头周围环境安全,避免对周围建筑物、设施造成损害。
(3)破除桩头时,应遵循自上而下的顺序,不得直接破至桩顶标高处。
(4)使用螺旋钻机破除桩头时,应注意钻头与桩头的接触,避免钻头卡住或损坏。
(5)破除过程中,若发现桩头倾斜或断裂,应立即停止施工,待调整稳固后再继续进行。
(6)破除桩头过程中,应保持施工现场整洁,及时清理破碎的混凝土渣。
3. 事故应急处理(1)若发生机械伤害事故,立即停止施工,迅速将伤员送往医院救治,并及时上报事故情况。
(2)若发生触电事故,立即切断电源,迅速将触电者移至安全地带,并采取急救措施,同时上报事故情况。
(3)若发生火灾事故,立即使用灭火器或消防设施进行灭火,并迅速撤离现场,同时上报事故情况。
4. 施工结束后的清理工作(1)破除后的桩头及混凝土渣应及时清理,确保施工现场整洁。
(2)对破除后的桩头进行验收,确保符合设计要求。
三、交底要求1. 施工单位应严格按照本交底内容执行,确保施工安全。
2. 施工人员应认真听取交底内容,严格遵守操作规程,提高安全意识。
3. 施工现场应设立明显的安全警示标志,提醒施工人员注意安全。
四、交底时间及地点交底时间:____年____月____日交底地点:____施工现场五、交底人交底人:____(项目负责人或技术负责人)联系电话:____六、接受交底人接受交底人:____(施工负责人或施工员)联系电话:____备注:本交底模板仅供参考,具体交底内容应根据实际施工情况进行调整。
一、交底编号:________________________二、工程名称:________________________三、交底日期:________________________四、施工单位:________________________五、分项工程名称:螺杆桩基施工六、交底内容:一、施工前的准备工作1. 技术准备:(1)施工前,组织施工人员认真学习施工图纸,熟悉工程地质、设计要求及相关规范。
(2)对施工人员进行安全教育培训,提高安全意识,确保施工安全。
2. 材料机具准备:(1)准备符合设计要求的螺杆桩材料,如钢筋、混凝土等。
(2)检查并准备施工所需的机械设备,如钻机、挖掘机、装载机等。
(3)确保施工过程中所需的各种工具、配件齐全。
二、施工过程中的安全注意事项1. 施工现场安全:(1)设置明显的警示标志,确保施工区域安全。
(2)加强施工现场的巡查,防止无关人员进入施工区域。
(3)施工人员应穿戴好安全帽、安全带等个人防护用品。
2. 钻孔作业安全:(1)钻孔前,检查钻机是否处于正常状态,确保设备安全可靠。
(2)钻孔过程中,密切关注钻机运行情况,发现异常立即停机检查。
(3)严格控制钻进速度,防止发生卡钻、坍孔等事故。
3. 桩基施工安全:(1)桩基施工过程中,确保桩位准确,防止桩基偏移。
(2)严格控制混凝土浇筑质量,防止发生断桩、离析等质量问题。
(3)在桩基施工过程中,加强现场巡查,确保施工安全。
4. 人员安全:(1)施工人员应严格遵守操作规程,确保自身安全。
(2)加强施工现场的交通安全管理,防止发生交通事故。
(3)加强施工现场的消防安全管理,防止火灾事故发生。
三、事故处理及应急措施1. 事故报告:(1)发生事故后,立即停止施工,并立即上报事故情况。
(2)保护事故现场,防止事故扩大。
2. 事故处理:(1)根据事故原因,制定事故处理方案。
(2)对事故责任人和相关人员进行处理。
3. 应急措施:(1)制定应急预案,确保在紧急情况下能迅速采取有效措施。
一、施工前安全交底1. 施工人员安全教育(1)对施工人员进行安全技术交底,确保所有施工人员充分了解螺杆施工的安全注意事项。
(2)对新员工进行岗前培训,使其熟悉螺杆施工的基本操作和安全知识。
2. 施工现场安全措施(1)施工区域应设置明显的安全警示标志,如“施工重地”、“严禁烟火”等。
(2)施工人员必须佩戴安全帽、安全带、防尘口罩等个人防护用品。
(3)施工现场应保持整洁,及时清理施工垃圾,防止滑倒事故发生。
3. 施工设备安全(1)检查施工设备,确保其安全性能良好,如电动螺杆机、手动螺杆机、液压泵等。
(2)定期对施工设备进行保养和维护,确保设备正常运行。
4. 施工材料安全(1)严格按照材料要求进行采购和使用,确保材料质量符合国家标准。
(2)施工材料应存放在干燥、通风的地方,防止受潮、变质。
二、施工过程安全交底1. 施工人员操作安全(1)施工人员应严格按照操作规程进行施工,不得擅自改变施工方法。
(2)操作电动螺杆机时,应注意手柄、电缆等部位,防止触电事故发生。
(3)操作手动螺杆机时,应注意用力均匀,防止因用力过猛造成设备损坏或人员伤害。
2. 施工现场安全防护(1)施工过程中,应确保施工人员与施工设备的安全距离,防止发生碰撞。
(2)施工过程中,应密切关注施工现场动态,发现安全隐患及时整改。
(3)施工过程中,严禁酒后、疲劳施工,确保施工人员精力充沛。
3. 施工材料搬运安全(1)搬运施工材料时,应使用合适的工具,如手推车、手拉车等。
(2)搬运过程中,注意材料堆放整齐,防止滑倒、坠落事故发生。
(3)严禁在施工现场堆放易燃、易爆、有毒有害等危险物品。
三、施工结束后安全交底1. 施工现场清理(1)施工结束后,对施工现场进行全面清理,确保无施工垃圾。
(2)清理过程中,注意保持施工现场整洁,防止污染环境。
2. 施工设备归位(1)将施工设备归位,并进行检查,确保设备无损坏。
(2)将施工设备放置在干燥、通风的地方,防止受潮、腐蚀。
一、交底目的为确保螺旋桩施工过程中的安全,提高施工人员的安全意识,降低安全事故发生的风险,特进行本次安全技术交底。
二、交底内容1. 施工人员要求(1)施工人员必须经过专业培训,熟悉螺旋桩施工工艺及安全技术操作规程。
(2)施工人员必须遵守施工现场的各项规章制度,服从现场管理。
(3)施工人员应穿戴好个人防护用品,如安全帽、工作服、防护手套、防护鞋等。
2. 施工现场布置(1)施工现场应设置明显的警示标志,如“施工重地”、“禁止通行”等。
(2)施工现场应保持整洁,不得堆放杂物,确保施工通道畅通。
(3)施工现场应配备必要的安全防护设施,如安全网、防护栏、警示灯等。
3. 施工设备安全操作(1)操作人员必须熟悉螺旋桩钻机的构造、性能和操作方法。
(2)操作前,应检查钻机各部件是否完好,油液是否充足。
(3)操作过程中,应严格遵守操作规程,不得超负荷、超速度作业。
(4)施工设备应定期进行保养和维护,确保设备处于良好状态。
4. 施工过程中注意事项(1)钻孔过程中,应密切关注钻头状态,发现异常情况立即停机检查。
(2)施工过程中,应密切关注桩孔内水位变化,防止泥浆外溢。
(3)在桩孔施工过程中,应确保钻杆垂直,防止偏斜。
(4)施工过程中,应防止碰撞、挤压等事故发生。
5. 施工结束后的安全防护(1)施工结束后,应及时清理施工现场,确保施工通道畅通。
(2)对已完成的桩孔进行验收,确保桩孔质量符合设计要求。
(3)对施工现场进行安全检查,确保无安全隐患。
三、应急处理1. 如发生机械故障,应立即停机,切断电源,通知维修人员进行处理。
2. 如发生人员伤害事故,应立即采取紧急措施,如拨打急救电话、进行现场急救等。
3. 如发生环境污染事故,应立即采取应急措施,如设置隔离带、清理污染物等。
四、总结通过本次安全技术交底,希望施工人员能够充分认识到螺旋桩施工过程中的安全重要性,严格遵守各项安全操作规程,确保施工过程安全、顺利进行。
同时,现场管理人员应加强监督检查,及时发现并消除安全隐患,确保施工安全。
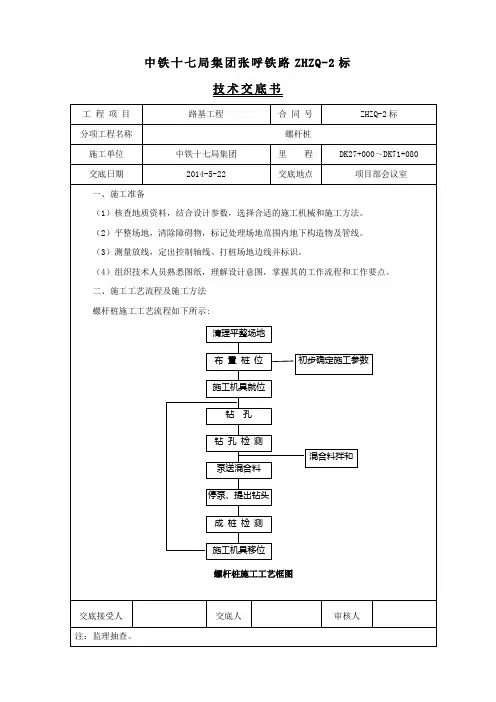
南平至龙岩铁路扩能改造工程NLZQ-4标路基螺杆桩桩帽施工技术交底编制人:复核人:接收人:中国铁建十六局集团一公司南龙铁路NLZQ-4标项目经理部二O一四年四月技术交底书图2-1 桩帽示意图2.2施工顺序及编号螺杆桩施工顺序及编号见螺杆桩施工技术交底,桩帽施工顺序应根据现场实际情况,待螺杆桩桩身施工完毕并检测合格后开始施工。
3桩帽施工及注意事项螺杆桩设计桩顶标高为桩帽顶部,施工时砼灌注到桩帽底部以上不少于0.5m,桩基检测前桩头切除至桩帽底部,凿除利用专用切割机切除桩头,切除时时严禁破坏桩帽以下桩身,并严禁挠动桩间土,桩帽砼施工采用定型钢模,标高及钢模尺寸符合桩帽尺寸要求,并且平整度亦符合要求。
⑴桩间土处理在螺杆桩施工完毕后,待桩身砼强度达到设计强度85%以上方可采用小型机械清理钻渣,先清至桩帽顶上15cm左右,然后人工清至桩帽底标高。
严禁机械乱挖、乱压,防止浅层断桩和扰动桩间土。
⑵桩头切除桩间土清理至桩帽底部标高后,用红油漆在切除桩头的标高(桩帽底部标高上5cm)环形画线,采用专用切割机,沿桩画线处环形切割,直至切除桩头。
⑶桩基检测钻渣清除完成,桩头切除完毕后,按高速铁路路基工程施工质量验收暂行标准,将确定的检验批所属区段施工总根数的10%打磨干整,7天后进行低应变检测,打磨要求及点数符合低应变桩基检测要求。
单桩承载力及钻芯检测在桩基成桩后28天后进行,的检测数量为该段施工根数的2‰,且不小于3根。
⑷制模桩帽底部为土模,下部50cm,上部100cm,高25cm的圆台。
桩帽顶部为钢模,直径100cm,高30cm,圆柱体。
立好模板后,在模板内刷机油。
测量模板顶部应于设计标高相符。
自检合格后,报检,经监理检查评定合格后,进入下道工序。
⑸浇筑砼桩帽砼标号为C30,坍落度160~200mm。
施工前调整模板模板定位后,现场浇注并振捣密实。
注意将螺杆桩桩身伸入桩帽内5cm,以增加桩帽的稳定性。
⑹桩间土填筑螺杆桩桩帽施工完成养护7天后,回填桩帽之间的桩间土,桩间土采用夯实。
最新整理螺杆桩施工安全交底一、桩机就位螺杆桩基施工,对原地面应做压实处理,达到足够的强度和平整度后,先让钻机在空载的状态下在上面行走,检查平台的强度,符合要求后方可就位工作,否则,必须进行重新处理,直到强度达到要求,必要时可在钻机支腿下垫2cm 厚的钢板,确保钻机在正常工作时基座平稳,及基础具有足够且均匀的承载力。
避免于地基下沉发生因机架失稳而倾倒。
二、桩机施工1 、钻孔(1)五级以上(含)风力天气时,钻孔机必须无条件停止作业,并采取可靠的加固措施,防止钻孔机发生倾倒威胁路边行车安全。
在钻机运行过程中,一旦发现设备异常情况立即停止作业。
(2)为保证桩基施工过程中铁路的运营安全,列车经过时停止作业。
(3)严禁操作人员酒后作业。
(4)雨后钻机作业前应对地基承载力进行检测。
(5)每次施工前要对所有钻孔机支腿、底座、履带等关键部位进行彻底检查,必须保证液压系统良好,必须保证设备符合国家或行业标准。
须经施工现场安全人员检查确认后方可施工。
(6)钻孔机作业时,必须在车站行车室设驻站联络员,与施工现场保持不间断地联系。
联系中断时,现场必须停止作业。
施工现场发生安全隐患时,必须保证第一时间通知驻站联络员,报告车站对既有线行车采取的安全防范措施。
(7)各施工现场指定专人负责施工现场的安全管理。
发现危及既有线行车安全隐患问题时,必须积极组织整改落实,否则严禁继续施工。
(8)设置防护警戒线,现场作业的各种机械设备人员严禁侵入铁路限界,专职安全员进行全天24 小时守护。
9)将钻机安全操作规程制作成标识牌,安放在钻机操作台旁,时刻提醒操作人员按规程操作,杜绝违规现象( 10)在既有光电缆埋设处,设置警示标识,防止设备碾压以及施工中对其造成损坏。
(11)作业场地距电源变压器或供电主干线距离应在200m以内,启动时电压降不得超过额定电压的10%。
( 12)启动前应检查并确认钻机各部件连接牢固,传动带的松紧度适当,减速箱内油位符合规定,钻深限位报警装置有效。
南平至龙岩铁路扩能改造工程NLZQ-4标
路基螺杆桩桩帽
施工技术交底
编制人:
复核人:
接收人:
中国铁建十六局集团一公司南龙铁路NLZQ-4标项目经理部
二O一四年四月
技术交底书
图2-1 桩帽示意图
2.2施工顺序及编号
螺杆桩施工顺序及编号见螺杆桩施工技术交底,桩帽施工顺序应根据现场实际情况,待螺杆桩桩身施工完毕并检测合格后开始施工。
3桩帽施工及注意事项
螺杆桩设计桩顶标高为桩帽顶部,施工时砼灌注到桩帽底部以上不少于0.5m,桩基检测前桩头切除至桩帽底部,凿除利用专用切割机切除桩头,切除时时严禁破坏桩帽以下桩身,并严禁挠动桩间土,桩帽砼施工采用定型钢模,标高及钢模尺寸符合桩帽尺寸要求,并且平整度亦符合要求。
⑴桩间土处理
在螺杆桩施工完毕后,待桩身砼强度达到设计强度85%以上方可采用小型机械清理钻渣,先清至桩帽顶上15cm左右,然后人工清至桩帽底标高。
严禁机械乱挖、乱压,防止浅层断桩和扰动桩间土。
⑵桩头切除
桩间土清理至桩帽底部标高后,用红油漆在切除桩头的标高(桩帽底部
标高上5cm)环形画线,采用专用切割机,沿桩画线处环形切割,直至切除桩头。
⑶桩基检测
钻渣清除完成,桩头切除完毕后,按高速铁路路基工程施工质量验收暂行标准,将确定的检验批所属区段施工总根数的10%打磨干整,7天后进行低应变检测,打磨要求及点数符合低应变桩基检测要求。
单桩承载力及钻芯检测在桩基成桩后28天后进行,的检测数量为该段施工根数的2‰,且不小于3根。
⑷制模
桩帽底部为土模,下部50cm,上部100cm,高25cm的圆台。
桩帽顶部为钢模,直径100cm,高30cm,圆柱体。
立好模板后,在模板内刷机油。
测量模板顶部应于设计标高相符。
自检合格后,报检,经监理检查评定合格后,进入下道工序。
⑸浇筑砼
桩帽砼标号为C30,坍落度160~200mm。
施工前调整模板模板定位后,现场浇注并振捣密实。
注意将螺杆桩桩身伸入桩帽内5cm,以增加桩帽的稳定性。
⑹桩间土填筑
螺杆桩桩帽施工完成养护7天后,回填桩帽之间的桩间土,桩间土采用夯实。
4环保注意事项
成立环境保护小组,专门负责环境保护工作,制定环境保护规划并严格
执行。
4.1粉尘控制措施
⑴现场定期撒水,减少灰尘对周围环境的污染。
⑵严禁在施工现场焚烧有毒、有害、有恶臭气味的物质。
⑶装卸或清理有粉尘的材料时,提前在现场撒水。
⑷严禁向现场周围抛掷垃圾。
4.2噪声控制
⑴加强机械设备的维修保养工作,确保机械运转正常,降低噪声。
⑵夜间施工时,监督职工不得敲打钢管等,尽量减小噪音,施工时严禁大声喧哗。
5安全注意事项
5.1一般规定
⑴进入现场人员一律佩戴安全帽,不准穿拖鞋、高跟鞋,不得赤脚作业。
高空作业人员佩带并系好安全带,穿防滑鞋。
施工时严禁嬉戏、打闹。
⑵进入施工现场人员一律佩带安全上岗证。
5.2施工用电安全
⑴所有电力线路和用电设备由持证电工安装。
由专职电工负责日常检查和维修保养,禁止其他人员私自乱接、乱拉电线。
⑵现场施工用电线路一律采用绝缘导线。
移动式线路使用胶皮电缆。
使用时提前认真检查确保电缆无裸露现象。
地上线路架空设置,以绝缘固定。
⑶现场所有电动机械设备使用前按规定进行检查、试运转,作业完拉闸断电锁好电闸箱,防止发生意外事故。
5.3贯彻“安全第一、预防为主”的方针
针对本工程的施工特点,建立以项目经理为主的安全保证体系。
经理部配备专职安全员,负责对整个工程实施过程进行监督检查。
项目第一管理者首先是安全第一责任者,各机长是安全第一责任者,赋予安全员四项权力。
⑴对施工生产有安全监督检查权
⑵遇有危险有停工权
⑶对违章作业、违章指挥人员有处罚权
⑷对安全质量有否决权
5.4安全生产管理制度
遵守国家及地方关于安全生产的规定,为保证施工现场安全作业,避免发生安全事故,制定如下管理制度:
⑴安全生产负责制
在项目经理部领导下,安全员、机长、班组长、操作工人,逐级建立安全管理责任制度。
分工明确、责任到人。
管理者坚持安全生产“五到位”:即“健全机构到位,批阅安全文件到位,深入现场到位,检查到位,处理问题到位”。
实行“四全”管理,即:“全员、全过程、全方位、全天候”安全管理。
⑵建立安全教育制度
对所有进场的职工、民工进行入场安全教育,针对不同工种分别进行安全操作规程教育,建立安全教育卡片。
需持证上岗的特殊工种工人首先经过培训考试,在取得有关部门颁发的合格证书后上岗。
每天上班前,由机长进行安全施工教育。
⑶坚持安全交底制度
技术人员在编制施工方案、技术措施时,同时编制详细的、有针对性的安全措施,并向操作人员进行书面交底。
⑷安全预防制度
在编制施工组织设计,制定施工方案和下达施工计划时,同时制定和下达施工安全技术措施。
对机具设备经常进行保养和定期维修,消灭一切安全隐患。
施工现场设安全标志。
⑸坚持安全检查制度
每周由项目副经理牵头对工地进行一次安全大检查,专职安全员每天进行检查。
对检查出的问题做好文字记录,落实到人限期整改,对危及人身安全的隐患立即整改,整改完毕后由安全员进行验证。
⑹安全事故处理制度
现场发生任何安全事故,都本着“三不放过”的原则进行处理,查明事故原因、事故责任者。
对事故的直接责任者进行处罚,达到教育大家的目的。
制定整改及预防措施,避免以后再次发生类似事故。
重大事故发生后及时向上级部门及地方有关部门汇报,积极配合和接受有关部门的调查和处理。
交底人接收人日期
施工技术交底接收人名单
序号接收人姓名接收人职务
(工种)
接收日期备注。