钢栈桥验收方案
- 格式:docx
- 大小:77.91 KB
- 文档页数:9
钢栈桥验收实施方案一、前言。
钢栈桥是连接两个地方的重要交通枢纽,其安全性和稳定性对于交通运输的畅通至关重要。
为了保障钢栈桥的质量和安全,我们制定了本次验收实施方案,旨在全面检查钢栈桥的建设情况,确保其符合相关标准和要求。
二、验收时间和地点。
本次钢栈桥验收将于2022年5月15日在钢栈桥现场进行。
具体验收地点为钢栈桥全程,包括桥面、支撑结构、连接部分等。
三、验收内容和标准。
1. 结构稳定性检查,检查钢栈桥的支撑结构、连接部分等是否牢固稳定,是否存在裂缝、变形等情况。
2. 材料质量检查,检查钢材、混凝土等建材的质量是否符合国家标准,是否存在质量问题。
3. 设计要求检查,检查钢栈桥的设计方案是否符合相关要求,是否存在设计缺陷。
4. 安全设施检查,检查钢栈桥的安全设施设置是否完善,如护栏、标识等是否齐全有效。
四、验收流程。
1. 由验收组成员分别负责不同部分的检查工作,全面检查钢栈桥的各个方面。
2. 对于发现的问题,及时记录并提出整改意见,要求建设单位在规定时间内完成整改。
3. 验收组成员应当严格按照验收标准进行检查,不偏袒,不漏项。
五、验收结果处理。
1. 若钢栈桥通过验收,验收组将出具验收合格证书,并将验收结果通报相关部门和建设单位。
2. 若钢栈桥未通过验收,验收组将提出整改意见,并要求建设单位在规定时间内完成整改,直至符合验收标准为止。
六、验收责任。
1. 建设单位负责钢栈桥的建设工作,并配合验收组进行验收工作。
2. 验收组成员应当认真履行职责,严格按照验收标准进行检查,并及时提出验收意见。
七、结束语。
本次钢栈桥验收实施方案将严格按照上述流程进行,以确保钢栈桥的质量和安全。
我们将秉承公正、严谨的态度,全力以赴完成验收工作,为保障交通运输的安全和顺畅贡献力量。
钢栈桥验收方案浠水二桥钢栈桥验收方案一、工程概况为满足县政府目标工期要求,根据现场情况,拟定搭钢栈桥施工。
钢栈桥宽度为8m,跨径组合为6*12m,总长为72m,采用φ630*10得钢管桩。
栈桥下部结构均采用钢管桩基础,上部结构采用贝雷梁、型钢组拼,桥面系采用专用桥面板。
二、执行标准与依据1、工程施工合同文本2、工程设计施工图及设计变更联系单3、《建筑工程施工质量验收统一标准》GB50300-20134、《建筑地基基础工程施工质量验收规范》GB50202-20025、《建筑桩基检测技术规范》JGJ106-20146、《城市桥梁工程施工与质量验收规范》(CJJ-2008);7、《公路桥涵施工技术规范》(JTG/T F50-2011);8、《建筑桩基技术规范》(JGJ 94-2008);9、《建筑施工扣件式钢管脚手架安全技术规范》(JGJ 130-2011)。
三、验收范围钢栈桥下部结构均采用钢管桩基础,上部结构采用贝雷梁、型钢组拼,桥面系采用专用桥面板。
验收范围包括钢栈桥全部施工内容。
四、验收人员1、总承包单位与分包单位技术负责人或授权委派得专业技术人员、项目负责人、项目技术负责人、专项施工方案编制人员、项目专职安全生产管理人员及相关人员;2、监理单位项目总监理工程师及专业监理工程师;3、有关勘察、设计与监测单位项目技术负责人。
4、安装施工单位技术负责人。
五、验收检查方法按照浠水二桥钢栈桥施工验收表与《钢栈桥静载试验方案》得内容进行验收。
六、验收程序验收由生产经理主持,请监理工程师、测量工程师及有关人员参加。
验收得结果及时填写相关工程验收记录表格,并请相关人员签认。
附件:钢栈桥静载试验方案一、试验目得1、检验钢管桩单桩承载力;2、检验钢栈桥结构焊接质量;3、检验钢栈桥结构整体稳定性;4、实测贝雷梁及钢管桩桩身弹性变形。
二、试验方法概述本次试验选取浠水二桥钢栈桥作为试验对象,利用平板车、载重汽车作为加载平台,荷载物可以选择袋装水泥或各类型钢,分三级加载(卸载)。
东湖特大桥钢便桥施工方案为了满足施工需要,在大桥左侧修建一座施工钢便桥,栈桥总长558m,设计9m一跨,62跨,计63个墩,每墩位用振动锤贯入35.6cm钢管桩4根,管桩长度按打入湖底满足承载力为准,暂按入土5m计,桩头高程20m,施工水位高19.6m,水深2.0m,桩总长7.4m。
每墩位钢管之间用[14槽钢作剪刀撑连接。
I28b工字钢横梁每墩位设1根,单根长4.6m。
与钢管之间的连接采用焊接。
贝雷架每断面3×2片组装。
车道16#槽钢横梁,每米设5根,单根长5.0m,槽钢与贝雷片的连接采用U形卡连接。
车道防滑钢板采用6毫米钢板,单道宽1.6m,设置2道。
车道板与槽钢的连接采用焊接钢护栏采用30罗纹钢支撑,50钢管纵向布置,高度0.8m。
栈桥结构及截面形式见下图。
1.栈桥检算1.1 荷载确定恒载桥面板:0.006×1.6×2×7.85=0.15t/m321贝雷桁梁:0.3×6/3=0.6t/m槽钢:5×5×19.75=0.5t/m护拦、风水电等按0.1t/m计∑=1.35t/m集中荷载考虑到施工后期栈桥需运载提篮拱拱肋,设计荷集中载50t。
1.2 荷载检算1.2.1 桥面槽钢检算([16b横截面积A=25.15cm2,重量19.75kg/m,截面抵抗矩W=17.6cm3,截面惯性矩I=83.4cm4]50t荷载分布到6对车轮胎上,每对车轮胎对桥面压力8.3t。
车轮沿车道板走,槽钢的跨度按贝雷片间距0.7m计,槽钢的间距20cm且由车道板连接,按3根槽钢同时受力,1根槽钢的受力2.77t,按均布荷载计算,每根槽钢跨中最大弯矩:M=ql2/8=2.12×104×0.92/8=2423N.mσ=M/W=2423/(17.6×10-6)=138Mpa<145 Mpa剪力:τ=N/A=2.77×104/(25.15×10-4)=11Mpa<85 Mpa挠度f=5ql4/384EI=0.7mm<L/600=1.2mm1.2.2 贝雷梁受力检算321贝雷梁参数:尺寸:1.5×3.0m自重:0.3t允许弯矩:39.4t.m允许剪力:12.26tW(cm3):3578.5I(cm4):250497.2按多跨简支梁考虑,最不利位置检算:最大弯矩:M=Pl/4+ql2/8=50×9/4+1.35×92/8=126.2t.m<39.4×6=236.4t.m 最大剪力:τ=P+ql/2=50+6.1=56.1t<12.26×6=73.56t跨中最大截面应力σ=M /(6×W)= 126.2×104N.m/(6×3578.5×10-6m3)=58.8Mpa<〔σw〕=145 Mpa挠度检算由施工荷载引起的结构变形挠度f max=5ql4/384EI+ Fl3/48EI=5×1.35×104×94/(384×2.1×1011×2.5×10-3×6)+50×104×93/(48×2.1×1011×2.5×10-3×6)=3.7×10-4m+2.4×10-3m=2.8mm<1/600=10mm1.2.3 工字钢检算I28b工字钢:A=60.97cm2,W=534.4cm3,I=7481cm4受力如下图:恒载:1.35*9=12.15t,活载50t,6片贝雷片平均分配,每一片对工字钢的压力P=(12.15+50)/6=10.4t,2跨都按简支梁计算:工字钢的最大弯矩:M=Pl/4=3.12t.m,最大剪力:P=5.2t最大应力:σ=M/W=3.12*104/534.4*10-6=58.4Mpa<〔σw〕=145 Mpa 最大剪应力τ=N/A=5.2×104/(60.97×10-4)=8.5Mpa<〔τw〕=85 Mpa1.2.4 桩承载力验算、每根桩的计算荷载:(50+1.35×9+0.22)/4=15.6t(I28b工字钢:47.86×4.6=0.22t)[P]=1/2(UΣаi L iτi+аAσR)P:单桩承载力U:桩周长l i:桩穿过各层土的厚度аi、а:分别为振动桩对τi、σR的影响系数(用震动棰施工:аi、а系数取1)τi:与l i对应的各土层与桩壁间的极限摩阻力,σR:桩间处土的极限承载力A:桩底横截面面积。
钢栈桥工程安全检查和验收1安全检查制度1.1领导职责和安全检查监督职能(1)各级领导干部(包括班组长)应研究和制订每次安全检查的目的、要求,并采取必要的措施,以保证安全检查切实执行并达到预期的目的。
(2)安全检查是查找和消除不安全因素、事故隐患、治理整顿、建立良好的安全生产环境和秩序搞好安全工作的重要手段之一。
(3)各级领导在布置检查施工生产工作的同时,应布置检查安全工作内容。
(4)安全检查由各级安全部门负责组织进行,专业性安全检查由各级责任部门组织进行。
1.2 检查依据(1)国家、地方政府的安全法律、法规及要求。
(2)上级和政府部门的检查和监督指令。
(3)项目部安全管理规范、标准、制度等。
(4)施工作业的安全技术方案交底、说明等。
1.3 安全检查监督的要求(1)安全检查必须贯彻领导和群众相结合、自查和互查相结合、检查与整改相结合的原则。
(2)项目部安全检查每月组织一次;工程项目工地安全检查每周组织一次以上;班组安全检查每日进行。
日常施工生产过程中,由各级安全监督员负责实施日常检查和监督。
(3)安全管理部门会同有关部门或有关部门会同安全管理部门,根据上级和地方政府要求,以及施工生产的需求和季节的变化,进行专业性的安全检查和不定期的安全检查。
(4)对关键部位、重要环节,安全部门要落实专人加强监控,项目部每月至少进行一次专项重点检查。
(5)在安全检查中发现不安全因素,必须做到“三定”(定整改措施、定整改责任人、定整改期限)并由各级安全管理人员列出明细,逐个消号。
需公司和其他单位帮助,可上报公司安全部门,协助解决。
(6)对查出问题构成事故隐患的,必须严格执行《事故隐患整改制度》。
2 安全检查的内容2.1检查的组织与管理(1)项目部负责按月或按季节性、节假日组织的检查,由各项目部安全管理部门协助项目经理组织成立检查组,对本单位的安全管理情况进行检查。
(2)在施工生产过程中的专职安全管理人员负责进行经常性的安全检查。
人行钢栈桥技术方案要点一、技术方案要点1.1钢材选用:根据预计的荷载和使用寿命,选择强度高、耐腐蚀、耐疲劳的优质钢材作为栈桥主要材料。
根据不同地区的环境条件和建设标准,需要选择适当的钢材类型和厚度。
1.2 栈桥结构设计:要结合预计的使用条件和环境条件,设计合理的栈桥结构,保证其受力合理、稳定可靠。
对于长跨距的栈桥,需要考虑悬挂式和支撑式两种结构形式,并进行相应的分析和优化设计。
1.3 栈桥制造工艺:根据栈桥结构设计和材料选用,制定适合的制造工艺,保证栈桥制造的质量和精度。
制造过程中需要注意材料的加工和成形,焊接和防腐处理等方面的工艺要求。
1.4 栈桥安装施工:根据栈桥结构和使用条件,制定适当的安装施工方案。
完成施工前需要对场地和基础进行检验和评估,并进行相应的加固和基础加固工作。
安装施工中需要注意安全,选择适当的机械设备和工具。
1.5 栈桥检测验收:完成栈桥安装后,需要进行验收和检测工作。
通过质量检验、强度测试和功能测试等方式,保证栈桥的质量和可用性。
对于未达到相应标准的栈桥,需要及时进行改进或修复。
二、技术要求2.1 栈桥设计应优化强度结构,考虑到荷载分布、支撑剪力和足底承载力等因素。
2.2 钢材选用应符合相关国家标准和技术规范要求,具有一定的抗拉强度、耐腐蚀性、抗疲劳性和刚性等特性。
2.3 栈桥焊接工艺应符合相关的国家标准和技术规范,焊接质量应符合相关检测标准,确保焊缝强度和密封性。
2.4 栈桥防腐处理应根据相关要求选用适合的防腐材料,达到防腐效果和使用寿命要求。
2.5 栈桥安装施工应符合相关安全规定,确保施工人员的安全、机械设备的安全和栈桥本身的安全。
2.6 栈桥检测验收应符合相关标准和技术要求,达到验收和投入使用的要求。
三、技术难点和解决方案3.1 栈桥结构设计方面的技术难点:针对长跨距栈桥的结构设计,采取有效的方法和手段,优化结构设计,降低栈桥的自重和荷载作用,提高栈桥的稳定性和使用寿命。
栈桥定期检查制度
1.为保证××特大桥施工栈桥的行车安全, 及时发现并处理发生的安全隐患, 特制定本制度。
2.通行后要每一个月对栈桥进行定期检查, 重点检查桥面板固定情况、贝雷销的连接情况、花架螺栓的拧紧情况、构件连接焊缝情况等, 详见检查表。
3、测量组成员每个月对栈桥基础进行沉降观测, 并及时将数据上报工程技术部, 资料整理交资料室存档。
4.每个月定期检查由质检部牵头组织, 资料由质检部汇总, 对此次检查进行评价、通报质量情况、整改意见、复查结果, 最终将资料整理好后交资料室存档。
5.栈桥定期检查应由各职能部门负责参加。
6、日常检查由现场工程师执行, 若有质量隐患通知各职能部门检查及时整改并做好记录。
7、检查项目可根据上一次检查情况进行调整。
××特大桥栈桥定期检查表。
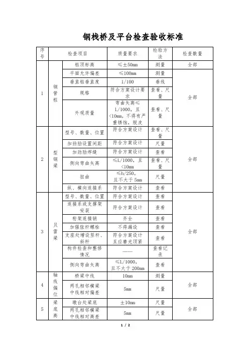
钢结构工程施工质量验收规
范是指对钢结构工程施工质量进行检查和验收的标准和要求。
下面是一些常见的钢结构工程施工质量验收规范的主要内容:
1. 钢结构材料的检查:包括对钢材的质量、规格、尺寸、化学成分、机械性能等进行检查,确保其符合设计要求。
2. 焊接质量的验收:检查焊缝的质量,包括焊接接头的形状、焊缝的尺寸和质量、焊缝的外观、焊接材料的质量等。
3. 钢结构的安装检查:对钢结构的安装质量进行检查,包括安装位置和高度的调整、连接件的安装和固定、焊接接头和螺栓连接的检查等。
4. 表面处理的验收:对钢结构的表面处理质量进行检查,包括除锈和防腐涂层的质量、划痕和划痕的防护等。
5. 灯具安装质量的检查:对钢结构中的灯具进行安装质量的验收,包括灯具的安装位置和角度、灯具的接线和固定等。
6. 钢结构的试验和检查:进行必要的试验和检查,例如载荷试验、振动测试、水密性测试等。
7. 文件和记录的验收:对相关文件和记录进行审查,确保施工质量的合格和记录的完整。
以上是一些常见的钢结构工程施工质量验收规范的主要内容,具体的验收规范会根据不同的工程和国家或地区的标准有所
差异。
在进行验收前,需要明确验收标准,制定验收方案,并由专业人员进行验收工作。
公路工程钢栈桥施工方案一、前期准备1. 工程概况本项目位于XX省XX市,是一条主干道的重要部分,连接了城市的主要交通枢纽,具有重要的地位和作用。
由于该段道路在施工前原桥已经年久失修,且存在安全隐患,因此需对旧桥进行拆除改建,新建一座钢栈桥。
2. 方案确定经过前期调研和专家论证,决定采用钢栈桥结构来替代原有的桥梁,因其具有施工周期短、使用寿命长、结构刚性好等优点。
同时,为了确保工程质量和安全,计划在施工前对桥梁的承载能力、地质勘察等进行深入调查和分析。
二、施工准备1. 招投标按照相关法规和标准,要求在招标过程中严格按照相关程序进行,选择具有施工资质和信誉的承包商进行竞标。
确保施工单位具有相应的资质和技术能力,才能胜任这项工程。
2. 物资采购在签订施工合同之后,要进行相关物资的采购。
包括各种钢材、混凝土等施工所需的材料。
同时,要确保这些物资的质量和规格符合国家标准,并有相关资质证明。
三、施工方案1. 拆除原有桥梁在进行拆除工作时,要按照相关安全规定进行,确保工作人员的人身安全。
并且要严格按照拆除方案进行,确保拆除过程中不影响周边的交通和建筑物的安全。
2. 基础施工在进行基础施工时,要根据地质勘察和相关要求进行。
严格按照浇灌混凝土的配合比进行,并对基础进行充分的加固,确保桥梁的稳固和安全。
3. 梁体制造梁体的制造非常关键,需要严格按照设计要求进行。
首先要对钢管进行切割、焊接,然后进行防腐处理。
制造完成后需进行质量检验,确保质量合格。
4. 安装在进行梁体的安装时,要根据相关程序和标准进行。
采用适当的设备和工艺,确保梁体安装的正确和稳固。
同时,在安装过程中要对梁体的质量进行检验,确保符合相关标准要求。
5. 焊接和防腐在梁体安装完成后,要对桥梁进行焊接和防腐处理。
根据相关标准进行焊接工作,确保焊接质量。
同时,对桥梁进行防腐处理,提高桥梁的使用寿命。
四、现场安全管理1. 安全教育在施工前,要对员工进行安全教育,让他们充分了解施工现场的安全要求和措施。
钢栈桥(危大工程)工程监理细则一、工程概况国门大道路线起点K0+000位于防城港跨海大桥附近的收费站处,全线基本沿防城港至东兴一级公路(也称滨海公路)旧路布线,途径江山乡、交东、班埃、江平镇、东兴等地,在过江平镇路段,布设在江平镇的北面,避开从江平镇中间穿越,路线终点K31+689位于防城至东兴高速公路东兴枢纽互通附近接上东兴进城大道,路线全长约31.689km。
全线桥梁涉水施工中需要修建栈桥有4座,分别为祖丫江中桥、王屋垌大桥、江平大桥和江平中桥。
二、专业特点1、设计情况钢栈桥以能够满足 25T 汽车吊、满载 10m3 混凝土后总重 60T 的混凝土罐车通行要求作为标准设计。
祖丫江中桥左右幅主栈桥长度均为 63m,宽度均为 6m,跨径布置9m+3m+(9m+9m+3m)×2+9m,栈桥桥台设在祖丫江中桥0#及4#台附近;左线钢平台尺寸为21m×14m,右线钢平台尺寸为21m×24m。
王屋垌大桥钢栈桥长度为 57m,宽度为 6m,跨径布置3m+3m+9m×3+3m+6m+9m+3m+3m,栈桥桥台设在王屋垌大桥0#及3#墩附近。
江平大桥主栈桥长度为 267m,宽度为 6m,跨径布置(9m+9m+3m)×12+9m+6m,栈桥桥台设在江平大桥1#及8#墩附近;2#墩至8#墩各设支栈桥及钢平台,支栈桥宽6m,钢平台宽4m。
江平中桥钢栈桥长度为39m,宽度为6m,跨径布置3m+3m+9m×3+3m+3m,栈桥桥台设在江平中桥0#及2#台附近。
2、工艺流程钢栈桥及钢平台均采用钓鱼法进行钢管桩打设安装,采用 90T 振动锤振动打入钢管桩,钢管桩接长均采用焊接接长;汽车吊吊装贝雷片、钢管、型钢构件施工。
先完成钢栈桥的搭设,再进行钢平台的搭设。
施工流程图如下:钢栈桥施工工艺流程图三、编制依据1、《中华人民共和国建筑法》2、《中华人民共和国安全生产法》3、《建设工程安全生产管理条例》(国务院令第393号)4、《建筑结构荷载规范》GB50009-20125、《市政工程施工安全检查标准》CJJ275-20186、《混凝土结构工程施工质量验收规范》GB50204-20157、《建筑地基工程施工质量验收标准》GB50202-20188、《危险性较大的分部分项工程安全管理规定》(住建部令[2018]37号)9、实施《危险性较大的分部分项工程安全管理规定》有关问题的通知(建办质[2018]31号)10、《广西壮族自治区住房和城乡建设厅贯彻<危险性较大的分部分项工程安全管理规定>实施细则》(桂建管[2015]63号)。
淆水二桥钢栈桥验收方案
一、工程概况
为满足县政府目标工期要求,根据现场情况,拟定搭钢栈桥施工。
钢栈桥宽度为8m,跨径组合为6*12m,总长为72m,采用0 630*10得钢管桩。
栈桥下部结构均采用钢管桩基础,上部结构采用贝雷梁、型钢组拼,桥面系采用专用桥而板。
二、执行标准与依据
1、工程施工合同文本
2、工程设计施工图及设计变更联系单
3、《建筑工程施工质量验收统一标准》GB50300-2013
4、《建筑地基恳础工程施工质量验收规范》GB50202-2002
5、《建筑桩基检测技术规范》JGJ106-2014
6、《城市桥梁工程施工与质量验收规范》(CJJ-2008);
7、《公路桥涵施工技术规范》(JTG/T F50-2011);
8、《建筑桩基技术规范》(JGJ 94-2008);
9、《建筑施工扣件式钢管脚手架安全技术规范》(JGJ 130-2011) o
三、验收范围
钢栈桥下部结构均采用钢管桩基础,上部结构采用贝雷梁、型钢组拼,桥面系采用专用桥而板。
验收范围包括钢栈桥全部施工内容。
四、验收人员
1、总承包单位与分包单位技术负责人或授权委派得专业技术人员、项目负责人、项目技术负责人、专项施工方案编制人员、项目专职安全生产管理人员及相关人
2、监理单位项目总监理工程师及专业监理工程师;
3、有关勘察、设计与监测单位项目技术负责人。
4、安装施工单位技术负责人。
五、验收检查方法
按照淪水二桥钢栈桥施工验收表与《钢栈桥静载试验方案》得内容进行验收。
六、验收程序
验收由生产经理主持,请监理工程师、测量工程师及有关人员参加。
验收得结果及时填写相关工程验收记录表格,并请相关人员签认。
附件:
钢栈桥静载试验方案
一、试验目得
1、检验钢管桩单桩承载力;
2、检验钢栈桥结构焊接质量;
3、检验钢栈桥结构整体稳定性;
4、实测贝雷梁及钢管桩桩身弹性变形。
二、试验方法概述
本次试验选取渝水二桥钢栈桥作为试验对象,利用平板车、载重汽车作为加载平台,荷载物可以选择袋装水泥或各类型钢,分三级加载(卸载)。
第一级加载.(卸载)60%设计荷载,第二级80%,第三级100%。
加载点位于跨中纵横桥轴线交叉处,以此模拟贝雷梁在最不利得位置受到最大汽车荷载作用效应,具体布置如图2-1所示:
拖乍
三匸三三三三三三三三三 三三三三]三鈕◎三三三;=一一— __________________________________________________
图2-1. 钢栈桥预压布置图
三、 试验荷载
根据《满堂支架堆载静压试验规程》,试验荷载按照最最大荷载得1、1倍计,栈桥 设计通行最大车辆荷载为80t 履带吊与15t 吊重及40t 混凝土搅拌车。
满载时最大重 量:
p = 〃(w+Gx 广)=1、1 *(80+15+40) =148, 5t
其中:
p —表示最大汽车荷载;
〃一表示冲击系数,参照《满堂支架堆载静压试验规程》,取值1、1; 试验荷载按200t 进行试验。
四、 监测点布置
(1)选取栈桥纵向支点处、1/2截面、1/4截面为控制面,每个面设置3个监测点,
监测点沿横桥向均布,
700cn
北卅
也m 三三三三三三三壬三
跨中中心线
设计地面线
五、试验流程
5、仁试验流程图
5、2、施工步骤
第一步:清理工作面,做好试验得材料准备。
第二步:测量人员按照此方案,在栈桥上标识处各个观测点与载重汽车停放位置,并 读取原始得坐标数据。
第三步:试验用平板车拖至制定位置,携带屐带吊及堆载物至栈桥试验段一侧。
第四步:测量将原始数扌居读取完成后开始进行第一次加载,第一次力U 载荷载为设计 试验荷
1锄观靛
§r=
桥轴线
剣、曲临点
图47 •监测点布JL 图
*世
测点
15•现测点 肚观测点
刊观测点
4処测穴 卞说测点
700cm
力现测点 無世测点 12◎观测
点
\時中中心线
-n50cn~
图5-1.静載试验工作流程
载得60%, 120t堆载物。
吊装完成后静止10分钟,测量相关数据并分析就是否继续加载。
第五步:按照第四步得方法,依次完成后面2次加载试验工作(160t. 200t) o
第六步:间隔24小时后再次测量相关数据,分析整体稳定性。
第七步:卸载同样分三次进行,第一次卸载至80%设计荷载,160t堆载物,静止10分钟,测量相关数据
第八步:按照第七步得方法,依次完成卸载工作。
第九步:舲止6小时后,测量相关数据,分析数据,完成静载试验工作。
六、静载试验人机料配置
图.静栽试验机械配置表
图.预压堆載.物
七、数据釆集及分析
加载工作开始前,测量所有监测点高程,并做好记录,加载(卸载)过程中,对监控点得高程及贝雷梁变形进行监控,采集数据、记录在表7T、7-2中,并及时对相关数据进行分析,判断就是否继续加载。
图7T・____________ 钢栈桥试压(加载/卸載)试验沉降观测表(m)
注:表示加载前,表示加载中,表示加我后,表示却载后小时
现场测量员:项目技术负责人:监理工程师:
图7-2. ______________ 钢栈桥试压(加载/卯载)变形情况记录表(m)
注:表示加载前,表示加我中,表示加载后,表示却载后小时
2、变形情况主要就是通过外观查瞧栈桥主要受力杆件与焊缝就是否存在过大变形、裂缝等。
现场测量员:项目技术负责人:监理工程师:
八、注意事项
1、试验前,必须全而检查牛腿及限位板得焊接质量;
2、试验过程中禁止其她无关汽车靠近试验场地,禁止其她无关人员进入;
3、夜间、大风或者雷雨天气不得进行试验;
4、做好各观测点数值观测并统计;
5、试验由专人统一指挥,观测组、加卸载组、技术组、后勤组通力配合;
6、加载过程中,堆积物叠加时要平稳,避免较大得冲击;
7、加载前检查平板车停放位置需与设计相符合,平板车就是否设置有可靠得限位装置。