海上钢栈桥施工工艺方法
- 格式:docx
- 大小:21.42 KB
- 文档页数:4
引言:钢栈桥是一种常见的桥梁结构,其施工工艺方案对于确保桥梁的安全性和稳定性至关重要。
本文将详细介绍钢栈桥施工工艺方案的相关内容,以提供有关专业知识和技术指导。
正文内容将包括桥梁基础的施工、主梁的制作与吊装、连接部件的安装以及桥梁的试验与检查等五个大点。
概述:钢栈桥作为一种重要的桥梁结构,具有施工工艺方案的设计要求严格、技术难度高等特点。
在桥梁施工中,涉及到多个环节的操作,任何一个环节的失误都可能对桥梁的整体质量造成巨大的影响。
因此,施工工艺方案的制定和执行对于确保钢栈桥的安全可靠具有重要的意义。
正文:一、桥梁基础的施工1.地质勘探:在施工前,必须进行详细的地质勘探工作,以了解在施工地点的地质条件,包括地下水位、土壤承载力等,从而为后续的基础设计提供基础数据。
2.基础设计:根据地质勘探的结果,进行基础设计工作,确定桥梁基础的形式和尺寸,确保基础的稳定性和承载能力。
3.基础施工:根据基础设计,进行基础的施工工作,包括挖掘基坑、浇筑混凝土等环节。
在施工过程中,需要确保基础的水平度和垂直度,以及混凝土的强度和密实度。
二、主梁的制作与吊装1.主梁制作:根据桥梁设计图纸,对主梁进行制作。
制作过程中,需要严格按照设计要求进行焊接、热处理等工艺操作,确保主梁的质量和强度。
2.主梁吊装:在主梁制作完成后,进行吊装工作。
吊装前,需进行吊装计算和吊装方案的确定,考虑到吊装设备和吊具的选用,以及吊装过程中的安全措施。
三、连接部件的安装1.连接部件制作:根据桥梁设计要求,制作并检查连接部件的质量和尺寸,确保其满足连接主梁和桥墩的要求。
2.连接部件安装:根据安装方案,将连接部件连接到主梁和桥墩上。
在安装过程中,需要确保连接部件的位置和角度的准确性,以及连接部件与主梁和桥墩之间的紧固和密封。
四、桥梁的试验与检查1.试验方案:在施工完成后,进行桥梁的试验工作。
试验方案需要根据设计要求和规范要求确定,包括静载试验、动载试验等。
海上钢栈桥施工工艺方法(1)工艺流程施工准备→钢栈桥钢结构加工、制作→钢栈桥钢结构喷砂、除锈、涂防腐涂料→钢栈桥钢结构水上运输、安装→钢栈桥面层施工→验收(2)施工工艺方法为确保生产过程有序、合理,各工序必须严格按照施工工艺流程进行,基本流程分预制厂加工制作及现场施工两部分。
预制厂施工主要包括钢结构加工、制作、涂装,现场施工主要包括安装、面层及其他施工。
①施工准备施工前必须对图纸进行审核,精确计算工程量,按照一定损耗采购钢材、焊条和油漆等材料。
原材料质量控制是本工程成败的关键,钢结构使用主要的材料材质均为Q235,进料时,要求厂家必须提供材料质量保证书,标明钢材的炉批号、钢号、数量、化学成分和物理性能等各项技术参数及指标。
进场后应对照质保书进行核对,检查无误后按炉批号、规格抽检,并委托检测单位依据标准对钢材的化学和物理性能进行检验,合格后方可使用。
钢结构焊接所用的焊条为E43**焊条。
焊条应注意防潮,焊条吸潮后不仅影响焊接质量,甚至造成焊接材料变质,因此焊条使用前应进行烘焙,烘焙温度为350~450℃,时长1~2小时,在烘箱或烤箱中贮存温度为100~150℃,贮存时间一般不得超过30天。
钢结构涂装所用油漆进场后,监理单位、施工单位和业主三方联合抽样、送检,检验合格后方可使用,油漆须由专人、专库进行保管。
②钢结构加工、制作钢结构以1:1的比例在计算机中放出各节点,放样时需考虑平面圆曲线、纵向竖曲线、预拱度等,各部分的尺寸和样板应进行核对,并作为后续生产的依据。
根据实践经验,放样时要加放余量、焊接收缩量及对接焊缝的位置。
横向每道纵肋间距加放0.5mm,顶板加放9mm,底板加放8.5mm;腹板加放5mm反变形。
下料,根据板厚和长度选择气割或机械剪切,尽可能使用剪板机。
厚度小于12mm时,用剪刀车剪切;厚度大于12mm钢板采用气割,气割时应除去钢板的热影响区(一般为1~2mm);型材用砂轮机切割,钢材下料切割后要进行校正。
钢栈桥施工方案2-(型钢)钢栈桥施工方案1、钢栈桥使用功能(1)满足80t履带吊在桥面行走及起吊20t重物;(2)满足施工人、材、机通行要求。
(3)满足9m3混凝土罐车通行。
(4)钢栈桥限速5km/h。
2、栈桥构造(1)钢管桩采用φ630mmm×8mm钢管桩,横向均布两根,间距4.5m,加宽段加设1根;在联与联之间设置制动墩,纵向间距4.5m,制动墩处单排3根管桩,横向间距2.25m;桥台处两排钢管桩纵向间距3m,横向单排3根,间距2.25m;钢管桩间采用[20a连接系连接。
(2)连接系:[20a连接系焊接在管桩顶下50cm处,横向连接系为单根槽钢,纵向连接系为双拼槽钢。
(3)承重横梁:承重横梁采用双拼工45a型钢制作,在对应钢管桩顶位置设置加劲肋板。
横梁嵌入钢管桩30cm,并用加劲钢板加固。
(4)承重纵梁采用工45a型钢制作,在对应钢管桩顶位置设置加劲肋板,横向间距0.9m,贝雷梁每12m跨设20mm伸缩缝。
(5)分配梁:分配梁支承桥面板,采用I20a型工钢按间距75cm排列在承重纵梁上,采用固定件与纵梁固定。
(6)桥面板:桥面板尺寸为5.99×3m,面板为10mm厚花纹钢板,纵向板肋为I12.6工字钢按30cm间距焊接排列,横向肋为10mm钢板焊接在桥面板端头。
采用固定件与下方分配梁与贝雷梁连接。
(7)桥面系:护栏采用φ48mm×3mm钢管焊接而成,6m一组,必要时可用螺栓连接。
护栏高出桥面1.2m,竖杆1.9m一道,设三道横杆。
线路平台为φ16mm圆钢按3m间距焊接在分配梁上。
3、栈桥断面布置钢栈桥标准断面(单位:mm)4、栈桥施工方案4.1施工流程图4.2施工工艺 4.2.1准备工作准备工作包括人员及技术准备,机械及材料准备,场地准备。
人员及技术准备:确定相关人员的岗位职责并进行三级技术交底,制订检查流程及相关表格。
机械及材料准备:钢管桩、贝雷梁、型钢等原材料,80t 履带吊、运输平板车、25t 汽车吊、交通船等。
海上钢栈桥施工技术1、前言桥梁施工沿线一般都要设施工便道辅助施工,由于桥梁施工环境的特殊性,必须采用相应的措施,保证桥梁正常施工。
海域桥梁基础施工一般都采用搭设钻孔平台辅助施工的方法进行,在海滩环境可采用吹填的施工方法构筑施工便道,跨河跨海桥梁施工便道可采用钢栈桥的形式,针对跨纳潮河特大桥施工环境特点,并综合考虑施工进度与工程造价问题,最终设计钢栈桥与钻孔平台辅助主桥施工,钢栈桥施工便道不仅能够解决海上桥梁施工没有合适的操作空间的技术难点,而且还提供了安全、舒适的海上施工作业平台,同时对于海域环境没有污染,桥梁建成后容易恢复沿线海域环境,并不影响设计通航。
1。
2工程概况纳潮河特大桥位于曹妃甸岛后浅滩,处于曹妃甸煤码头通路路基工程公路段以南,曹妃甸综合服务区围海造地二期工程以北,已建成通车的通岛路河规划一港池之间,滩面高程约-1.0m~0。
7m,因周边工程取砂,本工程范围内局部分布有取砂坑,最深处约—17。
9m。
曹妃甸特大桥全桥长7477.46m,共242孔,位于水中部分约为1.44Km。
该特大桥自191#至216#共有26个墩台在纳潮河水域施工。
设计浅滩部位采用吹填的方法构筑施工便道,水域部分全部设钢栈桥及钻孔平台,钢栈桥全长897m,根据主跨基础结构尺寸和施工需求分别设为8m、12m、15m三种宽度.2、方案选择为满足大桥桩基及墩台施工需要,采用在主桥桥线旁建造临时钢栈桥以辅助主桥施工的方案.根据主桥施工需要,综合考虑当地气象、水文等资料,设计钢栈桥结构形式为:栈桥标准桥跨为15m长,每四个标准跨为一联并设伸缩缝.下部结构采用打入式钢管桩基础.钢管桩顶面采用2I45b工字钢为横向连接的垫梁,顶面铺设“321”型贝雷片组成的贝雷梁,梁部结构为间距0。
9m的双排单层“321”贝雷桁架,梁高1。
5m,贝雷梁上面铺设间距为0.6m的型号为I25a工字钢,工字钢长度比桥面宽度大1。
0m,桥面采用[30b槽钢满铺。
一、工程概况本项目位于某跨河特大桥下游位置,为满足施工需求,特制定本钢栈桥专项施工方案。
特大桥由4跨连续刚构和37跨预制T梁组成,总跨度为1241032(4828048)连续刚构2532124m。
通航等级为级,百年一遇的洪水标高为H[1/100]274.06M,流量Q35630m3/s,流速V4.76m/s,施工水位为H1255.6m,最低通航水位为H2247.65m。
10月-来年4月份为枯水季节。
河床已无覆盖层,为泥质夹砂岩和砂岩。
二、设计荷载1. 栈桥桥址位于石梯巴河特大桥下游位置,从两岸边浅水区修建便道,再搭设栈桥,中部主航道12#-13#墩之间不搭设栈桥,栈桥合计长度230m。
2. 栈桥上部结构为型钢和贝雷梁组拼结构,下部结构为钢管桩加型钢承重梁结构。
3. 栈桥基础采用630,10mm的钢管桩。
每墩由四根桩组成,桩间距纵桥向为2m,横桥向为3m。
4. 具体计算荷载根据实际施工情况进行考虑,按70T履带自行式起重车吊重不超过30吨,按1.1系数进行计算。
三、施工部署1. 施工组织机构:成立钢栈桥施工项目部,负责整个施工过程的组织、协调和管理工作。
2. 施工任务划分:将施工任务分为前期准备、基础施工、上部结构施工、桥面系施工和拆除等阶段。
3. 临时设施布置:搭建临时施工便道,设置施工人员宿舍、办公室、材料仓库等临时设施。
4. 交通运输组织:确保施工车辆和人员顺畅通行,确保施工材料及时到位。
四、施工工艺1. 基础施工:- 采用机械打桩法,将钢管桩打入河床。
- 钢管桩打入后,进行桩顶连接和固定。
- 在桩顶铺设型钢承重梁,作为栈桥的下部结构。
2. 上部结构施工:- 搭设型钢和贝雷梁组拼结构,作为栈桥的上部结构。
- 根据施工需求,对上部结构进行加固和支撑。
3. 桥面系施工:- 搭设桥面系,包括桥面板、排水系统、照明设施等。
- 确保桥面平整、排水畅通。
4. 拆除:- 在工程结束后,按照规定程序进行栈桥拆除。
码头临时钢栈桥水转陆施工工艺码头临时钢栈桥水转陆施工工艺主要包括以下步骤:
施工测量:根据设计图纸和施工要求,进行现场测量,确定钢栈桥的位置和标高。
钢管桩插打和暗板涵工程施工:进行钢管桩插打施工,确保栈桥基础的稳定性和承载能力,同时进行暗板涵工程的施工。
钢管桩顶部支撑梁安装:在钢管桩顶部安装支撑梁,用于承托栈桥的荷载,保证栈桥结构的稳定性。
分配梁安装:在支撑梁上安装分配梁,用于分配和传递栈桥的荷载,提高栈桥的承载能力。
在以上步骤中,首先通过施工测量确定钢栈桥的位置和标高。
然后进行钢管桩插打施工,确保栈桥基础的稳定性和承载能力。
接着,在钢管桩顶部安装支撑梁,以承托栈桥的荷载并保证其结构的稳定性。
最后,在支撑梁上安装分配梁,以分配和传递栈桥的荷载,从而提高其承载能力。
此外,根据具体的工程情况和施工要求,可能还需要进行其他辅助工程,如围堰施工、工作平台搭建等。
这些辅助工程可以有效地提高施工效率,节约工期,并确保施工的安全和质量。
需要注意的是,以上仅为一般的施工步骤和要点,具体的施工工艺应根据工程实际情况和施工要求进行详细设计和规划。
同时,在施工过程中应严格遵守相关的安全规范和技术要求,确保施工的安全和质量。
第1篇一、项目背景随着我国经济的快速发展,港口、码头等基础设施的建设日益增多。
钢结构栈桥作为一种重要的海洋工程结构,因其自重轻、强度高、施工周期短等优点,在港口、码头、航道等工程中得到广泛应用。
本方案旨在为钢结构栈桥的施工提供一套科学、合理、高效的施工方法。
二、工程概况1. 工程名称:XX港钢结构栈桥工程2. 工程地点:XX省XX市XX港3. 工程规模:全长XX米,宽XX米,高XX米4. 结构形式:采用钢结构,包括主梁、次梁、桥面板、支撑结构等5. 施工周期:预计XX个月6. 设计荷载:满足GB50017-2003《钢结构设计规范》要求三、施工准备1. 人员准备- 组织一支经验丰富的施工队伍,包括项目经理、技术负责人、施工员、质量员、安全员等。
- 对施工人员进行专业培训,确保其掌握钢结构栈桥的施工技术。
2. 材料准备- 钢材:Q235B钢材,确保符合国家标准。
- 钢筋:HRB400钢筋,确保符合国家标准。
- 焊条:J422焊条,确保符合国家标准。
- 其他材料:螺栓、螺母、焊缝保护材料等。
3. 机械设备准备- 施工机械:起重机、电焊机、切割机、钻床、卷扬机等。
- 测量工具:水准仪、经纬仪、全站仪等。
4. 施工场地准备- 清理施工场地,确保施工环境整洁。
- 设置临时设施,如办公室、宿舍、食堂等。
四、施工工艺1. 基础施工- 挖设基础坑,确保基础坑深度符合设计要求。
- 填筑基础坑,采用砂石混合料,确保基础坑平整。
- 钻孔、浇筑混凝土基础,确保基础质量。
2. 钢结构制作- 根据设计图纸,进行钢结构加工制作。
- 钢结构加工过程中,严格控制尺寸精度,确保焊接质量。
- 钢结构加工完成后,进行质量检验,确保符合设计要求。
3. 钢结构运输- 采用起重机将钢结构运输到施工现场。
- 钢结构运输过程中,注意保护,防止损坏。
4. 钢结构安装- 安装主梁、次梁、桥面板等构件。
- 采用起重机进行吊装,确保安装精度。
- 安装支撑结构,确保整体稳定性。
钢栈桥水中作业施工工法钢栈桥水中作业施工工法一、前言随着城市发展和水域交通的需求增加,水中工程施工成为重要的任务之一。
为了解决水中施工的困难和安全问题,钢栈桥水中作业施工工法应运而生。
该工法采用钢质材料制作桥梁,通过浮筒和支撑装置让桥梁浮在水面上进行施工作业,大大提高了施工的效率和安全性。
二、工法特点钢栈桥水中作业施工工法具有以下几个特点:1. 适应性强:该工法适用于各种水体环境,包括河流、湖泊和海洋等不同的水域。
2. 能承受大荷载:钢质材料的使用使得桥梁具有很高的承载能力,可以满足各种工程的要求。
3.施工周期短:相比传统的水中施工工法,钢栈桥水中作业施工工法节省了大量的时间,能够快速完成施工任务。
4. 施工成本低:工法采用现浇钢构件制作桥梁,不仅成本相对较低,而且更容易进行拆卸和移动。
三、适应范围钢栈桥水中作业施工工法适用于以下领域:1. 水中桥梁的修建和维护。
2. 水域内管道、电缆等设施的敷设和维修。
3. 水下作业、水下抢修和水下爆破等工程。
四、工艺原理钢栈桥水中作业施工工法的实际工程应用中,需要通过以下工艺原理来保证施工的成功:1. 浮筒原理:通过浮筒对桥梁进行浮力支撑,使其能够浮在水面上进行施工作业。
浮筒可以通过充气或增加浮力块的方式进行调节,以适应不同施工环境。
2. 支撑装置原理:钢栈桥水中作业施工工法中,支撑装置起到稳定和固定桥梁的作用。
支撑装置可以通过桩基、立柱等方式进行设置,以确保桥梁在水中施工时不会倾覆或移动。
五、施工工艺钢栈桥水中作业施工工法的施工过程包括以下几个阶段:1. 桥梁设计和制造:根据实际需求设计桥梁的形状和尺寸,然后制造桥梁的构件。
2. 浮筒和支撑装置的安装:将浮筒和支撑装置根据设计要求和施工环境进行安装,并确保其稳定和牢固。
3. 桥面铺装:将桥面材料铺设在桥梁上,以形成平整的行车道。
4. 桥梁固定:通过螺栓、焊接等方式将桥梁与浮筒和支撑装置进行固定,以确保桥梁在施工过程中的稳定性和安全性。
钢结构栈桥施工方案(1)钢栈桥各主要工程项目的施工概述施工工艺框图栈桥工艺流程(2)栈桥下部结构施工1)钢管桩基础施工钢管桩基础施工包括管桩后场加工运输,前场“钓鱼法”沉桩施工,采用吊车配合振动锤施工。
钢管桩插打前必须采用无明显缺陷、变形。
2)钢管桩下沉:首先利用吊机将导向架放至桩位处,然后起吊钢管桩,同时由测量员指挥精确定位,并复核导向架位置及垂直度。
测量员复核导向架垂直度和空间位置满足设计要求后,吊车主钩脱离钢管桩,打沉钢管桩至设计标高。
钢管桩以贯入度控制为主。
当贯入量小于5cm/min时,持荷5分钟,钢管桩无明显下沉时方可停止振动。
示意图如下:吊车振沉钢管桩沉桩示意图在打设钢管桩的过程中要不断的检测桩位与桩的垂直度,发现偏差要及时纠正。
钢管桩沉桩质量标准 检查项目允许偏差 桩位(mm ) 群桩中间桩d/2,且不大于250外缘桩 d/4 单排桩顺桥向 40 垂直桥轴方向50 倾斜度 1% 钢管桩沉桩入土深度 序号位置 墩位 钢管柱入土深度(m ) 备注1主栈桥 37 18 实际以贯入度为控制标准 238 19.5 342 19.9 4支栈桥 37 20.6 538 20.5 640 19.5 741 19.5 8钻孔平台 3720 9 38 18.510 39 18.611 40 19.512 41 19.513 42 17.13)接桩:由于吊车能力有限,对于超长钢管桩的打设需分两次打设(一次前场接桩),在接桩时下节桩的打剩高度,除应留出使接桩容易就位的连续高度外,为了能有最好的接头及便于焊接作业,能提供良好的焊接作业位置和操作姿势,一般下节桩的打剩高度以位于导向架以上50~80cm为宜。
钢管接长时必须先将接头切割整齐,管节对口应保持在同一个轴线上进行,保证接口对接完好。
然后周边满焊。
钢管桩间焊接示意图下节桩打入后,应检查下节桩的上端是否变形,如有损伤,用千斤顶及其它适当方法加以修复,同时应将锤上飞散出来的油污等对焊接有害的附着物除掉并清扫。
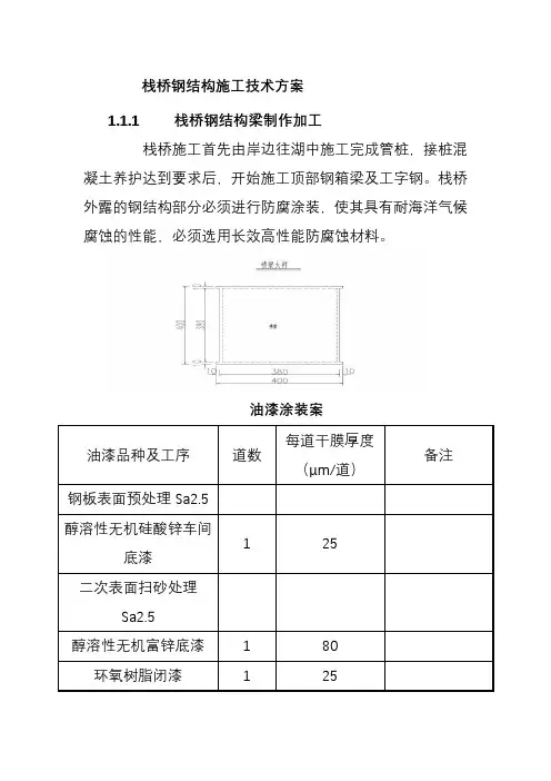
栈桥钢结构施工技术方案1.1.1栈桥钢结构梁制作加工栈桥施工首先由岸边往湖中施工完成管桩,接桩混凝土养护达到要求后,开始施工顶部钢箱梁及工字钢。
栈桥外露的钢结构部分必须进行防腐涂装,使其具有耐海洋气候腐蚀的性能,必须选用长效高性能防腐蚀材料。
油漆涂装案油漆品种及工序道数每道干膜厚度(μm/道)备注钢板表面预处理Sa2.5醇溶性无机硅酸锌车间底漆1 25 二次表面扫砂处理Sa2.5醇溶性无机富锌底漆 1 80 环氧树脂闭漆 1 251、本工程,钢箱梁送厂家预制,预制合格后分段运至现场再安装。
2、本桥所用钢材均为Q235b钢,其技术条件及机械性能应符合规的要求。
2、各类钢材、焊接材料及油漆均应有进厂质量证明书,并按合同规定及现行标准进行复检、抽检,复检合格后报监理、业主认可后可使用。
3、钢材表面锈蚀、麻点及划痕等缺陷深度均不得大于钢材厚度负偏差值的1/2,其锈蚀等级应符合《涂装前钢材表面锈蚀等级和除锈等级》规定的A、B、C级。
4、钢板下料及开坡口均要求采用半自动切割机进行,切割前应将切割线附近50㎜围的铁锈、油污清除干净,切割时,应选用合适的工艺参数, 保证切割后表面质量达到规要求,切割后断口上不得有裂纹、夹层,并应清除边缘上的熔瘤及飞溅物。
5、对于钢桥上的一些加劲板及连接板等小型零件,在板厚小于12mm 的情况下可用剪板机剪切,剪切后的零件不得有裂纹和大于Imm的缺棱,并应打磨边缘上的毛刺。
6、钢箱的加工制作和现场安装质量直接决定着栈桥的功能和使用寿命。
因此,选择有资质、有能力、有经验和有条件的生产厂家在工厂加工制作。
当工厂拼装场地和运输条件受到限制时,也可以选择工厂加工与现场预拼装相结合的办法。
7、钢材质量是钢管质量的基础。
一般按桥梁设计选择钢材,其机械性能和化学成分指标应符合文献的标准。
钢箱梁加工前由监理工程师和施工单位负责人对每批进场的钢材作质量检测,验证出厂合格证书和材质试验报告单。
其它焊接加工材料应满足设计要求。
钢栈桥施工工艺流程下载温馨提示:该文档是我店铺精心编制而成,希望大家下载以后,能够帮助大家解决实际的问题。
文档下载后可定制随意修改,请根据实际需要进行相应的调整和使用,谢谢!并且,本店铺为大家提供各种各样类型的实用资料,如教育随笔、日记赏析、句子摘抄、古诗大全、经典美文、话题作文、工作总结、词语解析、文案摘录、其他资料等等,如想了解不同资料格式和写法,敬请关注!Download tips: This document is carefully compiled by theeditor. I hope that after you download them,they can help yousolve practical problems. The document can be customized andmodified after downloading,please adjust and use it according toactual needs, thank you!In addition, our shop provides you with various types ofpractical materials,such as educational essays, diaryappreciation,sentence excerpts,ancient poems,classic articles,topic composition,work summary,word parsing,copy excerpts,other materials and so on,want to know different data formats andwriting methods,please pay attention!钢栈桥施工工艺流程在进行钢栈桥的施工之前,需要进行一系列准备工作。
钢栈桥施工工法一、引言钢栈桥是现代桥梁建设中的重要组成部分,其施工工法对于桥梁的质量、安全和稳定性具有重要意义。
本文将介绍一种钢栈桥的施工工法,以期为相关工程提供参考。
二、施工前的准备工作在钢栈桥施工前,需要进行充分的准备工作。
首先,要熟悉设计图纸和相关规范,了解施工要求和注意事项。
其次,要准备好施工所需的材料和设备,包括钢材、焊条、焊机、起重机械等。
最后,要对施工现场进行勘察,了解地形、地质、水文等情况,为施工提供依据。
三、钢栈桥的施工步骤1. 基础施工钢栈桥的基础施工包括桩基、承台和桥墩等部分。
在桩基施工中,要采用钻孔灌注桩或预制桩,确保桩基的稳定性和承载力。
承台和桥墩的施工要按照设计要求进行,确保其尺寸和位置的准确性。
2. 钢构件加工钢栈桥的钢构件包括主梁、横梁、支撑等。
在加工过程中,要按照设计图纸进行下料、切割、弯曲、组装等工序,确保钢构件的尺寸和形状符合设计要求。
同时,要注意钢材的防腐处理,防止锈蚀对钢构件的影响。
3. 钢构件安装钢构件安装是钢栈桥施工的关键环节。
在安装过程中,要按照设计要求进行定位、固定和焊接等工序,确保钢构件的位置和稳定性。
同时,要注意安装过程中的安全问题,采取相应的安全措施,确保施工人员的安全。
4. 焊接和防腐处理钢栈桥的焊接和防腐处理对于桥梁的质量和寿命具有重要影响。
在焊接过程中,要采用合适的焊接工艺和材料,确保焊接质量和强度。
在防腐处理中,要对钢材表面进行除锈、涂装等处理,防止锈蚀对桥梁的影响。
5. 验收和检测在钢栈桥施工完成后,要进行验收和检测工作。
验收工作要按照相关规范和标准进行,对桥梁的尺寸、形状、稳定性等进行检查。
检测工作要采用先进的检测设备和技术,对桥梁的承载力、刚度等进行测试,确保桥梁的质量和安全性。
四、注意事项1. 在施工过程中,要注意安全问题,采取相应的安全措施,防止事故的发生。
2. 在焊接过程中,要采用合适的焊接工艺和材料,确保焊接质量和强度。
钢栈桥施工技术-标准化文件发布号:(9556-EUATWK-MWUB-WUNN-INNUL-DDQTY-KII海上钢栈桥施工技术1、前言桥梁施工沿线一般都要设施工便道辅助施工,由于桥梁施工环境的特殊性,必须采用相应的措施,保证桥梁正常施工。
海域桥梁基础施工一般都采用搭设钻孔平台辅助施工的方法进行,在海滩环境可采用吹填的施工方法构筑施工便道,跨河跨海桥梁施工便道可采用钢栈桥的形式,针对跨纳潮河特大桥施工环境特点,并综合考虑施工进度与工程造价问题,最终设计钢栈桥与钻孔平台辅助主桥施工,钢栈桥施工便道不仅能够解决海上桥梁施工没有合适的操作空间的技术难点,而且还提供了安全、舒适的海上施工作业平台,同时对于海域环境没有污染,桥梁建成后容易恢复沿线海域环境,并不影响设计通航。
工程概况纳潮河特大桥位于曹妃甸岛后浅滩,处于曹妃甸煤码头通路路基工程公路段以南,曹妃甸综合服务区围海造地二期工程以北,已建成通车的通岛路河规划一港池之间,滩面高程约-1.0m~0.7m,因周边工程取砂,本工程范围内局部分布有取砂坑,最深处约-17.9m。
曹妃甸特大桥全桥长7477.46m,共242孔 ,位于水中部分约为1.44Km。
该特大桥自191#至216#共有26个墩台在纳潮河水域施工。
设计浅滩部位采用吹填的方法构筑施工便道,水域部分全部设钢栈桥及钻孔平台,钢栈桥全长897m,根据主跨基础结构尺寸和施工需求分别设为8m、12m、15m三种宽度。
2、方案选择为满足大桥桩基及墩台施工需要,采用在主桥桥线旁建造临时钢栈桥以辅助主桥施工的方案。
根据主桥施工需要,综合考虑当地气象、水文等资料,设计钢栈桥结构形式为:栈桥标准桥跨为15m长,每四个标准跨为一联并设伸缩缝。
下部结构采用打入式钢管桩基础。
钢管桩顶面采用2I45b工字钢为横向连接的垫梁,顶面铺设“321”型贝雷片组成的贝雷梁,梁部结构为间距0.9m的双排单层“321”贝雷桁架,梁高1.5m,贝雷梁上面铺设间距为0.6m的型号为I25a工字钢,工字钢长度比桥面宽度大1.0m,桥面采用[30b槽钢满铺。
水上钢栈桥施工方案—已审批
一、施工背景水上钢栈桥是一项关乎城市基础设施建设的重要工程。
其建设对于城市交通的便利性和商业发展至关重要。
本文将从施工方案的准备、实施和后续维护等方面进行详细阐述。
二、施工前准备 1. 可行性分析: - 对实施水上钢栈桥的背景进行深入分析,包括交通流量、土壤情况、环境影响等因素。
- 确定施工对周边环境的影响,并进行必要的风险评估。
2.技术方案设计:
–制定钢构件的加工方案和具体施工流程。
–确定施工所需的吊装设备和材料。
三、施工实施 1. 桩基施工: - 进行桥墩基础的打桩工作,确保桩基符合安全要求。
- 监测桩基施工过程中的振动影响,采取必要的减震措施。
2.主体结构吊装:
–按照设计要求,利用专业吊装设备进行主梁吊装,保证吊装过程的安全。
–定期检查吊装设备的状态,确保施工质量和进度。
3.桥面铺设和连接:
–对已吊装的各部件进行连接,保证结构稳固。
–在桥面铺设过程中,注意材料的质量和平整度,确保桥面的使用舒适性。
四、后续维护 1. 定期检修: - 对水上钢栈桥的各部分进行定期检查和维护,及时处理发现的缺陷。
- 定期清洁桥梁表面,预防污染和腐蚀。
2.应急预案:
–制定应急预案,应对可能出现的自然灾害和施工事故。
–做好与相关部门的协调,确保应急处理的及时性和有效性。
五、总结水上钢栈桥的施工方案经过审批后得以实施,为城市交通和建设带来了新的发展机遇。
本文对水上钢栈桥的施工方案进行了全面展示,希望能够为相关工程提供借鉴和参考,并确保施工过程的安全和顺利实施。
海上钢栈桥施工技术1、前言桥梁施工沿线一般都要设施工便道辅助施工,由于桥梁施工环境的特殊性,必须采用相应的措施,保证桥梁正常施工。
海域桥梁基础施工一般都采用搭设钻孔平台辅助施工的方法进行,在海滩环境可采用吹填的施工方法构筑施工便道,跨河跨海桥梁施工便道可采用钢栈桥的形式,针对跨纳潮河特大桥施工环境特点,并综合考虑施工进度与工程造价问题,最终设计钢栈桥与钻孔平台辅助主桥施工,钢栈桥施工便道不仅能够解决海上桥梁施工没有合适的操作空间的技术难点,而且还提供了安全、舒适的海上施工作业平台,同时对于海域环境没有污染,桥梁建成后容易恢复沿线海域环境,并不影响设计通航。
1.2工程概况纳潮河特大桥位于曹妃甸岛后浅滩,处于曹妃甸煤码头通路路基工程公路段以南,曹妃甸综合服务区围海造地二期工程以北,已建成通车的通岛路河规划一港池之间,滩面高程约-1.0m~0.7m,因周边工程取砂,本工程范围内局部分布有取砂坑,最深处约-17.9m。
曹妃甸特大桥全桥长7477.46m,共242孔,位于水中部分约为1.44Km。
该特大桥自191#至216#共有26个墩台在纳潮河水域施工。
设计浅滩部位采用吹填的方法构筑施工便道,水域部分全部设钢栈桥及钻孔平台,钢栈桥全长897m,根据主跨基础结构尺寸和施工需求分别设为8m、12m、15m三种宽度。
2、方案选择为满足大桥桩基及墩台施工需要,采用在主桥桥线旁建造临时钢栈桥以辅助主桥施工的方案。
根据主桥施工需要,综合考虑当地气象、水文等资料,设计钢栈桥结构形式为:栈桥标准桥跨为15m长,每四个标准跨为一联并设伸缩缝。
下部结构采用打入式钢管桩基础。
钢管桩顶面采用2I45b工字钢为横向连接的垫梁,顶面铺设“321”型贝雷片组成的贝雷梁,梁部结构为间距0.9m的双排单层“321”贝雷桁架,梁高1.5m,贝雷梁上面铺设间距为0.6m的型号为I25a工字钢,工字钢长度比桥面宽度大1.0m,桥面采用[30b槽钢满铺。
钢栈桥及作业平台施工工艺钢栈桥及作业平台的施工步骤:采用振动锤依次打入钢管桩,现场拼装贝雷梁、吊车配合架设,就位后安装桥面梁系。
钢栈桥及作业平台的施工工艺流程见:钢栈桥及作业平台的施工工艺流程图。
钢栈桥及作业平台施工工艺流程图(4)钢栈桥及作业平台施工方法a.施工准备采用挖掘机对桥头施工场地进行清理和整平,以便于材料的堆码和机械设备的摆放。
b.钢管桩打入将12m长的钢管桩桩头上割出可供吊具钩吊的三角小孔,用50T 履带吊将其竖直吊起,对准桩位放下。
对准好桩位后,用汽车吊或履带吊吊起DZ90震动锤,液压夹头夹住钢管桩,初步检验桩体纵横方向垂直度,并在钢便桥上设置导向装置,确保桩体在锤击过程中始终保持垂直。
符合要求后,开动锤将桩打入土中。
若钢管桩已打入预计长度,贯入度仍较大,说明该处土质较差,承载能力不满足要求,需要继续打入,直至贯入度满足要求,即实际承载能力达到要求为止。
当桩底遇到硬物时,桩位易打偏或不垂直,应及时清理后再施打。
按照同样的方法将其它桩打设完成。
按上面方法进行第一排四根钢管桩施工,并找到相应的标高后割除多余的钢管,桩顶焊接650*650*10mm 的桩顶盖板。
对钢管桩相互之间设置焊接16#槽钢剪刀撑及平撑,焊接槽钢前需先在管桩外侧壁焊接剪刀撑点位上焊接250mm*200mm*10mm的连接钢板。
具体剪刀撑的焊接尺寸和位置见图:钢栈桥及作业平台剪刀撑布置图。
钢栈桥及作业平台剪刀撑布置图c.桩顶分配盖梁安装钢管桩上放置45b双拼工字钢盖梁,将事先焊接好的双拼工字钢用吊车调入桩顶盖板上,并在工字钢两侧用8#槽钢与桩顶进行焊接连接固定。
如图所示:盖梁与桩顶连接示意图d.贝雷主梁安装贝雷主梁在桥头或便桥上空旷场地内拼装,下面垫枕木,用吊车将贝雷逐片吊起,用桁架销子相互连接接长。
该桥横向设四组贝雷,四组贝雷则用0.9米支撑架连接。
连接桁架的所有螺栓螺帽必须拧紧,桁架销子穿到位后必须插好保险销。
将已经拼装好成组的贝雷片用吊车吊起放置在桩顶盖之上。
钢栈桥施工工艺方案栈桥施工采用钓鱼法施工。
利用履带吊机和震动锤从桥台起点开始打设第一排栈桥钢管桩,安装贝雷梁主梁,铺设分配梁和桥面板后,吊车前移一孔,继续下一孑俄桥钢管桩的打设及上构的安装,直至完成全部栈桥的施工。
1、场地平整钢栈桥钢管墩和贝雷梁在后场加工组装,采用12米长平板车运输到施工现场。
后场存放场地需碾压密实,铺砌30Cm碎石垫层20Cm厚C20混凝土硬化面层场地长33m,宽28m,设置在抚河西岸河滩上。
后场钢材数量较大,总类较多,所有材料需分类码放,型钢堆放高度不宜超过两米,钢管墩堆放不要超过3层,做好安全防护措施,防止失稳。
2、桥台施工便道填筑至桥台位置时,先分层填筑、压实至桥台底标高,边坡采用60Cm沙袋码边防护,然后搭设6根钢管桩作为桥台基础,再立模浇筑桥台磅,最后在桥台后方以级配砂填筑,并填筑50cm碎石垫层,路面浇筑30cmC30混凝土,以满足50t吊车、碎罐车等重型车辆通行要求。
3、测量放样在钢管桩基础施工前,对工程的测量点测量网进行全面复核。
结合主桥的平面位置,根据栈桥钢管桩布置图计算每根桩的中心坐标。
按施工先后顺序放样钢管桩的位置。
无水区域直接在河滩上搭设定位木桩定位。
水中定位先将小船开到桩位附近抛锚经测量后微调管桩位置,在定位架上标记桩位,钢管桩依靠确定的桩位下放、振打。
4、钢管桩基础4.1 钢管桩打设首先测量定位后,履带吊挂振动锤夹住钢管桩起吊,放入定位导向框,利用自重将钢管桩下沉至覆盖层中一定深度,复测桩位和倾斜度,调整管桩直到满足设计要求和施工规范要求,开始振打钢管桩。
每根桩的振打尽量一气呵成,不宜停顿太长时间,以免桩间土恢复造成二次振打下沉困难。
打桩过程中用测量仪器随时监控垂直度,钢管桩的垂直度主要以夹箱口导向框控制,监测为辅。
发现桩发生倾斜,及时拔出调整垂直度重新打入。
钢管桩顶打入到距水面以上2米左右暂停,现场焊接接长以后,继续振打下沉,直到达到设计长度为止,钢管桩接头要求等强度连接。
海上钢栈桥施工工艺方法
(1)工艺流程
施工准备→钢栈桥钢结构加工、制作→钢栈桥钢结构喷砂、除锈、涂防腐涂料→钢栈桥钢结构水上运输、安装→钢栈桥面层施工→验收
(2)施工工艺方法
为确保生产过程有序、合理,各工序必须严格按照施工工艺流程进行,基本流程分预制厂加工制作及现场施工两部分。
预制厂施工主要包括钢结构加工、制作、涂装,现场施工主要包括安装、面层及其他施工。
①施工准备
施工前必须对图纸进行审核,精确计算工程量,按照一定损耗采购钢材、焊条和油漆等材料。
原材料质量控制是本工程成败的关键,钢结构使用主要的材料材质均为Q235,进料时,要求厂家必须提供材料质量保证书,标明钢材的炉批号、钢号、数量、化学成分和物理性能等各项技术参数及指标。
进场后应对照质保书进行核对,检查无误后按炉批号、规格抽检,并委托检测单位依据标准对钢材的化学和物理性能进行检验,合格后方可使用。
钢结构焊接所用的焊条为E43**焊条。
焊条应注意防潮,焊条吸潮后不仅影响焊接质量,甚至造成焊接材料变质,因此焊条使用前应进行烘焙,烘焙温度为350~450℃,时长1~2小时,在烘箱或烤箱中贮存温度为100~150℃,贮存时间一般不得超过30天。
钢结构涂装所用油漆进场后,监理单位、施工单位和业主三方联合抽样、送检,检验合格后方可使用,油漆须由专人、专库进行保管。
②钢结构加工、制作
钢结构以1:1的比例在计算机中放出各节点,放样时需考虑平面圆曲线、纵向竖曲线、预拱度等,各部分的尺寸和样板应进行核对,并作为后续生产的依据。
根据实践经验,放样时要加放余量、焊接收缩量及对接焊缝的位置。
横向每道纵肋间距加放0.5mm,顶板加放9mm,底板加放8.5mm;腹板加放5mm反变形。
下料,根据板厚和长度选择气割或机械剪切,尽可能使用剪板机。
厚度小于12mm时,用剪刀车剪切;厚度大于12mm钢板采用气割,气割时应除去钢板的热影响区(一般为1~2mm);型材用砂轮机切割,钢材下料切割后要进行校正。
钢结构装焊顺序:主纵梁下翼缘焊接→主桁内横、纵梁→悬臂侧横、纵梁→腹板、加劲板→钢支托→主纵梁上翼缘→支座上摆
焊接工艺:由于本桥为全焊钢结构桥,所以焊接工艺的优劣直接决定了全桥的质量。
根据焊缝形式(对接焊缝、贴角焊缝)、长度和等级要求对各部位的焊接方法进行选择。
工字型主纵梁翼缘板对接焊接接头与腹板对接焊接接头均应相距300毫米以上,该组合杆件的焊缝采用自动焊;其余焊缝均为贴角焊缝,正边尺寸为10毫米。
所有焊缝不得有裂纹,沿边缘或角顶不得有未溶合、溢流、烧穿,未填满的火口和超出允许限度的气孔、夹渣咬肉等缺陷。
根据规范的要求,对钢材、焊接材料、焊接方法进行评定。
按照《焊接接头机械性能试验方法》(GB2649~2654)的要求取样,进行拉伸、弯曲、冲击韧性、硬度及宏观断面酸蚀性试验,以确定材料及厂内焊接工艺的可行性,获得焊接电流、电压、焊接速度、坡口尺寸等技术参数,作为后续生产的控制标准。
现场安装焊接施工,应根据现场施工时的环境加工试件,进行焊接工艺试验和工艺评定。
焊接质量控制及检验。
(1)焊工和无损检测人员必须通过考试并取得资格证书,且只能从事资格证书认定范围内的工作;(2)焊接时,环境湿度应小于80%;(3)焊接前必须彻底清除待焊区域内的有害物,焊接时严禁在母材非焊接部位引弧,焊接后应清理焊缝表面熔渣及两侧飞溅物;(4)焊接材料应通过焊接工艺评定,焊剂、焊条必须按产品说明烘干使用,焊剂中的脏物,焊丝上的油、锈等必须清除干净,CO2气体纯度应大于99.5%;(5)焊前预热温度应通过焊接工艺试验和工艺评定来确定,预热范围一般控制在焊缝两侧100mm 以上,在距焊缝30~50mm范围内测温; (6)焊缝有缺陷时,应根据具体情况进行处理,对于要碳刨或其他机械方法清除缺陷时,应刨出有利于返修的坡口,并打磨掉氧化皮直至露出金属光泽,焊接裂纹的清除长度应由裂纹端各外延50mm,且同一部位的返修不宜超过两次;(7)所有焊缝必须在全长范围内进行外观检查,不得有裂纹、未熔合、夹渣、未填满弧坑和焊瘤等缺陷;(8)所有焊接经外观检验合格后方可进行无损检测,无损检测应在焊接24h后进行。
③涂装
钢结构桥梁最大的弱点就耐腐蚀性差,容易锈蚀。
由于本桥地处秦皇岛海域,雨水较多,防腐非常重要,因此涂装成为本桥的又一控制要点。
主要从以下几方面进行控制: A、对钢结构桥体的外观进行检查,确认无缺陷后,进行喷砂、除锈,除锈等级为Sa2.5级;B、除锈达标后进行油漆喷涂,喷涂时环境湿度一般不大于80%,钢板表面温度应高于空气露点温度3℃以上方能施工;C、施工时应预留好安装焊接部位,一般预留100mm暂不涂装,待工地焊接完成后再涂;D、涂装时应注意避免环境污染;E、每层涂好后,采用漆膜测厚仪进行厚度检测,每层干膜厚度允许偏差-5微米,涂装应均匀、无明显起皱、流挂、附着情况良好;F、工厂只留最后一道面漆不涂,待工地焊接结束后进行;G、补漆,必须按
设计要求一道、一道涂,现场最后一道面漆涂完。
油漆体系要求见下。
底漆:采用无溶剂改性环氧ES301,颜色铁红,干膜厚度100um;
中间漆:采用无溶剂改性环氧ES301,颜色浅灰,干膜厚度125um;
面漆:采用氟碳面漆FC106,颜色由业主确定,干膜厚度80um(两道)。
④运输
由于单榀钢栈桥最重的达到了42.06吨重,加上施工现场没有陆上运输的通道,故钢栈桥采用海上船舶运输。
使用200吨起重船吊起钢栈桥至方驳上,通过拖轮拖带至施工现场。
⑤安装
在对应钢栈桥位置的新建平台的钢梁上焊接钢栈桥的支座下摆,经检验合格后,200吨起重船吊起钢栈桥钢结构,使支座上摆和下摆对应,下放钢结构,通过锚固螺栓使之联接成整体。
⑥面层及其他施工
待安装完毕后,施工人员立即对挡板和栏杆进行焊接。
由于浇筑30mm厚的C30聚丙烯纤维混凝土数量较小,采用现场搅拌浇筑,人工振捣。
(5)质量标准
钢栈桥制作允许偏差、检验数量和方法
钢栈桥安装允许偏差、检验数量和方法。