尾矿库检验批表格
- 格式:doc
- 大小:443.00 KB
- 文档页数:20
四、尾矿库安全检查表序检查内容检查结果结论号1尾矿建设安全保障状况1.1能否由有资质的设计单位设计。
1.2能否由有资质的施工单位施工。
1.3有无完好的工程地质勘探资料。
1.4有无施工质量检查监察机构。
2尾矿库库区安全状况2.1尾矿库选择能否切合规范要求。
尾矿库周边山体能否稳固2.2有无塌方、滑坡、泥石流等可能性。
2.3库区能否有违章爆破、采石。
3尾矿坝安全状况早期坝底清基能否到位、切合规范要3.1求。
坝体轮廓尺寸能否切合设计要求,有无3.2变形、裂痕、滑坡和渗漏。
3.3坝体有无位移、沉陷。
3.4筑坝石材及反滤料能否切合要求。
4尾矿排放和筑坝安全状况尾矿排放能否平均分别,放矿粗颗粒是4.1否放于坝前,细颗粒能否排至库内。
最小安全超高、最小干滩长度能否切合4.2规范规定。
堆积滩面有否扇形坡、侧坡现象,堆积4.3滩能否平均平坦。
检查内容检查结果结论号聚积坝下游坝坡比能否切合设计要求,4.4坝坡能否有积水。
4.5浸润线能否在坝坡溢出。
尾矿坝滩顶高程能否知足度汛、冬天放4.6矿及尾水澄清的要求。
4.7尾矿放矿、筑坝能否有专人管理。
尾矿坝能否有坝体沉降、滑动、渗流等4.8观察、检测举措。
5尾矿库排水系统安全状况5.1设计防洪标准能否切合规范要求。
5.2排水井及涵管能否切合设计要求。
排水井修建物有否变形、破坏、位移、5.3淤堵。
排水修建物能否有剥蚀、零落、渗漏、5.4断裂。
溢洪道、截洪沟能否切合设计要求,沿5.5线山坡能否有滑坡、塌方、淤堵,高程能否合理。
6尾矿输送及回水安全运转状况6.1尾矿输送及回水系统运转能否正常。
6.2能否有跑、冒、滴、漏现象。
7尾矿坝的安全保护和管理状况7.1尾矿坝能否有安全监测设备。
检查内容检查结果结论号7.2尾矿坝能否有坝面排水。
7.3聚积坝外坡面有无植被。
7.4尾矿库有无安全保障系统及组织构造。
尾矿坝能否有专职巡视、监护管理人7.5员。
7.6坝上能否有通信照明设备。
7.7坝上能否有抢险物质。
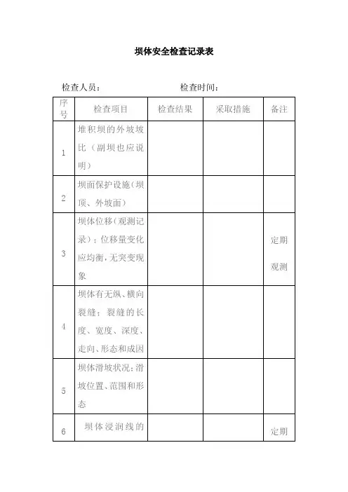
坝体安全检查记录表
检查人员:检查时间:
备注:“检查结果”栏:根据该栏内容,正常时填写“正常”、无异常情况时填写“无”、有异常时填写具体缺陷。
“采取措施”栏:写出具体处理意见,如“已书面报告安全科”等。
防排洪系统安全检查记录表检查人员:检查时间:
备注:“检查结果”栏:根据该栏内容,正常时填写“正常”、无异常情况时填写“无”、有异常时填写具体缺陷。
“采取措施”栏:写出具体处理意见,如“已书面报告安全科”等。
汛期安全检查记录表
检查人员检查时间
备注:“检查结果”栏:根据该栏内容,正常时填写“正常”、无异常情况时填写“无”、有异常时填写具体缺陷。
“采取措施”栏:写出具体处理意见,如“已书面报告安全科”等。
库区安全检查记录表检查人员检查时间
备注:“检查结果”栏:根据该栏内容,正常时填写“正常”、无异常情况时填写“无”、有异常时填写具体缺陷。
“采取措施”栏:写出具体处理意见,如“已书面报告安全科”等。
尾矿库日常巡检检查记录表检查人员:检查时间:
备注:检查结果栏:正常时填写“√”;异常时填写具体缺陷(如“裂纹”、“渗漏”、“管路泄漏”等)。
采取措施栏:写出具体处理意见,如“已书面报告安全科”、“正进行维修”等。
日常巡检和定期观测月汇总表。
汛期安全检查记录表
备注:“检查结果”栏:根据该栏内容,正常时填写“正常”、无异常情况时填写“无”、有异常时填写具体缺陷。
“采取措施”栏:写出具体处理意见,如“已书面报告安全科”等。
防排洪系统安全检查记录表
备注:“检查结果”栏:根据该栏内容,正常时填写“正常”、无异常情况时填写“无”、有异常时填写具体缺陷。
“采取措施”栏:写出具体处理意见,如“已书面报告安全科”等。
备注:“检查结果”栏:根据该栏内容,正常时填写“正常”、无异常情况时填写“无”、有异常时填写具体缺陷。
“采取措施”栏:写出具体处理意见,如“已书面报告安全科”等。
备注:“检查结果”栏:根据该栏内容,正常时填写“正常”、无异常情况时填写“无”、有异常时填写具体缺陷。
“采取措施”栏:写出具体处理意见,如“已书面报告安全科”等。
尾矿库日常巡检检查记录表
备注:检查结果栏:正常时填写“√”;异常时填写具体缺陷(如“裂纹”、“渗漏”、“管路泄漏”等)。
采取措施栏:写出具体处理意见,如“已书面报告安全科”、“正进行维修”
等。
日常巡检和定期观测月汇总表
安全检查记录
安全生产派班记录
安全设备管理记录
工伤事故记录2011年度
安全生产档案名序表
安全生产档案记录2011年度档案号()
安全生产例会记录2011年度
安全措施经费提取使用记录2011年
职工安全培训教育记录2011年度
职工健康检查记录2011年度
劳动防护用品发放记录
应急救援演练记录
职工花名册。
坝基土方开挖单元工程质量评定表
堆石坝体填筑单元工程质量检验评定表
碎石反滤工程单元工程质量评定表
土工布铺设单元工程质量评定表
干砌石单元工程质量评定表
坝基及岸坡清理工序质量评定表
堆石坝防渗体结合面处理工序质量评定表
排水工程单元工程质量评定表
石料质量评定表
粗骨料质量评定表
注:每生产500m³抽查一组。
隐蔽工程质量评定表
砂砾坝体填筑单元工程质量评定表
浆砌排水沟现场质量评定表
盲沟现场质量评定表
土方回填单元工程质量评定表
坝体填筑工程质量评定表
工程项目施工质量评定表
单位工程质量评定表
分部工程质量评定表
分项工程质量评定表。
坝基土方开挖单元工程质量评定表
堆石坝体填筑单元工程质量检验评定表
碎石反滤工程单元工程质量评定表
土工布铺设单元工程质量评定表
干砌石单元工程质量评定表
坝基及岸坡清理工序质量评定表
堆石坝防渗体结合面处理工序质量评定表
排水工程单元工程质量评定表
石料质量评定表
粗骨料质量评定表
隐蔽工程质量评定表
砂砾坝体填筑单元工程质量评定表
浆砌排水沟现场质量评定表
盲沟现场质量评定表
土方回填单元工程质量评定表
文档。
尾矿库检查所需资料
一、证照、资料
1、尾矿库安全生产许可证
2、工商营业执照
3、主要负责人及安全管理人员安全管理资格证
4、特种作业人员安全管理资格证
5、设立安全科文件
6、安全生产承诺书
二、安全管理资料
1、尾矿库设计、现状实测图
2、安全评价报告
3、三项制度
4、应急预案备案表、演练记录、救护协议
5、隐患排查治理制度、台帐、统计分析上报回执
6、职工安全教育培训档案
7、日常监测记录(坝体位移、浸润线观测记录等)
8、坝体稳定性分析记录
9、尾矿库24小时巡查记录
10、尾矿库年度、季度作业计划
11、筑坝图、筑坝记录
12、重大危险源备案表和评估报告
三、现场检查
1、坝面、干滩、水位、放矿、排洪设施、排水沟是否符合要求
2、尾矿库照明和通信
3、回水情况
4、警示标识
5、筑坝是否符合设计,其它方面是否符合设计要求
6、防汛预案、防洪物资情况。
尾矿库检查表
一、检查目的
尾矿库是矿山生产过程中产生的废料储存和处理场所,如未得到有
效管理和合规处理,会对环境和公共安全造成不可逆转的影响。
本次
检查旨在排除尾矿库安全隐患,确保尾矿库稳定运行,防范环境风险,保障公共安全。
二、检查范围
根据尾矿库的等级和规模,分别确定不同的检查范围。
•等级I尾矿库:检查面积至少为1000平方米
•等级II尾矿库:检查面积至少为5000平方米
•等级III尾矿库:检查面积至少为10000平方米
三、检查内容
3.1 运行状况
•尾矿库是否按照规定进行了操作和管理?
•尾矿库的日常巡查记录是否按照规定填写并存档?
•是否存在严重超载和超限的情况
•尾矿库是否存在渗漏、裂缝、污水渗漏等状况?
•尾矿库是否存在塌陷或滑坡风险?
3.2 安全设施
•是否设置完善的劝导警示标志?
•尾矿库是否设置防洪设施和污水收集设备?是否配备应急处理设施?
•尾矿库的过渡区是否符合要求?
•尾矿库排放口周围是否设置了防护罩和道路标识?
3.3 环境保护
•尾矿库周围是否存在违法开采、盗采、乱采等现象?
•周围环境是否受到尾矿渗漏等污染?
•是否存在禁止开采的区域被非法挖掘的情况?
四、检查结果
•A类:未发现重大问题
•B类:存在一些缺陷或风险隐患,需及时整改
•C类:存在严重违规行为或安全隐患,需立即停工整改五、检查建议
•将本次检查情况及时进行总结,做好相应材料的归档。
•对发现的问题进行分类,划分优先程度,制定合理的整改方案和时间表。
•进一步健全尾矿库管理体制,强化责任落实,加大监督力度,确保安全、稳定、可持续运行。
坝基土方开挖单元工程质量评定表
堆石坝体填筑单元工程质量检验评定表
碎石反滤工程单元工程质量评定表
土工布铺设单元工程质量评定表
干砌石单元工程质量评定表
坝基及岸坡清理工序质量评定表
堆石坝防渗体结合面处理工序质量评定表
排水工程单元工程质量评定表
石料质量评定表
粗骨料质量评定表
隐蔽工程质量评定表
砂砾坝体填筑单元工程质量评定表
浆砌排水沟现场质量评定表
盲沟现场质量评定表
土方回填单元工程质量评定表。