尾矿库检验批表格
- 格式:doc
- 大小:433.00 KB
- 文档页数:24
排洪设施及库区安全检查表库名:尾矿库尾矿库等别:五等□四等□三等□二等□一等□检查日期:年月日检查人员:排水涵管1、断面尺寸是否达到要求□;2、是否有变形、破损、断裂和磨蚀现象□;3、是否有裂缝□;4、是否淤堵□。
排水隧洞1、断面尺寸是否达到要求□;2、洞内是否有塌方□;3、衬砌是否变形、破损、断裂、剥落、磨蚀和裂缝□;4、是否淤堵□。
截洪沟1、断面尺寸是否达到要求□;2、沿线山坡是否滑坡、塌方□;3、护砌是否变形、破损、断裂和磨蚀□;4、沟内是否淤堵□。
溢洪道(管)1、断面尺寸是否达到要求□;2、溢洪道(管)内水质、水量是否正常□;3、护砌是否变形、破损、断裂和磨蚀□;4、是否淤堵□。
坝面裂隙是否有裂缝□位置:长度:宽度:深度:___ _____ 走向:形态:成因:________________________ ______________坝面滑坡变现是否有坝面滑坡变形□位置:范围:____________ _ ______________ 形态: 动态趋势:___________________________________________排水沟1、断面尺寸是否达到要求□; 2、沿线山坡是否稳定□; 3、护砌是否变形、破损、断裂、和磨蚀□; 4、沟内是否淤堵□。
坝坡土石覆盖是否完好□情况描述:周边地质稳定性1、周边山体是否有滑坡、塌方和泥石流情况□;2、周边山体是否有异常和急变情况□;3、周边山体是否有滑坡的可能性□。
违章作业、违章建筑1、是否有违章爆破、采石和建筑□;2、是否有取违章取尾矿再选、取水活动□;3、是否有外来尾矿、废石、废水和废弃物排入□;4、是否有放牧和开垦现象□。
备注填表说明:(1)根据检查内容是的在□打√,否的打×;(2)存在的问题及防范措施填写在备注栏内。
注:此表填写好后复印一份交公司安全环保部备案。
XXXXX矿业有限公司XXXXX尾矿库排洪设施及库区安全检查表2010年12月。
汛期安全检查记录表
备注:“检查结果”栏:根据该栏内容,正常时填写“正常”、无异常情况时填写“无”、有异常时填写具体缺陷。
“采取措施”栏:写出具体处理意见,如“已书面报告安全科”等。
防排洪系统安全检查记录表
备注:“检查结果”栏:根据该栏内容,正常时填写“正常”、无异常情况时填写“无”、有异常时填写具体缺陷。
“采取措施”栏:写出具体处理意见,如“已书面报告安全科”等。
备注:“检查结果”栏:根据该栏内容,正常时填写“正常”、无异常情况时填写“无”、有异常时填写具体缺陷。
“采取措施”栏:写出具体处理意见,如“已书面报告安全科”等。
备注:“检查结果”栏:根据该栏内容,正常时填写“正常”、无异常情况时填写“无”、有异常时填写具体缺陷。
“采取措施”栏:写出具体处理意见,如“已书面报告安全科”等。
尾矿库日常巡检检查记录表
备注:检查结果栏:正常时填写“√”;异常时填写具体缺陷(如“裂纹”、“渗漏”、“管路泄漏”等)。
采取措施栏:写出具体处理意见,如“已书面报告安全科”、“正进行维修”
等。
日常巡检和定期观测月汇总表
安全检查记录
安全生产派班记录
安全设备管理记录
工伤事故记录2011年度
安全生产档案名序表
安全生产档案记录2011年度档案号()
安全生产例会记录2011年度
安全措施经费提取使用记录2011年
职工安全培训教育记录2011年度
职工健康检查记录2011年度
劳动防护用品发放记录
应急救援演练记录
职工花名册。
尾矿库检查表1、尾矿库总体布置单元平安检查表序号评价工程评价内容标准分值评价分值1符合企业建设的总体规划,尾矿库使用年限与选矿厂的生产年限相适应,当采用多库分期建设合理时,应制定出分期建库规划,每期尾矿库的使用年限,小型选矿厂不宜少于5年,大中型选矿厂不宜少于10年2尾矿库库址的选择应经多方案技术经济比拟综合考虑,并遵守以下原那么:2.1库址是否经多方案综合技术经济比拟2.2不宜位于工业企业、大型水源地、水产基地和大居民点的上游;不宜位于大居民区及厂区最大频率风向的上风侧;不迁或少迁村庄;不宜位于全国和省重点保护名胜古迹的上游;不宜位于有开采价值的矿床上面2.3汇水面积小,有足够的库容和初、终期库长2.4工程、水文地质条件好2.5堆坝工程少,生产管理方便3尾矿管槽避开不良工程地质地段和洪水淹没区。
不得通过采矿崩落区、爆破危险区和废石堆放区4库区周边山体是否稳定,有无产生泥石流的可能,库区周边是否有违章建筑、违章施工和违章民办采选活动等情况合计2、尾矿库排放与筑坝子单元平安检查表序号评价工程评价内容标准分值评价分值1尾矿坝滩顶高程必须满足生产、防汛、冬季冰下放矿和回水的要求2尾矿筑坝必须有足够的平安超高、沉积干滩长度和下游坝面坡度3每一期筑坝冲填作业之前,必须进行岸坡处理。
岸坡处理应作隐蔽工程记录,如遇泉眼、水井、地道或洞穴等,要采取有效措施进行处理,经主管技术人员检查合格前方可冲填筑坝4上游式尾矿筑坝法,应于坝前均匀分散放矿,修子坝或移动放矿管时除外,不得任意从库后或库侧放矿。
同时满足以下要求:粗颗粒尾矿沉积于坝前,细颗粒排至库内,在沉积滩范围内不允许有大面积矿泥沉积;沉积滩顶应均匀平整;沉积滩坡度及长度等应符合设计的要求;严禁矿浆沿子坝内坡趾横向流动冲刷坝体;放矿矿浆不得冲刷坝坡;放矿应有专人管理5坝体较长时应采用分段交替放矿作业;使坝体均匀上升,应防止滩面出现侧坡、扇形坡或细颗粒尾矿大量集中沉积于一端或一侧6放矿口的间距、位置、同时开放的数量、放矿时间以及水力旋流器使用台数、移动周期与距离,应按设计要求或作业方案进行操作。
坝基土方开挖单元工程质量评定表
堆石坝体填筑单元工程质量检验评定表
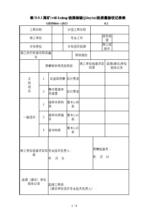
碎石反滤工程单元工程质量评定表
土工布铺设单元工程质量评定表
干砌石单元工程质量评定表
坝基及岸坡清理工序质量评定表
堆石坝防渗体结合面处理工序质量评定表
排水工程单元工程质量评定表
石料质量评定表
粗骨料质量评定表
注:每生产500m³抽查一组。
隐蔽工程质量评定表
砂砾坝体填筑单元工程质量评定表
浆砌排水沟现场质量评定表
盲沟现场质量评定表
土方回填单元工程质量评定表
坝体填筑工程质量评定表
工程项目施工质量评定表
单位工程质量评定表
分部工程质量评定表
分项工程质量评定表。
尾矿库安全生产现场检查表
16 对尾矿坝是否实施了有效监控?
17 对尾矿坝下游居民区或重要设施是否实施了有效监控?
18 再利用的尾矿库,未履行建设项目“三同时”制度的是否进行了整改?
19 库区内是否存在从事爆破或采砂等危害尾矿库安全的隐患?
20 未履行安全评价、安全设施设计审查及竣工验收制度的,是否进行了整改?
21 防垮坝、防漫顶、防自然灾害等事故是否建立应急预案?
22 是否制定重大险情、防洪渡汛应急救援预案?
23 有否应对重大险情、防洪渡汛的应急物资储备?
24 应急预案是否定期演练?。
尾矿库检查表
一、检查目的
尾矿库是矿山生产过程中产生的废料储存和处理场所,如未得到有
效管理和合规处理,会对环境和公共安全造成不可逆转的影响。
本次
检查旨在排除尾矿库安全隐患,确保尾矿库稳定运行,防范环境风险,保障公共安全。
二、检查范围
根据尾矿库的等级和规模,分别确定不同的检查范围。
•等级I尾矿库:检查面积至少为1000平方米
•等级II尾矿库:检查面积至少为5000平方米
•等级III尾矿库:检查面积至少为10000平方米
三、检查内容
3.1 运行状况
•尾矿库是否按照规定进行了操作和管理?
•尾矿库的日常巡查记录是否按照规定填写并存档?
•是否存在严重超载和超限的情况
•尾矿库是否存在渗漏、裂缝、污水渗漏等状况?
•尾矿库是否存在塌陷或滑坡风险?
3.2 安全设施
•是否设置完善的劝导警示标志?
•尾矿库是否设置防洪设施和污水收集设备?是否配备应急处理设施?
•尾矿库的过渡区是否符合要求?
•尾矿库排放口周围是否设置了防护罩和道路标识?
3.3 环境保护
•尾矿库周围是否存在违法开采、盗采、乱采等现象?
•周围环境是否受到尾矿渗漏等污染?
•是否存在禁止开采的区域被非法挖掘的情况?
四、检查结果
•A类:未发现重大问题
•B类:存在一些缺陷或风险隐患,需及时整改
•C类:存在严重违规行为或安全隐患,需立即停工整改五、检查建议
•将本次检查情况及时进行总结,做好相应材料的归档。
•对发现的问题进行分类,划分优先程度,制定合理的整改方案和时间表。
•进一步健全尾矿库管理体制,强化责任落实,加大监督力度,确保安全、稳定、可持续运行。