最新版本煤矿机电标准化评分表
- 格式:doc
- 大小:106.00 KB
- 文档页数:7
煤矿机电安全质量标准化评分表项目项目内容基本要求标准分值评分方法存在问题及扣分实得分一、设备与指标(20分)设备证标机电设备必须有产品合格证、煤矿矿用产品安全标志,防爆设备还必须有防爆合格证。
防爆电气设备在入井前由经培训合格的电气防爆检查员检查其性能并签发合格证后,方准入井4查现场和资料。
发现一台不符合要求不得分设备完好机电设备综合完好率不低于90% 2 查现场和资料。
每降低1%扣0.5分固定设备大型在用固定设备完好率100% 2 查现场和资料。
发现一台不完好不得分电气防爆防爆电气设备及小型电器防爆合格率100% 4 查现场和资料。
发现一处失爆不得分小型电器小型电气合格率不低于95% 2 查现场和资料。
每降低1%扣0.5分电缆井下电缆吊挂合格率不低于95%(含控制、通信、照明等小电缆)2 现场检查。
吊挂合格率每降低1%扣0.5分矿灯在用矿灯完好率100%,矿井完好的矿灯总数,至少应比经常用灯的总人数多10%。
使用合格的双光源矿灯,井下使用的矿灯无红、灭灯。
1查现场和资料。
数量不足不得分,抽查不少于50盏,发现一盏红灯扣0.3分、灭灯扣0.5分,发现一盏矿灯没有用双光源不得分待修设备设备待修率不高于5% 1 查现场和资料。
每增加1%扣0.5分机电事故机电事故率不高于1% 1查现场和资料。
查报表和记录,超过1%不得分,与记录不符不得分设备大修改造设备更新改造有计划并按计划执行,设备大修计划应完成90%以上1查阅资料。
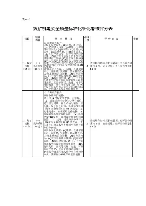
无年度计划或完不成不得分,无大修计划或计划完成率全年低于90%本项合计标准分20 本项检查合计实得分二、煤矿机械(35分)主要提升系统1.立井(斜井)绞车提升:(1)各种保护装置应符合《煤矿安全规程》第427条规定;(2)单绳罐笼提升应有防坠装置;(3)主井提升系统应装设定重装载;(4)提升系统通信、信号应完善;(5)上、下井口及各水平应装设视频监视装置;(6)应具备可靠的电气制动;(7)斜井提升制动减速度达不到要求时应装设二级制动装置;(8)立井井口及各水平各种操车设施与提升信号联锁;(9)立井提升系统应有防撞梁,装设防过卷、防过放和缓冲托罐装置,过卷高度和过放距离符合规定;(10)机房应装设应急照明装置;(11)应使用变频、直流等低耗、先进、可靠的电控装置,并有可靠的通信接口;(12)有运行和检修等记录6查现场和资料。
采煤安全质量标准化考核评级办法一、采煤安全质量标准化矿井分为三个等级一级:采煤安全质量得分在90分及以上,工作面内无死亡事故;二级:采煤安全质量得分在80分及以上;三级:采煤安全质量得分在70分及以上。
二、采煤安全质量标准化考核评分办法(具体见附表一)(一)采煤十大项,满分100分,缺一项不得分。
(二)采煤工作面每死亡1人,矿井采煤安全质量标准化降一级扣5分,得分不得超过下一级的最高分,按降级后得分输入总分。
三、采煤安全质量标准化得分,按下列公式就算:采煤安全质量标准化=各采煤工作面得分之和÷工作面个数。
四、此标准适用长壁全部陷落采煤方法,其它正规采煤方法由各县(市。
区)煤矿安全监管部门参照标准编制相应的安全质量标准化实施,并报云南省安全生产监督管理局(云南省煤矿安全生产监督管理局)备案。
五、采煤安全质量标准化评分办法见附表一。
采煤安全质量标准化评分表掘进安全质量标准化考核评级办法一、掘进安全质量标准化矿井分为三个等级一级:掘进安全质量得分在90分及以上,工作面内无死亡事故,没有不合格工程。
二级:掘进安全质量得分在80分及以上,没有不合格工程。
三级:掘进安全质量得分在70分及以上,没有不合格工程.二、评分办法总分为100分,其中工程质量满分为65分(掘进30分,支护35分),文明生产满分为35分。
(一)工程质量标准分为巷道掘进工程与支护方式两部分,其中支护方式仅列三种型式,每种均为35分,按巷道实际支护方式考核评分,其它支护方式由各县、市煤矿安全监管部门制定工程质量标准。
(二)文明生产标准共4项,按小项检查标准分别考核评分。
(三)因掘进责任事故每死亡1人,掘进安全质量标准化降一级扣5分,得分不得超过下一级的最高分.死亡3人取消评比资格。
三、掘进安全质量标准化评分办法见附表二。
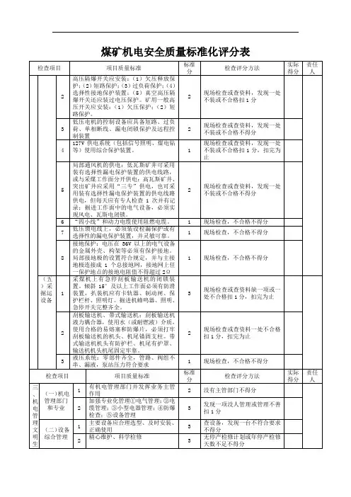
附表二:掘进安全质量标准化评分表三、机电安全质量标准化评分办法见附表三。
附表三机电安全质量标准化评分表四、在检查评比中,如有缺项,可将该项目的分数,平均折算到总项其它内容中去。