JTY-GD-01智能光电感烟探测器使用说明书
- 格式:doc
- 大小:408.98 KB
- 文档页数:2
独立式光电感烟火灾探测报警器独立式光电感烟火灾探测报警器,通过感知烟雾来探测火灾。
采用特殊结构设计的光电传感器,利用烟雾中散射的光强度来判断是否有烟雾。
当烟雾达到一定的浓度,即光接收元件接收到的光强度达到预定的阈值时,探测器将发出声光报警信号,火警指示灯(红色)闪烁,并启动蜂鸣器报警。
该产品能有效地探测出火灾在初期阴燃产生的可见烟雾,使用户及时排除险情或进行人员撤离,适用于家居、学校、商店、工厂、酒店等各类场合。
1. 取出报警器、说明书、电池和安装包。
2. 旋转报警器的底板,取下底板。
3. 在天花板上用冲击钻打两个安装孔,用膨胀管和自攻螺钉固定报警器的底板,建议每个房间安装一个探测器。
4. 取出3V电池,插入连接器后,将电池装入电池槽内(切勿撕掉透明膜)。
安装好后按住测试按键,报警器指示灯每2秒闪烁并发出报警声,松开测试按键,灯闪烁及报警声停止,则表明报警器正常工作。
1. 建议每隔三个月对产品进行清洁。
清除污垢时,请用布浸湿水或肥皂水充分拧干后擦拭;清除灰尘时,请用吸尘器沿进烟槽进行清理。
2. 若在使用过程中遇到故障不能正常工作,请尽快与供应商联系,不要私自拆卸修理,以免发生意外。
3. 建议每月按测试键测试一次功能是否正常。
模拟报警测试功能:按住测试按键,报警器报警指示灯每2秒以红色闪烁,并持续发出洪亮的报警声,松开测试按键,灯闪烁及报警声停止,则报警器正常工作。
故障报警功能:报警器会自动检测功能是否正常,如不能正常检测烟雾(故障时),则每隔35秒连续发出2次报警声,报警指示灯以黄色闪烁。
请联系经销商或客服,尽快检测或维修。
低电量报警功能:电池电量不足时,报警器会每隔35秒连续发出3次报警声。
请尽快更换电池。
进烟口外壳底板正常工作状态:报警器指示灯以每300秒红色闪烁,报警器不发声。
火灾报警功能:当烟雾浓度达到报警值时,报警器指示灯以每2秒红色闪烁,并持续发出洪亮的报警声。
如已排除险情,可以按消音/测试按键使报警器消音。
JTY-GD-JF821D独立式光电感烟火灾探测报警器安装使用说明书沈阳君丰消防电子设备有限公司一、总述JTY-GD-JF821D型独立式光电感烟火灾探测报警器(以下简称“报警器”)是一款家用型光电感烟火灾报警器,能够探测火灾时产生的烟雾并及时发出报警信号,报警器采用CPU控制,能够智能判断火灾时产生的烟雾并报警。
报警器采用了光电式感烟器件及优良的生产工艺,工作稳定,外形美观,无需调试,可广泛用于住宅、休闲厅、咖啡厅、歌舞厅等场所进行火灾安全报警监测。
报警器内置高音量蜂鸣器,报警后发出高分贝的声响。
独特的三色指示灯指示报警器的各种状态。
报警器采用3V锂电池供电,耗电低微,持续工作时间可长达十年。
具有自检功能及电源欠压提示功能。
二、主要特点及技术指标1. 电源:DC3V 锂电池(CR123A)2. 监视电流:﹤7μA,火警电流:﹤100mA3. 指示灯:三色灯(绿色为正常,红色火警,黄色为故障)4. 报警音量:﹥ 80dB(正前方3m处)5. 使用环境:温度:-10℃~+50℃6. 相对湿度:≤95%(40℃、无凝结)7. 外形尺寸:直径106mm,高46mm8. 壳体材料、颜色:ABS 白色9. 重量:约126g10.安装孔距:52-70mm11.执行标准:GB 20517-200612.保护面积:≥40m2具体参数参考《火灾自动报警系统设计规范》(GB 50116-2013)三、适用场合1. 适用场所住宅、休闲厅、咖啡厅、歌舞厅、宾馆、饭店、公寓、饮食店、旅馆等。
2. 不宜安装的场所a.尘埃、粉沫和水蒸气大量滞留的场所;b.有可能发生腐蚀气体的场所;c.厨房及其正常情况下有烟停留的场所;d.温度、湿度过大的场所;e.通风速度大于15米/秒的场所。
四、结构特征与工作原理1.产品图片2.报警器结构拆分图(如图1)图1 图2 说明:图1中,上盖、按键、PCB、下盖、底座组装成一个整体(如图2,下称“报警器”)。
JTY-GD-EI6014型独立式光电感烟火灾探测报警器安装使用说明书一、概述:JTY-GD-EI6014型独立式光电感烟火灾探测报警器(以下简称报警器)为内部电池供电的单点报警器,能够快速探测火灾阴燃阶段时产生的烟雾,及时发出火灾报警信号。
报警器采用红外光电发射接收器件、立式两发一收光学迷宫,具有自诊断及漂移补偿功能,产品工作稳定,造型新颖,外形美观,安装简单,无需调试,可广泛用于住宅及养老院、福利院、幼儿园、寄宿制学校等场所实现火灾预防监测。
报警器采用DC 9V叠层电池供电,内置蜂鸣器,报警后发现强烈的声响。
二、工作原理:当烟雾进入报警器,使红外光源产生散射,光敏元件接收到散射光,当接收光强度达到预定阈值时,报警器发出火警信号,火灾确认灯闪烁,并启动蜂鸣器报警。
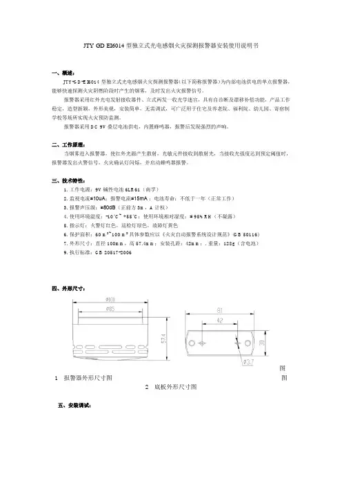
三、技术特性:1. 工作电源:9V碱性电池 6LR61(南孚)2. 监视电流≤10uA;报警电流≤15mA;电池寿命:不低于一年(正常工作)3. 报警声压级:≥80dB(正前方3m,A计权)4. 使用环境温度:-10°C~ +55°C;使用环境相对湿度:≤ 95%RH(不凝露)5. 指示灯:火警灯红色,巡检灯绿色,故障灯黄色6. 保护面积:60 m2~100 m2具体参数应以《火灾自动报警系统设计规范》(GB 50116)7. 外形尺寸:直径100mm,高57.4mm;安装孔距:42mm;. 重量:128g(含电池)9. 执行标准:GB 20517-2006四、外形尺寸:图1 报警器外形尺寸图图2 底板外形尺寸图五、安装调试:1. 安装图示:图3 报警器安装示意图2. 安装方法:·在天花板上相距42mm打两个安装孔,用膨胀塞和自攻螺丝钉(配件)固定报警器的底板。
·打开报警器上盖,将9V层叠电池安装在报警器中。
电池安装步骤同更换步骤一样:将电池从电池夹内轻轻推出。
将电池扣一极轻轻从电池上拔下,然后拔下另一极。
1页版本号: 03JTY-GD-01K 型点型光电感烟火灾探测器使用说明书安装与调试的具体方法如下:1. 按施工图纸,使用 2 枚 M4 螺钉,通过图 2 中所示的 A 、B 固定孔,将配套底座固定在指定的安装、使用前,请仔细阅读本说明书位置上,且应确认底座已安装牢靠;一、概述2. 切断控制器电源,按施工图纸,先将所有底座正确连接,再接入控制器相应的输入端口;JTY-GD-01K 型点型光电感烟火灾探测器(以下简称探测器)是两线制开关量型感烟探测器。
探测器 3. 确认探测器类型与施工图纸上所注类型相匹配;采用无极性两线制连接,可应用在相兼容的传统开关量报警控制系统和监控报警系统中,也可通过接口模 4. 将探测器下边沿凸起的位置对准底座凹槽位置,再将探测器插入底座,顺时针方向旋转探测器,块接入智能火灾自动报警控制系统中。
探测器实时监测现场烟雾浓度,处于监视状态时,红色指示灯闪烁, 直至探测器锁定到位; 工作电流小;当现场烟雾浓度超过设定的报警阈值时,探测器进入报警状态,红色指示灯常亮,回路电流 5. 待全部探测器安装完毕,且确认无误后,接通探测器电源,探测器指示灯将每 3~6 秒闪烁一次,迅速增大。
探测器的报警信号以电流变化的形式给出,且具有报警锁定功能,报警的复位只能通过短暂断 表明探测器已开始工作; 电来实现。
6. 最后使用专用工具或直接吹烟的方式对探测器进行报警测试。
探测器报警后指示灯将常亮,同探测器适用于火灾发生时有大量烟雾产生,而正常情况下无烟雾的场所,如:饭店、宾馆、教学楼、 时控制器给出相应的报警提示信息。
测试结束后恢复控制器,使探测器回到监视状态。
办公楼、计算机房、通讯机房、书库和档案库等工业与民用建筑。
但不适用于有大量粉尘、水雾滞留的场四、注意事项所;不适用于可能产生蒸汽和油雾的场所;不适用于正常情况下有烟滞留的场所。
1. 探测器单独测试时,应在测试回路中串接 3K 的限流电阻。
040610 JTW-ZCD-01智能差定温感温探测器使用说明书一、总述1、 JTW-ZCD-01智能差定温感温探测器是与各系列智能二总线型火灾报警控制器配套使用的产品,为二总线工作方式。
2、适用于火灾发生时产生大量的热或以非正常速率升温的场所。
3、符合 GB 4716-93 《点型感温火灾探测器技术要求及试验方法》要求,性能稳定可靠。
二、使用方法1、图中: L+/ L- :控制器输出报警回路信号正/负端2、地址编码:将探测器正确装入编码器的编码底座上,将编码器调整为编码功能,并且设置正确的地址,按下编码键,完成地址编码。
3、测试方法:用强磁铁的一极靠近探测器表面标有“SZ-SJ”字样处,控制器应能报出火警,并点亮探测器指示灯。
4、灵敏度:定温Ⅰ级 58℃;Ⅱ级 68 ℃;Ⅲ级 78℃。
差温>3 ℃/min5、工作环境:温度: -10℃~+55℃相对湿度:≤95%(40℃无凝露)6、保护面积:≤30m2 (层高<8m) 三、注意事项1、探测器地址设定且确认与控制器连接无误后接通电源,当在控制器中登录此探测器地址后,该探测器的红色指示灯将闪烁。
2、当探测器处于火警状态下时,红色指示灯常亮。
只有在系统复位或短暂掉电且又重新上电后,探测器上的红色指示灯才由常亮恢复闪烁状态。
3、在同一报警回路,属于同类地址空间的产品不允许具有相同的地址,否则系统可能无法正常工作。
4、探测器附带的防尘罩,在现场安装结束未开通使用前,请勿过早摘除,以免探测器受到污染。
5、探测器报警试验时切勿使用明火(如打火机等)烧烤,以免损坏探测器,建议使用专用设备进行报警试验。
6、安装应符合GB 50116-92《火灾自动报警系统施工及验收规范》中的规定。
四、维护和检测1、从产品出厂之日起一年内,按规定要求正常使用的探测器,如因材料或制造工艺的缺陷而失效,深圳市泛海三江电子有限公司将负责免费维修或更换。
如属人为损坏、使用不当或自行调整、改动、拆开而导致的探测器失效,不属于保修范围,而因此造成的一切后果,本公司将不负任何责任。
JTY-GD-EI6014型独立式光电感烟火灾探测报警器安装使用说明书一、概述:JTY-GD-EI6014型独立式光电感烟火灾探测报警器(以下简称报警器)为内部电池供电的单点报警器,能够快速探测火灾阴燃阶段时产生的烟雾,及时发出火灾报警信号。
报警器采用红外光电发射接收器件、立式两发一收光学迷宫,具有自诊断及漂移补偿功能,产品工作稳定,造型新颖,外形美观,安装简单,无需调试,可广泛用于住宅及养老院、福利院、幼儿园、寄宿制学校等场所实现火灾预防监测。
报警器采用DC 9V叠层电池供电,内置蜂鸣器,报警后发现强烈的声响。
二、工作原理:当烟雾进入报警器,使红外光源产生散射,光敏元件接收到散射光,当接收光强度达到预定阈值时,报警器发出火警信号,火灾确认灯闪烁,并启动蜂鸣器报警。
三、技术特性:1. 工作电源:9V碱性电池6LR61(南孚)2. 监视电流≤10uA;报警电流≤15mA;电池寿命:不低于一年(正常工作)3. 报警声压级:≥80dB(正前方3m,A计权)4. 使用环境温度:-10°C~ +55°C;使用环境相对湿度:≤95%RH (不凝露)5. 指示灯:火警灯红色,巡检灯绿色,故障灯黄色6. 保护面积:60 m2~100 m2具体参数应以《火灾自动报警系统设计规范》(GB 50116)7. 外形尺寸:直径100mm,高57.4mm;安装孔距:42mm;. 重量:128g(含电池)9. 执行标准:GB 20517-2006四、外形尺寸:图1 报警器外形尺寸图图2 底板外形尺寸图五、安装调试:1. 安装图示:图3 报警器安装示意图2. 安装方法:·在天花板上相距42mm打两个安装孔,用膨胀塞和自攻螺丝钉(配件)固定报警器的底板。
·打开报警器上盖,将9V层叠电池安装在报警器中。
电池安装步骤同更换步骤一样:将电池从电池夹内轻轻推出。
将电池扣一极轻轻从电池上拔下,然后拔下另一极。
安装、使用产品前,请阅读安装使用说明书JTY-GD-G3T点型光电感烟火灾探测器安装使用说明书(Ver.1.03,2018.05)一、概述JTY-GD-G3T点型光电感烟火灾探测器(以下简称探测器)是采用红外散射原理研制而成的点型光电感烟火灾探测器。
本探测器结构新颖、外形美观、性能稳定可靠、抗潮湿性强,适用于宾馆、饭店、办公楼、教学楼、银行、仓库、图书馆、计算机房、配电室及船舶等场所。
二、特点1.地址编码可由电子编码器事先写入,也可由控制器直接更改,工程调试简便可靠。
2.单片机实时采样处理数据、并能保存14个历史数据,曲线显示跟踪现场情况。
3.具有温度、湿度漂移补偿,灰尘积累程度及故障探测功能。
4.无极性二总线信号。
三、技术特性1.工作电压:信号总线电压:总线24V 允许范围:16V~28V2.工作电流:监视电流≤0.8mA报警电流≤1.8mA3.指示灯:报警确认灯,红色,巡检时闪烁,报警时常亮4.编码方式:电子编码(编码范围为1~242)5.保护面积:当空间高度为6米~12米时,一个探测器的保护面积,对一般保护场所而言为80平方米。
空间高度为6米以下时,保护面积为60平方米。
具体参数应以《火灾自动报警系统设计规范》(GB 50116)为准。
6.线制:信号二总线无极性7.使用环境:温度:-10℃~+55℃相对湿度≤95%,不凝露8.外形尺寸:直径103mm 高55mm(带底座)9.外壳防护等级:IP2310.壳体材料和颜色:ABS,象牙白11.重量:约120g12.安装孔距:45mm~75mm13.执行标准:GB 4715-2005四、结构特征与工作原理1.探测器外形示意图如图1所示。
2.工作原理探测器采用红外线散射原理探测火灾,在无烟状态下,只接收很弱的红外光,当有烟尘进入时,由于散射作用,使接收光信号增强,当烟尘达到一定浓度时,可输出报警信号。
为减少干扰及降低功耗,发射电路采用脉冲方式工作,可提高发射管使用寿命。
JTY-GF-GSTN801独立式光电感烟火灾探测报警器安装使用说明书(Ver.1.09,2020.12)目录一、概述 (1)二、技术特性 (2)三、安装 (2)四、作用与功能说明 (7)五、故障分析与排除 (9)六、维修和保养 (9)七、报警器的维修 (11)八、报废 (11)一、概述JTY-GF-GSTN801独立式光电感烟火灾探测报警器(以下简称报警器)能够探测火灾时产生的大量烟雾,及时发出报警信号。
报警器采用光电感烟器件及优良的生产工艺,工作稳定,外形美观,安装简单,无需调试,可广泛用于网吧、歌舞厅、咖啡厅、休闲厅、住宅等场所进行火灾安全监测。
报警器内置蜂鸣器,报警后发出强烈的声响,同时具有消音功能。
报警器采用1节CR123A锂电池(简称电池),耗电极微,持续工作时间可长达10年1。
探测器外形示意图如图1所示。
○1按键○4故障指示灯(黄色)○2发声孔○5烟雾探测单元○3火警/运行指示灯(红色)○6电池盖板图1 探测器外形示意图1电池使用时间按照GB20517-2006在实验室条件下进行测试并计算得出,实际使用时间受探测器运行环境及用户使用习惯等因素影响,如长期工作在高温环境或是过于频繁自检测试都会减少应用时间。
二、技术特性1.电源:1节CR123A锂电池2.指示灯:红色:正常时约45S闪亮一次,报警时与报警音同步闪亮黄色:电池低电故障时约45S闪亮一次;光腔脏和传感器故障时常亮3.报警声响>80dB(3m)4.保护面积:60m2 ~100m2具体参数应以《火灾自动报警系统设计规范》(GB 50116)为准5.使用环境:温度:-10℃ ~ +50℃相对湿度≤95%,不凝露6.外形尺寸:长117mm、宽115mm、高42mm(不带底座,带底座高度45mm)7.壳体材料和颜色:ABS 象牙白8.重量:约120g(不带底座)9.安装孔距:45mm~75mm10.执行标准:GB 20517-2006三、安装1. 布局说明在相互独立的每个房间至少安装一只报警器。
三江质量保证卡尊敬的三江用户:在感谢您使用三江产品的同时,祝贺您成为三江高品质产品的用户。
为了确保您能够充分享有三江提供的完善售后服务支持,请您在购买后认真阅读本产品保修卡说明。
三江提供的售后服务承诺:三江家用光电感烟火灾探测器产品自购买之日起,提供壹年有限质保。
其中因不可抗拒的自然灾害或人为损坏不在质保范围之内。
JTY-GD-J01型家用感烟火灾探测器使用说明书一、综述三江公司的JTY-GD-J01型家用感烟火灾探测器采用先进技术制造,为开放区域提供保护。
探测器能准确检测烟雾,当烟雾浓度超过设定的报警门限时,探测器报警并向采集器输出报警信号。
并且报警信号不锁存,当烟雾浓度低于设定的报警门限时,探测器恢复到监控状态。
二、功能特点✧工艺精良,外形美观,安装方便;✧智能芯片控制,具有出色的电场/射线抗干扰能力,稳定可靠;✧可与防盗报警,楼宇对讲,三表抄送等小区智能控制系统配套使用。
三、技术参数✧供电电压:直流12~15V✧静态平均监控电流:<30μA✧报警电流:<15mA✧输出形式:继电器干接点输出,监控时输出短路,报警时输出开路(用户也可以对输出形式订制)✧烟雾灵敏度:符合GB4715-93✧工作环境温度: -10~+50℃✧工作环境相对湿度:<95%(40℃、无凝结)✧监视面积:60平米(高6米)✧外形尺寸:104mm×50mm (外径×高度)✧外壳材料:ABS四、安装和联线说明JTY-GD-J01型家用感烟火灾探测器配有专用的安装底座,将底座安装在合适的位置后,在将探测器固定在底座上即可。
安装底座上标识为“1”接触片接电源负极,标识为“2”的接触片接电源正极,标识为“3”、“4”的接触片为输出干接点。
五、测试探测器安装完成后接通电源探测器进入监控状态,此时其指示灯(安装在顶部的发光二极管)大约每分钟闪烁一次。
在监控状态下按下测试按钮并保持3秒钟,指示灯应快速闪烁,并有报警信号输出,说明探测器工作正常。
JTY-GD-G3点型光电感烟火灾探测器安装使用说明书一、概括JTY-GD-G3点型光电感烟火灾探测器 (以下简称探测器 )是采纳红外散射原理研制而成的点型光电感烟火灾探测器。
本探测器构造新奇、外形雅观、性能稳固靠谱、抗湿润性强,合用于旅馆、饭店、办公楼、教课楼、银行、库房、图书室、计算机房、配电室及船舶等场所。
二、特色1.地点编码可由电子编码器预先写入,也可由控制器直接改正,工程调试简易靠谱。
2.单片机及时采样办理数据、并能保留14 个历史数据,曲线显示追踪现场状况。
3.拥有温度、湿度漂移赔偿,尘埃累积程度及故障探测功能。
4.无极性二总线信号。
三、技术特征1.工作电压:信号总线电压:总线24V同意范围:16V~28V2.工作电流:监督电流≤报警电流≤3.指示灯:报警确认灯,红色,巡检时闪耀,报警常常亮4.编码方式:电子编码(编码范围为1~ 242)5. 保护面积:当空间高度为 6 m~ 12 m 时,一个探测器的保护面积,对一般保护场所而言为80 m 2。
空间高度为 6 m 以下时,保护面积为 60 m2。
详细参数应以《火灾自动报警系统设计规范》( GB 50116)为准。
6.线制:信号二总线无极性7.使用环境:温度: -10℃~ +55℃相对湿度≤ 95%,不凝露8. 外形尺寸:直径100mm高56mm(带底座)9.外壳防备等级: IP2310.壳体资料和颜色: ABS,象牙白11.重量:约 120g12.安装孔距: 45mm ~75mm13.履行标准: GB 4715-2005四、构造特色与工作原理1.探测器外形表示图如图 1 所示。
2.工作原理探测器采纳红外线散射原理探测火灾,在无烟状态下,只接收很弱的红外光,当有烟尘进入时,因为散射作用,使接收光信号加强,当烟尘达到必定浓度时,可输出报警信号。
为减少扰乱及降低功耗,发射电路采纳脉冲方式工作,可提升发射管使用寿命。
42tinaP t o N oD6 00 0 0 0 H图 1 探测器外形表示图五、 安装与布线警示:安装探测器从前,请切断回路的电源并确认所有底座已安装牢靠。
点型光电感烟火灾探测器说明书
日期
北京利达防火保安设备有限公司文件名称:安装使用说明书
文件编号:LD—FJ—58—005 版号:A 页码:2
五、结构与安装尺寸
底座
探测器
36
Φ54
六、接线示意图
二总线二总线
可接编码型接LD128E系列
探测器火灾报警控制器
]
探测器及底座接线图
七、布线要求
探测器回路二总线宜选用截面积≥1、0mm2 的双色双绞铜芯线,穿金属管或阻燃管敷设,也可采用控制电缆,如:KVV-2×0、75;连接导线的长度应以总导线电阻<70Ω为限,否则应增大导线的线径。
八、使用限制
★最大保护面积:50m2
★最大安装高度:8m
九、齐套性
探测器1个
底座1个
合格证1个
铭牌1个
防尘罩1个
更改标记更改单号更改人日期
产品名称点型光电感烟火灾探测器
产品型号JTY-GD-LD3000E。
火灾报警控制器(连动型)使用手册目录一.系统概述二.系统接线图三.设备简介四.面板功能五.开机六.用户的登录操作七.系统的特殊功能按键八.中文输入法说明九.菜单功能一览表十.系统配置(1)时间设置(2)区域设置、楼栋设置、楼层设置(3)联网设置(4)密码设置(5)复示盘设置(6)电源设置(7)打印机设置(8)系统更名(9)LCD定时关闭(10)接口板设置(11)探测器/模块设置(12)设备类型添加(13)系统联动设置(14)区中联动设置(15)栋中联动设置(16)层中联动设置(17)房中联动设置(18)复合联动设置(19)手控盘设置十一.操作(1)消音(2)恢复(3)机检(4)一般联动禁/允(5)远音联动禁/允(6)总线手控禁/允(7)单点测试(8)单点测试启/停(9)自动登录(10)隔离当前报警(11)查询当前隔离(12)取消全部隔离十二.历史查询(1)历史火警(2)历史故障(3)历史请求/反馈(4)历史操作(5)历史删除十三.报警功能十四.总线联动功能简介十五.多线联动功能简介十六.特殊操作简介(1)CF数据备份(2)CF数据载入(3)总线质量检查(4)文件复位(5)统计(6)LCD刷新率调整十七.版本查询及系统运行信息附录:设备类型表一.系统概述JB-QGL-2100A豪华型是我公司自主研制开发的新型总线制火灾报警控制器。
它具备以下特性:采用新一代高速微处理器,与传统技术相比,数据处理速度提高100倍,数据存储容量提高1000倍采用10.4”(640X480点阵)16灰度级中文液晶(LCD)-立柜或琴台式7.4”(640X480点阵)16灰度级中文液晶(LCD)-壁挂式操作界面采用仿Windows菜单及窗口界面使用标准PS/2计算机键盘、鼠标做为现场编程设备,操控灵活方便提供拼音中文输入法和区位码中文输入法,实现自由中文输入使用智能存储卡(选配),可复制或恢复系统的设置文件和历史文件,方便设备维护采用两总线智能报警联动模式,每个回路可连接:①198个智能探测器或②99个智能探测器+99个智能模块配备多个高速CAN总线接口,数据传输高速可靠配备USB接口,可与PC机进行直接的数据交互超大系统容量,最大单机容量:①15,840报警点②7,920报警点+7,920控制点支持20台JB-QGL-2100A豪华型无主多机互联,组网后最大系统容量:③316,800报警点④158,400报警点+158,400控制点可扩展多线联动控制单元,最大容量4000点超大当前报警容量:火警、请求、反馈、故障各500条具备运行历史记录功能,历史火警、历史请求、历史反馈、历史故障、历史操作各1000用户可自定义设备类型,方便系统集成引入虚拟接口板的概念,实现通用语义的联动运算具备模块的手动单点启动/停止功能具备探测器/模块的单点测试功能可连接中文打印机即时打印系统状态可接入区域显示盘、楼栋显示盘或楼层显示盘可连接CRT中文图文终端直观显示发生火警、故障的部位可实行用户的分级管理,给不同级别的用户提供不同级别的系统操作权限系统可在现场进行软件升级执行GB4717-93国家标准执行GB16806-97《消防联动控制设备通用技术条件》国家标准二.系统接线图三.设备简介为了让您熟悉本系统的运作,下面简要的介绍一下本系统的构成。
040610 JTY-GD-01K普通光电感烟探测器使用说明书一、总述1、 JTY-GD-01K普通光电感烟探测器适用于火灾发生时有烟雾产生,而正常情况下无烟雾的场所。
2、对燃烧时产生的白色烟雾较敏感。
3、可应用在所有DC24V电压工作的传统开关量报警控制系统和监控报警系统中。
4、通过接口模块可接入编码/模拟量火灾报警控制系统中。
5、通过智能接口模块可接入分布智能火灾自动报警控制系统中。
6、符合GB 4715-93《点型感烟火灾探测器技术要求及试验方法》要求,性能稳定可靠。
二、使用方法1、底座接线示意图:(图中采用级连方式接线,当探测器故障或被取下时,控制器能够检测出该区故障)2、接线方式:无极性两线制(3)端和(1)端。
3、终端负载:a:接入JB-QB-W10X火灾自动报警系统中时终端负载为10KΩ/0.25W电阻。
b:通过智能接口模块JK-02B接入智能二总线火灾自动报警系统中时终端负载为47KΩ/0.25W电阻。
c:接入日探(NK及NITTAN)多线制报警系统(5区机至40区机)时,应选用日探提供的终端负载或向我公司进行咨询。
d:接入其它报警或监控系统时,根据接入系统的要求选择终端负载的有无和大小。
4、测试方法及接线图(见右图)三、技术参数1、工作电压: DC24V 工作电流:<50µA2、上电时间:≤30S 上电电流:<150µA3、工作环境:温度:-10℃~+55℃相对湿度:≤95%(40℃无凝露)4、保护面积:≤60m2 (层高<6m)四、注意事项1、不适用于燃烧时完全产生黑烟的场所,及燃烧时无烟或极少产生烟的场所。
2、不可将DC24V电压直接接入探测器,否则将导致探测器损坏。
3、确认探测器与控制器连接无误后接通电源,该探测器的红色指示灯在30秒钟内进行闪烁。
4、探测器处于火警状态下时,红色指示灯常亮。
只有在系统复位或短暂掉电且又重新上电后,探测器上红色指示灯才由常亮恢复闪烁状态。
安装、使用产品前,请阅读安装使用说明书JTY-GD-G5T点型光电感烟火灾探测器安装使用说明书(Ver.1.01,2021.07)一、注意事项1.产品仅应被安装在产品安装使用说明书所明示规定的使用环境,不适用于有爆炸性气体或有腐蚀性气体的场所(包括使用磷化铝杀虫剂的烟草仓库)。
产品不可被安装在对设备有特殊认证要求的环境或场所(包括但不限于爆炸性环境、船舶、飞机、火车、机动车等交通工具)。
如有特殊需求,请联系本公司相应销售人员。
2.防尘罩必须在工程正式投入使用后方可摘下,请妥善保管防尘罩以备后用。
3.防尘罩可以有效地限制灰尘进入探测器,然而却不可能彻底杜绝空气中的浮尘微粒进入探测器内。
因此,建议在进行土建施工、装修或其它会产生灰尘的活动开始以前卸下探测器,但必须通知有关管理部门。
4.在进行维护保养时,应小心以避免损坏探测器。
5.在探测器周围0.5m内,不应有遮挡物。
6.探测器至空调送风孔边的水平距离不应小于1.5m。
7.探测器至墙壁、梁边的水平距离不应小于0.5m。
8.探测器宜水平安装,如必须倾斜安装时,倾斜角不应大于45°。
9.探测器底座应安装牢固,其导线连接必须可靠。
二、概述JTY-GD-G5T点型光电感烟火灾探测器(以下简称探测器)是采用红外散射原理研制而成的点型光电感烟火灾探测器。
本探测器结构新颖、外形美观、性能稳定可靠、抗潮湿性强,适用于宾馆、饭店、办公楼、教学楼、银行、仓库、图书馆、计算机房及配电室等场所。
三、特点1.地址编码可由电子编码器事先写入,也可由控制器直接更改,工程调试简便可靠。
2.单片机实时采样处理数据、并能保存14个历史数据,曲线显示跟踪现场情况。
3.具有温度、湿度漂移补偿,灰尘积累程度及故障探测功能。
4.无极性二总线信号。
5.采用集成芯片,抗电磁干扰能力强。
6.应用轨到轨运放,抗灰尘累积能力强。
四、技术特性1.工作电压:总线24V 允许范围:16V~28V2.工作电流:监视电流≤0.3mA报警电流≤1.0mA3.指示灯:报警确认灯,红色,巡检时闪烁,报警时常亮4.编码方式:电子编码(编码范围为1~242)5.保护面积:当空间高度为6米~12米时,一个探测器的保护面积,对一般保护场所而言为80平方米。
光电式感烟探测器使用说明书产品概述本产品为光电式感烟探测器,是根据感应烟雾颗粒的原理来工作。
采用独特的结构设计以及光电信号处理技术,具有防尘、防虫、抗外界光线干扰等特点,从设计上保证了产品的稳定性。
本产品对缓慢阴燃或明燃产生的可见烟雾,有较好的反应。
适用于住宅、商场、博物馆以及仓库等室内环境的烟雾监测。
1、LED指示灯3、迷宫2、防尘罩4、安装底座功能特点本产品为非编码型烟雾探测器,具有一对开关量输出触点,可根据实际需要选择常开或常闭输出。
正常工作时,指示灯每隔8秒闪烁一次;报警时,指示灯常亮,同时报警输出触点动作。
●断电复位/自动复位可选●电源正负性输入(交流、直流)●报警输出NC/NO可选●联网输出/LED指示报警●SMT工艺制造,稳定性强●防尘、防虫、抗白光干扰设计●金属屏蔽,抗射频干扰(20V/m—1GHz)技术参数工作电压:DC9V~35V待机电流:12mA(继电器常闭)500uA(继电器常开)报警电流:10mA(继电器常闭)18mA(继电器常开)报警指示:红色LED常亮传感器:红外光电传感器工作温度:—10℃~+50℃环境温度:最大95%RH(无凝结现象)抗RF干扰:10MHz—1GHz 20V/m报警输出:常开/常闭可选,接点容量DC28V100Ma 复位方式:自动复位/断电复位可选覆盖区域:当空间高度为6m—12m,一个探测器的保护面积对一般保护现场而言为80平方米;空间高度为6m以下时,保护面积为60平方米。
具体参数应以火灾自动报警系统设计规范GB50116-98为准。
执行标准:GB4716—2005,EN54—7灵敏度:0.5db/m(±0.1dB/m)外形尺寸:104mm(直径)* 51mm(高度)产品安装1、选择合适的安装位置,一般安装于探测器覆盖区域中央的天花板上。
2、将电源线、信号线与安装底座相连(安装底板“1”和“2”为直流电源正负性输入;“3、4”为报警输出触点)。
JTY-GD-01智能光电感烟探测器使用说明书
一、总述
1、 JTY-GD-01智能光电感烟探测器是与各系列
智能二总线型火灾报警控制器配套使用的产品,为二总线工作方式。
2、 适用于火灾发生时有烟雾产生,正常情况下
无烟雾的场所。
3、 对燃烧时产生的白色烟雾较敏感。
4、 符合GB 4715-93《点型感烟火灾探测器技术
要求及试验方法》要求,性能稳定可靠。
二、使用方法
1、 底座接线端子示意图:
图中: L+/ L- :控制器输出报警回路信号正/负端
2、 地址编码:将探测器正确装入编码器的编码底座上,将编码器调整为编码
功能,并且设置正确的地址,按下编码键,完成地址编码。
3、 工作环境: 温度: -10℃~+55℃ 相对湿度: ≤95%(40℃ 无凝露)
4、 保护面积: ≤60m 2
(层高<6m )
三、注意事项
1、 本探测器不适用于燃烧时完全产生黑烟的场所,以及燃烧时无烟或极少产生
烟的场所。
2、 探测器地址设定且确认与控制器连接无误后接通电源,当在控制器中登陆此
探测器地址后,该探测器的红色指示灯将闪烁。
3、 探测器处于火警状态下时, 红色指示灯常亮。
只有在系统复位或短暂掉电
且又重新上电后,探测器上红色指示灯才由常亮恢复闪烁状态。
4、 同一报警回路,属于同类地址空间的产品不允许具有相同的地址,否则系统
可能无法正常工作。
5、 随探测器附带的防尘罩,在现场安装结束未开通使用前,请勿过早摘除,以
免探测器受到污染。
6、 探测器离空调出风口的安装距离至少1.5米。
7、 安装应符合GB 50116-92《火灾自动报警系统施工及验收规范》中的规定。
四、维护和检测
1、 从产品出厂之日起一年内,按规定要求正常使用的探测器,如因材料或制
造工艺的缺陷而失效,深圳市泛海三江电子有限公司将负责免费维修或更换。
如属人为损坏、使用不当或自行调整、改动、拆开而导致的探测器失效,
不属于保修范围,因此而造成的一切后果,本公司将不负任何责任。
2、 对非保修范围内的本公司产品,也应返回公司进行维修。
返修时请先与本公
司取得联系,并随返修产品附一说明描述产品失效的情形和可能的原因,以便能及时为您服务。
3、 工作环境的好坏对探测器的正常使用性能有很大的影响,对在容易产生灰尘
污染、高风速等影响正常使用的环境场合下安装使用的探测器,需要进行频繁的维护保养
4、 按国家标准GB 50116-92要求,应每半年至少测试一次探测器。
5、 安装使用的探测器,建议每二年进行一次清洗。
3
3
2
2
2 1 1 1 4
4
4
L+
+ + + - - -
-
-
L – 3。