光电式感烟探测器使用说明书
- 格式:docx
- 大小:36.89 KB
- 文档页数:2
485型光电感烟火灾探测报警器1.简介1.1 概述光电感烟火灾探测报警器(以下称报警器)能够探测火灾时产生的烟雾。
报警器采用光电感烟器件及优良的工艺,工作稳定,外形美观,安装简单,无需调试,可广泛应用于商场、宾馆、商店、仓库、机房、住宅等场所进行火灾安全检测。
报警器内置蜂鸣器,报警后可发出强烈声响。
报警器采用标准的485信号输出,Modbus 协议,支持二次开发。
1.2 主要技术指标供电电源:10~30V DC 静态功耗:0.12W报警功耗:0.7W 报警声响:≥80dB信号输出:RS485 通信协议:Modbus-RTU烟雾灵敏度:1.06±.26%FT 符合标准:GB4715-2005工作环境:-10℃~50℃,≤95%,无凝露1.3 系统框架图[ T:156-28-95-61-86]系统方案框图2. 特征■ 吸顶安装 ■ 防拆盒盖 ■ 采用微处理器1号设备 2号设备 3号设备 n 号设备485总线 USB 转485或232转485 10~30V DC UPS 电源(选配) AC220V 市电 监控电脑■自动温度补偿■全方位360°探测■LED ON&OFF可选择■可调节报警延时■采用贴片技术,抗EMI、RFI干扰3. 外形尺寸4. 安装与布线说明接线说明电源输入10~30V均可。
485信号线接线时注意A\B两条线不能接反,总线上多台设备间地址不能冲突。
线色说明备注棕色电源正10~30V DC黑色电源负黄色485-A蓝色485-B安装说明适宜的安装位置安装于房顶时,应该放在房顶中间位置,若安装于倾斜或人形屋顶,报警器应与屋顶保持一定距离每当坡度小于30°时,距离为0.2m为宜,大于30°时,距离0.3m~0.5m为宜。
应避免安装的位置及环境■正常情况下有烟滞留的场所■有较大粉尘、水雾、蒸汽、油雾污染、腐蚀气体的场所■相对湿度大于95%的场所■通风速度大于5m/s的场所■接近荧光灯具的地方安装方法在天花板上相距60mm的位置上打两个直径5mm的安装孔, 用涨塞和螺钉固定探测器底座在天花板上。
光电感烟火灾探测报警器(485型)PR-3000-YG-N01Ver2.0目录第1章产品简介 (3)1.1产品概述 (3)1.2功能特点 (3)1.3主要参数 (3)1.4系统框架图 (4)第2章硬件连接 (5)2.1设备安装前检查 (5)2.2接口说明 (5)2.2.1传感器接线 (5)2.3安装说明 (5)2.3.1适宜的安装位置 (5)2.3.2应避免安装的位置及环境 (6)2.3.3安装方法 (6)第3章配置软件安装及使用 (6)3.1传感器接入电脑 (6)3.2传感器监控软件的使用 (7)第4章通信协议 (7)4.1通讯基本参数 (7)4.2数据帧格式定义 (8)4.3寄存器地址 (8)4.4通讯协议示例以及解释 (8)第5章常见问题及解决方法 (9)第1章产品简介1.1产品概述PR-3000-YG-N01是一款光电式的火灾烟雾探测报警器,本型号产品通过性能优良的光电探测器来检测火灾产生的烟雾进而产生火灾报警。
相较于其他火灾烟雾检测的方式,光电式检测具有稳定度高,鉴定灵敏等特点。
报警器内置指示灯与蜂鸣器,预警后可以发出强烈声响。
同时报警器采用标准的485信号输出,支持标准的Modbus-RTU协议。
1.2功能特点采用光电式探测,工作稳定,外形美观,安装简单,无需调试,可广泛应用于商场、宾馆、商店、仓库、机房、住宅等场所进行火灾安全检测。
探测盒周围有金属防虫网提高候命。
火灾烟雾检测结果精准,误报率几乎为零。
1.3主要参数供电电源:10~30V DC静态功耗:0.12W报警功耗:0.7W报警声响:≥80dB信号输出:RS485通信协议:Modbus-RTU烟雾灵敏度:1.06±0.26%FT符合标准:GB4715-2005工作环境:-10℃~50℃,≤95%,无凝露壳体尺寸:1.4系统框架图本产品也可以多个传感器组合在一条485总线使用,理论上一条总线可以254个485传感器,另一端接入带有485接口的PLC、通过485接口芯片连接单片机,或者使用USB转485即可与电脑连接,使用我公司提供的传感器配置工具进行配置和测试(在使用该配置软件时只能接一台设备)。
1页版本号: 03JTY-GD-01K 型点型光电感烟火灾探测器使用说明书安装与调试的具体方法如下:1. 按施工图纸,使用 2 枚 M4 螺钉,通过图 2 中所示的 A 、B 固定孔,将配套底座固定在指定的安装、使用前,请仔细阅读本说明书位置上,且应确认底座已安装牢靠;一、概述2. 切断控制器电源,按施工图纸,先将所有底座正确连接,再接入控制器相应的输入端口;JTY-GD-01K 型点型光电感烟火灾探测器(以下简称探测器)是两线制开关量型感烟探测器。
探测器 3. 确认探测器类型与施工图纸上所注类型相匹配;采用无极性两线制连接,可应用在相兼容的传统开关量报警控制系统和监控报警系统中,也可通过接口模 4. 将探测器下边沿凸起的位置对准底座凹槽位置,再将探测器插入底座,顺时针方向旋转探测器,块接入智能火灾自动报警控制系统中。
探测器实时监测现场烟雾浓度,处于监视状态时,红色指示灯闪烁, 直至探测器锁定到位; 工作电流小;当现场烟雾浓度超过设定的报警阈值时,探测器进入报警状态,红色指示灯常亮,回路电流 5. 待全部探测器安装完毕,且确认无误后,接通探测器电源,探测器指示灯将每 3~6 秒闪烁一次,迅速增大。
探测器的报警信号以电流变化的形式给出,且具有报警锁定功能,报警的复位只能通过短暂断 表明探测器已开始工作; 电来实现。
6. 最后使用专用工具或直接吹烟的方式对探测器进行报警测试。
探测器报警后指示灯将常亮,同探测器适用于火灾发生时有大量烟雾产生,而正常情况下无烟雾的场所,如:饭店、宾馆、教学楼、 时控制器给出相应的报警提示信息。
测试结束后恢复控制器,使探测器回到监视状态。
办公楼、计算机房、通讯机房、书库和档案库等工业与民用建筑。
但不适用于有大量粉尘、水雾滞留的场四、注意事项所;不适用于可能产生蒸汽和油雾的场所;不适用于正常情况下有烟滞留的场所。
1. 探测器单独测试时,应在测试回路中串接 3K 的限流电阻。
一、概述JTY-GF-TX3190独立式光电感烟火灾探测报警器(以下简称报警器)能够探测火灾时产生的大量烟雾,及时发出报警信号。
报警器采用性能卓越的单片机(MCU),通过单片机内部固化的运算程序来完成对外界环境参数变化的补偿和火警判断。
报警器工作稳定,外形美观,安装简单,无需调试,广泛用于家庭、宾馆、公寓等场所进行火灾安全监控。
报警器内置蜂鸣器,报警后发出强烈的声响,同时具有消音功能。
二、特点1.报警器具有自动补偿功能,对于一定程度上因为外部环境(温度、灰尘等)因素的变化而引起的性能漂移,可自动进行补偿,提高了报警器的可靠性。
2.报警器具有自检功能,自检时发出声、光报警信号。
3.报警器具有故障状态、报警状态、电池欠压状态的提示功能。
4.超低功耗设计,使用寿命长。
三、技术参数1.工作电压:DC3V(1节锂电池)2.工作电流:监视状态电流:<8uA报警状态电流:<50mA3.报警声响:>80dB(正前方3m处,A计权)4.保护面积:80㎡,具体参数以《火灾自动报警系统设计规范》(GB50116-2013)为准5.指示灯:5.1正常监视状态:红灯约48S闪烁一次,蜂鸣器不发声5.2报警状态:红灯快速闪亮;蜂鸣器发出报警声5.3故障状态:红灯约48S闪烁一次,蜂鸣器短暂发声6.使用环境:温度-10℃~+55℃,相对湿度≤95%RH,不凝露7.壳体材料和颜色:ABS珍珠白色8.重量:约106g(包括电池)9.外形尺寸:100.3mm×49.1mm(包括底座)10.安装孔距:72mm11.执行标准:GB20517-2006独立式感烟火灾探测报警器四、结构特征与工作原理1.报警器的外形尺寸如图1所示(单位:mm):图1报警器外形示意图2.报警器底座尺寸示意图,如图2所示(单位:mm)3M胶(1块)螺钉(2只)塑胶胀塞(2只)图2报警器底座及固定配件3.工作原理该报警器采用红外散射原理来探测火灾。
在无烟环境下,红外接收管几乎接收不到信号,当火灾发生时,会有烟雾进入迷宫,由于烟雾对光线的散射作用,使红外接收管接收到一个较弱的信号,再将信号进行放大,触发电路对放大后的信号进行阈值判别,若达到报警门限,就会通过蜂鸣器输出报警声,同时报警器指示灯随报警声快速闪亮,使人们及早得知火情。
一、概述JTY-GF-NT8111点型光电感烟火灾探测器为非编码探测器,通过NT8257中继模块与火灾报警控制器相连,完成探测器信号处理。
本产品适用于宾馆、医院、办公楼、计算机房、饭店、图书馆、银行及商场等场所;不适用于产生水蒸汽和油雾、有大量粉尘、正常情况下有烟滞留的场所。
二、特点本探测器采用进口光电对管及红外光散射原理设计而成,内置进口单片机,具有火警判断、自测试等功能,同时对环境变化具有自动补偿功能;超薄设计,贴片工艺,抗干扰能力强,性能稳定可靠。
三、技术参数1.工作电压:DC18~28V2.环境温度:-10℃~55℃3.静态电流:≤240µA4.报警电流:≤30mA (注:报警时电流的大小取决于控制器的限流情况。
不允许直接用DC24V供电,否则探测器会因无限流电阻而烧坏。
)5.相对湿度:≤95%,不结露6.保护范围:以GB 50116-98为准7.风速:≤5m/s.8.线制:电源线采用有极性二线制连接9.报警确认灯:红色,正常工作时红灯闪亮,火警时红灯常亮10.壳体材料及颜色:ABS,彩桥色11.外形尺寸:φ102*46.5mm12.重量:93g13.执行标准:GB 4715-2005四、结构特征及工作原理1.探测器的结构示意图,见图1所示:H000168图1 探测器结构示意图探测器采用红外光散射原理探测火灾电路,主要由红外线发射部分和接收部分组成。
于光学暗室中,光学暗室可屏蔽外界杂散光干扰但不影响烟尘进入,在无烟状态下只接收很弱的红外光,当2.当系统所有NT8257中继模块和其探测器全部注册后,使系统处于正常监视状态。
在正常监视状态下,模块不应报故障或火警。
3.系统安装调试完毕后,应进行模拟火警试验。
模拟感烟报警实验:探测器应发出火警信号,并且点亮报警确认灯;待探测器附近烟雾浓度降下来后,复位火灾报警控制器,使系统恢复到正常监视状态。
注:为确保每只探测器都能正常工作,并且摘除后不影响本回路其他探测器报警,应检验底座接线的正确性,检验方法:将探测器电源接通,测量底座“2”、“4”应有DC24V电压,“2”为正。
JTY-GM-FW19010型点型光电感烟火灾探测器安装使用说明书一、特点1.自动补偿功能,对于因为外部环境(温度、湿度、灰尘、静电等)因素的变化而引起的性能漂移,可自动进行补偿,提高了感烟探测器的可靠性2.内置产品的ID码3.智能判断,清洗预报功能4.二总线制,无极性5.具有电子编码先进的编码技术,提高了编码的灵活性6.具有两种响应模式(通常称其为算法)模式1: 快速响应模式,在此模式下,当连续3次以上检测到烟的浓度超过报警门限值时,立即报警,此模式适用于系统调试安装阶段或者是测试阶段模式2: 智能响应模式,有利于准确判断火灾报警信号,减少误报警,(出厂默认)二、技术参数1.工作电压:15-28V脉冲电压2.工作电流:1)总线静态电流:≤0.5mA2)总线报警电流:≤2.8mA3.线制:二总线(无极性)4.编码方式:电子编码5.感烟探测器的状态指示:1)正常监视状态 :LED灯周期性地闪亮2)火警状态 :LED灯常亮3)故障状态 :LED灯常灭或无规律闪亮6.使用环境: 温度-10℃~50℃ 相对湿度≤95%RH,不凝露7.颜色:白色8.重量:120g9. 执行标准:GB 4715-2005三、外形结构(如图1)图1 JTY-GM-FW19010外形示意图四、安装与布线1. 感烟探测器安装接线方式示意图如图2所示图2 JTY-GM-FW19010安装示意图预埋盒可采用86H50型标准预埋盒;安装时将感烟探测器中扣对正底座顺时针旋转,即可将感烟探测器安装在底座上。
2. 布线要求:总线(BUS)采用RVS-2*1.0 mm2或1.5 mm2线;穿金属管(线槽)或阻燃PVC管敷设。
3. 警告:安装感烟探测器之前,请切断回路的电源并确认全部底座已安装牢靠。
五、使用和操作编码操作:利用本公司的手持编码器FW19062进行现场编码,编码时将编码器的两个夹子分别与总线两个端子连接,打开手持编码器电源,输入要写入的地址码(地址码范围必须是:1-242,同一回路的地址码唯一),按下“写码”键,如果编码成功,在发送完地址码后,编码器的数码管上将会显示所发的地址号,如果编码失败,编码器在发送完地址码后,数码管上会显示“FAL”以提示编码失败。
功能特点●手动测试●自动复位●采用专用微处理器控制●防尘、防虫、抗白光干扰●环境适应性强●采用工艺制造,稳定性好SMT 光电式烟雾探测器使用说明书产品概述式(以下简称探测器)是采用探测火灾,电路主要由红外发射部分和接收部分组成,发射管与接收管置于光学迷宫中,光学迷宫可屏蔽外界杂散光的干扰,但不影响烟雾进入。
在无烟状态下,接收管只接收到很弱的红外光,当有烟雾进入时,由于散射作用,接收到的光信号增强,当烟雾达到一定浓度时,探测器输出报警信号。
为减少干扰及降低功耗,发射电路采用脉冲方式工作,可提高发射管使用寿命。
、饭店、办公楼、教学楼、银行、图书馆、计算机房本产品为光电感烟探测器烟雾中的颗粒折射红外光的原理产品采用独特的结构设计及光电信号处理技术,具有防尘、防虫、抗外界光线干扰等功能,从设计上保证了产品的稳定性。
本产品对缓慢阴燃或明燃产生的可见烟雾,有较好的反应。
适用于住宅、商场、宾馆以及仓库等室内环境的烟雾监测。
报警电流:报警声压:≥85dB/m 独立型或无线型环境湿度:≤95%RH (无凝结现象)监测面积:20平方米无线信号315MHz 或433MHz(无线型)继电器常开/常闭(联网型)发射距离:空旷距离100m(无线型)报警指示:红色LED工作温度:-10℃~+50℃报警方式:声光报警(独立型)外型尺寸:107*35mm执行标准:GB4715-1993Φ≤20mA ()1产品的安装与测试1、(独立型或无线型)请将电池与电池扣连接,装入产品内的电池盒,保持电池供电,产品进入正常工作状态。
、(联网型)接通电源,红色接正极,黑色接负极,白色为公共端,橙色为常开,黄色为常闭。
、接通电源,探测器直接进入正常监测状态,指示灯每秒闪烁一次;报警状态时,指示灯每秒闪烁一次。
、选择合适的位置,一般安装于探测空间中央的天花板上,用安装螺丝将底座固定在选择好的安装位置上,将探测器卡入、旋转并检查是否牢固。
、产品安装完成后,按测试键测试产品是否正常工作,蜂鸣器是否鸣叫(独立型),是否发射无线信号(无线型),继电器输出是否正常(联网型)。
安装、使用产品前,请阅读安装使用说明书JTY-GD-G5T点型光电感烟火灾探测器安装使用说明书(Ver.1.01,2021.07)一、注意事项1.产品仅应被安装在产品安装使用说明书所明示规定的使用环境,不适用于有爆炸性气体或有腐蚀性气体的场所(包括使用磷化铝杀虫剂的烟草仓库)。
产品不可被安装在对设备有特殊认证要求的环境或场所(包括但不限于爆炸性环境、船舶、飞机、火车、机动车等交通工具)。
如有特殊需求,请联系本公司相应销售人员。
2.防尘罩必须在工程正式投入使用后方可摘下,请妥善保管防尘罩以备后用。
3.防尘罩可以有效地限制灰尘进入探测器,然而却不可能彻底杜绝空气中的浮尘微粒进入探测器内。
因此,建议在进行土建施工、装修或其它会产生灰尘的活动开始以前卸下探测器,但必须通知有关管理部门。
4.在进行维护保养时,应小心以避免损坏探测器。
5.在探测器周围0.5m内,不应有遮挡物。
6.探测器至空调送风孔边的水平距离不应小于1.5m。
7.探测器至墙壁、梁边的水平距离不应小于0.5m。
8.探测器宜水平安装,如必须倾斜安装时,倾斜角不应大于45°。
9.探测器底座应安装牢固,其导线连接必须可靠。
二、概述JTY-GD-G5T点型光电感烟火灾探测器(以下简称探测器)是采用红外散射原理研制而成的点型光电感烟火灾探测器。
本探测器结构新颖、外形美观、性能稳定可靠、抗潮湿性强,适用于宾馆、饭店、办公楼、教学楼、银行、仓库、图书馆、计算机房及配电室等场所。
三、特点1.地址编码可由电子编码器事先写入,也可由控制器直接更改,工程调试简便可靠。
2.单片机实时采样处理数据、并能保存14个历史数据,曲线显示跟踪现场情况。
3.具有温度、湿度漂移补偿,灰尘积累程度及故障探测功能。
4.无极性二总线信号。
5.采用集成芯片,抗电磁干扰能力强。
6.应用轨到轨运放,抗灰尘累积能力强。
四、技术特性1.工作电压:总线24V 允许范围:16V~28V2.工作电流:监视电流≤0.3mA报警电流≤1.0mA3.指示灯:报警确认灯,红色,巡检时闪烁,报警时常亮4.编码方式:电子编码(编码范围为1~242)5.保护面积:当空间高度为6米~12米时,一个探测器的保护面积,对一般保护场所而言为80平方米。
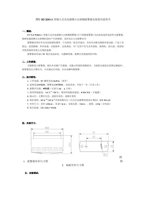
JTY-GD-EI6014型独立式光电感烟火灾探测报警器安装使用说明书一、概述:JTY-GD-EI6014型独立式光电感烟火灾探测报警器(以下简称报警器)为内部电池供电的单点报警器,能够快速探测火灾阴燃阶段时产生的烟雾,及时发出火灾报警信号。
报警器采用红外光电发射接收器件、立式两发一收光学迷宫,具有自诊断及漂移补偿功能,产品工作稳定,造型新颖,外形美观,安装简单,无需调试,可广泛用于住宅及养老院、福利院、幼儿园、寄宿制学校等场所实现火灾预防监测。
报警器采用DC 9V叠层电池供电,内置蜂鸣器,报警后发现强烈的声响。
二、工作原理:当烟雾进入报警器,使红外光源产生散射,光敏元件接收到散射光,当接收光强度达到预定阈值时,报警器发出火警信号,火灾确认灯闪烁,并启动蜂鸣器报警。
三、技术特性:1. 工作电源:9V碱性电池 6LR61(南孚)2. 监视电流≤10uA;报警电流≤15mA;电池寿命:不低于一年(正常工作)3. 报警声压级:≥80dB(正前方3m,A计权)4. 使用环境温度:-10°C~ +55°C;使用环境相对湿度:≤ 95%RH(不凝露)5. 指示灯:火警灯红色,巡检灯绿色,故障灯黄色6. 保护面积:60 m2~100 m2具体参数应以《火灾自动报警系统设计规范》(GB 50116)7. 外形尺寸:直径100mm,高57.4mm;安装孔距:42mm;. 重量:128g(含电池)9. 执行标准:GB 20517-2006四、外形尺寸:图1 报警器外形尺寸图图2 底板外形尺寸图五、安装调试:1. 安装图示:图3 报警器安装示意图2. 安装方法:·在天花板上相距42mm打两个安装孔,用膨胀塞和自攻螺丝钉(配件)固定报警器的底板。
·打开报警器上盖,将9V层叠电池安装在报警器中。
电池安装步骤同更换步骤一样:将电池从电池夹内轻轻推出。
将电池扣一极轻轻从电池上拔下,然后拔下另一极。
JTY-GF-JBF-W1100JTY-GF-JBF-W1100V独立式光电感烟火灾探测报警器使用说明书(使用产品前,请阅读使用说明书)1.概述JTY-GF-JBF-W1100独立式光电感烟火灾探测报警器JTY-GF-JBF-W1100V独立式光电感烟火灾探测报警器JTY-GF-JBF-W1100,JTY-GF-JBF-W1100V型无线感烟火灾探测报警器是本公司基于青鸟Chrip无线通讯技术开发的消防报警系统现场火灾探测设备。
该现场部件是青鸟边缘专网消防系统的传感部件,主要用于火灾前期的烟雾探测,实时上报报警信息。
本设备还可独立工作,探测报警后现场进行鸣声报警。
1.1产品特点●国家CCC强制认证产品。
●采用散射光原理,电池供电,独立式安装。
●精确的烟雾监测及通过对迷宫信号的智能分析,保证其卓越的安全性能。
●高性能迷宫防止误报。
●精确调整探测器特性,响应迅速,及时地对火灾进行可靠的探测。
●具备全电子式自动检测功能。
●高分贝警讯输出报警,报警声:大于80dB。
●电池防漏装设计,无需布线,安装快速方便。
●JTY-GF-JBF-W1100V为语音报警,JTY-GF-JBF-W1100为蜂鸣报警。
1.2适用范围●本产品主要用来探测燃烧初期可产生烟尘微粒的火灾。
●适宜安装在普通住宅、别墅、古建筑及小型商场、家居、歌舞厅等场所,最佳安装位置为顶棚中心。
●本产品不宜安装在厨房、浴室等烟尘、水气密集的场所,且应避免毗邻壁炉、通风口等处。
●应尽量偏离霓虹灯、电子节能灯等灯具设备(安全距离宜大于50厘米)。
1.3型号组成2.工作原理本产品由迷宫,控制芯片及其外围电路组成。
能够实时监测烟雾,对环境进行周期性检测。
一旦检测到烟雾,并达到预设浓度值则立即报警。
3.性能参数环境特性工作温度-10~+55℃贮存温度-20~+65℃相对湿度≤95%(无凝露)使用场所室内防爆特性防爆标志不涉及电气特性工作电压DC3V(锂锰电池CR17450)报警电流平均电流(不含射频发射)JBF-W1100≤15mA(DC3V)JBF-W1100V≤20mA(DC3V)监视电流<15μA报警音量>80dB(A)/3m确认灯监视状态瞬时微亮,报警红色常亮通讯特性网络类型青鸟消防边缘专网工作频段470-510MHz最远传输距离探测器↔网关:1200m中继器↔网关:1200m探测器↔中继器↔网关:2400m(可视距离)兼容性支持接入青鸟边缘专网系统机械特性外观白色(Pantone Q752-2-5)外壳材质塑料产品质量JBF-W1100-106g(不含电池) JBF-W1100V-109g(不含电池)外形尺寸Φ98mm×H45mm(含底座)探测特性保护面积保护面积60-80m²认证特性消防认证执行标准1)GB20517-2006《独立式感烟火灾探测报警器》4.安装、调试4.1安装说明/步骤报警器的外形尺寸,如图1、2、3所示(单位:mm)。
1JTY-GF-GST9711(Ex)一、 概述JTY-GF-GST9711(Ex)点型光电感烟火灾探测器(以下简称探测器)为非编码探测器,适用于石油、化工及船舶场所等行业具有防爆要求的I 区及II 区使用。
与GST-LD-8332编址接口模块配合使用,可接入本公司生产的各类火灾报警控制器,完成探测器的信号处理。
该探测器防爆类型为本质安全型,产品符合GB 3836.1-2010《爆炸性环境 第1部分:设备 通用要求》和GB 3836.4-2010《爆炸性环境 第4部分:由本质安全型“i”保护的设备》的有关规定。
二、 特点本探测器采用新型的散射技术及进口光电器件,提高了传感器的可靠性、稳定性和一致性,并采用独特的迷宫设计,防虫、防尘、抗外界光线干扰性能良好。
结构新颖、外形美观、性能稳定可靠、抗潮湿性强,并具有良好的抗化学腐蚀性。
三、 技术特性1. 工作电压:DC16V ~DC28V2. ≤静态电流60μA (注:静态时探测器可工作在DC16V ~DC28V 电压范围内。
)3. ≤报警电流30mA (注:报警时电流的大小取决于控制器的限流情况。
不允许直接用DC24V 供电,否则探测器会因无限流电阻而烧坏。
)4. 最大波纹电压:4V(峰峰值)5. 报警复位:瞬间断电(5s Min ,DC2.5V Max)6. ≤上电时间10s7. 报警确认灯:红色,正常监视时周期性(2s ~4s )闪亮,报警时常亮8. 防爆标志:ExibIICT6Gb 9. 防爆合格证号:CE11.213010. 安全栅参数:U 0=28V ,I 0=93mA11. 保护面积:当空间高度为6m ~12m ,一个探测器的保护面积,对一般保护现场而言为80m 2。
空间高度为6m 以下时,保护面积为60m 2。
具体参数应以GB 50116《火灾自动报警系统设计规范》为准。
12. 线制:与电源线采用有极性二线制连接 13. 使用环境:温 度:-10℃~+55℃≤相对湿度95%,不凝露14. 外形尺寸:直径:100mm 高:54.5mm (带底座) 15. 外壳防护等级:IP2316. 壳体材料和颜色:ABS ,瓷白 17. 重 量:约110g18. 安装孔距:45mm ~75mm19. 执行标准:GB 4715-2005、GB 3836.1-2010、GB 3836.4-20101. 探测器外形示意图如图1所示。
一、注意安装使用说明书(Ver.JTY-GM-GSTN9811(Ex)/WIS点型光电感烟火灾探测器1.01,2022.04)事项1. 产品仅应被安装在产品安装使用说明书所明示规定的使用环境,不适用于有腐蚀性物质的场所(包括使用磷化铝杀虫剂的烟草仓库)。
产品不可被安装在对设备有特殊认证要求的环境或场所(包括但不限于船舶、飞机、火车、机动车等交通工具)。
如有特殊需求,请联系本公司相应销售人员。
2. 应严格按照有关爆炸危险场所安全规定进行安装与维修。
3. 严禁在现场带电开盖。
4. 外壳应接地良好。
二、概述JTY-GM-GSTN9811(Ex)/WIS点型光电感烟火灾探测器(以下简称探测器),本探测器由感烟探头和安全栅两部分组成,其中感烟探头是采用红外散射原理研制而成的点型光电感烟火灾探测器,安全栅为隔爆型安全栅,外壳为铝合金材料,具有很好的机械强度,安装使用方便。
探测器防爆性能符合GB/T 3836.1-2021《爆炸性环境第1部分:设备通用要求》及GB/T 3836.2-2021《爆炸性环境第2部分:由隔爆外壳“d”保护的设备》和《GB/T 3836.4-2021 爆炸性环境第4部分:由本质安全性“i”保护的设备》标准的要求,同时还满足GB 4715-2005《点型感烟火灾探测器》中的各项要求。
探测器适用于ⅡB、ⅡC类爆炸性气体环境的1区和2区,不适用于0区及煤矿井下环境,可用于户外,需根据现场环境选用。
三、技术特性1.使用环境:温度:-40℃~+55℃相对湿度≤95%,腔体内部不凝露2.工作电压:总线电压24V电压允许范围:16~28V3.监视电流≤4.1mA ,报警电流≤4.3mA4.回路带载能力:线芯截面不小于1.5mm2双绞线,长度1000m,不超过70只5.外形尺寸:274mm×176mm×103mm6.防护等级:IP65(隔爆部分)/IP54(本安部分)7.壳体材料和颜色:金属/红色(隔爆部分);塑料/白色(本安部分)8.重量:约1.3kg9.安装孔距:149~156mm10.执行标准:GB/T 3836.1-2021、GB/T 3836.2-2021、GB/T 3836.4-2021、GB 4715-200511.防爆标志:Ex db ib IIC T6 Gb12.防爆合格证号:CE23.7254四、结构特征外形尺寸示意图如图1所示:图1 探测器外形示意图五、安装与布线警告:安装设备之前,请切断回路的电源。
独立式家用光电烟雾探测器使用说明书一、概述火灾初起的烟雾会积聚在室内天花板下,光电烟雾探测器(以下称报警器)能够实时监视探测烟雾的存在,每45s左右对环境进行周期性检测;报警器通过内部智能处理器感应离散光源、微小的烟粒和气雾来检测,一旦检测到烟雾,立刻通过一个内置的专用IC驱动电路和一个外部压电式换能器输出报警声,使人们及早得知火情,将火灾扑灭在萌芽状态。
该报警器专门为一般民用建筑设计的高科技产品,稳定性极好,性价比高,使用寿命长,安装、使用方便,耗电极微,一节9V层叠电池可使用一年以上。
二、主要技术参数工作电压:DC9V(电池供电)工作电流:监视状态小于12µA,报警状态小于10mA。
报警响度:距离3m,响度不小于85dB。
环境条件:温 度 -10℃~+60℃相对湿度 ≤95%(40±2℃)保护面积:报警器安装高度6米以下,保护面积为60平方米。
外形尺寸:Φ120mm×45mm重 量: 153g三、适用场所报警器对烟雾敏感,对于灰尘、水雾及挥发性气体同样敏感,因此对那些灰尘大、经常有水雾等场所不适用,譬如居民家庭的厨房、浴室不宜安装;起居室、客厅、书房、贮藏室、餐厅、车间均为适用场所。
另外风速≥5m/s的风口也不宜安装,因为这些地方烟雾很难积聚。
四、安装报警器底座安装孔间距为45mm~70mm均可,事先选择好位置,用二枚Φ3×12木螺钉将底座固定好,然后将报警器逆时针方向卡入即可。
安装位置一般选择在房间中央的天花板下,对于斜梁屋顶,天花板也是斜的,那么报警器安装的倾斜角不得大于45℃,距尖顶的水平距离防潮、防霉的地方;3.应定期对报警器进行试验,按下试验按钮,报警器应发出“嘟…”声响,同时红色火警灯闪亮;4.产品出厂时,电池已从电池线上取下,使用时先把电源线与电池接口按其方向卡入即可。
感烟警报/感烟探测器美国93%的家庭至少拥有一套感烟报警器。
近年来,拥有感烟报警器的家庭有所增长,住宅失火造成的死亡数几乎降低了一半。
JTY-GF-GSTN801独立式光电感烟火灾探测报警器安装使用说明书(Ver.1.09,2020.12)目录一、概述 (1)二、技术特性 (2)三、安装 (2)四、作用与功能说明 (7)五、故障分析与排除 (9)六、维修和保养 (9)七、报警器的维修 (11)八、报废 (11)一、概述JTY-GF-GSTN801独立式光电感烟火灾探测报警器(以下简称报警器)能够探测火灾时产生的大量烟雾,及时发出报警信号。
报警器采用光电感烟器件及优良的生产工艺,工作稳定,外形美观,安装简单,无需调试,可广泛用于网吧、歌舞厅、咖啡厅、休闲厅、住宅等场所进行火灾安全监测。
报警器内置蜂鸣器,报警后发出强烈的声响,同时具有消音功能。
报警器采用1节CR123A锂电池(简称电池),耗电极微,持续工作时间可长达10年1。
探测器外形示意图如图1所示。
○1按键○4故障指示灯(黄色)○2发声孔○5烟雾探测单元○3火警/运行指示灯(红色)○6电池盖板图1 探测器外形示意图1电池使用时间按照GB20517-2006在实验室条件下进行测试并计算得出,实际使用时间受探测器运行环境及用户使用习惯等因素影响,如长期工作在高温环境或是过于频繁自检测试都会减少应用时间。
二、技术特性1.电源:1节CR123A锂电池2.指示灯:红色:正常时约45S闪亮一次,报警时与报警音同步闪亮黄色:电池低电故障时约45S闪亮一次;光腔脏和传感器故障时常亮3.报警声响>80dB(3m)4.保护面积:60m2 ~100m2具体参数应以《火灾自动报警系统设计规范》(GB 50116)为准5.使用环境:温度:-10℃ ~ +50℃相对湿度≤95%,不凝露6.外形尺寸:长117mm、宽115mm、高42mm(不带底座,带底座高度45mm)7.壳体材料和颜色:ABS 象牙白8.重量:约120g(不带底座)9.安装孔距:45mm~75mm10.执行标准:GB 20517-2006三、安装1. 布局说明在相互独立的每个房间至少安装一只报警器。
光电式感烟探测器光电式感烟探测器是对能影响红外、可见和紫外电磁波频谱区辐射的吸收或散射的燃烧产物敏感的探测器。
光电式感烟探测器由光源、光电元件、电子开关及迷宫般的型腔密室组成。
它是利用光散射原理对火灾初期产生的烟雾进行探测,并及时发出报警信号。
光电式感烟探测器根据其结构和原理分为遮光型和散射型两种。
遮光型(或减光型)光电式感烟探测器由一个光源(灯泡或发光二极管)和一个光敏元件(硅光电池)对应装置在小暗室(即型腔密室或称采样室)里构成。
在正常(无烟)情况下。
光源发出的光通过透镜聚成光束,照射到光敏元件上,并将其转换成电信号,使整个电路维持正常状态,不发生报警。
当发生火灾有烟雾存在时,光源发出的光线受烟粒子的散射和吸收作用,使光的传播特性改变,光敏元件接收的光强明显减弱,电路正常状态被破损,则报警。
散射型光电式感烟探测器的发光二极管和光敏元件设置的位置不是相对的。
光敏元件设置在多孔的小暗室里。
无烟雾时,光不能射到光敏元件上,电路维持在正常状态。
而发生火灾有烟雾存在时,光通过烟雾粒子的反射或散射到达光敏元件上,则光信号转换成电信号。
经放大电路放大后。
驱动报警装置,发出火灾报警信号。
下面主要分析散射型光电感烟探测器原理:光电感烟火灾侦测器工作原理图:火灾发生前,没有烟雾:火灾发生后,产生烟雾:图示的反射式烟雾报警器灵敏度较高。
在没有烟雾时,由于红外对管相互垂直,烟雾室内又涂有黑色吸光材料,所以红外LED发出的红外光无法到达红外光敏三极管。
当烟雾进入烟雾室后,烟雾的固体粒子对红外光产生漫反射(图中示出几个微粒的反射示意),使部分红外光到达光敏三极管。
烟雾越大,接收到光也越强流过光敏三极管的电流也越大。
必须指出的是,室内抽烟也可能引起误报警,所以还必须与其它火灾传感器组成综合火灾报警系统,由大楼中的主计算机作出综合判断,并开启相应房间的消防设备。
根据上述原理,还可以将烟雾报警器安装在小汽车里。
当车内有人吸烟时,将自动启动抽风机,将烟排出车外。
光电式感烟探测器使用说明书
产品概述
本产品为光电式感烟探测器,是根据感应烟雾颗粒的原理来工作。
采用独特的结构设计以及光电信号处理技术,具有防尘、防虫、抗外界光线干扰等特点,从设计上保证了产品的稳定性。
本产品对缓慢阴燃或明燃产生的可见烟雾,有较好的反应。
适用于住宅、商场、博物馆以及仓库等室内环境的烟雾监测。
1、LED指示灯3、迷宫
2、防尘罩4、安装底座
功能特点
本产品为非编码型烟雾探测器,具有一对开关量输出触点,可根据实际需要选择常开或常闭输出。
正常工作时,指示灯每隔8秒闪烁一次;报警时,指示灯常亮,同时报警输出触点动作。
●断电复位/自动复位可选
●电源正负性输入(交流、直流)
●报警输出NC/NO可选
●联网输出/LED指示报警
●SMT工艺制造,稳定性强
●防尘、防虫、抗白光干扰设计
●金属屏蔽,抗射频干扰(20V/m—1GHz)
技术参数
工作电压:DC9V~35V
待机电流:12mA(继电器常闭)
500uA(继电器常开)
报警电流:10mA(继电器常闭)
18mA(继电器常开)
报警指示:红色LED常亮
传感器:红外光电传感器
工作温度:—10℃~+50℃
环境温度:最大95%RH(无凝结现象)抗RF干扰:10MHz—1GHz 20V/m
报警输出:常开/常闭可选,接点容量DC28V100Ma 复位方式:自动复位/断电复位可选
覆盖区域:当空间高度为6m—12m,一个探测器的保护面积对一般保护现场而言为80平方米;空间高度为6m以下时,保护面积为60平方米。
具体参数应以火灾自动报警系统设计规范GB50116-98为准。
执行标准:GB4716—2005,EN54—7
灵敏度:0.5db/m(±0.1dB/m)
外形尺寸:104mm(直径)* 51mm(高度)
产品安装
1、选择合适的安装位置,一般安装于探测器覆盖区
域中央的天花板上。
2、将电源线、信号线与安装底座相连(安装底板“1”
和“2”为直流电源正负性输入;“3、4”为报警输出触点)。
3、跳线说明:
KT报警输出设置:1-2短接继电器常闭
2-3短接继电器常开
RST报警方式:1-2短接可自动复位
2-3短接为断电复位
4、用螺丝将安装底座固定在天花板上。
5、将探测器底端的定位凸点对准安装底座的定位凹
槽顺时针旋转即可安装好探测器。
注意事项
1、探测器应注意防尘,防尘罩必须在工程正式投入
用后方可摘下。
2、在探测器周围0.5m内,不应有遮挡物。
3、探测器至空调送风孔边的水平距离不应小于
1.5m。
4、探测器至墙壁、梁边的水平距离不应小于0.5m。
5、在宽度小于3m的内走道顶棚上设置探测器时,
宜居中布置。
探测器的安装间距不宜超过15m,探测器距端墙的距离不应大于探测器安装间距的一半。
6、探测器宜水平安装,如必须倾斜安装时,倾斜角
度不应大于45度。
7、探测器底座应安装牢固其导线连接必须可靠。
8、建议每半年应进行一次模拟火警试验,测试探测
器是否正常工作。