联网型光电感烟探测器说明书
- 格式:doc
- 大小:58.50 KB
- 文档页数:1
一、注意安装使用说明书(Ver.JTY-GM-GSTN9811(Ex)/WIS点型光电感烟火灾探测器1.01,2022.04)事项1. 产品仅应被安装在产品安装使用说明书所明示规定的使用环境,不适用于有腐蚀性物质的场所(包括使用磷化铝杀虫剂的烟草仓库)。
产品不可被安装在对设备有特殊认证要求的环境或场所(包括但不限于船舶、飞机、火车、机动车等交通工具)。
如有特殊需求,请联系本公司相应销售人员。
2. 应严格按照有关爆炸危险场所安全规定进行安装与维修。
3. 严禁在现场带电开盖。
4. 外壳应接地良好。
二、概述JTY-GM-GSTN9811(Ex)/WIS点型光电感烟火灾探测器(以下简称探测器),本探测器由感烟探头和安全栅两部分组成,其中感烟探头是采用红外散射原理研制而成的点型光电感烟火灾探测器,安全栅为隔爆型安全栅,外壳为铝合金材料,具有很好的机械强度,安装使用方便。
探测器防爆性能符合GB/T 3836.1-2021《爆炸性环境第1部分:设备通用要求》及GB/T 3836.2-2021《爆炸性环境第2部分:由隔爆外壳“d”保护的设备》和《GB/T 3836.4-2021 爆炸性环境第4部分:由本质安全性“i”保护的设备》标准的要求,同时还满足GB 4715-2005《点型感烟火灾探测器》中的各项要求。
探测器适用于ⅡB、ⅡC类爆炸性气体环境的1区和2区,不适用于0区及煤矿井下环境,可用于户外,需根据现场环境选用。
三、技术特性1.使用环境:温度:-40℃~+55℃相对湿度≤95%,腔体内部不凝露2.工作电压:总线电压24V电压允许范围:16~28V3.监视电流≤4.1mA ,报警电流≤4.3mA4.回路带载能力:线芯截面不小于1.5mm2双绞线,长度1000m,不超过70只5.外形尺寸:274mm×176mm×103mm6.防护等级:IP65(隔爆部分)/IP54(本安部分)7.壳体材料和颜色:金属/红色(隔爆部分);塑料/白色(本安部分)8.重量:约1.3kg9.安装孔距:149~156mm10.执行标准:GB/T 3836.1-2021、GB/T 3836.2-2021、GB/T 3836.4-2021、GB 4715-200511.防爆标志:Ex db ib IIC T6 Gb12.防爆合格证号:CE23.7254四、结构特征外形尺寸示意图如图1所示:图1 探测器外形示意图五、安装与布线警告:安装设备之前,请切断回路的电源。
SD03烟雾探测报警器说明书1、产品简介SD03烟雾探测报警器采用特殊结构设计的光电传感器,贴片加工工艺生产,具有灵敏度高、不易误报、耗电小、美观耐用、使用方便等特点。
产品具有自检功能,可进行模拟报警测试。
该产品适用于家居、商店、歌舞厅、仓库等场所。
2、产品特点●薄型设计隐蔽美观。
●利于烟流入的效果。
●可与GSM报警器主机对码。
●具有低电提醒功能●易于维修清洗,维护成本低廉。
3、产品外观4、使用说明4.1、使用方法(1)上电:烟雾报警器装入两节7号电池,语音提示“欢迎使用刻锐烟雾探测报警器”,表示上电正常。
(2)检测(待机巡检):上电后进入巡检状态,指示灯43S闪烁一次,周期循环,表示烟雾报警器进入正常巡检状态。
(3)功能测试:长按测试键,烟雾报警器指示灯快速闪烁,并发出提示语音“功能测试正常”,表示烟雾报警器工作正常。
(4)烟雾报警:正常情况下,烟雾报警器指示灯43S闪烁一次,自动检测周围环境浓度,当烟雾浓度达到报警值时,烟雾报警器指示灯开始快速闪烁,同时发出报警声。
(5)电池检测:烟雾报警器每隔86S自动检测一次电池电压,当电池电压低于设定阀值事,烟雾报警器会每隔43S发出“电量不足”提示音,提示您应更换电池,否则会影响烟雾报警器正常工作。
(6)探测器故障:当烟雾报警器出现故障时,报警器会发出“探测器故障”的提示音,此时应该对其进行处理,具体方法见4.3事项。
4.2、烟雾报警器与GSM报警主机对码烟雾报警器与报警主机对码:烟雾报警器开机后,先将GSM报警主机进入学习探测器状态,再长按烟雾报警器的测试键,烟雾报警器进入测试状态,语音提示“滴,呜,呜……,功能测试正常”,同时发送一信号,主机收到该信号后,会“滴滴”两声,表示对码成功。
测试烟雾报警器是否与GSM报警主机对码成功:对码成功后,将GSM报警主机退出学习状态,并布防;再长按烟雾报警器的测试键,若GSM报警主机报警,表示烟雾报警器与GSM报警主机对码成功。
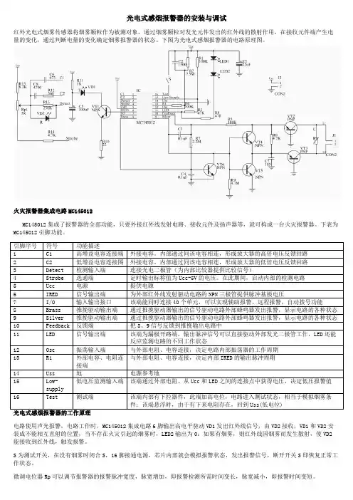
光电式感烟报警器的安装与调试红外光电式烟雾传感器将烟雾颗粒作为被测对象,通过烟雾颗粒对发光元件发出的红外线的散射作用,在接收元件端产生电量的变化,通过判断电量的变化确定烟雾报警器的状态。
下图为光电式感烟报警器的电路原理图。
火灾报警器集成电路MC145012MC145012集成了报警器的全部功能,只要外接红外线发射电路、接收元件及扬声器等,就可构成一台火灾报警器。
下表为MC145012引脚功能。
电路使用声光报警,电路工作时,MC145012集成电路6脚输出高电平驱动VD1发出红外线信号,由VD2接收,VD1和VD2安装成不能相互直射的位置,当不存在火灾引起的烟雾时,LED2输出为0;如果有烟雾,则红外线因烟雾而发生散射,使VD2能接收到红外线,触发报警。
S为测试开关,在没有烟雾时闭合S,16脚接通电源,芯片内部就会模拟报警状态,发出报警信号,断开开关S即恢复正常工作状态。
微调电位器Rp可以调节报警器的报警脉冲宽度,脉宽增加,即报警检测所需时间变长,脉宽减小,即报警时间变短。
C6 C8 R12组成增益调节电路,可以调节系统的放大倍数,也可以作为一种调节灵敏度的方法。
在有烟雾时,由于烟雾颗粒造成的光电二极管的变化很小,因此内置放大电路,调整C6 C8 R12的参数,即可调整放大器的增益倍数,达到调节灵敏度的效果。
其中C6作为粗调元件单独使用,C8作为增益的微调元件,需要与R12配合使用。
时钟电路为RC电路,由R2 R6 C2组成,向12脚提供周期性的脉冲信号。
电源低压报警电路是在系统电源电压过低时发出报警信号,提示及时更换电池,R1 R3串联在电源电压和11脚之间,向15脚提供电源最低允许电压。
当电源电压小于最低允许电压时,9脚输出一个高电平,推动复合三极管输出,提示报警,调节R1与R2比值大小,可以改变电源最低允许电压值。
元件清单。
1页版本号: 03JTY-GD-01K 型点型光电感烟火灾探测器使用说明书安装与调试的具体方法如下:1. 按施工图纸,使用 2 枚 M4 螺钉,通过图 2 中所示的 A 、B 固定孔,将配套底座固定在指定的安装、使用前,请仔细阅读本说明书位置上,且应确认底座已安装牢靠;一、概述2. 切断控制器电源,按施工图纸,先将所有底座正确连接,再接入控制器相应的输入端口;JTY-GD-01K 型点型光电感烟火灾探测器(以下简称探测器)是两线制开关量型感烟探测器。
探测器 3. 确认探测器类型与施工图纸上所注类型相匹配;采用无极性两线制连接,可应用在相兼容的传统开关量报警控制系统和监控报警系统中,也可通过接口模 4. 将探测器下边沿凸起的位置对准底座凹槽位置,再将探测器插入底座,顺时针方向旋转探测器,块接入智能火灾自动报警控制系统中。
探测器实时监测现场烟雾浓度,处于监视状态时,红色指示灯闪烁, 直至探测器锁定到位; 工作电流小;当现场烟雾浓度超过设定的报警阈值时,探测器进入报警状态,红色指示灯常亮,回路电流 5. 待全部探测器安装完毕,且确认无误后,接通探测器电源,探测器指示灯将每 3~6 秒闪烁一次,迅速增大。
探测器的报警信号以电流变化的形式给出,且具有报警锁定功能,报警的复位只能通过短暂断 表明探测器已开始工作; 电来实现。
6. 最后使用专用工具或直接吹烟的方式对探测器进行报警测试。
探测器报警后指示灯将常亮,同探测器适用于火灾发生时有大量烟雾产生,而正常情况下无烟雾的场所,如:饭店、宾馆、教学楼、 时控制器给出相应的报警提示信息。
测试结束后恢复控制器,使探测器回到监视状态。
办公楼、计算机房、通讯机房、书库和档案库等工业与民用建筑。
但不适用于有大量粉尘、水雾滞留的场四、注意事项所;不适用于可能产生蒸汽和油雾的场所;不适用于正常情况下有烟滞留的场所。
1. 探测器单独测试时,应在测试回路中串接 3K 的限流电阻。
联网型烟温复合火灾探测器使用说明书联网型光电烟温复合火灾探测器(以下简称探测器)适用于商场、宾馆、商店 、仓库、电机房等民用及工业场所的火灾预报警。
探测器具有灵敏度高、稳定可靠、耗电小、美观耐用、使用方便等特点,可与安防系统配套使用 一. 性能:报警声音: ≥80dB供电电源: DC9V ~DC28V电 流: 静态电流 ≤200uA 报警电流 ≤45mA 工作温度: -10℃~+50℃相对湿度: ≤95%RH(40℃±2℃)输出形式: 声光报警/继电器无源触点(NO/NC 可设置)输出烟雾灵敏度:1.06±.26%FT. 温度报警级别:A1R符合标准:GB4715-2005,GB4716-2005 二. 功能: 自检:按下检测按钮,探测器LED 常亮,同时发出报警音响。
工作:正常情况下,探测器大约每隔6秒指示灯会闪亮一下。
探测器自动检测周围环境中的烟雾浓度和温度变化,并根据使用环境状况进行灵敏度自动补偿。
当烟雾浓度或温度接近报警值,探测器加快对烟雾浓度或温度趋势进行智能运算,同时报警指示灯开始闪亮。
若运算结果达到或超过报警值,探测器开始声光报警,并启动继电器输出。
当周围环境的烟雾浓度和温度降低到报警值以下时,探测器自动恢复正常工作状态。
输出:无源触点输出;触点容量24V/1A ,可通过探测器内部的跳线,设置为常开或常闭触点输出。
出厂时跳线默认设置触点为常闭。
三. 结构特征:探测器外形示意图如图1所示。
图1:探测器外形示意图四.安装:在天花板上相距60mm 的位置上打两个直径5mm 的安装孔, 如图3用涨塞和螺钉固定探测器底座在天花板上。
图2:安装示意图注意:该产品不适宜在以下场所使用: ● 正常情况下有烟滞留的场所 ● 有较大粉尘、水雾、蒸汽、油雾污染、 ● 腐蚀气体的场所 ● 相对湿度大于95%的场所 ● 通风速度大于5m/秒的场所 五. 接线:连接电源线在底座端子3、端子4上,继电器无源触点输出线连接在底座端子1、端子2上。
1 JTY-GD-EI601O型点型光电感烟火灾探测器1.1 概述JTY-GD-EI6010型点型光电感烟火灾探测器(以下简称探测器)利用红外光电元件及双向散射技术来检测烟雾浓度,内置单片机,固化可靠火警判断程序,工作稳定可靠。
电子编码,唯一ID地址,可通过EI系列火灾报警控制器、火灾报警控制器(联动型)、气体灭火控制器在线设置地址。
1.2 结构特征与工作原理1.2.1结构特征探测器外形结构如图2-1所示:图2-1 EI6010探测器外形结构示意图∙探测器顶置导光柱,火警指示灯360可视。
∙旋转拆卸式顶盖设计,方便现场调试维护;全扣合式结构。
1.2.2工作原理探测器采用红外线散射原理探测火灾产生的烟雾,探测元件主要由红外发射、接收对管及光学暗室(也称“迷宫”)组成,光学暗室可屏蔽外界杂散光干扰但不影响烟雾颗粒进入。
CPU控制红外发射管周期发光,在无烟状态下接收管只接收到很弱的红外光,当有烟雾进入时,由于散射作用使接收光信号增强,经放大后的电信号由CPU实时进行A/D转换。
当超过设定判据时,CPU 通过总线向控制器返回报警信号。
前向/后向双光路设计,利用对各种烟雾响应变化量的比值不同实现对各种烟雾响应的均衡性。
1.3 技术特性∙使用环境温度:-10︒C~ +55︒C;使用环境温度:≤ 95%RH(不凝露)∙工作电压:24V脉动电压∙工作电流:监视电流≤0.35mA;报警电流≤0.8mA∙线制:两总线(无极性);总线长度:≤2000米(截面积1.0mm2铜质双绞线)∙报警确认灯:红色,巡检时闪亮,报警时常亮。
∙风速:< 5m/s∙外形尺寸:直径100mm,高42.5mm (不含底座)∙重量:75g(不含底座)∙外壳防护等级:IP30∙壳体材料和颜色:ABS 象牙白∙底座安装孔距:54mm ~78mm∙执行标准:GB 4715-2005《点型感烟火灾探测器》∙保护面积:当保护空间高度为6m~12m时,一个探测器的保护面积对一般保护现场而言为80m2,保护空间高度为6m 以下时,保护面积为60m2。
JTY-GD/JF-D01光电感烟探测器安装使用说明•用途:安装于适合光电感烟探测器的场合,用于报警。
•特点:1.无极性二总线,内置微处理器,可并联在JF-998报警控制器的二总线上。
2.软地址,编码值可利用控制器或编码器在现场设定(设定范围为1-192)。
3.本探测器利用光的散射原理进行探测,当探测到有持续存在的烟雾进入其敏感区,则发出报警信号并传送给控制器。
•主要技术指标:1.工作电压:DC24V±3V(由报警控制器经二总
线提供)
2.工作电流:平均∽400μA
3. 使用环境温度:(-10∼50)℃
湿度:(RH ≤95%)•保护面积和使用场所:参照《火灾自动报警系统设计规范GBJ116-88》。
•指示灯: 1.监视状态:两个指示灯同时瞬时微闪
2.报警状态:两个指示灯同时间歇高亮
•接线图:安装底座接线柱1、3接二总线L1、L2。
如下图:。
版本号:18JTY-GD-930 型点型光电感烟火灾探测器使用说明书五、产品使用与工程应用1. 配套安装底座示意图,如图2 所示:- - - - - - 安装、使用产品前,请详细阅读产品使用说明书- - - - -一、产品概述JTY-GD-930 型点型光电感烟火灾探测器(以下简称探测器)是一种光电型感烟火灾探测器。
探测器内置微处理器,支持电编码,通过二线制总线接入相兼容的9000 系列火灾报警控制器。
探测器既能实时采集现场烟雾浓度数据,并将数据传送至火灾报警控制器,也能接收并执行火灾报警控制器给出的控制命令。
端子定义(无极性两线制):1 -- 信号端(L1)2 -- 空脚探测器适用于火灾发生时有大量烟雾产生,而正常情况下无烟雾的场所,例:3 -- 信号端(L2)饭店、旅馆、教学楼、办公楼、计算机房、通讯机房、书库和档案库等工业与民4 -- 空脚用建筑。
但不适用于有大量粉尘、水雾滞留的场所,可能产生蒸汽和油雾的场所及正常情况下有烟滞留的场所。
图2二、产品特点✓全电子编码,可通过编码器现场改写。
✓单片机实时采样处理数据、并能保存最近144 条历史数据,曲线跟踪现场情况。
2. 接线方式:探测器通过二线制总线接入相兼容的火灾报警控制器,采用无极性连接,二线制总线的L1、L2 与配套底座的1 端和3 端相连。
多个探测器与控制器相连接的示意图如图3 所示。
✓具有温度、湿度、灰尘积累漂移补偿,传感器失效检测功能(故障上报控制器)。
✓无极性二总线连接,安装、维护方便。
✓采用上、下盖结构设计,独立底座安装,安装、调试、维护简单方便。
三、产品技术参数1. 执行标准:GB4715-2005 智能二总线控制器2. 工作电压:24V(脉冲调制)3. 工作电流:监视状态<300uA,报警状态<1.5mA4. 工作指示:监视状态红色指示灯闪烁,报警状态红色指示灯常亮5. 重量:约70g 图36. 外形尺寸:直径100mm,高55mm(带底座)7. 接线方式:无极性二总线制(L1、L2)3. 地址编码:如图4 所示,将探测器通过编码器上探测器底座接入,L1、L2 采用无极性连接,8. 使用环境:室内,温度-10℃~+55℃,相对湿度≤95%(40℃±2℃无凝露)把编码器设定为编码功能,编制正确的地址码,按下“运行”键,完成地址编码设置。
1JTY-GF-GST9711(Ex)一、 概述JTY-GF-GST9711(Ex)点型光电感烟火灾探测器(以下简称探测器)为非编码探测器,适用于石油、化工及船舶场所等行业具有防爆要求的I 区及II 区使用。
与GST-LD-8332编址接口模块配合使用,可接入本公司生产的各类火灾报警控制器,完成探测器的信号处理。
该探测器防爆类型为本质安全型,产品符合GB 3836.1-2010《爆炸性环境 第1部分:设备 通用要求》和GB 3836.4-2010《爆炸性环境 第4部分:由本质安全型“i”保护的设备》的有关规定。
二、 特点本探测器采用新型的散射技术及进口光电器件,提高了传感器的可靠性、稳定性和一致性,并采用独特的迷宫设计,防虫、防尘、抗外界光线干扰性能良好。
结构新颖、外形美观、性能稳定可靠、抗潮湿性强,并具有良好的抗化学腐蚀性。
三、 技术特性1. 工作电压:DC16V ~DC28V2. ≤静态电流60μA (注:静态时探测器可工作在DC16V ~DC28V 电压范围内。
)3. ≤报警电流30mA (注:报警时电流的大小取决于控制器的限流情况。
不允许直接用DC24V 供电,否则探测器会因无限流电阻而烧坏。
)4. 最大波纹电压:4V(峰峰值)5. 报警复位:瞬间断电(5s Min ,DC2.5V Max)6. ≤上电时间10s7. 报警确认灯:红色,正常监视时周期性(2s ~4s )闪亮,报警时常亮8. 防爆标志:ExibIICT6Gb 9. 防爆合格证号:CE11.213010. 安全栅参数:U 0=28V ,I 0=93mA11. 保护面积:当空间高度为6m ~12m ,一个探测器的保护面积,对一般保护现场而言为80m 2。
空间高度为6m 以下时,保护面积为60m 2。
具体参数应以GB 50116《火灾自动报警系统设计规范》为准。
12. 线制:与电源线采用有极性二线制连接 13. 使用环境:温 度:-10℃~+55℃≤相对湿度95%,不凝露14. 外形尺寸:直径:100mm 高:54.5mm (带底座) 15. 外壳防护等级:IP2316. 壳体材料和颜色:ABS ,瓷白 17. 重 量:约110g18. 安装孔距:45mm ~75mm19. 执行标准:GB 4715-2005、GB 3836.1-2010、GB 3836.4-20101. 探测器外形示意图如图1所示。
功能特点●手动测试●自动复位●采用专用微处理器控制●防尘、防虫、抗白光干扰●环境适应性强●采用工艺制造,稳定性好SMT 光电式烟雾探测器使用说明书产品概述式(以下简称探测器)是采用探测火灾,电路主要由红外发射部分和接收部分组成,发射管与接收管置于光学迷宫中,光学迷宫可屏蔽外界杂散光的干扰,但不影响烟雾进入。
在无烟状态下,接收管只接收到很弱的红外光,当有烟雾进入时,由于散射作用,接收到的光信号增强,当烟雾达到一定浓度时,探测器输出报警信号。
为减少干扰及降低功耗,发射电路采用脉冲方式工作,可提高发射管使用寿命。
、饭店、办公楼、教学楼、银行、图书馆、计算机房本产品为光电感烟探测器烟雾中的颗粒折射红外光的原理产品采用独特的结构设计及光电信号处理技术,具有防尘、防虫、抗外界光线干扰等功能,从设计上保证了产品的稳定性。
本产品对缓慢阴燃或明燃产生的可见烟雾,有较好的反应。
适用于住宅、商场、宾馆以及仓库等室内环境的烟雾监测。
报警电流:报警声压:≥85dB/m 独立型或无线型环境湿度:≤95%RH (无凝结现象)监测面积:20平方米无线信号315MHz 或433MHz(无线型)继电器常开/常闭(联网型)发射距离:空旷距离100m(无线型)报警指示:红色LED工作温度:-10℃~+50℃报警方式:声光报警(独立型)外型尺寸:107*35mm执行标准:GB4715-1993Φ≤20mA ()1产品的安装与测试1、(独立型或无线型)请将电池与电池扣连接,装入产品内的电池盒,保持电池供电,产品进入正常工作状态。
、(联网型)接通电源,红色接正极,黑色接负极,白色为公共端,橙色为常开,黄色为常闭。
、接通电源,探测器直接进入正常监测状态,指示灯每秒闪烁一次;报警状态时,指示灯每秒闪烁一次。
、选择合适的位置,一般安装于探测空间中央的天花板上,用安装螺丝将底座固定在选择好的安装位置上,将探测器卡入、旋转并检查是否牢固。
、产品安装完成后,按测试键测试产品是否正常工作,蜂鸣器是否鸣叫(独立型),是否发射无线信号(无线型),继电器输出是否正常(联网型)。
智安城科技独立式光电感烟火灾探测报警器烟感器联网使用说明
智安城科技的独立式光电感烟火灾探测报警器烟感器是一款用于火灾检测和报警的设备。
为了确保您正确使用和联网该设备,请按照以下步骤进行操作:
1. 安装位置选择:根据需要安装该烟感器的区域环境,选择一个离吸烟源较远,能够有效感测到烟雾的位置,如客厅、卧室等。
2. 电源连接:将该烟感器的电源线接入电源插座,并确保电源电压符合设备要求。
3. 网络连接:该烟感器支持联网功能,您可以通过Wi-Fi或以太网连接将其与您的智能家居系统或手机应用程序添加到一个网络中。
4. 配置设备:按照设备说明书上的指引,通过手机应用程序或其他方式进行设备配置,包括设定灵敏度、设置联动方式等。
5. 测试功能:完成配置后,您可以进行一次测试,用手或者其他方法产生烟雾,确保烟感器能够正确侦测到,并触发报警。
注意事项:
- 定期检测:定期检查烟感器是否正常工作,可按照设备说明书上的建议进行自检和维护。
- 联网安全:请确保您的联网设置安全可靠,避免未经授权的访问和操作。
希望以上信息能对您有所帮助,。
物联网终端说明书产品型号:ADJ-882NB产品名称:物联网烟雾火灾探测报警器-ADJ-SZ产品类型:NB-IoT目录产品型号:ADJ-882NB (1)物联网独立式光电感烟报警器使用说明书型号:ADJ-882NB (3)一、产品概述 (3)三、技术参数 (4)四、工作原理 (4)六、安装调试 (5)七、使用说明 (6)八、故障分析与排除 (6)九、维护 (7)智慧消防云平台使用说明(请查阅附录) (8)附录一:智慧消防物联网云平台 (8)附录二:智慧消防物联网系统框架 (9)附录三:移动端管理平台 (9)消防物联网移动端小程序使用说明 (10)物联网独立式光电感烟报警器使用说明书型号:ADJ-882NB 一、产品概述ADJ-882NB物联网独立式光电感烟火灾探测报警器(以下简称报警器)。
该设备采用NB-IOT移动传输信息处理技术,把产品集成到消防物联网云平台应用,当火灾发生时设备将实时采集到的警情数据通过NB-IOT通讯模块上传至云平台,同时移动端APP/小程序,及时通过语音电话、短信、信息推送,通知业主人员及相关火警场所等撤离、救援警报现场,性能稳定可靠。
有效解决家庭、学校、敬老院、宾馆、酒店、工厂等各类需要进行火灾安全报警监测的室内场所,用于探测木材、棉织物、塑料和碳氧化合物产生的火灾烟雾。
二、产品图片三、技术参数额定电压:DC3V1节锂电池静态电流:<10uA报警电流:<200mA声压级:85dB(正前方3m处)电池寿命:10年工作温度:-10℃~+50℃相对湿度:≤95%RH(40℃±2℃)输出形式:声光及人工语音报警执行标准:GB20517-2006重量:约135g(含电池)四、工作原理报警器采用特殊结构设计的光电传感器结合性能可靠的MCU,能有效的探测出火灾初期阴燃阶段或生成以后产生的烟雾。
当烟雾进入报警器,使光源产生散射,光接受元件感受到光强度,接收到的光强度和烟雾浓度有一定的线性关系,报警器对现场参数不断地采集、分析和判断,当确认现场数据的光强度达到预定阈值时,报警器的红色LED 灯点亮,并启动蜂鸣器报警。
Sloping CeilingMounting Position Installation Step 2Detector will enter the network mode by clicking “ ” in theFCC Warning:This equipment has been tested and found to comply with the limits for a Class B digital device, pursuant to part 15 of the FCC Rules. These limits are designed to provide reasonable protection against harmful interference in a residential installation. This equipment generates, uses and can radiate radio frequency energy and, if not installed and used in accordance with the instructions, may cause harmful interference to radio communications. However, there is no guarantee that interference will not occur in a particular installation. If this equipment does cause harmful interference to radio or television reception, which can be determined by turning the equipment off and on, the user is encouraged to try to correct the interference by one or more of the following measures:•Reorient or relocate the receiving antenna.•Increase the separation between the equipment and receiver.•Connect the equipment into an outlet on a circuit different from that to which the receiver is connected.•Consult the dealer or an experienced radio/TV technician for help. Caution: Any changes or modifications to this device not explicitly approved by manufacturer could void your authority to operate this equipment.This device complies with part 15 of the FCC Rules. Operation is subject to the following two conditions: (1) This device may not cause harmful interference, and (2) this device must accept any interference received, including interference that may cause undesired operation.。
CALIFORNIA DEPARTMENT OF FORESTRY & FIRE PROTECTIONOFFICE OF THE STATE FIRE MARSHALFIRE ENGINEERING - BUILDING MATERIALS LISTING PROGRAMLISTING SERVICELISTING No.7272-1615:0214Page 1 of 1CATEGORY:7272 -- SMOKE DETECTOR-SYSTEM TYPE-PHOTOELECTRIC LISTEE:BOSCH SECURITY SYSTEMS130 Perinton Parkway, Fairport, NY 14450Contact: Jon Wolski (585) 678-3323 Fax (585) 678-3263Email:*******************.com DESIGN: Models RF280, RF280S, RF280TH, and RF280THS wireless, photoelectric smoke detector.Models RF280TH and RF280THS employs an integral 135° fixed temperature, thermistortype, heat sensor. The heat sensor is intended for use only as a supplement to the smokedetector and is NOT approved for use in lieu of required heat detectors. Refer to listee's datasheet for additional detailed product description and operational considerations.RATING:Two 3V Lithium BatteriesINSTALLATION: In accordance with listee's printed installation instructions, applicable codes & ordinancesand in a manner acceptable to the authority having jurisdiction.MARKING: Listee's name, model number, electrical rating, and UL label.APPROVAL: Listed as photoelectric smoke detectors for use with separately listed compatible fire alarmcontrol units and RT Receiver Model *RF3224 (CSFM Listing No. 7167-1615:212). Refer tolistee’s Installation Instruction Manual for details.NOTE:The photoelectric type detectors are generally more effective at detecting slow , smolderingfires, which smolder for hours before bursting into flames. Sources of these fires may includecigarettes burning in couches or bedding. The ionization type detectors are generally moreeffective at detecting fast, flaming fires, which consume combustible materials rapidly andspread quickly. Sources of these fires may include paper burning in a waste container or agrease fire in the kitchen. *Corrected 01-20-2005July 01, 2013Date Issued:Listing Expires June 30, 2014Authorized By:Fire Engineering Division This listing is based upon technical data submitted by the applicant. CSFM Fire Engineering staff has reviewedthe test results and/or other data but does not make an independent verification of any claims. This listing is not an endorsement or recommendation of the item listed. This listing should not be used to verify correct operational requirements or installation criteria. Refer to listee’s data sheet, installation instructions and/or otherJAMES PARSEGIAN , Program Coordinator。
天花板
底座
安装孔距
直流电源输入(无极性)
继电器无源触点输
出,默认常闭输出
(常开常闭可设置
)
联网型光电感烟火灾探测器
使用说明书
JTY-GD-DG311联网型光电感烟火灾探
测器(以下简称探测器)适用于商场、宾馆、
商店、仓库、电机房等民用及工业场所的
火灾预报警。
探测器具有灵敏度高、稳定可
靠、耗电小、美观耐用、使用方便等特点,
可与安防系统配套使用
一. 性能:
报警声音:≥80dB
供电电源: DC9V~DC28V
电流:静态电流≤200uA
报警电流≤45mA
工作温度: -10℃~+50℃
相对湿度:≤95%RH(40℃±2℃)
烟雾灵敏度:1.06±.26%FT.
符合标准:GB4715-2005
输出形式:声光报警/继电器无源触点
(NO/NC可设置)输出
二. 功能:
自检:按下检测按钮,探测器LED常亮,
同时发出报警音响(注:自检仅对于探测器
本身内部功能进行检测,自检时无继电器信
号输出)。
工作:正常情况下,探测器大约每隔
6秒指示灯会闪亮一下。
探测器自动检测
周围环境中的烟雾浓度,并根据使用环境
状况进行灵敏度自动补偿。
当烟雾浓度接
近报警值,探测器加快对烟雾浓度趋势进
行智能运算,同时报警指示灯开始闪亮。
若运算结果达到或超过报警值,探测器开
始声光报警,并启动继电器输出。
当周围
环境的烟雾浓度降低到报警值以下时,探
测器自动恢复正常工作状态。
输出:无源触点输出;触点容量
24V/1A,可通过探测器内部的跳线,设置
为常开或常闭触点输出。
出厂时跳线默认
设置触点为常闭。
三. 结构特征:
探测器外形示意图如图1所示。
图1:探测器外形示意图
四.安装:
在天花板上相距60mm的位置上打两
个直径5mm的安装孔, 如图3用涨塞和螺
钉固定探测器底座在天花板上。
图2:安装示意图
注意:该产品不适宜在以下场所使用:
●正常情况下有烟滞留的场所
●有较大粉尘、水雾、蒸汽、油雾污染、
●腐蚀气体的场所
●相对湿度大于95%的场所
●通风速度大于5m/秒的场所
五. 接线:
连接电源线在底座端子3、端子4上,继
电器无源触点输出线连接在底座端子1、
端子2上。
将探测器按正确方向扣在底座
上,压下后顺时针方向旋紧。
接通电源即
可工作。
接线如图3所示。
图3:接线示意图
六. 故障分析与排除
1.报警无输出:检查跳线设置是否正确.
2.频繁误报警:可能传感器迷宫中积尘过
多引起,用吸尘器清理迷宫(外部黑色塑胶
部分)
七. 维护
在使用过程中,如遇到使用故障,
请尽快与供应商联系,不要私自拆卸
修理,以免发生意外。
如长期不使用,必须拆下探测器,
装入包装盒中,在通风干燥处存放。
八. 运输和储存
根据GB/T15464-1995《仪器仪表
包装通用技术条件》的规定进行运输
和储存。
运输储存过程中必须保持生产厂
原包装及封印完整,并保证产品不受
到剧烈冲击。
环境气温应避免剧烈变化。
装箱叠放高度不超过6层,拆箱
后单件叠放高度不超过5层。