GWdw型隔离开关小修作业指导书
- 格式:doc
- 大小:214.00 KB
- 文档页数:7
模块一 GW4-126DW隔离开关单相调试及检修1、结构与原理1.1 GW4型隔离开关结构GW4型隔离开关是采用双柱水平旋转式结构的户外三相交流高压开关设备,可简称为中间水平开断式的高压隔离开关。
主要由底架、支柱绝缘子及导电系统等三部分组成,并有带接地刀闸的品种。
额定电流有630 A、1250 A、1600A、2000A、2500A、3150A等规格(110kV有630A规格,220kV有2500A、3150A等规格。
1-接地刀静触头;2-触指导电杆;3-防雨罩;4-触头导电杆;5-软连接接线座图1-1 GW4-126DW单相结构图底架为一槽钢,底架两端安装有轴承座(基座。
在轴承座内,上下设有两个圆锥滚子轴承,保证轴承座上的杠杆灵活转动。
隔离开关有不带接地、单接地和双接地三种品种。
接地刀闸包括由铝合金管的闸刀、闸刀端部的铜触头和安装在出线座处的弹性静触头组成。
带接地的隔离开关,在底架之一端或两端焊有接地闸刀支座,以便安装接地闸刀。
地刀的布置有内开式和外开式两种,绝大多数情况使用内开式结构型式。
图1-2 DW4-126隔离开关安装图转动杠杆上安装有实心棒形支柱绝缘子,110kv由一节瓷瓶组成。
其带电体对相邻接地体的最小净距(即弧距为900mm。
瓷瓶的结构不同将有不同的防污闪能力,国际标准IEC 600815以及有关国家标准提出了相应的要求。
例如伞裙的伸出比s/p应≥0.8;大小伞结构的伞裙伸出之差应≥15mm;伞裙上表面的倾斜角应>5 ;爬电系数lt/st(Creepage factor对于I、II级污区(爬电比距分别为16、20mm/kV应≤3.5,对于III、IV级污区(爬电比距分别为25、31mm/kV应≤4.0。
另外,瓷瓶的抗弯强度也有多种规格,通常要求其抗弯强度≥8000N。
导电部分固定在支持瓷瓶的上端,由主闸刀、中间触头及出线座组成。
主闸刀分成两半,由具有足够刚性和导电能力的铜管制作,中间部分为导电触头。
编号:Q/×××固原供电局110kV隔离开关小修作业指导书
编写:年月日
审核:年月日
批准:年月日
作业负责人:
作业日期年月日时至年月日时
固原供电局
1 范围
本作业指导书适用于固原供电局110kV隔离开关小修。
2 引用文件
下列标准及技术资料所包含的条文,通过在本作业指导书中引用,而构成为本作业指导书的条文。
本作业指导书出版时,所有版本均为有效。
所有标准及技术资料都会被修订,使用本作业指导书的各方应探讨使用下列标准及技术资料最新版本的可能性。
DL 408-1991 电业安全工作规程(发电厂和变电所电气部分)
DL 5009.3-1997 电力建设安全工作规程(变电所部分)
GBJ147-1990 电气装臵安装工程:高压电器施工及验收规范
电安生[1994]227号电业安全工作规程(热力和机械)
GW4-110DW/1250型隔离开关安装使用说明书(西安高压开关厂)
CJ6型操作机构使用说明书(西安高压开关厂)
3 修前准备
3.1 准备工作安排
3.2 人员标准
3.3 备品备件
3.4 工器具
3.5 材料
3.6 危险点分析
3.7 安全措施
3.8 人员分工
4 作业程序及作业标准4.1 开工
4.2 检修电源的使用
4.3 检修内容和工艺标准
4.4 竣工
5验收记录
6 作业指导书执行情况评估
7 附录
7.1 设备主要技术参数(参考性附录)。
升压站GW21—252(D)W型交流高压隔离开关检修工艺规程14.1 GW21—252(D)W型交流高压隔离开关概述及技术规范14.1.1 概述本产品为新东北电气(沈阳)高压开关厂有限公司生产,由内蒙电建一公司安装。
14.1.2 技术规范名称型号额定电压额定电流操作方式GW21-252(D)W220 KV 手、电动操作219;229 1600 A双接地2516;2526 2500 A双接地14.1.2.1 隔离(接地)开关主要技术参数:序号项目名称技术参数1 额定电流1600A 2500A2 1min工频耐受电压(有效值)对地、相间460 KV断口间530 KV3 单极质量双接地880kg 900kg14.1.2.2 操作机构主要技术参数:序号项目名称CJ—XG参数CS9—G参数1 主轴转角92º90º2 电动机参数AC380V 750W 无3 机构控制电压AC220V 无4 分、合闸时间10±2 S 无5 质量110kg 20kg14.1.2 检修工艺14.1.2.1 检修周期.项目14.1.2.1.1 检修周期14.1.2.1.1.1 大修4年一次.14.1.2.1.1.2 小修每年1次.14.1.2.1.2 检修项目14.1.2.1.2.1 大修项目a.导电回路分体检修。
b.支持瓷瓶清扫,瓷铁胶合处检查。
c.各部拉杆分体检修,调整。
d.手力操作机构各转动拐臂,拉杆,轴销检查。
e.接地刀平衡弹簧,动静触头,导电带清扫检查。
f.辅助开关清扫检查。
g.防误闭锁装置检修。
h.三相同步不同相插入接触尺寸调整。
i.金属部位防腐涂漆,并做好相序标记。
14.1.2.1.2.2 小修项目a.瓷柱表面化清扫 ,瓷铁胶合处检查。
b.导电回路清扫 ,检查,涂润滑油,处理,氧化,放电,过热的触指。
c.各转动机构轴箱上注润滑脂或润滑油。
d.接地刀接触情况检查。
e.三相同步及同相插入接触尺寸调整。
Q/GZDW贵州电网公司企业标准Q/GZDW ××××-2009GW16-220型户外隔离开关检修作业指导书范本2009--**-**发布 2009--**-**实施贵州电网公司发布前言为使工作或作业活动有章可循,使工作(作业)安全风险和过程控制规范化,保证全过程安全和质量,根据南方电网公司生[2008]19号关于印发《作业指导书编写导则》的通知要求,贵州电网公司组织编写了《GW16-220型隔离开关检修作业指导书范本》,本指范本用于指导和规范贵州电网公司系统各单位变电检修人员编写GW16-220型隔离开关检修的现场作业指导书,同时作为变电检修专业现场工作(作业)人员学习与培训资料。
本范本由贵州电网公司生产技术部提出、归口本范本主要编写单位:贵阳供电局本范本主要起草人:陈世丹曹俊罗浩先本范本主要审核人:孙建江田维国丁恒洪赖罗彬陈忠雷陈世丹本范本通过贵州电网公司标准化委员会批准,自颁布之日起实施。
执行中的问题和意见,请及时向贵州电网公司生产技术部反馈。
目次前言 (1)1 范围 (1)2 规范性引用文件 (1)3 支持文件 (1)4 术语和定义 (1)5 安全及预控措施 (1)6 作业准备 (2)6.1 人员配置 (2)6.2检修工具准备 (2)6.3消耗性材料及主要备品备件 (2)7 作业周期 (3)8 工期定额 (3)9 设备主要参数 (3)9.1主要技术参数 (3)9.2主要机械调整参数 (3)10 工作流程 (4)10.1小修工作流程 (4)10.2大修工作流程 (5)10.3大修工作流程 (6)11 作业项目、工艺要求和质量标准 (6)11.1 作业项目 (6)11.2 工艺要求和质量标准 (6)12作业后的验收和交接 (8)13 大修的判断标准和检修项目: (8)附录一 GW16-220隔离开关检修报告 (9)GW16-220型户外隔离开关检修作业指导书范本1 范围本范本适用于GW16-220型隔离开关维护和检修2 规范性引用文件下列标准、规程及技术资料所包含的条文,通过在本范本中引用,而构成为作业导则的条文。
制度编号:X.XX.XX.XX /XXXX-XXXX-XXXXGW4-110KV隔离开关检修作业指导书200X-XX-XX印发200X-XX-XX实施广东电网公司珠海供电局本制度信息1 总则本作业适用于运行中GW4-110KV的隔离开关检修作业。
2 规范性引用文件《电业安全工作规程》DL-408-91;《电气工作票技术规范》(发电、变电部分) Q/CSG 1 0004-2004;《电力设备预防性试验规程》 Q/CSG 1 0007-2004;《电气装置安装工程高压电器施工及验收规范》GBJ147—90;《输、变、配电检修控制程序》;厂家技术资料、说明书。
3 术语和定义无4 职责工作负责人职责:负责组织施工,并对施工过程中的安全、质量负责。
工作人员职责:按照负责人的要求开展作业,作业过程中遵守《安规》及本专业指导中的风险控制措施。
5 作业标准5.1资源配置5.1.1人员需求(1)检修人员:4人;(2)工作负责人:1人;注:1)工作负责人应取得相关部门的“三种人”资格;2)工作班成员经过变电检修岗位技术考试合格,持证上岗;3)所有工作班成员经当年“安规”考试合格;4)无妨碍作业的心理障碍。
5.1.2工时1个工作日。
5.1.3安全用具(1)相近高度的绝缘梯2把;(2)灭火器(备用,防止汽油燃烧);(3)安全带4条(高处作业使用);(4)隔离开关检修支架(安全带高挂低用)。
5.1.4 个人防护用品(PPE)要求(1)工作服5套(所有现场人员必须穿);(2)工作鞋5双(所有现场人员必须穿);(3)安全帽5顶(所有现场人员必须穿);(4)纯棉手套5对;(5)防护手套6对。
5.1.5工器具:(1)活动扳手(8、10、12)×2;(2)梅花扳手(8、10、12、14、17、19、22、24、27)×2;(3)力矩扳手、手钻、手锤、起子、螺丝刀(一字、十字:大、中、小)、拉码;(4)胶钳(平口钳、尖嘴钳)、锉刀(平锉、圆锉、三角锉各1把);(5)万用电表一个;(6)回路电阻仪;(7)钢丝刷1把;(8)500V、2500V兆欧表及连接线各1套;(9)白布;(10)砂纸;(11)汽油5000ml(铁质油桶装盛);(12)刀闸备品备件(导电部分备品、绝缘备品、传动机构备品);(13)锂基润滑脂500g、凡士林、松动剂、润滑油;(14)套筒扳手1套;(15)油漆(黄、绿、红、防锈)×1及油漆刷;(16)导电膏100g;(17)清洗容器(Ф25cm)6个;(18)吊绳;(19)电源线轱辘2个。
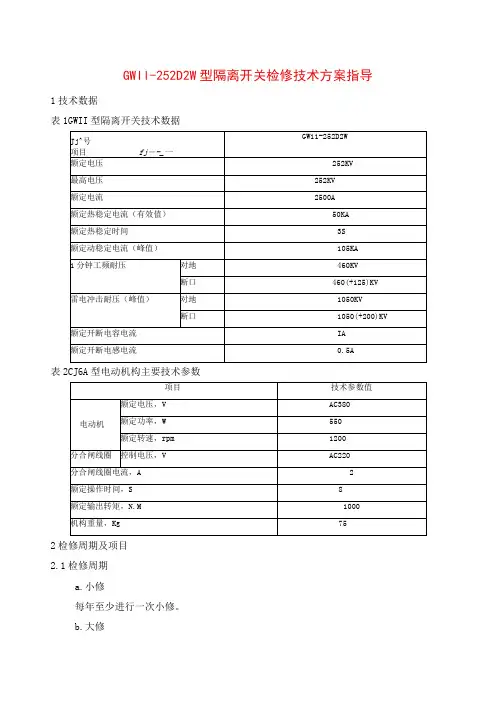
GWIl-252D2W型隔离开关检修技术方案指导1技术数据表1GWII型隔离开关技术数据表2CJ6A型电动机构主要技术参数2检修周期及项目2.1检修周期a.小修每年至少进行一次小修。
b.大修1)正常运行的隔离开关每5年应进行一次大修。
根据运行和缺陷情况,大修间隔时间可适当延长或缩短。
2)已按大修项目进行临时性检修的隔离开关的大修周期,可从该次临时性检修日期起计算。
c.临时性检修当存在严重缺陷,影响隔离开关继续安全运行时,应进行临时性检修。
2.2检修项目a.大修1)导电部分解体检修。
2)传动系统解体检修。
3)瓷瓶检查清扫及底座检修。
4)操作机构检修。
5)电气回路检修。
6)接地刀闸检修。
7)调整与试验。
b.小修1)导电部分检查。
2)传动部分检查、加油、螺栓紧固。
3)底座检查。
4)瓷瓶清扫。
5)操作机构箱内设备检查清扫,密封检查。
6)电气控制动力回路检查清扫,螺丝紧固。
7)接地刀闸检查。
8)根据存在缺陷进行针对性处理。
9)按预试规程规定进行试验。
10)传动检查。
3准备工作3.1明确设备存在的缺陷和检修内容。
3.2准备好检修所需工具、材料、备件等。
3.3搭脚手架.3.4作好人员、工作进度安排。
3.5准备好交直流电源、检修记录等。
3.6办理工作票,检查安全措施是否完善。
4检修工艺及质量标准4.1GWII-252DW隔离开关检修工艺。
6~10.5kV隔离开关检修维护作业指导书一、目的与范围为了加强公司各电站6~10.5kV隔离开关检修、试验技术工作,确保6~10.5kV隔离开关检修、试验工作符合工艺质量和安全生产管理要求,并确保该工作全过程无不安全情况发生,确保隔离开关检修、试验后能安全、可靠地运行,所有参加本检修、试验项目的工作人员、质检人员,必须遵循本质量保证程序。
本指导书适用于额定电压6~10.5kV的隔离开关(柜)的定期维护、检修、缺陷处理现场检修、试验。
其他类型的隔离开关(柜)的现场检修、试验可参照执行。
隔离开关的检修、试验需贯彻预防为主,计划检修和诊断检修相结合的方针,作到应修必修,修必修好、安全第一、质量为先。
二、规范性引用文件(含验收标准等)GBJ147—90《电气装置安装工程高压电器施工验收规范》GB1984-1989 《交流高压隔离开关》GB11022-89《高压开关设备通用技术条件》GB50150—2006《电气装置安装工程电气设备交接试验标准》GB50171—92《电气装置安装工程盘、柜及二次回路接线施工验收规范》JGJ46—88《施工现场临时用电安全技术规范》SD132-85《交流高压隔离开关技术条件》SJT31002-94《设备维护保养通则》DL/T596—2005《电力设备预防性试验规程》DL408—91《电业安全工作规程》《隔离开关使用维护说明书》三、作业过程控制3.1 作业准备3.1.1 人员配备3.1.3消耗材料包括备品3.2 作业项目、方法、标准、风险评估、风险预控措施3.2.1作业项目风险评估、风险预控措施43.2.2作业项目、方法、标准56789四、附件4.1作业过程记录表(实际工作时填写,连同现场作业指导书、工作票一起保存)4.2检修技术数据记录表检修技术数据记录表工作成员:记录人员:记录日期:天气情况:温度:湿度:4.3 验收卡4.4 风险控制措施卡风险控制措施卡工作内容:4.5 缺陷处理及部件更换记录缺陷处理及部件更换记录部件更换记录4.6设备名牌参数设备技术台账4.7设备检修前后试验记录设备检修试验记录单位__________________ 站名_______________。
隔离开关检修试验标准化作业指导书第一部分适用范围本作业指导书适用于我段牵引变电所电动、手动隔离开关检修试验,温度不低于+ 5 C,空气相对湿度一般不高于80%的检修试验,检修周期3年。
第二部分准备工作一、人员:作业人员2-4人,其中工作领导人1人,作业人员必须经过专业培训并取得电气安全合格证。
、工具:三、材料:第三部分作业流程及标准隔离开关检修标准化作业流程及标准检修作业流程质量标准工装整齐,戴安全帽,高空作业人员带安全带。
螺栓、垫圈、销钉、开口销齐全、紧固,裂纹不超过300mrf,无锈蚀,涂抹凡士林分合三次灵活可靠用0.05mm塞尺接触紧密接触面宽度50mm及以下,不超过4mm接触面宽度为60mm及以上时,不应超过6mr p无旁击,接地道闸入槽法兰及各部螺栓紧固,构架完好,引线不得松股、断股,连接要牢固,接触良好,张力适当,无过热,相间和对地距离均要符合规定,保护接地良好。
合闸止钉间隙1〜2mm分闸止钉间隙1〜2mm主刀闸接触情况良好接触密贴两极触头与触指间最小距离(应小于3mm,刀母触头初接触时,接触点应位于触头面积1/3以上的范围内,三相周期及分合闸角度合格,各部螺栓紧固行程开关无锈蚀动作灵活、无卡滞动作灵活无卡滞,闭锁功能正常;推进无卡滞,闭锁后小车止滑可靠,闭锁杆位置正确,无变形偏移1.手、电动连续分合闸三次不得有拒动,机构传动灵活,连接紧固。
软铜片连接可靠,无断片和烧灼痕迹。
2.电动隔离开关:电动机通电检查,要求运行平稳,电气连接要求接触良好第四部分必要时试验必要时隔离开关可单独或全部进行下列试验项目。
第五部分安全风险点分析及安全控制措施。
隔离开关检修试验作业指导书1 适用范围本作业指导书适用于我段牵引变电所电动、手动隔离开关检修试验,温度不低于+5℃,空气相对湿度一般不高于80%的检修试验,检修周期3年。
2 规范性引用文件下列文件对于本作业指导书的应用是必不可少的。
凡是注日期的引用文件,仅所注日期的版本适用于本作业指导书。
凡是不注日期的引用文件,其最新版本(包括所有的修改单)适用于本作业指导书。
《铁路电力安全工作规程》《牵引变电所安全工作规程》《牵引变电所运行检修规程》《牵引变电所安全工作规程和牵引变电所运行检修规程实施细则》《铁路局营业线施工安全管理实施细则(试行)》4 隔离开关检修、试验4.1 准备工作4.1.1 人员准备作业人员2-3人,其中工作领导人1人,作业人员必须经过专业培训并取得电气安全合格证。
4.1.2 工具、材料序号名称规格型号单位数量1 试验检测设备套 12 温湿度计0℃-100℃个 13 万用表块 14 呆扳手把≥25 活扳手250mm 把≥2(平口及梅6 螺丝刀把各1花)7 爬梯个 18 卷尺卷 19 传递绳根 110 毛巾张 311 汽油瓶 112 凡士林盒 14.2 作业流程及标准4.3 必要时试验必要时隔离开关可单独或全部进行下列试验项目。
序号试验项目标准及要求1 有机材料支持绝缘端子及提升杆的绝缘电阻1.用2500V兆欧表。
2.用兆欧表测量胶合原件分层电阻。
3.有机材料传动提升杆的绝缘电阻值:大修后不得低于2500兆欧,运行中不得低于1000兆欧。
2 二次回路绝缘电阻1.用1000V兆欧表。
2.绝缘电阻不应小于2兆欧。
(注:手动隔离开关不需此试验)3 操动机构的动作情况1.电动隔离开关电动操作机构在额定操作电压下分合闸动作正常2.手动操作机构操作时灵活,无卡涩3.闭锁装置应可靠4.4 安全风险点分析及安全控制措施序号风险点安全控制措施监控人√1 高空坠落1.登高作业超过2米时必须系安全带。
2.使用梯子时应有专人扶梯,梯子上只能一人作业,使用人字梯时必须有限制开距的拉链。
GW4-252ⅣD(W)型 高压交流隔离开关 设备维护检修手册中国南方电网公司2014年12月前 言高压隔离开关是电网中使用量最大的开关设备。
由于其结构相对简单、平时很少进行操作,检修和维护工作量少,相对来说,高压隔离开关的管理不受重视,其制造、管理水平难以与SF6断路器的运行可靠性相匹配,造成的事故、障碍率已经明显地高于同电压等级的断路器事故、障碍率。
高压隔离开关导电回路过热、瓷柱断裂、操作失灵和严重腐蚀等问题长期得不到解决,都会引发事故。
近年来因母线侧隔离开关损坏形成短路,引起变电站全停,以至扩大为大面积停电的事故,在系统中时有发生。
因此,提高隔离开关使用中的可靠性,是保证电力系统安全、稳定运行的重要环节。
为进一步推进南方电网公司资产全生命周期管理,建立一体化生产运维机制,实现设备精益化管理,特编制此设备维护检修手册。
此设备维护检修手册将作为南方电网公司设备在维护、检修工作时的技术标准,以进一步提升电网设备管理的精益化水平。
目录前言 (2)目录 (3)第一章适用范围及引用文件 (4)第一节适用范围 (4)第二节引用文件 (4)第二章技术参数表 (4)第三章维护、检修周期及项目 (5)第一节维护项目及周期 (5)第二节 B类检修项目及周期 (8)第三节 A类检修项目及周期 (13)第四节临时检修 (19)第四章维护及检修准备工作 (19)第一节工具、耗材、人员需求清单 (19)第二节 C2类检修及检修准备要求 (23)第三节 C2类检修及检修危险点及预控措施 (24)第四节 C2类检修及检修工作流程 (24)第五章维护及检修质量标准 (27)第一节 C1类检修质量标准 (28)第二节 C2类检修质量标准 (31)第三节 B类检修质量标准 (33)第四节 A类检修质量标准 (39)第六章相关资料性附录 (42)附录一 GW4-252D(W)型隔离开关结构与动作原理 (42)附录二 GW4-252ⅣD(W)型隔离开关成套供应一览表 (46)附录三 GW4-252ⅣD(W)型隔离开关易损件一览表 (49)附录四螺栓螺钉紧固力矩值企业标准 (49)附录五全寿命周期成本LCC的计算 (50)附录六 CJ2A-XG电动机构二次原理图 (53)附录七 GW4-252D(W)型隔离开关A类检修报告 (55)第一章 适用范围及引用文件第一节 适用范围GW4-252Ⅳ型隔离开关是双柱水平开启式三相交流50Hz户外高压电器,供高压线路在无载流情况下进行换接,以及对检修的高压母线、断路器等电气设备与带电的高压线路之间进行电气隔离之用。
X X变电站X X X X隔离开关X X
现场作业指导书
编写:年月日
审核:年________________________________ 月__ 日
批准:年—月—日
作业日期年月日时至年月日时
XX供电公司XX工区
XX变电站XX XX隔离开关XX现场作业指导书、编写依据
江苏省电力公司GW观隔离开关检修作业指导书。
、人员分工
作业负责人:
现场安全监护:
三、工器具准备及辅助手段(如起重作业等)的布置
安全用具:安全帽、安全带等。
工器具:组合工具、移动线盘、绝缘梯、专用工具、脚手架等。
起重工具:吊车、高架车、吊装绳等。
清洁用具:清洗剂、工业汽油、砂纸、白布、漆刷、钢丝刷等。
备品备件:易损件、密封圈、各型触指、弹簧等。
劳护用品:工作服、工作鞋、手套、急救箱等
其它:消防用具、氧气、乙快、螺栓、开口销、润滑脂、导电脂、凡士林、无水乙醇等。
辅助手段(如起重作业等)的布置:注:根据现场情况需采取的特殊手段
其他:注:根据现场和设备特殊情况,需补充的内容
五、危险点分析与预控
七、作业报告
审核: 工作负责人:记录人:。
××××
XXXX 企业标准
QEO/××-××-2011(第一版)
GW 6 –110DW 型隔离开关小修
作业指导书
编制人: 年 月 日 审核人: 年 月 日 批准人: 年 月 日 作业负责人:
作业日期 年 月 日 时至 年 月 日 时
1范围
本作业指导书针对GW6-110W型隔离开关小修工作编写而成。
适用于变电站110kv GW6-110DW型隔离开关小修工作。
2引用文件
QB 1993 现场安全工作规程(上、下册)
GW6--110型户外高压隔离开关安装使用说明书(厂家资料)
GW6 系列高压隔离开关检修工艺(湖南科学技术出版社,1999年)
3修前准备
4流程图(明确检修顺序、完成时间和负责人
5作业程序及作业标准
6验收
7作业指导书执行情况评估表
8附录(试验接线图、试验记录)。