泉芯QX7137线性恒流驱动芯片资料书
- 格式:pdf
- 大小:325.17 KB
- 文档页数:5
产品型号输入电压触摸通道数输出电流封装类型无级调光宽度调光频率QX60013~6V1通道内置100mA,外扩2ASOP80~100%100~1kHz产品型号芯片电压最大输出电流(A)封装类型PWM调光频率QX7135 2.7~5V 0.35SOT89-3<150HzQX7136 2.7~5V 2SOT89-5<150Hz QX7137 2.7~5V 2SOT23-5<1KHz QX71382.7~5V2SOT23-5<10KHz产品型号输入电压光控阀值封装类型效率产品类型频率精度QX52520.9~1.5V0.3VTO-94(通过太阳能板实现光控《84%QX5253 1.8~3.00.3VDIP-8《87%QX5255D 2.5V~5.5V SOP-1685%升/降压型驱动IC QX18030.8V~1.3VTO94/S OT-23-580%LED 恒流驱动控制芯片QX2309S(D)0.8-3.0V SOT23-592%PFM同步升压300 KHz±2.5%QX52590.9V~1.5VSOP885%±8%型号封装功率管最大输入电压最大输出电流典型效率频率功率工作模式精度QX9920SOT23-6外置<60V 1.5A 87%《350kHz QX6103SOT23-5外置<60V 1.5A 89%200kHz触摸IC低压LED线性恒流源 (qq:416240908)电流150,180,250,300,350mAADJ,内置最大350mA,外驱最大ADJ,最大2A ADJ,最大2ADC/DC升压 太阳能草坪灯 (tell :189********)最大输出电流(mA)30030010mA~120mA 3MA-80MA S档0.8V-1.5V 最大电流120MA D档1.5V-3.0V 最大电流300MA3mA~100mA。
DC/DC降压LED恒流驱动 (含*表示带有外围元器件参数计算器)泉芯IC产品线快速选型V2.1更多信息:联系人:曹小成电话:189********。
TABLE OF CONTENTS描述…………………………………………………………………………………………- 3 - 特点……………..……………………………………….…………………………………- 3 - 产品选型……………..…………………………………….………………………………- 3 - 应用…..…………………………………………………………….………………………- 3 - 典型应用电路……………..………………………………………..…………...…………- 4 - 管脚配置……………..…………………………………….………………………………- 4 - 管脚描述……………..…………………………………………….………………………- 4 - 内部功能框图……………..………………………..…………………………………...…- 5 - 绝对最大额定值……………..……………………………………….……………………- 5 - 电气特性参数…………………………………………………………………...…………- 6 - LP3773X内部功率管特性参数……..………………………………………...…………- 7 - 典型性能特性…………...…………………………………………………………………- 7 - 封装参数……………..……………………………………………………….……………- 9 - 丝印说明……………..………………………………………………………....….………- 9 -描述LP3773X是一种高性能的交流/直流用于电池充电器和适配器的电源控制器,内置V CBO 800V功率三极管。
该设备采用脉冲频率调制(PFM)的方法来建立非连续导通模式(DCM)反激式电源。
LP3773X提供精确的恒定电压,恒定电流(CV / CC)不需要光耦合器和二次控制电路调节。
它也消除了环路补偿电路的需要,同时保持良好的稳定性。
CN3717充电管理芯片在电子衡器中的应用浙江蓝箭称重技术有限公司郑文广,何文[摘要]C N3717芯片由于采用了单芯片技术,属于PW M降压模式铅酸电池充电管理集成电路,可独立对铅酸电池充电并进行自动管理,具有封装外形小,外围分立元件极少和使用简单等优点。
宽的输入电压范围,对铅酸电池进行完整的充电管理,过充电和浮充电电压由外部电阻分压网络设置,充电电流可达5A,恒流充电电流由外部电阻设置,对深度放电的电池进行涓流充电。
过充点结束电流由外部电阻设置,电池温度监测功能、自动再充电功能、双状态指示及软启动功能、电池端过压保护等,芯片采用T SSO P封装,产品无铅,无卤素元素,满足R oH S要求。
自身功耗极低和性价比高的特点,使得该芯片在衡器产品中的应用将会越来越广泛。
[关键词]单芯片;充电管理;电子衡器[中图分类号]T H715.1[文献标识码]B[文章编号]1003-5729(2018)09-0011-03A ppl i cat i on of C N3717chargi ng m anagem ent chi p i n el ect roni c w ei ghi ng i nst rum entA rt i cl e abs t ract:Because of t he use of si ngl e chi p t echnol ogy,C N3717chi p bel ongs t o t he char ge m anagem ent i nt egr at ed ci r cui t of PW M depr es sur i zat i on m ode l ead-aci d bat t er y.I tcan char ge and m anage t he l ead-aci d bat t er y i ndependent l y.I t has t he advant ages of s m al lpackage shape,f ew per i pher alcom ponent s and s i m pl e us e.The w i de i nputvol t age r ange pr ovi des a com pl et e char ge m anagem ent f or t he l ead-aci d bat t er y.The over char ge and t he f l oat i ng char ge vol t age ar e set by t he ext er nal r es i s t ance vol t age di vi der net wor k,t he char gi ng cur r ent can r each5A.The cur r ent char ge cur r ent i s s et by t he ext er nal r es i st ance,and t he bat t er y of t he deep di s char ge i s char ged by t he t r i ckl e char ge.The over char ge end cur r ent i s set by ext er nal r es i s t ance,bat t er y t em per at ur e m oni t or i ng f unct i on, aut om at i c r echar gi ng f unct i on,dual s t at e i ndi cat i on and s of t s t ar t f unct i on,bat t er y end over vol t age pr ot ect i on.The chi p i s packaged i n TSSO P,t he pr oduct i s l ead-f r ee,and t he hal ogen f r ee el em ent can m eet t he r equi r em ent s of R oH S.Because of i t s l ow pow er cons um pt i on and hi gh cos tper f or m ance,t he chi p wi l lbe m or e and m or e wi del y used i n wei ghi ng appar at us pr oduct s.K ey w ords:s i ngl e chi p;char ge m anagem ent;el ect r oni c wei ghi ng devi ce1引言随着电子技术的迅速发展,集成电路在电子衡器领域得到了广泛的应用。
DC LED触摸调光IC(TOUCH DIMMER FOR DC LED LIGHTING)概述QX888是一款DC LED照明设备触摸控制集成电路,由PWM输出控制NMOS或LED Driver 达到调光功能,具有高频率的PWM输出,摄像拍照无频闪。
特点■典型工作电压 5.0V■在VDD=5.0V,25℃,无负载条件下,工作电流典型值小于500uA■频率高达 4.8KHz的脉冲宽度调制(PWM)输出■4种可选调光模式(管脚OPT1.OPT2选择)(1)3级调节,初始为关。
OPT2=0,OPT1=1(2)4级调节,初始为关。
OPT2=1,OPT1=0(3)3级调节,初始为开(6%)。
OPT2=0,OPT1=0(4)开关模式,初始为关。
OPT2=1,OPT1=1■QX888的PWM输出高电平控制NMOS或LED恒流驱动IC。
■两种调光输入模式:触摸和按键。
■应用电路简单,易于上手。
■可以通过普通导线与触摸板连接。
■金属壳台灯或其他金属壳的LED照明灯具,允许将整个壳体作为感应体而不会误触发。
应用■LED台灯LED LAMP■作为脉冲宽度调制控制输入■需要将大面积金属或整个金属外壳作为感应体的LED照明灯具方框图:管脚定义管脚序号管脚名称I/O类型管脚描述1CK I系统时钟输入管脚2VDD P正电源电压3TI I/I-PH触摸检测输入管脚4CI I传感器控制输入端5OPT2I-PL调光模式设置端26VSS P负电源电压7OPT1I-PH调光模式设置端18AT O PWM输出端(输出控制NMOS,高电平有效)管脚类型说明:I CMOS输入O CMOS输出I-PH CMOS输入,带上拉电阻I-PL CMOS输入,带上拉电阻P电源/地声明泉芯保留电路及其规格书的更改权,以便为客户提供更优秀的产品,规格若有更改,恕不另行通知。
泉芯公司一直致力于提高产品的质量和可靠性,然而,任何半导体产品在特定条件下都有一定的失效或发生故障的可能,客户有责任在使用泉芯产品进行产品研发时,严格按照对应规格书的要求使用泉芯产品,并在进行系统设计和整机制造时遵守安全标准并采取安全措施,以避免潜在失败风险造成人身伤害或财产损失等情况。
典型应用电路图R CS1 V IN V IN(a)低压应用 (b)高压应用图1:QX7137典型应用电路图概述QX7137是一种极低静态电流、低压差的LED恒流驱动器。
QX7137只需要外接一个电阻和一个NMOS管,就可构成一个完整的LED恒流驱动电路,调节该外接电阻就可以调节输出电流,输出电流可调范围为100mA到3.0A。
QX7137具有极低的静态功耗,特别适合手持LED照明驱动的应用。
QX7137内置了使能控制电路,可通过在EN引脚加外部使能信号来控制LED的开关。
当EN接高电平时,DRV引脚输出为高电平;当EN为低电平时,DRV输出为低电平;EN引脚不允许悬空。
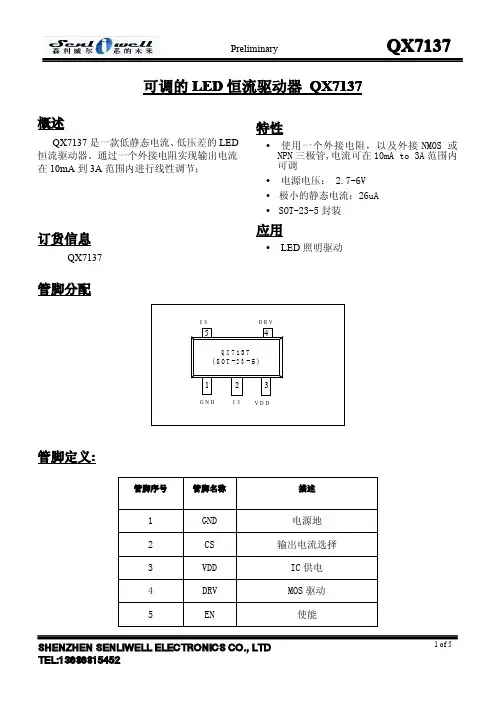
QX7137采用SOT-23-5的封装形式。
特点电源电压:2.7V~5.5V极低的静态电流:26uA输出电流:100mA到3.0A。
输出电流精度:优于±5%仅需外接一个电阻和一个MOS管电压可开展至400V以上,电流可扩展到3.0A。
应用领域线性LED照明驱动低功耗便携式照明设备订货信息产品型号QX7137丝印7137X批号封装及管脚分配SOT-23-57137XGNDCS VDDDRV EN 13254管脚定义内部电路方框图VDDCSDRVGNDEN图2:QX7137的内部电路方框图极限参数(注1)注1:超过上表中规定的极限参数会导致器件永久性损坏。
而工作在以上极限条件下可能会影响器件的可靠性。
电特性除非特别说明,V IN =5V,T A =25o C电特性(接上一页)除非特别说明,V IN =5V ,T A =25o C典型曲线除非特别说明,V IN =5V ,T A =25o C ,NMOS 管的型号为DTU40N06应用指南工作原理QX7137是一种低静态电流、低压差的LED线性降压恒流驱动器,通过采样输出电流作为负反馈来形成整个工作环路的稳定工作。
QX7137采用5.0V工艺制作,正常工作电压为3.0V到5.5V,当电源电压高过5.5V时通过外部钳位电路使芯片工作电压钳位在5.5V即可满足高压大电流的恒流LED驱动。
非隔离降压型LED 恒流驱动芯片描述SDH771XH 是一款高精度LED 恒流驱动控制芯片,适用于85VAC~265VAC 全范围交流输入电压的非隔离降压型LED 恒流电源系统。
SDH771XH 内置高压供电电路,无需启动电阻和辅助绕组即能实现芯片的自主供电,同时更省去了传统的外置电源电容,在加快系统启动的同时又极大地节省了系统成本。
电路工作在电感电流临界导通模式,采用特有的高精度电流采样技术,结合内部补偿,能获得高恒流精度和优异的线性/负载调整率。
SDH771XH 内部集成多种保护功能,包括输出短路保护、输出开路保护、逐周期过流保护、过热调节、采样电阻开路保护等,增强了系统的安全性和可靠性。
其中开路保护电压可通过ROVP 管脚设置。
特性合封500V 高压功率MOSFET ,性能稳定 集成高压供电,无启动电阻、无VCC 电容 精确恒定电流(<±3%)供给LED 输出开短路保护 开路保护电压外部可调 过热调节功能 逐周期过电流保护 无辅助绕组应用球泡灯 筒灯其他LED 照明应用产品规格分类内部框图CSGND极限参数电气参数(除非特别说明,HV=40V,T=25 C)amb注1:温度特性为设计典型结温值。
管脚排列图管脚描述注:SOP-7和DIP-8A脚位一样。
功能描述SDH771XH是一款利用BUCK原理搭建的非隔离LED恒流驱动芯片,集成了高压启动电路,并且合封了500V高压功率MOSFET。
其最突出的特点是省去了传统的外部电源电容,简化了系统的设计。
以下是对芯片各功能的具体描述:启动控制SDH771XH集成了高压启动供电电路,无需启动电阻和辅助绕组供电,通过HV端直接从高压母线取电,特殊的电路设计,也使得芯片无需外部电源电容就能稳定工作,极大的简化了外围电路,同时也减小了系统启动时间。
恒流精度控制电路根据采样电阻上的电压信号控制系统的恒流输出,如下图:400mvVcsI PKI LED峰值电流计算公式为I PK=400/R CS(mA) ,其中R CS为电流采样电阻阻值。