电缆桥架安装和桥架内电缆敷设检验批
- 格式:doc
- 大小:127.00 KB
- 文档页数:2
电缆桥架安装和桥架内电缆敷设检验批质量验收记录表GB 50303—2002060302□□□ 060404□□□电线导管、电缆导管和线槽敷设检验批质量验收记录表GB 50303—2002(I)室内注:因表格格式所限。
“电缆导管的弯曲半径”和“暗配管的埋设深度,明配导管的固定”按规范《建筑电气工程施工质量验收规范》(GB 50303)“第14.2.3条”和“第14.2.6条”检查,故有附表,此处略。
电线、电缆穿管和线槽敷线检验批质量验收记录表GB 50303—2002060105□□□ 060305□□□ 060406□□□ 060503□□□ 060606□□□槽板配线检验批质量验收记录表GB 50303—2002060504□×□×□×电缆、接线和线路绝缘测试检验批质量验收记录表GB 50303—2002060106□□□,060407□□□ 060205□□□,060506□×□×□× 060306□□□,060607□□□普通灯具安装检验批质量验收记录表GB 50303—2002060506□×□×□×专用灯具安装检验批质量验收记录表GB 50303—2002060506□×□×□×建筑物外部装饰灯具、航空障碍标志灯和庭院路灯安装检验批质量验收记录表GB 50303—2002060509□□□ 060107□×□×□×插座、开关、风扇安装检验批质量验收记录表GB 50303—2002060408□□□ 060510□×□×□×建筑物照明通电试运行检验批质量验收记录表GB 50303—2002×××接地装置安装检验批质量验收记录表GB 50303—2002060109□□□,060206□□□ 060608□□□060608□□□060701□×□×□×避雷引下线和变配电室接地干线敷设检验批质量验收记录表GB 50303—2002(I)防雷引下线□×□×□×建筑物等电位联结检验批质量验收记录表GB 50303—2002060703□×□×□×电缆沟内和电缆竖井内电缆敷设检验批质量验收记录表GB 50303—2002060204口口口 060303□×□×□×有线电视系统分项工程质量验收记录表编号:表C01—0405公共广播与紧急广播系统分项工程质量验收记录表编号:表Col一0406计算机网络系统分项工程质量验收记录表编号:表C01—0501建筑节能工程配电与照明节能工程检验批质量验收记录表GB 50411—2007 110109□×□×□×电缆桥架安装和桥架内电缆敷设检验批质量验收记录表GB 50303—2002060302□□□ 060404□□□电线导管、电缆导管和线槽敷设检验批质量验收记录表GB 50303—2002(I)室内注:因表格格式所限。
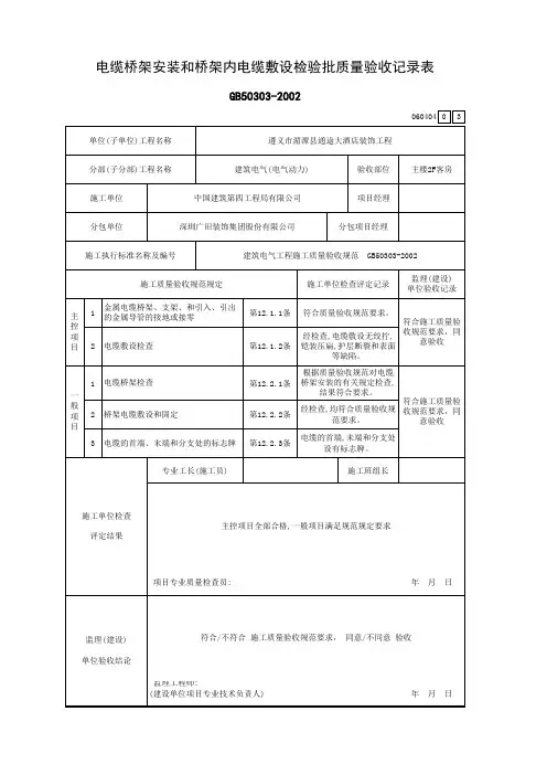
电缆桥架安装及桥架内电缆敷设检验批质量验收记录表格
电缆桥架安装和桥架内电缆敷设查验批质量查收记录表
单位(子单位)工程名称
分部(子分部)工程名称查收部位施工单位项目经理
分包单位分包项目经理
施工履行标准名称及编号
监理(建设)单施工质量查收规范规定施工单位检查评定记录
位查收记录主金属电缆桥架,支架和引入、
第条
1
控
引出的金属导管的接地或接零
项
2
电缆敷设检查第条
目
1电缆桥架检查第条
一
般
2桥架内电缆敷设和固定第条
项
目电缆的首端、尾端和分支处的
3
标记牌第条
专业工长(施工员)施工班组长
施工单位检查
评定结果
项目专业质量检查员:年月日
监理(建设)单位
查收结论
监理工程师:
(建设单位项目专业技术负责人)年月日
山东省建设工程质量监察总站监制。
电缆桥架安装和桥架内电缆敷设检验批质量验收记录电缆桥架安装和桥架内电缆敷设是电气工程中非常重要的一环,对于电缆的正常运行起到至关重要的作用。
为了确保电缆桥架安装和桥架内电缆敷设的质量,需要进行检验批质量验收,下面是一份1200字以上的电缆桥架安装和桥架内电缆敷设检验批质量验收记录。
一、项目基本信息1.工程名称:2.工程地点:3.检验批编号:4.施工单位:5.监理单位:6.检验批形式:日常检验批/专项检验批二、参与人员1.检验人员:2.参检单位:三、检验内容1.桥架的安装(1)检查桥架的型号、规格、数量是否符合设计要求;(2)检查桥架的材质和表面处理是否符合要求;(3)检查桥架的安装是否牢固,是否有变形或损坏现象;(4)检查桥架的间距是否符合要求;(5)检查桥架的固定和连接件是否安装到位;(6)检查桥架的各个部位是否安装完整。
2.电缆的敷设(1)检查电缆的规格、型号是否与设计要求一致;(2)检查电缆的包装是否完好无损;(3)检查电缆的长度是否符合要求;(4)检查电缆的接头是否焊接牢固;(5)检查电缆的弯曲半径是否符合要求;(6)检查电缆的敷设路径是否符合设计要求;(7)检查电缆的固定方式是否正确。
四、检验步骤和方法1.桥架的安装(1)参照设计图纸,逐一检查桥架的型号、规格、数量。
(2)观察桥架的材质和表面处理是否符合要求。
(3)轻轻拉动桥架,检查其是否牢固,有无松动或变形现象。
(4)使用测量工具检查桥架的间距是否符合设计要求。
(5)检查桥架的固定和连接件是否安装到位。
(6)检查桥架的各个部位是否完整。
2.电缆的敷设(1)参照设计要求,逐一检查电缆的规格、型号。
(2)检查电缆的包装是否完好无损。
(3)使用测量工具检查电缆的长度是否符合要求。
(4)检查电缆接头的焊接牢固程度。
(5)使用测量工具检查电缆的弯曲半径是否符合要求。
(6)参照设计图纸检查电缆的敷设路径是否正确。
(7)检查电缆固定方式是否正确安装。
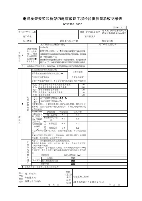
123456789101第12.1.1条
2第12.1.2条
12345678910
1第12.2.1条
2第12.2.2条
3第12.2.3条
641109验收部位项目经理专业工长分包项目 经 理施工单位检查评定记录施工单位检查评定记录施工班组长电缆敷设严禁有绞拧、铠装压扁
、护层断裂和表面严重划伤等缺陷
电缆桥架安装要求桥架内电缆敷设要求一般项目规范规定
规范规定
分包单位
施工单位检查
评定结果
监理(建设)单位
验收结论
电缆的首端、末端和分支处应设
标志牌项目专业质量检查员:
监理工程师
(建设单位项目技术负责人):金属电缆导管必须接地或接零,
且符合规定主控项目电缆桥架安装和桥架内电缆敷设检验批质量验收记录
1.3.7电气-9
工程名称
施工单位
施工执行标准名称及
编号
注:本表由施工项目专业质量检查员填写,监理工程师(建设单位项目技术负责人)组织项目专业质量检查员等
监理(建设)单位
验收记录
年 月 日
年 月 日
查员等进行验收。