钳工实操试题1
- 格式:docx
- 大小:37.46 KB
- 文档页数:4
选择题在机修钳工工作中,使用游标卡尺测量工件时,正确的读数方法是?A. 只读取主尺上的刻度B. 只读取游标上的刻度C. 主尺和游标刻度相加读取(正确答案)D. 随意估读一个数值钳工在装配工作中,常用的紧固螺纹连接件的方法是?A. 用锤子敲击使螺纹连接紧固B. 使用合适的扳手或套筒按顺序逐步拧紧(正确答案)C. 随意使用任何工具拧紧D. 不需要特定工具,直接用手拧紧在进行机械零件的划线作业时,划线基准的选择应遵循的原则是?A. 随意选择任何一面作为基准B. 选择加工面作为基准(正确答案)C. 选择非加工面作为基准D. 选择最不平整的面作为基准钳工在锉削加工中,为了获得较好的表面质量和尺寸精度,应?A. 尽量快速锉削,提高效率B. 保持锉刀平稳,均匀用力,适时退刀(正确答案)C. 用力越大越好,以加快锉削速度D. 随意改变锉削方向在钳工工作中,对于精密孔的加工,常采用的方法是?A. 钻孔后直接达到精度要求B. 钻孔、扩孔后再铰孔(正确答案)C. 只使用钻孔即可D. 使用砂轮磨削达到精度钳工在装配轴承时,为了保证轴承的正确安装,应?A. 直接用力敲击轴承使其就位B. 使用专用工具,如轴承加热器或压力机(正确答案)C. 使用任何可用工具强行安装D. 不需要特定工具,直接手推安装在机修钳工工作中,对于螺纹孔的修复,常采用的方法是?A. 使用电焊填补后重新钻孔B. 使用螺纹修复器或重新攻丝(正确答案)C. 直接用胶水填补D. 不需修复,更换整个部件钳工在进行零件的刮削加工时,刮刀的刃口应保持的状态是?A. 锋利且平直(正确答案)B. 无需锋利,任意形状C. 刃口可略带弧度D. 刃口应磨损以便使用在钳工装配工作中,对于过盈配合的零件,常用的装配方法是?A. 直接敲击装入B. 加热膨胀后装入或冷冻收缩后装入(正确答案)C. 使用润滑油减少摩擦后装入D. 无需特殊处理,直接装配。
高级钳工理论实操试题及答案钳工是机械制造领域中的一个重要工种,高级钳工不仅需要具备扎实的理论知识,还应有精湛的实操技能。
以下是一份高级钳工的理论实操试题及答案,供参考。
一、理论试题1. 钳工的主要工作内容是什么?答:钳工的主要工作内容包括划线、锯削、锉削、钻孔、扩孔、铰孔、攻螺纹和套螺纹等。
2. 简述钻孔加工中钻头的类型及其应用。
答:钻头类型包括直柄钻头、锥柄钻头、中心钻头等。
直柄钻头适用于小型钻床,锥柄钻头适用于大型钻床,中心钻头用于钻孔前的中心定位。
3. 何为划线?其作用是什么?答:划线是指在工件表面上划出加工线的过程。
其作用是确定工件上的加工位置,确保加工精度。
4. 攻螺纹和套螺纹的区别是什么?答:攻螺纹是指在内螺纹孔中加工螺纹,通常使用丝锥;套螺纹则是指在棒料或管料的外表面上加工螺纹,通常使用板牙。
5. 简述锉削加工中的安全注意事项。
答:锉削加工中的安全注意事项包括:正确握持锉刀,避免锉刀滑脱造成伤害;锉削时用力要均匀,避免用力过猛导致手部受伤;锉削后的金属屑应及时清理,防止飞溅伤人。
二、实操试题1. 划线与锯削试题:在一块长100mm、宽80mm的钢板上划出中心线,并沿中心线进行锯削,要求锯削后的钢板两侧面平行度误差不超过0.1mm。
答案:首先使用划线工具在钢板上划出中心线,然后固定钢板,使用手锯沿中心线进行锯削。
在锯削过程中,要保持锯条与钢板的垂直,用力均匀,避免锯条偏移。
锯削完成后,使用量具检查钢板两侧面的平行度。
2. 锉削与钻孔试题:将一块长50mm、宽30mm、厚10mm的铝块锉削成正六边形,并在六边形中心钻一个直径为5mm的孔。
答案:首先使用锉刀对铝块进行初步锉削,形成大致的六边形。
然后,使用划线工具在铝块上划出正六边形的六个边,并沿划线进行精细锉削。
锉削完成后,使用中心冲在六边形中心冲出一个小点,作为钻孔的定位点。
接着,使用直径为5mm的钻头进行钻孔,注意在钻孔过程中要经常退刀排屑,以防止钻头过热和磨损。
附录1 职业技能鉴定钳工中级实操技能试题试题一燕尾配合1.本题分值: 100分2.考核时间: 240分钟(另加30分钟准备时间)3.考核形式: 实操4.具体考核要求:(1)准备工作: 劳动保护用品穿戴整齐, 工具准备齐全, 认真阅读试题图样和要求。
(2)操作过程: 按图样要求和技术要求, 利用合理的加工工艺进行制作加工并达到其精度要求。
(3)使用工具:正确使用工具, 且工具摆放整齐。
(4)安全及其它:严格遵守有关安全操作规程, 服从考评工作人员的安排与指挥, 工作场地保持清洁、整齐、有序, 在规定的时间内完成操作, 考试结束时清理现场。
5、图样: 燕尾配合技术要求:1.各锉削面未注平面度0.02mm。
2、件1为基准件, 件2配作。
3、件1.件2正反配合间隙≤0.06mm。
4.各锉削面未注表面粗糙度Ra1.6μm。
5.孔口倒角C0.5。
6.锐角倒钝R0.3。
6.评分标准试题二拼块六方1.本题分值: 100分2.考核时间: 300分钟(另加30分钟准备时间)3.考核形式: 实操4.具体考核要求:(1)准备工作: 劳动保护用品穿戴整齐, 工具准备齐全, 认真阅读试题图样和要求。
(2)操作过程: 按图样要求和技术要求, 利用合理的加工工艺进行制作加工并达到其精度要求。
(3)使用工具:正确使用工具, 且工具摆放整齐。
(4)安全及其它:严格遵守有关安全操作规程, 服从考评工作人员的安排与指挥, 工作场地保持清洁、整齐、有序, 在规定的时间内完成操作, 考试结束时清理现场。
5、图样: 拼块六方技术要求:1.各锉削面未注平面度0.02mm。
2、件1为基准件, 件2配作。
3、件1.件2正反配合间隙≤0.06mm。
4.孔口倒角C0.5。
5.锐角倒钝R0.3。
6.评分标准试题三凹凸锉配1.本题分值: 100分2.考核时间: 240分钟(另加30分钟准备时间)3.考核形式: 实操4.具体考核要求:(1)准备工作: 劳动保护用品穿戴整齐, 工具准备齐全, 认真阅读试题图样和要求。
一级钳工考试试题及答案一、选择题(每题2分,共10分)1. 钳工常用的测量工具是()。
A. 卡尺B. 千分尺C. 量规D. 所有选项答案:D2. 钳工划线时,常用的工具不包括()。
A. 划针B. 划线盘C. 锤子D. 钢直尺答案:C3. 钳工在钻孔时,钻头的夹持工具是()。
A. 手钳B. 钻夹头C. 扳手D. 螺丝刀答案:B4. 钳工在进行锉削作业时,正确的操作是()。
A. 锉刀与工件接触面应保持垂直B. 锉削时用力过猛C. 锉刀应始终保持同一方向D. 锉削时锉刀应与工件接触面保持一定角度答案:D5. 钳工在攻丝时,丝锥的旋转方向应与()。
A. 工件旋转方向相反B. 工件旋转方向相同C. 工件移动方向相反D. 工件移动方向相同答案:B二、判断题(每题2分,共10分)1. 钳工在进行钻孔作业时,钻头的旋转方向应与工件旋转方向相同。
()答案:×(应相反)2. 钳工在攻丝时,应使用手钳夹持丝锥。
()答案:×(应使用钻夹头)3. 钳工在进行划线作业时,应使用划针在工件表面划出标记。
()答案:√4. 钳工在进行锉削作业时,锉刀应始终保持同一方向。
()答案:×(应与工件接触面保持一定角度)5. 钳工在进行攻丝作业时,丝锥的旋转方向应与工件移动方向相同。
()答案:×(应与工件旋转方向相同)三、简答题(每题10分,共20分)1. 简述钳工在进行平面锉削时应注意哪些事项?答案:在进行平面锉削时,应注意以下事项:首先,锉刀应与工件接触面保持一定角度,以确保锉削效果;其次,锉削时用力要均匀,避免用力过猛导致锉刀损坏或工件变形;再次,锉削过程中应定期检查工件尺寸,确保加工精度;最后,锉削完成后,应清理工件表面,去除锉削产生的毛刺和碎屑。
2. 描述钳工在攻丝过程中的一般步骤。
答案:钳工在攻丝过程中的一般步骤包括:首先,选择合适的丝锥和钻头,确保其规格与工件要求相符;其次,使用钻夹头将丝锥固定,确保丝锥的稳定性;然后,将丝锥对准工件上的孔,开始旋转丝锥进行攻丝;在攻丝过程中,应保持丝锥的旋转方向与工件旋转方向相同,并适时添加切削液以降低摩擦和冷却;最后,攻丝完成后,应清理丝锥和工件上的切屑,并检查螺纹的尺寸和质量。
XXX职业技能竞赛钳工实际操作考试1—制作镶配件考试日期:2018年11月21日8:00-12:00(第一场,10人)2018年11月21日13:30-17:30(第二场,10人)考试地点:萍安钢公司安源炼铁厂维修车间铸铁机配件厂房注意事项1、考试时间:240分钟,试卷分100分,计入综合成绩权重49%,即满分为49分。
2、先按要求在试卷上填写您的考号。
3、考试提前20分钟到候考区,等待工作人员安排抽签等事宜。
4、考生携带制作工具、量具清单如下:工具清单:量具清单:1题目名称:制作镶配件钳工制作比赛试题评分说明:1、赛件按装配图组装,配不上或过盈配合,不得分。
2、不得使用砂轮机、电气动磨头打磨;不得使用纱布、油石打磨、刮刀刮平面,每违反一项扣10分,扣分不得超过30分。
3、制作定额时间为240分钟,不得延时;提前完成也不加分。
4、其他未尽事宜由裁判组裁决。
机修钳工实际操作考试2—零件测绘并电脑绘图考试日期:2018年11月20日14:00-15:20(第一场,10人)2018年11月20日15:40-17:00(第二场,10人)考试地点:萍安钢公司安源炼铁厂技术科注意事项1、考试时间:80分钟,试卷分100分,计入综合成绩权重21%,即满分为21分。
2、用“CAXA电子图板2013”制图软件,在电脑上绘图,标题栏内只允许填选手考号,不允许写选手的姓名和单位,图纸保存在桌面。
3、测绘草图必须上交,不许空白,否则扣30分,但最终评分以电脑图为准。
4、考试提前20分钟到候考区,等待工作人员安排抽签等事宜。
5、考生携带制作工具、量具清单如下:一、工具清单:HB铅笔1只,铅笔刀1把,橡皮1块。
二、量具清单:。
钳工试题及答案一、选择题(每题2分,共20分)1. 钳工常用的基本工具不包括以下哪一项?A. 锉刀B. 锯弓C. 钻头D. 车床2. 钳工划线的主要作用是什么?A. 确定工件的尺寸B. 确定工件的形状C. 确定工件的加工位置D. 确定工件的材质3. 在锉削过程中,正确的操作方式是:A. 用力推锉刀B. 用力拉锉刀C. 锉刀与工件保持一定角度D. 锉刀与工件平行4. 钻孔时,钻头的旋转方向应该是:A. 顺时针B. 逆时针C. 任意方向D. 无旋转5. 攻丝和套丝的区别在于:A. 攻丝是手工操作,套丝是机器操作B. 攻丝是内螺纹加工,套丝是外螺纹加工C. 攻丝是外螺纹加工,套丝是内螺纹加工D. 攻丝和套丝都是机器操作二、判断题(每题1分,共10分)6. 钳工工作时,为了提高效率,可以不使用防护眼镜。
()7. 划线时,工件必须固定在工作台上。
()8. 锉削时,锉刀的锉削方向应与工件表面垂直。
()9. 钻孔时,钻头的直径应小于或等于孔的直径。
()10. 攻丝时,丝锥的旋转方向应与钻头的旋转方向相反。
()三、简答题(每题10分,共30分)11. 简述钳工工作时的安全操作规程。
12. 描述锉削过程中的注意事项。
13. 解释攻丝和套丝的区别及其应用场景。
四、计算题(每题15分,共30分)14. 假设需要加工一个直径为20mm的孔,现有一个直径为18mm的钻头,需要使用多大的扩孔钻头来加工这个孔?15. 如果一个工件需要攻制M10的螺纹,已知螺纹的螺距为1.5mm,计算攻丝时所需的丝锥长度。
五、实操题(每题10分,共10分)16. 描述如何使用锯弓和锯条进行工件的锯割,并简述锯割过程中的注意事项。
钳工试题答案一、选择题1. 答案:D(车床是机械加工设备,不是钳工工具)2. 答案:C(划线主要用于确定工件的加工位置)3. 答案:C(锉刀与工件应保持一定角度)4. 答案:B(钻头的旋转方向应为逆时针)5. 答案:C(攻丝是内螺纹加工,套丝是外螺纹加工)二、判断题6. 答案:×(钳工工作时应佩戴防护眼镜)7. 答案:√(工件需要固定以保证划线准确)8. 答案:×(锉削方向应与工件表面平行)9. 答案:×(钻头直径应大于或等于孔的直径)10. 答案:√(攻丝时丝锥的旋转方向应与钻头相反)三、简答题11. 答案要点:钳工工作时的安全操作规程包括但不限于:正确佩戴个人防护装备,使用工具前检查其完好性,保持工作区域整洁,遵守操作规程,不使用工具进行非规定操作等。
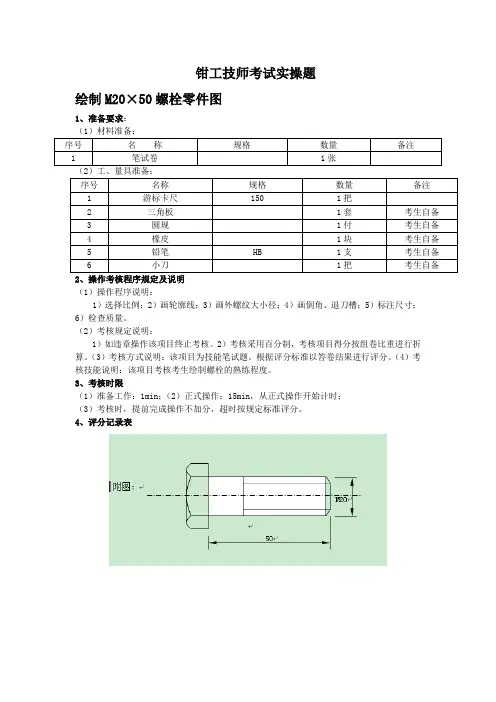
钳工技师考试实操题
绘制M20×50螺栓零件图
1、准备要求:
(1)材料准备:
(1)操作程序说明:
1)选择比例;2)画轮廓线;3)画外螺纹大小径;4)画倒角、退刀槽;5)标注尺寸;6)检查质量。
(2)考核规定说明:
1)如违章操作该项目终止考核。
2)考核采用百分制,考核项目得分按组卷比重进行折算。
(3)考核方式说明:该项目为技能笔试题。
根据评分标准以答卷结果进行评分。
(4)考核技能说明:该项目考核考生绘制螺栓的熟练程度。
3、考核时限
(1)准备工作:1min;(2)正式操作:15min,从正式操作开始计时;
(3)考核时,提前完成操作不加分,超时按规定标准评分。
4、评分记录表
钳工技师实操考核评分记录表
车间:考号:姓名:
试题名称:绘制M20×50螺栓零件图考核时。
钳工实操考试试题
姓名:准考证号:考试时间:120分钟锉削平面1,并达到精度要求(30分)(使用工具有台斧钳、粗锉刀、精锉刀、角规、长方体工件)
1、錾削平面使其达到尺寸要求(25分)(材料准备:台斧钳、铁锤、錾子、角
规,直径为25mmX30mm的圆形棒料)
毛坯图样:
零件图样:
2、使用游标卡尺(30分)(材料准备:游标卡尺、圆形棒料、长方体工件、螺
母)分别测量外圆、内孔、长度
3、安全文明生产(15分)
钳工评分标准
1、锉削评分标准:
(1)锉削姿势:站立姿5分、锉刀的握法5分、动作操作5分(共15分)(2)尺寸精度15分(偏差0.02扣1分)
2、錾削评分标准(25分)
(1)錾削姿势:站立姿5分、锉刀的握法5分、动作操作5分(共15分)(2)尺寸精度10分(每偏差0.05扣2分)
(3)有违规操作视情节扣分(例如用铁锤敲打釜钳的扣8分)
3、游标卡尺(30分)
测量三处:外圆、内孔、长度,每处分值为10分,读数每偏差0.02mm扣1分,偏差大于0.3mm,将取消该分值
4、安全文明生产(15分)
有下列行为的:严重违规操作、扰乱考场纪律、在考场内打闹等与考试无关的事,经监考员警告不改的,将取消该项考试成绩,停止该项目考试,离开考场。
钳工操作技能考核试题技术要求:1. 嵌合后垂直度公差为 0.02mm;2. 件2嵌入件1燕尾槽后,无明显间隙 ,无松动;3. 嵌合处斜面45°角公差为± 2′;4. 如图示虚线位置组合时 A.B 两面齐平差≤ 0.03mm.装配考件名称嵌合角尺毛坯尺寸材料定额工时考件编号δ5×105×35(2 件)Q235A 240 分钟技术要求:1. 燕尾槽按燕尾配作;2. 件2翻转后,与件1之间的配合无明显间隙, 无松动;3. 斜面45°角公差为± 2′;4. 测量时不许用正弦规.分体图考核要求与评分说明:1、评分采取:定人定件号考核,密封编号评分。
2、除“预加工面”以外,任何表面不得采用砂纸打磨、机械加工或机械预加工;否则取消考试资格。
3、考核期间除使用规定的工具外,不得使用超范围的加工工具;否则取消考试资格。
4、每位考核人员只有一个毛坯件,并在规定的时间内一次性完成,不得进行返修,否则返修部分单项不计分数。
5、考核用的工具:由考生自己配备并刃磨,在考核期间的刃磨时间记录在总考核时间内。
6、评分检测时,以最差的测量尺寸作为评分标准。
7、执行标准:公差与配合 ( GB1801-79 )、形状位置公差 (GB1184-80 )、表面粗糙度公差 (GB1031-83 )。
嵌合角尺评分标准下午13 :00 —17 :00B.实行不定时工作制的员工,在保证完成甲方工作任务情况下,经公司同意,可自行安排工作和休息时间。
3 . 1 . 2 打卡制度3.1.2.1 公司实行上、下班指纹录入打卡制度。
全体员工都必须自觉遵守工作时间,实行不定时工作制的员工不必打卡。
3.1.2.2 打卡次数:一日两次,即早上上班打卡一次,下午下班打卡一次。
3.1.2.3 打卡时间:打卡时间为上班到岗时间和下班离岗时间;3.1.2.4 因公外出不能打卡:因公外出不能打卡应填写《外勤登记表》,注明外出日期、事由、外勤起止时间。
钳工实操初级试题及答案一、选择题(每题2分,共20分)1. 钳工常用的量具不包括以下哪一项?A. 游标卡尺B. 千分尺C. 卷尺D. 直尺答案:C2. 下列哪项不是钳工的基本操作?A. 锯削B. 锉削C. 焊接D. 钻孔答案:C3. 锉刀的刀面角度通常为多少?A. 30°B. 45°C. 60°D. 90°答案:B4. 钳工操作中,用于测量工件直径的量具是?A. 卡尺B. 千分尺C. 百分表D. 塞尺答案:B5. 钳工操作中,用于测量深度的量具是?A. 游标卡尺B. 深度尺C. 百分表D. 塞尺答案:B6. 钳工操作中,用于测量孔径的量具是?A. 游标卡尺B. 内径百分表C. 百分表D. 塞尺答案:B7. 钳工操作中,用于测量角度的量具是?A. 游标卡尺B. 角度尺C. 百分表D. 塞尺答案:B8. 下列哪项不是钳工常用的工具?A. 锉刀B. 锯弓C. 电钻D. 手锤答案:C9. 钳工操作中,用于划线的量具是?A. 钢直尺B. 划线规C. 游标卡尺D. 深度尺答案:B10. 钳工操作中,用于测量直线度的量具是?A. 游标卡尺B. 平行规C. 百分表D. 塞尺答案:B二、判断题(每题2分,共20分)1. 钳工操作中,锉刀的刀面角度越大,锉削速度越快。
(对)2. 钳工操作时,锯条的锯齿越锋利,锯削速度越快。
(错)3. 钳工操作中,钻孔时必须使用冷却液。
(错)4. 钳工操作中,锉刀的刀面角度越小,锉削精度越高。
(对)5. 钳工操作时,使用手锤敲击工件时,应垂直于工件表面。
(对)6. 钳工操作中,使用游标卡尺测量工件时,应将卡尺的测量面与工件表面紧密贴合。
(对)7. 钳工操作中,使用锯弓锯削工件时,应保持锯条与工件垂直。
(对)8. 钳工操作中,使用锉刀锉削工件时,应保持锉刀与工件平行。
(错)9. 钳工操作中,使用百分表测量工件时,应将百分表的测头与工件表面垂直。
(对)10. 钳工操作中,使用塞尺测量工件时,应将塞尺插入工件间隙中,直至塞尺无法继续插入。
1、钳工在使用锉刀时,以下哪种握法是正确的?A. 手掌完全包裹锉刀手柄B. 用手指轻轻捏住锉刀尖端C. 只用拇指和食指握住锉刀手柄D. 双手紧握锉刀两端进行推拉(答案)A2、在进行划线作业时,为了获得准确的划线基准,通常首先进行的是?A. 直接在工件上划线B. 清洁工件表面C. 使用划针直接刻划D. 找平与校正工件(答案)D3、以下哪种工具是用来测量工件内外径的?A. 游标卡尺B. 直角尺C. 塞尺D. 深度尺(答案)A4、钳工在进行钻孔操作时,钻孔前应先做什么?A. 直接开钻B. 划好线并打样冲眼C. 选择最大直径的钻头D. 用砂纸打磨工件表面(答案)B5、攻丝时,为了避免丝锥折断,应采取的措施是?A. 一次性完成攻丝,不中断B. 经常反转丝锥以清理切屑C. 使用过大的力量推进丝锥D. 不使用润滑剂(答案)B6、在钳工操作中,用于夹持小型工件进行精细加工的工具是?A. 台虎钳B. 扳手C. 铰杠D. 划线平板(答案)A7、以下哪种方法可以用来检测工件的平面度?A. 用游标卡尺测量厚度B. 用直角尺和塞尺配合检测C. 用深度尺测量孔深D. 用卷尺测量长度(答案)B8、钳工在锯割金属时,为了提高锯割效率和锯条寿命,应?A. 尽量加快锯割速度B. 使用过大的锯割力C. 合理选择锯条齿距和锯割速度D. 锯割过程中频繁更换锯条(答案)C9、在进行锉削加工时,为了获得较好的表面质量,应采取的锉削方法是?A. 单向锉削B. 交叉锉削C. 推锉法D. 始终使用粗齿锉刀(答案)B10、钳工在装配工作中,为了保证零件间的相对位置精度,常采用?A. 直接装配法B. 互换装配法C. 修配装配法D. 任意选择装配法(答案)C。
钳工实践考试试题一、单项选择题(每题2分,共10分)1. 钳工常用的基本操作之一是锉削,锉削时锉刀应该:A. 与工件表面垂直B. 与工件表面呈45度角C. 与工件表面平行D. 与工件表面呈30度角2. 下列哪项不是钳工工作台的主要功能?A. 支撑工件B. 切割材料C. 夹紧工件D. 作为测量基准3. 在钳工加工中,用于测量工件长度的常用工具是:A. 游标卡尺B. 螺旋测微器C. 百分表D. 角度尺4. 钳工在钻孔时,为了提高钻头的使用寿命,应该:A. 快速进给B. 慢速进给C. 不断改变钻头角度D. 使用水冷却5. 下列哪项不是钳工常用的手工工具?A. 锤子B. 扳手C. 螺丝刀D. 电焊机二、判断题(每题1分,共5分)1. 钳工工作时,为了安全,应该始终佩戴防护眼镜。
()2. 使用锉刀时,应该保持锉刀与工件表面的角度不变。
()3. 所有钳工操作都应该在无尘环境中进行。
()4. 钳工在加工过程中,可以随时更换工具,无需特别注意。
()5. 钳工在钻孔时,应该先钻小孔,再逐步扩大孔径。
()三、简答题(每题5分,共20分)1. 简述钳工在进行手工锯削时应注意的事项。
2. 描述钳工在进行手工攻丝和手工套丝时的操作步骤。
3. 解释为什么钳工在加工过程中需要使用台虎钳固定工件。
4. 钳工在进行锉削操作时,如何避免产生毛刺?四、实操题(共65分)1. 锉削平面(15分):使用锉刀锉平一块金属板,要求表面光滑,无明显凹凸不平。
2. 钻孔与扩孔(20分):在给定的工件上钻一个直径为10mm的孔,并扩孔至12mm。
3. 攻丝与套丝(15分):在一端螺纹的棒料上手工攻制M10的螺纹,并在另一端套制相应的螺母。
4. 锯削与测量(15分):使用手工锯锯断一块金属棒料,并使用游标卡尺测量切割面的尺寸,确保尺寸精度在允许误差范围内。
五、综合题(每题10分,共10分)1. 描述钳工在制作一个简单的铰链时需要考虑的因素,并简述其制作过程。
初级钳工实际操作技能题库1. 考核题目:平面划线1.1 技术条件按照给定的图纸,在板料上划线。
1.2 设备、材料、工具:钢板、划规、划针、样冲、手锤1.3 考核时间:1小时《按照给定图纸在板料上划线》考核评分表姓名:准考证号:考核开始时间:考核终止时间:考评组长:考评员:考核日期:年月日2. 考核题目:錾削方法1.1 技术条件正确论述平面錾削、錾油槽、切断板料方法1.2 设备、材料、工具:錾子、手锤1.3 考核时间:0.5小时《论述錾削方法》考核评分表姓名:准考证号:考核开始时间:考评组长:考评员:考核日期:年月日3. 考核题目:锉削平键1.1 技术条件按图纸要求锉削平键至规定尺寸精度1.2 设备、材料、工具:锉刀、手锤、大布、毛刷、卡尺、角尺1.3 考核时间:1小时《锉削平键》考核评分表姓名:准考证号:考核开始时间:考评组长:考评员:考核日期:年月日1.1 技术条件叙述锯割棒料、管料、薄板料、锯槽的方法1.2 设备、材料、工具:手锯、虎钳1.3 考核时间:1小时《锯割方法》考核评分表姓名:准考证号:考核开始时间:考评组长:考评员:考核日期:年月日1.1 技术条件叙述标准麻花钻的刃磨、装夹和钻孔方法1.2 设备、材料、工具:钻头、虎钳、砂轮机、钻床1.3 考核时间:1小时《钻削方法》考核评分表姓名:准考证号:考核开始时间:考评组长:考评员:考核日期:年月日6. 考核题目:攻丝和套丝1.1 技术条件手动攻套丝方法1.2 设备、材料、工具:M12-16丝锥绞手、圆板牙架各一副(带丝锥板牙),活动扳手一支、平口起子1把1.3 考核时间:1小时《攻套丝方法》考核评分表姓名:准考证号:考核开始时间:考评组长:考评员:考核日期:年月日7. 考核题目:螺纹、螺栓连接装配1.1 技术条件叙述螺纹、螺栓连接装配方法1.2 设备、材料、工具:活络扳手1.3 考核时间:1小时《螺纹、螺栓连接装配》考核评分表姓名:准考证号:考核开始时间:考评组长:考评员:考核日期:年月日8. 考核题目:键连接和销连接装配1.1 技术条件叙述键连接和销连接的装配方法1.2 设备、材料、工具:活络扳手、手锤、大布、机油1.3 考核时间:1小时《键连接和销连接装配》考核评分表姓名:准考证号:考核开始时间:考评组长:考评员:考核日期:年月日9. 考核题目:轴承装配1.1 技术条件叙述轴承密封、游隙调整、装配方法1.2 设备、材料、工具:滚动轴承、手锤、铜棒等1.3 考核时间:1小时《轴承的装配》考核评分表姓名:准考证号:考核开始时间:考评组长:考评员:考核日期:年月日10. 考核题目:联轴节的装配(凸缘连轴节、十字沟槽连轴节)1.1 技术条件和要求现场模拟联轴器的装配方法1.2 设备、材料、工具:直尺、活络扳手1.3 考核时间:1小时《联轴节的装配》考核评分表姓名:准考证号:考核开始时间:考评组长:考评员:考核日期:年月日1.2 设备、材料、工具:手锤1.3 考核时间:1小时《管道连接的装配》考核评分表姓名:准考证号:考核开始时间:考评组长:考评员:考核日期:年月日1.2 设备、材料、工具:活络扳手、钳工起子1.3 考核时间:1小时《三角带传动的装配》考核评分表姓名:准考证号:考核开始时间:考评组长:考评员:考核日期:年月日。
初级钳工实操试题及答案一、选择题(每题2分,共10分)1. 钳工常用的量具是()。
A. 游标卡尺B. 千分尺C. 钢直尺D. 以上都是答案:D2. 钳工划线时,一般采用()。
A. 粉笔B. 铅笔C. 划线器D. 以上都不是答案:C3. 下列哪个不是钳工常用的工具()。
A. 手锤B. 锉刀C. 锯条D. 电钻答案:D4. 钳工常用的夹具是()。
A. 台虎钳B. 虎钳C. 台钳D. 以上都是答案:D5. 钳工加工时,为了确保工件的精度,通常需要进行()。
A. 测量B. 打磨C. 抛光D. 焊接答案:A二、填空题(每题2分,共10分)1. 钳工工作台上的平面度误差不得超过______。
答案:0.02mm2. 钳工在进行锉削时,锉刀的移动方向应与工件表面______。
答案:垂直3. 划线时,为了提高精度,通常使用______。
答案:划线器4. 钳工进行钻孔时,需要使用______来固定工件。
答案:台虎钳5. 钳工在进行螺纹加工时,通常使用______。
答案:丝攻或板牙三、简答题(每题5分,共20分)1. 简述钳工划线的作用。
答案:钳工划线的作用是确定工件加工的位置、尺寸和形状,为后续的加工提供准确的依据。
2. 钳工在进行锉削时应注意哪些事项?答案:在进行锉削时,应注意锉刀的握持方式、锉削的方向、力度的控制以及锉削的频率,以保证加工的精度和工件的表面质量。
3. 描述钳工使用台虎钳的步骤。
答案:首先,将工件放置在台虎钳的工作台上,确保工件与钳口平行;然后,用手柄将钳口夹紧,确保工件固定;最后,进行加工。
4. 钳工在进行螺纹加工时,如何保证螺纹的精度?答案:在进行螺纹加工时,应选择合适的丝攻或板牙,使用合适的切削速度和进给速度,并在加工过程中定期检查螺纹的精度。
四、实操题(每题10分,共20分)1. 请在给定的钢板上划出一条直线,并使用锉刀将其加工成45度角。
答案:首先,使用划线器在钢板上划出一条直线;然后,根据45度角的要求,调整划线器的角度;最后,使用锉刀沿着划线进行锉削,直至达到所需的角度。
钳工实操考试试题(5篇)第一篇:钳工实操考试试题千金药业钳工实操考试试题考试班级:考试时间:120分钟锉削平面1,并达到精度要求(30分)(使用工具有台斧钳、粗锉刀、精锉刀、角规、长方体工件)1、錾削平面使其达到尺寸要求(25分)(材料准备:台斧钳、铁锤、錾子、角规,直径为25mmX30mm的圆形棒料)毛坯图样:零件图样:2、使用游标卡尺(30分)(材料准备:游标卡尺、圆形棒料、长方体工件、螺母)分别测量外圆、内孔、长度3、安全文明生产(15分)钳工评分标准1、锉削评分标准:(1)锉削姿势:站立姿5分、锉刀的握法5分、动作操作5分(共15分)(2)尺寸精度15分(偏差0.02扣1分)2、錾削评分标准(25分)(1)錾削姿势:站立姿5分、锉刀的握法5分、动作操作5分(共15分)(2)尺寸精度10分(每偏差0.05扣2分)(3)有违规操作视情节扣分(例如用铁锤敲打釜钳的扣8分)3、游标卡尺(30分)测量三处:外圆、内孔、长度,每处分值为10分,读数每偏差0.02mm扣1分,偏差大于0.3mm,将取消该分值4、安全文明生产(15分)有下列行为的:严重违规操作、扰乱考场纪律、在考场内打闹等与考试无关的事,经监考员警告不改的,将取消该项考试成绩,停止该项目考试,离开考场。
第二篇:钳工实操下一站体验时光匆匆,转瞬间,为期一个月的钳工实操结束叻!我的体会是用八个字概括“虽然辛苦,但很充实”在还没实操之前,刚听到我们班轮到要钳工实操叻,我们都很开心!因为不用每天早早起床值日、也不用去食堂排队、更不用上早自习晚自习…由于实操的日子渐渐逼近!我们也很好奇,去向师兄师姐们打听有关实训。
有的说苦大于乐,有的说乐大于苦!这样的答案,不由得我们对钳工实训更迷惘叻!虽然说实训不用早起值日等,我们都很开心,但快乐的背后是要付出代价的!当经过钳工专业的老师一个星期的诉说钳工操作规程与安全时,我们开始有些紧张叻!在想锯子能把工件(一块铁)锯叻吗?能做出形状来么?等等的不解…实话说钳工实操是很枯燥、无味,也许一个动作,就要一整天的在工件上来来回回的做!当然,要是没有端正好心态、在做工件时没FeeL,是做不出一个好的作品!开始我的心情系满满疑问,经过一个月的钳工实操,让我认识到了钳工们的不易!同时也系为了对学生牢固树立吃苦耐劳、坚苦奋斗精神,在实训中不怕苦,不怕累,勤学苦练,扎扎实实地掌握操作技能。
考件编号:
注 意 事 项 一、本试卷依据2009年颁布的《工具钳工 国家职业标准》命制; 二、本试卷试题如无特别注明,则为全国通用; 三、请考生仔细阅读试题的具体考核要求,并按要求完成操作或进行笔答或口答; 四、操作技能考核时要遵守考场纪律,服从考场管理人员指挥,以保证考核安全顺利进行。
工量刃具及设备的使用
考
生
答
题
不
准
超
过
此
线
考件编号:
限位块加工操作
(1)本题分值:85分。
(2)考核时间:300分钟。
(3)具体考核要求:
a)公差等级:锉配IT7、研磨IT5。
b)形位公差:锉削平行度7级、垂直度7级、对称度9级。
c)表面粗糙度:锉削面Ra3.2、研磨Ra0.2。
d)配合间隙:≤0.04。
(4)试题图及技术要求:。
钳工实操试题
1.比赛考件:嵌合角尺(要求180分钟完成工作。
)
分 体 图
2、考核要求与评分说明:
1、 评分采取:定人定件号考核,密封编号评分。
2、 除“预加工面”以外,任何表面不得采用砂纸打磨、机械加工或机械预加工;否则取消
考试资格。
3、 考核期间除使用规定的工具外,不得使用超范围的加工工具;否则取消考试资格。
4、 每位考核人员只有一个毛坯件,并在规定的时间内一次性完成,不得进行返修,否则返
修部分单项不计分数。
1.燕尾槽按燕尾配作;
2.件2翻转后,与件1之间的配合无明显间隙,无松动;
3.斜面45°角公差为±2′;
4.测量时不许用正弦规.技术要求:
5、考核用的工具:由考生自己配备并刃磨,在考核期间的刃磨时间记录在总考核时间内。
6、评分检测时,以最差的测量尺寸作为评分标准。
7、执行标准:公差与配合(GB1801-79)、形状位置公差(GB1184-80)、表面粗糙度公差(GB1031-83)。
嵌合角尺评分标准。