工具钳工实操试题
- 格式:doc
- 大小:204.00 KB
- 文档页数:5
工具钳工(初级)实操模拟考试1、【判断题】注射机操作过程中应注意观察压力油的温度,液压油的理想工作温度应保持在45~50℃之间,一般在35~60℃范围内比较合适。
(√)2、【判断题】设备,工具的管理是车间生产管理的主要内容之一。
(×)3、【判断题】T4145坐标镗床保证坐标精度为0.04mm。
(×)4、【判断题】对于宽度不大的旋转体,可以认为其偏心重量是位于同一回转平面内的,我们把这样的不平衡旋转体称为静不平衡的旋转体。
(√)5、【判断题】新铣床验收中发现有几何精度误差,操作工作应负责进行修复。
(×)6、【判断题】调整X62W型铣床主轴轴承间隙时,应先松开紧固螺钉,用扳手勾住调节螺母,然后将主轴顺时针旋转至转不动后,再使主轴反转一个角度,以获得所需间隙。
(√)7、【判断题】使用手电钻时必须戴绝缘手套,换钻头时须拔下插头。
(√)8、【判断题】型模多推杆装配时,可将推杆与推杆孔进行选配,并将推杆孔入口处及推杆顶端倒成小圆角。
(√)9、【判断题】铰削铸铁件时,加煤油可造成孔径缩小。
(×)10、【判断题】圆柱度公差带形状是一个圆柱。
(×)11、【判断题】齿轮传动的传动比是主动齿轮与从动齿轮角速度(或转速)的比值。
(√)12、【判断题】检验砂轮主轴轴线与头架主轴轴线的等高度时,头架应在热态下检验。
(√)13、【判断题】切削时,切削速度越快,刀具磨损就越厉害。
(×)14、【判断题】镗床在作空载运转试验时,对温升没有要求。
(×)15、【判断题】杠杆千分尺同杠杆卡规类似,只能用于相对测量。
(×)16、【判断题】知识产权是一种财产权。
(×)17、【判断题】万能渐开线检查仪测量时,当测头移过的距离恰好与被测齿轮转过Ф角时的基圆展开弧长相适应时,测头必有理论渐开线位置(√)18、【判断题】在万能卧式铣床上用先对刀,后转动工作台的方法加工螺旋槽工件,影响槽的位置精度的主要因素是工作台回转中心对主轴旋转中心及工作台中央T形槽偏差过大。
初级钳工实际操作技能题库1. 考核题目:平面划线1.1 技术条件按照给定的图纸,在板料上划线。
1.2 设备、材料、工具:钢板、划规、划针、样冲、手锤1.3 考核时间:1小时《按照给定图纸在板料上划线》考核评分表姓名:准考证号:考核开始时间:考核终止时间:考评组长:考评员:考核日期:年月日2. 考核题目:錾削方法1.1 技术条件正确论述平面錾削、錾油槽、切断板料方法1.2 设备、材料、工具:錾子、手锤1.3 考核时间:0.5小时《论述錾削方法》考核评分表姓名:准考证号:考核开始时间:考评组长:考评员:考核日期:年月日3. 考核题目:锉削平键1.1 技术条件按图纸要求锉削平键至规定尺寸精度1.2 设备、材料、工具:锉刀、手锤、大布、毛刷、卡尺、角尺1.3 考核时间:1小时《锉削平键》考核评分表姓名:准考证号:考核开始时间:考评组长:考评员:考核日期:年月日1.1 技术条件叙述锯割棒料、管料、薄板料、锯槽的方法1.2 设备、材料、工具:手锯、虎钳1.3 考核时间:1小时《锯割方法》考核评分表姓名:准考证号:考核开始时间:考评组长:考评员:考核日期:年月日1.1 技术条件叙述标准麻花钻的刃磨、装夹和钻孔方法1.2 设备、材料、工具:钻头、虎钳、砂轮机、钻床1.3 考核时间:1小时《钻削方法》考核评分表姓名:准考证号:考核开始时间:考评组长:考评员:考核日期:年月日6. 考核题目:攻丝和套丝1.1 技术条件手动攻套丝方法1.2 设备、材料、工具:M12-16丝锥绞手、圆板牙架各一副(带丝锥板牙),活动扳手一支、平口起子1把1.3 考核时间:1小时《攻套丝方法》考核评分表姓名:准考证号:考核开始时间:考评组长:考评员:考核日期:年月日7. 考核题目:螺纹、螺栓连接装配1.1 技术条件叙述螺纹、螺栓连接装配方法1.2 设备、材料、工具:活络扳手1.3 考核时间:1小时《螺纹、螺栓连接装配》考核评分表姓名:准考证号:考核开始时间:考评组长:考评员:考核日期:年月日8. 考核题目:键连接和销连接装配1.1 技术条件叙述键连接和销连接的装配方法1.2 设备、材料、工具:活络扳手、手锤、大布、机油1.3 考核时间:1小时《键连接和销连接装配》考核评分表姓名:准考证号:考核开始时间:考评组长:考评员:考核日期:年月日9. 考核题目:轴承装配1.1 技术条件叙述轴承密封、游隙调整、装配方法1.2 设备、材料、工具:滚动轴承、手锤、铜棒等1.3 考核时间:1小时《轴承的装配》考核评分表姓名:准考证号:考核开始时间:考评组长:考评员:考核日期:年月日10. 考核题目:联轴节的装配(凸缘连轴节、十字沟槽连轴节)1.1 技术条件和要求现场模拟联轴器的装配方法1.2 设备、材料、工具:直尺、活络扳手1.3 考核时间:1小时《联轴节的装配》考核评分表姓名:准考证号:考核开始时间:考评组长:考评员:考核日期:年月日1.2 设备、材料、工具:手锤1.3 考核时间:1小时《管道连接的装配》考核评分表姓名:准考证号:考核开始时间:考评组长:考评员:考核日期:年月日1.2 设备、材料、工具:活络扳手、钳工起子1.3 考核时间:1小时《三角带传动的装配》考核评分表姓名:准考证号:考核开始时间:考评组长:考评员:考核日期:年月日。
钳工初级操作技能考核试题考生编号:姓名: 准考证号: 单位:钳工初级操作技能考核试题评分细则工种机修钳工试件编号单位总得分时间设备编号姓名序号考核项目考核内容及要求配分评分标准检测结果扣分得分备注1尺寸精度36 0 -0.168 超差不得分2 36±0.508 超差不得分3 20 0 -0.13 16 超差不得分4 16 0 -0.188 超差不得分5 16 8 超差不得分6 表面质量锯削Ra50 8 超差不得分7 其余Ra3.28 超差不得分8 形状位置精度⊥0.10 B C 8 超差不得分9 0.10 A 8 超差不得分10文明生产劳动护具 5着装不规范,酌情扣分,扣完为止11 机床保养 5 未搞机床卫生,或卫生马虎,酌情扣分,扣完为止12 工量具摆放10 摆放不合理,酌情扣分,扣完为止记录员监考员检验员考评员钳工初级操作技能考核试题准备单一、工具、材料和设备的准备1、考场应干净整洁,无环境干扰。
2、考前由考务管理人员检查考场各考位应准备的器材、工具是否齐全,所贴考号是否有遗漏。
3、其它配套设施,由考场准备。
三、选择考核项目时应考虑的其他因素(1)本项目满分100分。
(2)本项目考核时间限定在180分钟。
(3)在机修钳工时,现场应有2名考评员,其中1人任现场监护。
(4)本内容作为专门从事机修钳工操作人员的重点考核内容之一,考核时应优先选择。
年月日钳工初级操作技能考核试题毛坯准备说明。
中级钳工试题图纸及答案一、选择题(每题2分,共20分)1. 钳工常用的量具不包括以下哪一项?A. 游标卡尺B. 千分尺C. 钢卷尺D. 角度尺答案:C2. 在钳工操作中,用于夹持工件的常用工具是?A. 台虎钳B. 手锯C. 锉刀D. 钻床答案:A3. 钳工划线时,用于确定工件尺寸的基准是?A. 工件表面B. 划线平台C. 划线工具D. 工件边缘答案:B4. 下列哪项不是钳工的基本操作?A. 锯削B. 锉削C. 车削D. 钻孔答案:C5. 钳工在加工过程中,用于去除毛刺的工具是?A. 锉刀B. 砂纸C. 手锯D. 钻头答案:A6. 钳工在进行螺纹加工时,通常使用的工具是?A. 丝锥B. 铰刀C. 车刀D. 铣刀答案:A7. 在钳工操作中,用于测量孔径的工具是?A. 游标卡尺B. 千分尺C. 塞规D. 钢卷尺答案:C8. 钳工在进行平面加工时,常用的工具是?A. 锉刀B. 手锯C. 钻头D. 铣刀答案:A9. 钳工在进行角度加工时,常用的量具是?A. 游标卡尺B. 角度尺C. 千分尺D. 塞规答案:B10. 钳工在进行孔加工时,用于确定孔深度的工具是?A. 塞规B. 游标卡尺C. 深度尺D. 钢卷尺答案:C二、判断题(每题2分,共20分)1. 钳工操作中,使用手锯时,锯条的锯齿应朝前。
()答案:对2. 钳工在划线时,应使用铅笔作为划线工具。
()答案:错3. 钳工在进行锉削时,应保持锉刀与工件表面垂直。
()答案:对4. 钳工在进行钻孔时,钻头的直径应小于或等于孔径。
()答案:错5. 钳工在进行螺纹加工时,丝锥的螺纹应与工件的螺纹方向相反。
()答案:错6. 钳工在进行平面加工时,锉刀的移动方向应与工件表面平行。
()答案:对7. 钳工在进行孔加工时,使用塞规可以测量孔的深度。
()答案:错8. 钳工在进行角度加工时,角度尺可以测量任意角度。
()答案:错9. 钳工在进行螺纹加工时,丝锥的螺纹应与工件的螺纹方向相同。
一、选择题1. 钳工的基本操作步骤不包括以下哪一项?A. 划线B. 锯割C. 锉削D. 钻孔2. 钳工工具中,用于锉削的工具是:A. 锤子B. 钻头C. 锉刀D. 钻床3. 钳工实习中,以下哪种工具不属于量具?A. 尺子B. 角尺C. 量筒D. 卡尺4. 钳工实习中,划线时使用的线条为:A. 横线B. 竖线C. 斜线D. 点线5. 钳工实习中,锯割时使用的锯条类型为:A. 钢锯条B. 木锯条C. 砂轮锯条D. 钢丝锯条6. 钳工实习中,锉削时保持锉刀的平直运动是锉削的关键,以下哪种说法是正确的?A. 锉刀推进时,前手压力逐渐减小后手压力大B. 锉刀推进时,前手压力逐渐增大后手压力减小C. 锉刀推到中间位置时,两手压力相同D. 锉刀返回时不施加压力7. 钳工实习中,钻孔时使用的工具是:A. 钻头B. 锤子C. 锉刀D. 钻床8. 钳工实习中,攻螺纹时使用的工具是:A. 攻丝器B. 锤子C. 锉刀D. 钻床9. 钳工实习中,套螺纹时使用的工具是:A. 套丝器B. 锤子C. 锉刀D. 钻床10. 钳工实习中,装配时使用的工具是:A. 锤子B. 钻头C. 锉刀D. 螺丝刀二、填空题1. 钳工实习中,划线时使用的线条有__________、__________、__________。
2. 钳工实习中,锯割时使用的锯条类型有__________、__________、__________。
3. 钳工实习中,锉削时保持锉刀的平直运动是锉削的关键,锉刀推进时,前手压力逐渐减小后手压力大,锉刀推到中间位置时,两手压力__________。
4. 钳工实习中,钻孔时使用的工具是__________。
5. 钳工实习中,攻螺纹时使用的工具是__________。
6. 钳工实习中,套螺纹时使用的工具是__________。
7. 钳工实习中,装配时使用的工具是__________。
三、简答题1. 简述钳工实习的目的和意义。
2. 简述钳工实习的基本操作步骤。
钳工实操试题1、题目利用主办方提供得机加工件毛坯在规定时间内制作阶梯镶配件。
(附图)3.2其余技术要求:1、以左件为基准,右件配作,配合后互换间隙≤0.04毫米,配合后错位量≤0.04毫米。
2、内角处不得开槽钻孔。
配合后2、评分标准:钳工技能竞赛评分表裁判组长: 裁判员: 日期:注: 每提前半小时交卷者加2分,以此类推、加分最多不超过10分、2、实际操作竞赛要求及赛场纪律2.1.1参赛板件材料由赛场指挥组提供,选手不得自带材料进入赛场内。
2、1、2选手需在组委会给定得时间内,按规定时间内完成划线、锉削、錾削、锯割、工件配合,达到试题要求,其时间长度不得超过10分钟。
2.1.3选手不得在工件上制造明显得异常标记。
2、1、4选手不得自带工具入场,所有工具均由组委会提供。
2、1、5选手一旦告知裁判完成,不得再对工件进行任何处理。
2、1、6选手迟到15min,取消本场参赛资格,成绩记为0分。
2、1、7退出竞赛或被取消参赛资格得选手应立即离开现场。
3、比赛计时得规定3、1赛前准备工作应在指定得时间内完成,未完成者,其拖延时间计入正式比赛得时间内。
3、2比赛到规定得时间工件未能完成,可加算延长期,但超过得时间需按竞赛评标准进行扣分。
延长期最多不超过10分钟,延长期到无论工件就是否完成,比赛即行终止,监督人员收回工件。
3、3工件制作完成后,应将工件摆放到指定位置,由计时人员停止计时。
3、4比赛中遇有非人为因素而中断时,选手应立即向监督人员报告,中断时间可减去不计。
4、成绩评定与评分标准4、1技能两项比赛得总成绩满分为100分。
4、2各技能成绩按外观工艺、工件配合质量与速度三项指标评定。
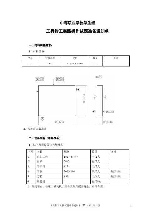
中等职业学校学生组
工具钳工实践操作试题准备通知单
一、材料准备要求:
1、材料准备
序号材料名称规格数量备注
1 45 81×71×12mm 1
2、按鉴定人数准备
二、设备准备(考场准备)
1、以下所需设备由考场准备
序号名称规格数量备注
1 台钳工位150(台钳)个/1人
2 台钻Z412 台/8人
3 平口钳125 个/8人
4 平板300×400 块/2人精度1级
5 方箱150 个/4人精度1级
6 砂轮机台/20人
2、划线平台、钻床、砂轮机、钳台及附件配套齐全,布局合理。
三、工量刃具准备(考生准备)
中等职业学校学生组
工具钳工实践操作试题
选送单位:竞赛号:姓名:
一、设备使用、工、量具使用及安全文明生产
序号考核内容考核要求
1 安全文明生产1)正确执行国家有关安全技术操作规程2)正确执行企业有关文明生产规定
2 设备使用各种相关及辅助设备的使用符合设备使用有关规定
3 工、量具使用各种工具、量具的使用符合有关规定
备注(1)钳工操作考试应严格遵守《钳工安全操作规程》。
(2)钳工装配操作考试,除遵守《钳工安全操作规程》外,还应严格遵守《装配钳工安全操作规程》。
(3)以上《规程》参见机械电子工业部质量安全司编《机械工人安全技术操作规程》。
二、燕尾卡板
考核要求:
(1)公差等级:锉削IT7、铰孔IT7
(2)形位公差:锉削0.03~0.02mm、铰孔0.03~0.02mm (3)表面粗糙度:锉削Ra1.6μm、铰孔0.8μm
(4)时间定额:240分钟
图形及技术要求:。
一级钳工考试试题及答案一、选择题(每题2分,共10分)1. 钳工常用的测量工具是()。
A. 卡尺B. 千分尺C. 量规D. 所有选项答案:D2. 钳工划线时,常用的工具不包括()。
A. 划针B. 划线盘C. 锤子D. 钢直尺答案:C3. 钳工在钻孔时,钻头的夹持工具是()。
A. 手钳B. 钻夹头C. 扳手D. 螺丝刀答案:B4. 钳工在进行锉削作业时,正确的操作是()。
A. 锉刀与工件接触面应保持垂直B. 锉削时用力过猛C. 锉刀应始终保持同一方向D. 锉削时锉刀应与工件接触面保持一定角度答案:D5. 钳工在攻丝时,丝锥的旋转方向应与()。
A. 工件旋转方向相反B. 工件旋转方向相同C. 工件移动方向相反D. 工件移动方向相同答案:B二、判断题(每题2分,共10分)1. 钳工在进行钻孔作业时,钻头的旋转方向应与工件旋转方向相同。
()答案:×(应相反)2. 钳工在攻丝时,应使用手钳夹持丝锥。
()答案:×(应使用钻夹头)3. 钳工在进行划线作业时,应使用划针在工件表面划出标记。
()答案:√4. 钳工在进行锉削作业时,锉刀应始终保持同一方向。
()答案:×(应与工件接触面保持一定角度)5. 钳工在进行攻丝作业时,丝锥的旋转方向应与工件移动方向相同。
()答案:×(应与工件旋转方向相同)三、简答题(每题10分,共20分)1. 简述钳工在进行平面锉削时应注意哪些事项?答案:在进行平面锉削时,应注意以下事项:首先,锉刀应与工件接触面保持一定角度,以确保锉削效果;其次,锉削时用力要均匀,避免用力过猛导致锉刀损坏或工件变形;再次,锉削过程中应定期检查工件尺寸,确保加工精度;最后,锉削完成后,应清理工件表面,去除锉削产生的毛刺和碎屑。
2. 描述钳工在攻丝过程中的一般步骤。
答案:钳工在攻丝过程中的一般步骤包括:首先,选择合适的丝锥和钻头,确保其规格与工件要求相符;其次,使用钻夹头将丝锥固定,确保丝锥的稳定性;然后,将丝锥对准工件上的孔,开始旋转丝锥进行攻丝;在攻丝过程中,应保持丝锥的旋转方向与工件旋转方向相同,并适时添加切削液以降低摩擦和冷却;最后,攻丝完成后,应清理丝锥和工件上的切屑,并检查螺纹的尺寸和质量。
钳工实操考试试题
姓名:准考证号:考试时间:120分钟锉削平面1,并达到精度要求(30分)(使用工具有台斧钳、粗锉刀、精锉刀、角规、长方体工件)
1、錾削平面使其达到尺寸要求(25分)(材料准备:台斧钳、铁锤、錾子、角
规,直径为25mmX30mm的圆形棒料)
毛坯图样:
零件图样:
2、使用游标卡尺(30分)(材料准备:游标卡尺、圆形棒料、长方体工件、螺
母)分别测量外圆、内孔、长度
3、安全文明生产(15分)
钳工评分标准
1、锉削评分标准:
(1)锉削姿势:站立姿5分、锉刀的握法5分、动作操作5分(共15分)(2)尺寸精度15分(偏差0.02扣1分)
2、錾削评分标准(25分)
(1)錾削姿势:站立姿5分、锉刀的握法5分、动作操作5分(共15分)(2)尺寸精度10分(每偏差0.05扣2分)
(3)有违规操作视情节扣分(例如用铁锤敲打釜钳的扣8分)
3、游标卡尺(30分)
测量三处:外圆、内孔、长度,每处分值为10分,读数每偏差0.02mm扣1分,偏差大于0.3mm,将取消该分值
4、安全文明生产(15分)
有下列行为的:严重违规操作、扰乱考场纪律、在考场内打闹等与考试无关的事,经监考员警告不改的,将取消该项考试成绩,停止该项目考试,离开考场。
钳工实操初级试题及答案一、选择题(每题2分,共20分)1. 钳工常用的量具不包括以下哪一项?A. 游标卡尺B. 千分尺C. 卷尺D. 直尺答案:C2. 下列哪项不是钳工的基本操作?A. 锯削B. 锉削C. 焊接D. 钻孔答案:C3. 锉刀的刀面角度通常为多少?A. 30°B. 45°C. 60°D. 90°答案:B4. 钳工操作中,用于测量工件直径的量具是?A. 卡尺B. 千分尺C. 百分表D. 塞尺答案:B5. 钳工操作中,用于测量深度的量具是?A. 游标卡尺B. 深度尺C. 百分表D. 塞尺答案:B6. 钳工操作中,用于测量孔径的量具是?A. 游标卡尺B. 内径百分表C. 百分表D. 塞尺答案:B7. 钳工操作中,用于测量角度的量具是?A. 游标卡尺B. 角度尺C. 百分表D. 塞尺答案:B8. 下列哪项不是钳工常用的工具?A. 锉刀B. 锯弓C. 电钻D. 手锤答案:C9. 钳工操作中,用于划线的量具是?A. 钢直尺B. 划线规C. 游标卡尺D. 深度尺答案:B10. 钳工操作中,用于测量直线度的量具是?A. 游标卡尺B. 平行规C. 百分表D. 塞尺答案:B二、判断题(每题2分,共20分)1. 钳工操作中,锉刀的刀面角度越大,锉削速度越快。
(对)2. 钳工操作时,锯条的锯齿越锋利,锯削速度越快。
(错)3. 钳工操作中,钻孔时必须使用冷却液。
(错)4. 钳工操作中,锉刀的刀面角度越小,锉削精度越高。
(对)5. 钳工操作时,使用手锤敲击工件时,应垂直于工件表面。
(对)6. 钳工操作中,使用游标卡尺测量工件时,应将卡尺的测量面与工件表面紧密贴合。
(对)7. 钳工操作中,使用锯弓锯削工件时,应保持锯条与工件垂直。
(对)8. 钳工操作中,使用锉刀锉削工件时,应保持锉刀与工件平行。
(错)9. 钳工操作中,使用百分表测量工件时,应将百分表的测头与工件表面垂直。
(对)10. 钳工操作中,使用塞尺测量工件时,应将塞尺插入工件间隙中,直至塞尺无法继续插入。
1、钳工在使用锉刀时,以下哪种握法是正确的?A. 手掌完全包裹锉刀手柄B. 用手指轻轻捏住锉刀尖端C. 只用拇指和食指握住锉刀手柄D. 双手紧握锉刀两端进行推拉(答案)A2、在进行划线作业时,为了获得准确的划线基准,通常首先进行的是?A. 直接在工件上划线B. 清洁工件表面C. 使用划针直接刻划D. 找平与校正工件(答案)D3、以下哪种工具是用来测量工件内外径的?A. 游标卡尺B. 直角尺C. 塞尺D. 深度尺(答案)A4、钳工在进行钻孔操作时,钻孔前应先做什么?A. 直接开钻B. 划好线并打样冲眼C. 选择最大直径的钻头D. 用砂纸打磨工件表面(答案)B5、攻丝时,为了避免丝锥折断,应采取的措施是?A. 一次性完成攻丝,不中断B. 经常反转丝锥以清理切屑C. 使用过大的力量推进丝锥D. 不使用润滑剂(答案)B6、在钳工操作中,用于夹持小型工件进行精细加工的工具是?A. 台虎钳B. 扳手C. 铰杠D. 划线平板(答案)A7、以下哪种方法可以用来检测工件的平面度?A. 用游标卡尺测量厚度B. 用直角尺和塞尺配合检测C. 用深度尺测量孔深D. 用卷尺测量长度(答案)B8、钳工在锯割金属时,为了提高锯割效率和锯条寿命,应?A. 尽量加快锯割速度B. 使用过大的锯割力C. 合理选择锯条齿距和锯割速度D. 锯割过程中频繁更换锯条(答案)C9、在进行锉削加工时,为了获得较好的表面质量,应采取的锉削方法是?A. 单向锉削B. 交叉锉削C. 推锉法D. 始终使用粗齿锉刀(答案)B10、钳工在装配工作中,为了保证零件间的相对位置精度,常采用?A. 直接装配法B. 互换装配法C. 修配装配法D. 任意选择装配法(答案)C。
钳工实践考试试题一、单项选择题(每题2分,共10分)1. 钳工常用的基本操作之一是锉削,锉削时锉刀应该:A. 与工件表面垂直B. 与工件表面呈45度角C. 与工件表面平行D. 与工件表面呈30度角2. 下列哪项不是钳工工作台的主要功能?A. 支撑工件B. 切割材料C. 夹紧工件D. 作为测量基准3. 在钳工加工中,用于测量工件长度的常用工具是:A. 游标卡尺B. 螺旋测微器C. 百分表D. 角度尺4. 钳工在钻孔时,为了提高钻头的使用寿命,应该:A. 快速进给B. 慢速进给C. 不断改变钻头角度D. 使用水冷却5. 下列哪项不是钳工常用的手工工具?A. 锤子B. 扳手C. 螺丝刀D. 电焊机二、判断题(每题1分,共5分)1. 钳工工作时,为了安全,应该始终佩戴防护眼镜。
()2. 使用锉刀时,应该保持锉刀与工件表面的角度不变。
()3. 所有钳工操作都应该在无尘环境中进行。
()4. 钳工在加工过程中,可以随时更换工具,无需特别注意。
()5. 钳工在钻孔时,应该先钻小孔,再逐步扩大孔径。
()三、简答题(每题5分,共20分)1. 简述钳工在进行手工锯削时应注意的事项。
2. 描述钳工在进行手工攻丝和手工套丝时的操作步骤。
3. 解释为什么钳工在加工过程中需要使用台虎钳固定工件。
4. 钳工在进行锉削操作时,如何避免产生毛刺?四、实操题(共65分)1. 锉削平面(15分):使用锉刀锉平一块金属板,要求表面光滑,无明显凹凸不平。
2. 钻孔与扩孔(20分):在给定的工件上钻一个直径为10mm的孔,并扩孔至12mm。
3. 攻丝与套丝(15分):在一端螺纹的棒料上手工攻制M10的螺纹,并在另一端套制相应的螺母。
4. 锯削与测量(15分):使用手工锯锯断一块金属棒料,并使用游标卡尺测量切割面的尺寸,确保尺寸精度在允许误差范围内。
五、综合题(每题10分,共10分)1. 描述钳工在制作一个简单的铰链时需要考虑的因素,并简述其制作过程。
初级钳工实操试题及答案一、选择题(每题2分,共10分)1. 钳工常用的量具是()。
A. 游标卡尺B. 千分尺C. 钢直尺D. 以上都是答案:D2. 钳工划线时,一般采用()。
A. 粉笔B. 铅笔C. 划线器D. 以上都不是答案:C3. 下列哪个不是钳工常用的工具()。
A. 手锤B. 锉刀C. 锯条D. 电钻答案:D4. 钳工常用的夹具是()。
A. 台虎钳B. 虎钳C. 台钳D. 以上都是答案:D5. 钳工加工时,为了确保工件的精度,通常需要进行()。
A. 测量B. 打磨C. 抛光D. 焊接答案:A二、填空题(每题2分,共10分)1. 钳工工作台上的平面度误差不得超过______。
答案:0.02mm2. 钳工在进行锉削时,锉刀的移动方向应与工件表面______。
答案:垂直3. 划线时,为了提高精度,通常使用______。
答案:划线器4. 钳工进行钻孔时,需要使用______来固定工件。
答案:台虎钳5. 钳工在进行螺纹加工时,通常使用______。
答案:丝攻或板牙三、简答题(每题5分,共20分)1. 简述钳工划线的作用。
答案:钳工划线的作用是确定工件加工的位置、尺寸和形状,为后续的加工提供准确的依据。
2. 钳工在进行锉削时应注意哪些事项?答案:在进行锉削时,应注意锉刀的握持方式、锉削的方向、力度的控制以及锉削的频率,以保证加工的精度和工件的表面质量。
3. 描述钳工使用台虎钳的步骤。
答案:首先,将工件放置在台虎钳的工作台上,确保工件与钳口平行;然后,用手柄将钳口夹紧,确保工件固定;最后,进行加工。
4. 钳工在进行螺纹加工时,如何保证螺纹的精度?答案:在进行螺纹加工时,应选择合适的丝攻或板牙,使用合适的切削速度和进给速度,并在加工过程中定期检查螺纹的精度。
四、实操题(每题10分,共20分)1. 请在给定的钢板上划出一条直线,并使用锉刀将其加工成45度角。
答案:首先,使用划线器在钢板上划出一条直线;然后,根据45度角的要求,调整划线器的角度;最后,使用锉刀沿着划线进行锉削,直至达到所需的角度。
初级钳工实际操作试题(一)初级钳工技能试卷特征一、本试卷依据中华人民共和国钳工技术等级标准和《钳工职业技能鉴定规范》命制。
二、本试卷试题凸型块的加工涉及到识图、形位公差、划线、锯锉钻孔、攻丝等面的内容,目的在于提高初级钳工的基本操作技能。
三、本试卷试题技术含量较高,有一定的难度,要求考生具有一定的理论和实际操作水平,可适用于初级钳工技能考核需要。
四、本试卷操作时间适中,操作使用普通设备,可行性较强,便于实施。
五、本试卷经专家审定认为能够测试初级钳工的技能水平。
初级钳工技能考试准备通知单请各位考生在考试前认真阅读此单,并按要求逐一做好各项准备工作。
一、材料准备1、所需材料由鉴定单位准备2、备注:按鉴定实际人数准备。
二、设备准备2、划线平台、钻床、砂轮机、钳台及附件配套齐全,布局合理。
三、工、量、刃具准备2、①小型工具可根据鉴定单位具备的条件通知个人自备。
②检验量具为检验专用。
四、考场准备1、工房面积不小于300m2。
2、设工位30个。
3、同时容纳30人鉴定。
4、照明良好,光线充足。
5、工位、工件统一编号,考生抽号就岗。
6、水、电、采暖降温及安全设施齐全。
7、整洁规范无干扰。
五、评分人员要求1、热爱本职工作、遵守考评各项规则及要求。
2、考评人员必须具有高级工或技师、中级专业技术职务及以上资格,同时经专门培训、考核,对鉴定工作较熟悉。
3、现场监考、评分人及统计员构成为:(3~5):3:1。
4、现场监考人员应提前15分钟到场,按实际操作考场规则运作。
5、评分员需回避考试现场,进入评判室做好评分准备,依据评分标准打分。
6、统计员作好分数统计及保密,评分表不得有更改。
初级钳工技能试卷(一)一、说明1、试卷遵循实用性、典型性、可行性、重在提高的指导思想。
2、编制依据《中华人民共和国钳工工人技术等级标准》和《中华人民共和国钳工职业技能鉴定规范》。
3、全国通用、无地域和行业限制、无特殊要求。
二、项目:锉削平面1,并达到精度要求(30分)(使用工具有台斧钳、粗锉刀、精锉刀、角规、长方体工件)錾削平面使其达到尺寸要求(25分)(材料准备:台斧钳、铁锤、錾子、角规,直径为25mmX30mm的圆形棒料)毛坯图样:零件图样:(1)使用游标卡尺(30分)(材料准备:游标卡尺、圆形棒料、长方体工件、螺母)分别测量外圆、内孔、长度(2)安全文明生产(15分)三、考核总时限1、准备时间:15分钟。
钳工实操考试试题(5篇)第一篇:钳工实操考试试题千金药业钳工实操考试试题考试班级:考试时间:120分钟锉削平面1,并达到精度要求(30分)(使用工具有台斧钳、粗锉刀、精锉刀、角规、长方体工件)1、錾削平面使其达到尺寸要求(25分)(材料准备:台斧钳、铁锤、錾子、角规,直径为25mmX30mm的圆形棒料)毛坯图样:零件图样:2、使用游标卡尺(30分)(材料准备:游标卡尺、圆形棒料、长方体工件、螺母)分别测量外圆、内孔、长度3、安全文明生产(15分)钳工评分标准1、锉削评分标准:(1)锉削姿势:站立姿5分、锉刀的握法5分、动作操作5分(共15分)(2)尺寸精度15分(偏差0.02扣1分)2、錾削评分标准(25分)(1)錾削姿势:站立姿5分、锉刀的握法5分、动作操作5分(共15分)(2)尺寸精度10分(每偏差0.05扣2分)(3)有违规操作视情节扣分(例如用铁锤敲打釜钳的扣8分)3、游标卡尺(30分)测量三处:外圆、内孔、长度,每处分值为10分,读数每偏差0.02mm扣1分,偏差大于0.3mm,将取消该分值4、安全文明生产(15分)有下列行为的:严重违规操作、扰乱考场纪律、在考场内打闹等与考试无关的事,经监考员警告不改的,将取消该项考试成绩,停止该项目考试,离开考场。
第二篇:钳工实操下一站体验时光匆匆,转瞬间,为期一个月的钳工实操结束叻!我的体会是用八个字概括“虽然辛苦,但很充实”在还没实操之前,刚听到我们班轮到要钳工实操叻,我们都很开心!因为不用每天早早起床值日、也不用去食堂排队、更不用上早自习晚自习…由于实操的日子渐渐逼近!我们也很好奇,去向师兄师姐们打听有关实训。
有的说苦大于乐,有的说乐大于苦!这样的答案,不由得我们对钳工实训更迷惘叻!虽然说实训不用早起值日等,我们都很开心,但快乐的背后是要付出代价的!当经过钳工专业的老师一个星期的诉说钳工操作规程与安全时,我们开始有些紧张叻!在想锯子能把工件(一块铁)锯叻吗?能做出形状来么?等等的不解…实话说钳工实操是很枯燥、无味,也许一个动作,就要一整天的在工件上来来回回的做!当然,要是没有端正好心态、在做工件时没FeeL,是做不出一个好的作品!开始我的心情系满满疑问,经过一个月的钳工实操,让我认识到了钳工们的不易!同时也系为了对学生牢固树立吃苦耐劳、坚苦奋斗精神,在实训中不怕苦,不怕累,勤学苦练,扎扎实实地掌握操作技能。
中等职业学校学生组
工具钳工实践操作试题准备通知单
一、材料准备要求:
1、材料准备
序号材料名称规格数量备注14581×71×12mm1
2、按鉴定人数准备
二、设备准备(考场准备)
1、以下所需设备由考场准备
序号名称规格数量备注1台钳工位150(台钳)个/1人
2台钻Z412台/8人
3平口钳125个/8人
4平板300×400块/2人精度1级5方箱150个/4人精度1级6砂轮机台/20人
2、划线平台、钻床、砂轮机、钳台及附件配套齐全,布局合理。
三、工量刃具准备(考生准备)
中等职业学校学生组
工具钳工实践操作试题
选送单位:竞赛号:姓名:
一、设备使用、工、量具使用及安全文明生产
二、燕尾卡板
考核要求:
(1)公差等级:锉削IT7、铰孔IT7
(2)形位公差:锉削~、铰孔~
(3)表面粗糙度:锉削μm、铰孔μm
(4)时间定额:240分钟
图形及技术要求:。