点焊机说明书范文
- 格式:doc
- 大小:211.00 KB
- 文档页数:14
DN系列点焊机使用说明一、焊接前的准备工作1.检查设备是否正常。
确保电源接线良好,地线可靠连接,设备无损坏、漏电等现象。
2.防护措施。
佩戴焊接防护眼镜、焊接手套等个人防护装备,确保操作安全。
二、设备操作步骤1.打开电源开关。
将电源开关打到ON位置,注意观察控制面板上的指示灯是否正常工作。
2.调节焊接参数。
根据焊接要求,通过控制面板上的按钮进行参数调节,如焊接电压、焊接时间等。
3.放置工件。
将要焊接的工件放置在焊接台上,并通过夹具夹紧,确保工件与电极接触良好。
4.开始焊接。
按下启动按钮,焊接机开始运行,电极压下工件,并依据设定的参数进行焊接。
5.焊接完成。
焊接时间达到设定值后,焊接机会自动停止,此时可以松开夹具,取下焊接好的工件。
三、注意事项1.焊接过程中,要不断检查焊接效果,确保焊接质量。
2.长时间连续使用点焊机时,应注意设备散热问题,避免过热引发故障。
3.定期检查焊接机的电缆、电极等部件是否损坏,如有损坏应及时更换。
4.使用过程中,要避免将电极接触金属表面外的非焊接区域,以免出现意外伤害。
5.焊接过程中,应保持焊接区域通风良好,避免产生有害气体对操作人员造成危害。
四、故障排除1.点焊机启动后无任何反应。
检查电源是否正常接通,排除电源故障。
2.焊接结果不理想。
检查是否调节了合适的焊接参数,如电压、时间等。
3.焊接机异常发热。
检查设备是否正常通电,电缆是否有损坏等情况。
以上就是DN系列点焊机的使用说明。
使用时,操作人员应仔细阅读并按照说明操作,做好防护工作,确保焊接质量和安全。
同时,定期检查和维护设备,可延长使用寿命,提高设备的可靠性和稳定性。
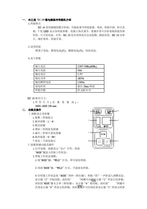
一.杰之冠XC-10微电脑脉冲焊接机介绍1.性能特点XC-10采用精确的数字控制,可随意调节焊接能量,周波,焊接牢固、焊点美观;7段LED显示各焊接参数。
电极立体式调节,使操作者可以轻易地焊接各种形状、尺寸的电池。
另外,XC-10还对电网电压自动监测、跟踪补偿。
XC-10功率大、操作简单、焊接可靠。
2.适用焊接锂离子电池,镍氢电池(组),镍镉电池(组),纽扣电池。
3.电气参数XC-10相关尺寸:1.外形尺寸(二.功能及操作1.面板显示及按键1.报警/焊接指示2.脉冲波数(1~93.模式按键4.5.6.脉冲能量(0~7.2.面板按键功能及操作1."MODE"2.焊接工作状态调整:1>按"MODE"键,“WELD”灯亮,即可放电焊接。
2>再按"MODE"键,“WELD”灯灭,不能放电焊接。
3>在焊接工作状态按“MODE”两秒(称长键),伴随“的”一声即进入调整状态,显示器“2”开始闪烁,此时按" "2”所显示的参数;再轻按"MODE"键0.2秒(称短键),显示器“6”将闪烁,此时按" "两键可改变显示器“62”所显示的参数;以此可循环改变任一显示器所显示的参数;最后长键操作,可退出调整状态,并将设定值保存在工作寄存器。
3.操作次序1.连接好电源、电极组件。
2.安装电极,调整好两电极的长度、偏心角度和间距。
3.调整工作台,使被焊物与电极间距离适当。
4.接通电源,伴随“的”声,面板LED显示“S-t”字符,轻按一下焊接按键进入焊接工作状态。
工作参数为上次关机时的参数。
5.调整焊接能量。
(利用焊接物体试焊,将脉冲的能量由小到大逐渐调整,直到焊接出满意的效果)6.保存工作状态。
7.进入工作状态。
8.焊针上顶焊接,(一手拿电池,焊片,两工件对位平整,对平焊针,用力往上顶,报警灯亮,焊接成功)5.注意事项1.压力适度,太小的压力会使焊接物接触不良,产生虚焊或打火现象;太大的压力会在焊接物表面产生较大的压痕,影响焊接质量。
亨龙点焊机说明书亨龙点焊机是一种常用于金属加工行业的焊接设备,主要用于将两片金属材料连接在一起。
它采用点焊技术,通过在两片金属表面施加高温来熔化金属,并在冷却后将其固定在一起。
本说明书将详细介绍亨龙点焊机的使用方法、注意事项和维护方法。
第一部分:亨龙点焊机的基本组成与工作原理1.控制系统:控制系统包括微机控制板、显示屏和按键等设备。
通过微机控制板来设置焊接参数,实现自动控制和监视焊接过程。
2.电源系统:电源系统主要由电源供应装置和变压器组成,用来提供点焊所需的电能。
3.焊接系统:焊接系统由电极、电极夹具和焊接头等部件组成。
电极夹具用于固定工件,而电极则用于传导电流,产生热量进行焊接。
4.机械系统:机械系统主要由焊接台、滑动装置和冷却装置构成。
焊接台提供了焊接过程中所需的支撑和固定功能,滑动装置用于控制电极的移动,而冷却装置用于快速冷却焊接处。
亨龙点焊机的工作原理是利用电能来产生热能,通过在金属表面产生高温,使金属熔化,并在冷却后将两片金属连接在一起。
焊接时,电流从电源系统经过焊枪,通过电极传导到工件上,产生强大的电弧和热量,从而使工件的表面局部加热。
当点焊时间达到设定值后,关闭电源,使电极与工件分离,从而完成点焊操作。
第二部分:亨龙点焊机的使用方法1.将两片待焊接的金属板放在焊接台上,并用电极夹持住。
2.打开亨龙点焊机的电源开关,此时显示屏会显示出当前的焊接参数,可以根据需求进行调整。
3.调整滑动装置的位置,使电极正确定位在焊接点上。
4.按下开始键,亨龙点焊机开始工作。
工作过程中,应保持焊机和焊接处干燥。
5.当设定的焊接时间到达后,亨龙点焊机会自动停止工作。
6.断开电源,等待焊接处冷却后,可以将焊接好的金属板取下。
第三部分:亨龙点焊机的注意事项1.在使用亨龙点焊机前,应先确保安全措施到位。
工作时,应佩戴防护眼镜和耳塞,避免受到电弧和噪音的伤害。
2.使用过程中应保持焊机和工作区域干燥整洁,避免发生意外事故。
半自动单点电池点焊机操作说明书(电气)OPERATION INSTRUCTIONS!使用前先详细阅读操作说明书或者在有专业技术人员指导下进行操作。
目录一安全防范安装安装点附近不要堆放易燃品。
否则,可能引起火灾。
搬运时一定要抓紧支撑部分。
否则,可能有跌倒损坏危险。
请防止外部异物进入到设备内部。
否则,可能引起短路。
请确保接地良好。
否则,可能引起电击或火灾。
布线必须由合格的电气专业人员作业。
否则,可能引起电击或火灾。
请确保安装空间有良好的通风条件,避免运行环境中有灰尘、腐蚀气体、易燃气体等。
避免安装空间有震动,不牢固。
否则,可能引起短路或损坏。
请确保电压、气源满足以下条件:电源1Φ+N AC220V,50/60Hz,3kW气源~操作断开输入电源超过10 分钟后,再进行维护和检查。
否则,有电击危险。
请确保由合格电气操作人员在经授权后进行维护、检查和更换零件。
否则有电击危险。
不要用湿手操作。
否则,有电击危险。
请确保接地良好。
否则,可能引起电击或火灾。
通电状态下不能接触设备内部配件。
否则,可能引起电击。
发热组件温度非常高,请不要触及。
否则,有烧伤的危险。
二安装使用条件安装条件使用环境三操作说明系统上电1)确认机台电源线、气源(空压机)电源线及米亚基焊接主机电源线已正确连接;2)确认机台断路器处于接通状态,且气源开关和米亚基焊接主机的电源开关处于ON状态;3)按下操作面板箱上的电源开关,并确认红色电源指示灯点亮;4)待操作面板箱上的触摸屏显示如图所示的开机画面时,表示系统已上电完成。
系统初始化系统上电完成后,触摸屏会显示如图所示的开机画面。
此时会显示机台当前状态为“等待初始化”状态,长按屏幕左下方的“一键复位”按钮1秒,待“一键复位”按钮显示为绿色黄色“复位中”时,机台开始初始化,即复位伺服电机位置及扫描焊接主机是否正常。
图系统开机画面系统初始化时,若没有接通焊接机电源,则会弹出如图所示的米亚基初始化失败提示窗,如果是正常作业,则需要确认米亚基焊接主机是否已经正常供电;如果只是进行对位测试,则只需长按窗口右下方的“跳过自检”按钮直至窗口自动关闭为止即可。
点焊机说明书一、产品简介ZT—20型泡沫板装修网焊机是钢丝网架、聚苯、夹芯板(泰柏板)(舒乐板),聚苯保温墙板等轻体墙板网焊接的专用设备,可焊接丝径1.5—3.2mm的铁丝。
本机采用新型的符合国际标准的CMOS数字集成电路,可随意调节焊接电流,焊接时间,保证焊件接牢固表面平整无焊坑,对泡沫板无任何损伤。
并且降低操作人员的劳动强度,节省能源,成倍提高工作效率。
售价仅为进口设备的1/5—1/6。
二、焊机参数型号ZT—20电流电压380V 焊接丝径 1.5—3.2mm瞬时功率20KV A 电流线径62*2输出电压 1.5—4.5V 焊接时间 0.01—2秒三、焊机结构焊机由机壳、焊接变压器、焊接控制器、可控硅交流开关电览及焊钳等几部分组成。
焊接时间调整要求:把焊钳调为:当两电极压紧丝后,活动手柄上的调节螺栓再碰到固定手柄上的开关。
(调整电极在可调焊钳上伸出的长度或调整手柄上的焊接时间调节螺栓,即可达到调整的目的)。
如不按此方法调接,将可能焊不牢甚至烧毁电极!即焊头只能在压力时才能通电焊接。
四、焊机电气原理本焊机由低压(12V)手控开关,集成电路控制板,可控硅模块,焊接变压器组成。
控制板通过面板电流调节电位器改变强触发电路触发角达到调节焊接电流。
当手控开关接通后使电路消零,由CMOS集成电路精确延时(0.01—2秒)后自动关闭(与手控开关接通时间无关)触发电路,使可控硅模块结束焊接过程。
四、操作说明1、焊机安装时,必须可靠接地,不接地不允许使用。
2、接上电源两相380V,电压表显示380V。
3、打开电源开关,电源指示灯亮4、空载试验在二次不短路时,短接手控开关,焊接指示灯亮,则机器正常5、焊接调节电流旋钮调至最大,时间旋钮调至最小闭合钳子看焊接郊果,如焊接不牢,逐步调大时间旋钮直至焊接效果最好。
如果时间调至最小,焊接电流依然大,则调小电流,直至焊接良好。
电焊机使用说明书一、安全须知1. 使用电焊机前,请务必仔细阅读并理解本使用说明书。
不正确使用电焊机可能导致人身伤害或设备故障。
2. 在使用电焊机前,确保工作环境具备足够的通风条件。
避免在易燃、易爆物品附近操作电焊机。
3. 确保电焊机的接地良好,以防止电击或其他意外事故发生。
4. 请配戴必要的个人防护装备,例如手套、护目镜和防火服。
避免身体直接暴露在焊接区域。
5. 当电焊机处于工作状态时,严禁触碰电焊枪和焊接电极,以避免电击。
6. 若电焊机出现任何异常或故障,请立即停止使用,并联系专业技术人员进行检修。
二、电焊机操作步骤1. 准备工作1.1 确保电焊机连接到正确的电源,并检查电源线是否完好无损。
1.2 确保电焊机的机身无损坏,焊接电缆和电极无磨损或裸露部分。
1.3 检查电焊机的控制开关和调节旋钮是否正常工作。
2. 开机准备2.1 打开电焊机的主电源开关,并确保焊接电流选择合适的数值。
2.2 将焊接电极插入电焊机的正极或负极插座。
2.3 根据焊接工作的需要,选择适当的焊接电流和电极材料。
3. 开始焊接3.1 佩戴防护设备,包括护目镜和手套等。
3.2 确保焊接工件表面光洁,并保持焊接区域干燥。
3.3 将焊枪靠近焊接工件,保持适当的角度。
3.4 按下焊接电极的触发器,开始进行焊接。
同时,控制焊接电极与工件之间的间隙。
3.5 注意观察焊接区域,确保焊缝的质量和均匀性。
4. 结束焊接4.1 当完成焊接后,松开焊接电极的触发器,断开焊接电流。
4.2 将电焊枪远离焊接工件,避免意外接触。
4.3 关闭电焊机的主电源开关。
5. 温馨提示5.1 在使用电焊机时,务必维持专注,并远离干扰或分散注意力的因素。
5.2 避免长时间连续焊接,以免过热导致电焊机故障。
5.3 使用结束后,用干净的布清洁焊接电极和电焊机表面。
5.4 定期检查电焊机的各个部件,并进行必要的保养和维修。
三、故障排除若您在使用电焊机时遇到以下故障,请按照以下步骤进行排除:1. 电焊机无法开机1.1 检查电焊机是否接通电源,主电源开关是否打开。
● 使用前,请认真阅读本说明书,尤其是操作注意事项● 使用期间如发生问题,请参考本说明书● 第一部分为焊机使用说明书● 第二部分为VCW-200B型电阻焊微机控制器使用说明书扬州天力机电有限公司江都焊接设备厂目 录 【1】注意事项及警告【2】概述【3】用途【4】主要技术数据【5】结构特征【6】工作原理【7】使用与维护附1:电气原理图附2:气路原理图附3:水路示意图【1】注意事项及警告● 本焊机应单层存放于干燥通风,无腐蚀性气体的水平地点。
不得叠加。
● 本焊机在运输中应避免尖利器件的直接撞击,搬运和吊装中的倾斜角度不得超过15°。
● 本焊机在吊装前,应仔细检查设备所有紧固件,看有无松动和脱落的现象。
以防砸伤人体和设备。
● 本焊机应安装在通风干燥,无腐蚀性气体的场合,焊机的前后左右,应留有足够的空间余地,严防碰撞伤及设备器件。
● 本焊机接有380V交流电源,安装、操作和维修时必须严格遵守技术安全保护的基本条例。
● 本焊机的电源引入线应不得小于YC952,设备应通以规定的交流电压,超出指定电压范围将会损坏设备,并有可能引起火灾。
● 本焊机必须可靠的接地,否则在意外电故障时,将会导致电击。
接地线的截面不得小于YC502。
● 本焊机较长时间停止工作时,必须切断电源、水源和气源,并将冷却水排放干净,以防低温时冻坏焊机。
【2】概 述新型DN系列固定式点焊机,系我厂引进消化国外先进新技术新工艺的基础上,自行开发研制的具有九十年代国际先进水平的新型电阻焊机。
该系列焊机在内外结构、机电原理、控制系统等诸多方面,我厂均作了大量的适应性改进,使该焊机的各项性能指标在国内处于领先地位。
新型DN系列固定式点焊机具有如下新特点:1. 优化了最佳的设计方案,选用引进国外技术的三气室气缸;2. 采用新颖独特的全封闭行程调节装置和机身模块化结构设计;3. 采用进口优质硅钢片,真空环氧树脂灌注新工艺的焊接变压器;4. 选用了进口或原装的气路元器件;5. 采用了气路缓冲的调节装置和机身储气的补偿措施;6. 采用了上下电臂能伸能缩的定位结构;所以,该机具有设计先进,结构新颖,外形美观,调节轻松,操作简便,性能优越,安全可靠等特点。
一.杰之冠XC-10微电脑脉冲焊接机介绍1.性能特点XC-10采用精确的数字控制,可随意调节焊接能量,周波,焊接牢固、焊点美观;7段LED显示各焊接参数。
电极立体式调节,使操作者可以轻易地焊接各种形状、尺寸的电池。
另外,XC-10还对电网电压自动监测、跟踪补偿。
XC-10功率大、操作简单、焊接可靠。
2.适用焊接锂离子电池,镍氢电池(组),镍镉电池(组),纽扣电池。
3.电气参数XC-10相关尺寸:1.外形尺寸(二.功能及操作1.面板显示及按键1.报警/焊接指示2.脉冲波数(1~93.模式按键4.5.6.脉冲能量(0~7.2.面板按键功能及操作1."MODE"2.焊接工作状态调整:1>按"MODE"键,“WELD”灯亮,即可放电焊接。
2>再按"MODE"键,“WELD”灯灭,不能放电焊接。
3>在焊接工作状态按“MODE”两秒(称长键),伴随“的”一声即进入调整状态,显示器“2”开始闪烁,此时按" "2”所显示的参数;再轻按"MODE"键0.2秒(称短键),显示器“6”将闪烁,此时按" "两键可改变显示器“62”所显示的参数;以此可循环改变任一显示器所显示的参数;最后长键操作,可退出调整状态,并将设定值保存在工作寄存器。
3.操作次序1.连接好电源、电极组件。
2.安装电极,调整好两电极的长度、偏心角度和间距。
3.调整工作台,使被焊物与电极间距离适当。
4.接通电源,伴随“的”声,面板LED显示“S-t”字符,轻按一下焊接按键进入焊接工作状态。
工作参数为上次关机时的参数。
5.调整焊接能量。
(利用焊接物体试焊,将脉冲的能量由小到大逐渐调整,直到焊接出满意的效果)6.保存工作状态。
7.进入工作状态。
8.焊针上顶焊接,(一手拿电池,焊片,两工件对位平整,对平焊针,用力往上顶,报警灯亮,焊接成功)5.注意事项1.压力适度,太小的压力会使焊接物接触不良,产生虚焊或打火现象;太大的压力会在焊接物表面产生较大的压痕,影响焊接质量。
点焊机使用方法说明书一、产品概述点焊机是一种常用的金属焊接工具,广泛应用于汽车制造、电器制造、金属工艺品制作等行业。
本使用方法说明书将详细介绍如何正确使用点焊机,以确保安全和有效的焊接操作。
二、安全须知1. 在使用点焊机之前,务必仔细阅读和理解本说明书,并按要求正确操作。
2. 在使用点焊机时,应戴上防护眼镜、护手套和防尘口罩,以防止受伤或吸入有害物质。
3. 点焊机工作时会产生高温,因此在焊接过程中要特别注意避免触碰焊接电极和焊接物体。
4. 在更换电极或进行维护保养时,必须先切断电源并等待冷却,以免发生意外事故。
5. 点焊机使用过程中如果发现异常情况(如异味、烟雾等),应立即停机检查,并找专业人员进行维修。
三、准备工作1. 将点焊机放置在平稳的工作台上,保证周围环境通风良好。
2. 检查点焊机的供电电压是否与电网电压相符,确保接线正确无误。
3. 检查焊接电极是否处于正常工作状态,如有磨损或损坏应及时更换。
4. 准备好待焊接的金属工件,并确保表面整洁无油污或灰尘,以提高焊接质量。
四、操作步骤1. 打开点焊机电源,并确保指示灯正常工作。
2. 调整点焊机的电流和时间参数,根据待焊接工件的厚度和材质进行合理的设置。
3. 将待焊接工件放置在点焊机的工作台上,并用手持焊接电极将工件夹紧。
4. 按下焊接按钮,进行焊接操作。
在保持焊接电极与工件接触的同时,点焊机会自动供给相应的电流,完成焊接过程。
5. 完成焊接后,松开焊接电极,并等待工件冷却。
6. 如需连续焊接多个工件,可以重复步骤3至5进行操作。
五、维护保养1. 每次使用点焊机后,应切断电源并待机冷却后进行清洁。
使用干净的布擦拭焊接电极和焊接部位,确保无灰尘和油污残留。
2. 定期检查点焊机的电源线和焊接电极是否有损坏或老化现象,及时更换。
3. 如点焊机长时间不使用,应将焊接电极拆卸并存放在干燥通风的地方,以防腐蚀和损坏。
4. 若发现点焊机工作异常或存在故障,应立即切断电源并联系专业技术人员进行检修。
点焊机操作说明范文第一部分:安全须知1.使用点焊机之前,请仔细阅读操作说明书,并且确保自己理解了其中的内容和操作要点。
2.点焊机使用过程中,请戴上防护眼镜和防护手套,以免有害气体和火花对眼睛和皮肤造成伤害。
3.使用点焊机时,请确保工作区域清洁整齐,没有易燃和易爆物品,以防火灾和爆炸。
4.点焊机使用电力作为能源,请确保插座接地良好,并定期检查电源线路和插头是否有损坏。
5.若发现点焊机出现故障或异常情况,请立即停止使用并通知维修人员进行检修。
第二部分:点焊机基本操作1.操作前准备1.1确保点焊机没有插电,并确保所有开关处于“OFF”位置。
1.2检查电极是否锈蚀或有损坏,必要时更换。
1.3点焊机上的电缆应与变压器连接,并且连接稳固。
1.4打开点焊机的外罩并确认所有连接部分是否牢固。
2.开机操作2.1插入点焊机的电源插头到电源插座,并确保接地良好。
2.2将点焊机上的开关切换到“ON”位置。
2.3点焊机将开始预热,等待指示灯亮起表示已预热完毕。
3.点焊操作3.1清理要点焊的工件表面,确保其干净并无障碍物。
3.2将工件放置于点焊机工作台上,并使用夹具将其固定住。
3.3调节电流和时间参数,根据工件材质和厚度选择合适的参数。
3.4点焊时,将电极与工件表面紧密接触,按下点焊按钮进行点焊。
3.5点焊完成后,松开点焊按钮,等待焊接点冷却后再进行下一步操作。
4.关机操作4.1点焊完成后,将点焊机的开关切换到“OFF”位置。
4.2拔掉电源插头并放置在安全地方,确保电源已断开。
4.3点焊机冷却后,使用干布清洁电极和表面,将电极放回点焊机并关闭外罩。
第三部分:维护和注意事项1.维护1.1点焊机使用一段时间后,电极表面可能会积聚焊渣和污物,需定期清理电极。
1.2每次使用后,清洁点焊机表面和工作台面,保持整洁。
1.3定期检查电源线路和插头是否损坏,如有需要及时更换。
2.注意事项2.1点焊机在操作过程中会产生高温和火花,请注意自身安全,并保持距离易燃和易爆物品。
一、用途和特点DNK系列交流点,凸焊机采用国内外名牌原器件,集点、凸机构为一体,具有造形新颖美观,使用安全可靠、寿命长久等特点,该焊机系气动传动式点、凸焊机。
DNK系列交流点、凸焊机可广泛应用于汽车、航空、机械建筑、金属制品、电器开关各个行业,可对各种低碳钢、不锈钢、有色金属钣材、线材及各种异形器件进行高质量的点焊和凸焊焊接。
该焊机配置为KD—3B微电脑控制器。
二、功能简述及工作原理1.KD-3B电脑型控制器工作原理和作用功能简述:(请仔细阅读KD-3B电脑型控制器使用说明书)焊机的焊接过程采用微机闭环控制系统,具有恒电流和恒电压控制功能。
在电网电压波动和焊接负载变化的情况下,均能保证焊接电流的稳定,达到满意的焊接效果。
2.在编程状态下,恒流和恒压这两种控制功能可以在断电状态下用控制箱内的主板拔码开关来设定。
采用恒流控制功能时,需要在焊接变压器的初级绕组中串接取样互感器,其所显示的焊接电流以100A为单位,范围20~199。
当采用恒压控制功能时,所显示的数据不是焊接电流,是可控硅导通范围。
如需要检测恒压控制时的焊接电流参数,需要用专用焊接测试仪测量。
3.在控制箱操作面板左上角设有焊接规范数码显示窗口,可以用“+”、“-”号按键来选择。
用编程器选择的焊接规范有15种,分别用数码1、2、3、4、5、6、7、8、9、A、B、C、D、E、F来显示。
4.用CN2端子选择的焊接规范有四种,所谓用CN2端子选择焊接规范—即可以接四只脚踏开关,分别执行不同的焊接规范,每种规范焊接前,不需要按“+”、“-”号键提前选择规范。
例如操作者使用1规范,就可以用1号脚踏开关来焊接。
用编程器选择规范,每次使用前则需要选定规范号后才能进行焊接。
此时应注意,用编程器选择规范时,脚踏开关的引线必须接到1号脚踏开关的接口端子板上。
5.可以通过控制箱操作面板右下角的船形开关选择单次焊接和连续焊接的功能,单次焊接时脚踏开关有两种工作状态供选择(用控制箱内的主板拔码开关来选择)。
郑州中天建筑节能公司点焊机说明书一、产品简介ZT—20型泡沫板装修网焊机是钢丝网架、聚苯、夹芯板(泰柏板)(舒乐板),聚苯保温墙板等轻体墙板网焊接的专用设备,可焊接丝径1.5—3.2mm的铁丝。
本机采用新型的符合国际标准的CMOS数字集成电路,可随意调节焊接电流,焊接时间,保证焊件接牢固表面平整无焊坑,对泡沫板无任何损伤。
并且降低操作人员的劳动强度,节省能源,成倍提高工作效率。
售价仅为进口设备的1/5—1/6。
二、焊机参数型号ZT—20电流电压380V 焊接丝径 1.5—3.2mm瞬时功率20KV A 电流线径62*2输出电压 1.5—4.5V 焊接时间 0.01—2秒三、焊机结构焊机由机壳、焊接变压器、焊接控制器、可控硅交流开关电览及焊钳等几部分组成。
焊接时间调整要求:把焊钳调为:当两电极压紧丝后,活动手柄上的调节螺栓再碰到固定手柄上的开关。
(调整电极在可调焊钳上伸出的长度或调整手柄上的焊接时间调节螺栓,即可达到调整的目的)。
如不按此方法调接,将可能焊不牢甚至烧毁电极!即焊头只能在压力时才能通电焊接。
四、焊机电气原理本焊机由低压(12V)手控开关,集成电路控制板,可控硅模块,焊接变压器组成。
控制板通过面板电流调节电位器改变强触发电路触发角达到调节焊接电流。
当手控开关接通后使电路消零,由CMOS集成电路精确延时(0.01—2秒)后自动关闭(与手控开关接通时间无关)触发电路,使可控硅模块结束焊接过程。
四、操作说明1、焊机安装时,必须可靠接地,不接地不允许使用。
2、接上电源两相380V,电压表显示380V。
3、打开电源开关,电源指示灯亮4、空载试验在二次不短路时,短接手控开关,焊接指示灯亮,则机器正常5、焊接调节电流旋钮调至最大,时间旋钮调至最小闭合钳子看焊接郊果,如焊接不牢,逐步调大时间旋钮直至焊接效果最好。
如果时间调至最小,焊接电流依然大,则调小电流,直至焊接良好。
郑州中天建筑节能有限公司公司简介本公司主要生产:1设备类,泡沫板设备,干混砂浆设备,钢丝网架泡沫板设备,装配式建筑设备,保温与结构一体化设备,轻质隔墙设备,废泡沫造粒设备,废秸秆再利用做建材设备,防火聚苯板渗透设备,保温材料设备,岩棉板设备,泡沫线条切割机,抹灰机,塑料系列设备,节能减排设备,便携式水切割设备。
亨龙点焊机说明书
1、焊接时,应首先调整电极杆的位置,使电极刚好压在焊件上时,电极臂应相互平行。
2、电流调节开关级数的选择可以根据焊件的厚度和材料来选择。
通电后,电源指示灯应点亮,电极压力可以调节单簧压力螺母,改变其压缩程度。
3、完成上述调整后,可先打开冷却水,再打开电源准备焊接。
焊接过程的程序:焊件放置在两个电极之间,踩下踏板,使上电极与焊件接触并加压。
继续压下踏板时,电源触头开关打开,变压器开始工作,二次电路通电加热焊件。
焊接一定时间后,松开踏板时,电极上升,通过弹簧的拉力切断电源后恢复原状,单点焊接过程结束。
点焊机使用说明书一、产品概述点焊机是一种常见的电焊设备,用于连接金属零件。
它通过在金属表面施加高温高压电流,使金属表面瞬间熔化并迅速冷却,从而实现金属零件的连接。
本使用说明书将介绍点焊机的正确使用方法和注意事项。
二、安全操作指南1. 请确保使用环境通风良好,避免在封闭空间中操作。
2. 使用前请检查点焊机的电源电压是否符合要求,避免电源不稳定造成设备故障。
3. 在使用点焊机之前,务必佩戴安全防护设备,如手套、护目镜和防护服。
4. 点焊机在使用过程中会产生高温,切勿用裸手触摸设备或焊接部件。
5. 在使用过程中,禁止将点焊机的电缆搭在肩膀、膝盖或其他身体部位上,防止触电风险。
6. 长时间使用点焊机会产生噪音和烟雾,请保持噪音和烟雾的合理程度,避免对周围环境和人员造成干扰和伤害。
7. 禁止改装点焊机或私自进行维修,请及时联系专业人员进行维护和维修。
三、操作步骤1. 打开点焊机的电源开关,确保设备连接到稳定可靠的电源上。
2. 选择适当的电流和时间参数。
根据所需焊接的金属材料和厚度,调整点焊机的电流和时间参数。
3. 准备需要焊接的金属零件,并将其放置在点焊机的钳头之间。
4. 将手握焊接枪,确保手柄与金属零件之间有一定的距离。
按下焊接按钮,开始焊接过程。
5. 在点焊机完成焊接后,松开焊接按钮,将焊接枪远离金属零件。
等待焊接区域冷却后,可将焊接好的零件取出。
四、注意事项1. 点焊机在使用过程中产生的高温可能会引发火灾,请禁止在易燃环境中使用。
2. 长时间的连续使用可能会导致点焊机过热,请合理安排使用时间,避免设备过热损坏。
3. 使用点焊机时请注意保护周围的人员和设备,避免误伤或损坏其他物品。
4. 点焊机在待机时请关闭电源开关,确保设备的安全性。
5. 长时间不使用点焊机时,建议将电源线拔出并妥善存放,以确保设备的使用寿命。
五、维护保养1. 定期检查点焊机的电源线和电缆是否磨损或受损,如有问题请及时更换。
2. 清洁焊接枪和电焊机表面的灰尘和污渍,保持设备的整洁。
点焊机三相直流500千瓦说明书篇一:点焊机三相直流 500 千瓦说明书说明书摘要:本说明书介绍了一种三相直流 500 千瓦的点焊机,其具有高效、稳定、可靠等特点,适用于各种大型金属结构的焊接。
该点焊机采用了先进的直流电源技术和数字化控制技术,能够实现精确控制焊接电流、焊接时间、焊接电压等参数,确保焊接质量。
同时,该点焊机还配备了多种保护功能,如过电流、过电压、短路等,能够保障设备安全和操作人员安全。
一、产品介绍三相直流 500 千瓦点焊机是一种高效、稳定、可靠的点焊设备,其采用了先进的直流电源技术和数字化控制技术,能够实现精确控制焊接电流、焊接时间、焊接电压等参数,确保焊接质量。
该点焊机还配备了多种保护功能,如过电流、过电压、短路等,能够保障设备安全和操作人员安全。
二、产品特点1. 高效:三相直流 500 千瓦点焊机采用了高效电源技术,能够在短时间内完成焊接任务,提高生产效率。
2. 稳定:三相直流 500 千瓦点焊机采用了数字化控制技术,能够精确控制焊接电流、焊接时间、焊接电压等参数,确保焊接稳定性。
3. 可靠:三相直流 500 千瓦点焊机采用了先进的机械结构和材料,能够保证设备的可靠性和使用寿命。
三、产品用途三相直流 500 千瓦点焊机适用于各种大型金属结构的焊接,如汽车车身、船舶、航空航天等领域。
四、产品规格1. 输入功率:500 千瓦2. 输出电压:直流 120 伏3. 输出电流:最大 300 安4. 焊接时间:0.1-9.9 秒5. 焊接电压:0-250 伏六、使用说明1. 安装:在安装点焊机之前,应当确保安装位置有足够的空间和电压稳定性。
2. 连接:连接点焊机和电源时,应当确保电源线和焊接电缆的规格匹配,并且连接牢固。
3. 操作:使用点焊机时,应当仔细阅读使用手册,并按照使用手册中的操作步骤进行操作。
4. 维护:点焊机应当定期维护,检查是否有零部件松动或损坏,及时进行维修或更换。
篇二:点焊机三相直流 500 千瓦说明书概述:本说明书介绍了一种三相直流 500 千瓦的点焊机,该焊机主要用于金属焊接和制造工业。
GX588点焊机说明书
点焊机应尽可能安装在点焊机配电室附近,用地脚螺栓紧固,或垫上橡皮胶垫,同时作好水平校准。
为了确保操作人员的安全,要作好接地装置,在与焊接工装组合安装时,工装要与机体绝缘。
点焊机的控制箱体和主机的连接,按照相应标志,把导线或接口连接,注意检查接触的可靠性。
另外点焊机需要匹配一台空压机,压缩空气配管,将进气胶管可靠地连接在焊机气源处理器进气接头上,打开气源开关,将气压点焊机调到0.8MP时,不得有泄漏现象。
点焊机的操作要求:
a)焊接时确保工件放置平稳,结实;b)点焊焊接时应使固定电极垂直于工件,不对称电极头不得用于生产中。
c)在生产中应避免电极周围面或焊钳与工件接触,以免发生分流,下降点焊质量。
点焊机要用于低碳钢、不锈钢及部分有色金属的焊接,并可实现板与板,板与凸焊螺母、螺柱的凸焊焊接。
点焊机说明书一、产品简介ZT—20型泡沫板装修网焊机是钢丝网架、聚苯、夹芯板(泰柏板)(舒乐板),聚苯保温墙板等轻体墙板网焊接的专用设备,可焊接丝径1.5—3.2mm的铁丝。
本机采用新型的符合国际标准的CMOS数字集成电路,可随意调节焊接电流,焊接时间,保证焊件接牢固表面平整无焊坑,对泡沫板无任何损伤。
并且降低操作人员的劳动强度,节省能源,成倍提高工作效率。
售价仅为进口设备的1/5—1/6。
二、焊机参数型号ZT—20电流电压380V 焊接丝径 1.5—3.2mm瞬时功率20KV A 电流线径62*2输出电压 1.5—4.5V 焊接时间 0.01—2秒三、焊机结构焊机由机壳、焊接变压器、焊接控制器、可控硅交流开关电览及焊钳等几部分组成。
焊接时间调整要求:把焊钳调为:当两电极压紧丝后,活动手柄上的调节螺栓再碰到固定手柄上的开关。
(调整电极在可调焊钳上伸出的长度或调整手柄上的焊接时间调节螺栓,即可达到调整的目的)。
如不按此方法调接,将可能焊不牢甚至烧毁电极!即焊头只能在压力时才能通电焊接。
四、焊机电气原理本焊机由低压(12V)手控开关,集成电路控制板,可控硅模块,焊接变压器组成。
控制板通过面板电流调节电位器改变强触发电路触发角达到调节焊接电流。
当手控开关接通后使电路消零,由CMOS集成电路精确延时(0.01—2秒)后自动关闭(与手控开关接通时间无关)触发电路,使可控硅模块结束焊接过程。
四、操作说明1、焊机安装时,必须可靠接地,不接地不允许使用。
2、接上电源两相380V,电压表显示380V。
3、打开电源开关,电源指示灯亮4、空载试验在二次不短路时,短接手控开关,焊接指示灯亮,则机器正常5、焊接调节电流旋钮调至最大,时间旋钮调至最小闭合钳子看焊接郊果,如焊接不牢,逐步调大时间旋钮直至焊接效果最好。
如果时间调至最小,焊接电流依然大,则调小电流,直至焊接良好。
点焊机说明书
郑州中天建筑节能公司
点焊机说明书
一、产品简介
ZT—20型泡沫板装修网焊机是钢丝网架、聚苯、夹芯板(泰柏板)(舒乐板),聚苯保温墙板等轻体墙板网焊接的专用设备,可焊接丝径1.5—3.2mm的铁丝。
本机采用新型的符合国际标准的CMOS数字集成电路,可随意调节焊接电流,焊接时间,保证焊件接牢固表面平整无焊坑,对泡沫板无任何损伤。
而且降低操作人员的劳动强度,节省能源,成倍提高工作效率。
售价仅为进口设备的1/5—1/6。
二、焊机参数
型号 ZT—20
电流电压 380V 焊接丝径 1.5—3.2mm
瞬时功率 20KVA 电流线径 62*2
输出电压 1.5—4.5V 焊接时间 0.01—2秒
三、焊机结构
焊机由机壳、焊接变压器、焊接控制器、可控硅交流开关电览及焊钳等几部分组成。
焊接时间调整要求:把焊钳调为:当两电极压紧丝后,活动手柄上的调节螺栓再碰到固定手柄上的开关。
(调整电极在可调焊钳上伸出的长度或调整手柄上的焊接时间调节螺栓,即可达到调整的目的)。
如不按此方法调接,将可能焊不牢甚至烧毁电极!即
焊头只能在压力时才能通电焊接。
四、焊机电气原理
本焊机由低压(12V)手控开关,集成电路控制板,可控硅模块,焊接变压器组成。
控制板经过面板电流调节电位器改变强触发电路触发角达到调节焊接电流。
当手控开关接通后使电路消零,由CMOS集成电路精确延时(0.01—2秒)后自动关闭(与手控开关接通时间无关)触发电路,使可控硅模块结束焊接过程。
四、操作说明
1、焊机安装时,必须可靠接地,不接地不允许使用。
2、接上电源两相380V,电压表显示380V。
3、打开电源开关,电源指示灯亮
4、空载试验在二次不短路时,短接手控开关,焊接指示灯亮,
则机器正常
5、焊接调节电流旋钮调至最大,时间旋钮调至最小闭合钳子看
焊接郊果,如焊接不牢,逐步调大时间旋钮直至焊接效果最好。
如果时间调至最小,焊接电流依然大,则调小电流,直至焊接良好。
郑州中天建筑节能有限公司
公司简介
本公司主要生产:1设备类,泡沫板设备,干混砂浆设备,钢丝网架泡沫板设备,装配式建筑设备,保温与结构一体化设备,轻质隔墙设备,废泡沫造粒设备,废秸秆再利用做建材设
备,防火聚苯板渗透设备,保温材料设备,岩棉板设备,泡沫线条切割机,抹灰机,塑料系列设备,节能减排设备,便携式水切割设备。
2产品类,保温材料,装配式建筑产品,防火门,防火窗,防火玻璃,超薄防弹玻璃,防台风玻璃窗,轻质隔墙板,消防强排风。
3服务类,危爆产品的冷切割拆除,保温材料生产技术,装配式建筑技术服务。
郑州中天建筑节能有限公司是一家集生产销售、技术推广、工程施工、产品研发为一体的综合性节能减排服务企业, 致力于新型墙体材料和新型水刀的研发与推广。
自成立以来把保温节能泡沫板及砂浆系列设备和水切割设备作为主营业务,主产A级防火保温板设备,A级防火改性聚苯板渗透设备,泡沫聚苯板设备,挤塑板设备,装配式建筑设备,钢结构装配式房屋设备,碳质木质素气凝胶保温板设备,石墨聚苯板设备,钢丝网片织网机,钢丝网架织网焊接插丝机,保温板双面抹灰机,EPS保温空腔模块设备,免拆外膜板保温结构一体化生产线,砌筑砂浆生产线,灌浆料生产线;自流平砂浆设备,建筑保温与结构一体化设备,阻燃B1B2级泡沫板生产线、防火A级干混砂浆生产线、防火A级复合砂浆保温板生产线,泡沫保温装饰一体化系列配套设备,建筑垃圾处理设备,工地高压喷水防尘设备,家庭防雾霾治理系统,中小学幼儿园学校教室防雾霾治理系统,市政防雾霾雾炮,防火A级钢丝网架聚苯板免外模板结构一体化设备, EPS线条切割机,便携式水刀,灭火器,小型轻巧式水切割机,高压水
清洗机,干混砂浆电脑包装机、废泡沫聚苯颗粒造粒机、防火
B1B2级钢丝网架聚苯板点焊机、折弯机、钢丝网织网机、水洗砂机、三回程烘干砂机、泡沫切缝机、砂浆装车机、断丝机、电动吊篮等建筑节能材料生产专用设备和水射流设备。
可再分散乳胶粉(粘结砂浆、抹面砂浆、腻子粉),羟丙基甲基纤维素(10万单位、15万单位、20万单位)木质纤维,聚丙烯抗裂纤维(PP 纤维),聚乙烯醇粉末, Zt-c聚合物粘结砂浆、Zt-d聚合物抗裂抹面砂浆、Zt-e填缝剂、Zt-f瓷砖粘结剂(均为单组份干粉状兑水既用)、Zt-h柔性耐水腻子、耐碱网格布、保温锚钉、钢丝网、聚苯板、挤塑板、泰柏板、钢丝网架聚苯板、建筑玻璃隔热贴膜、泡沫保温装饰一体化等系列配套外墙保温材料。
全自动便携式防火保温材料快检仪,生产销售防火门,防火窗,铝合金防火玻璃窗,防火液,中空防火隔热玻璃窗,防火玻璃,挡烟垂壁。
前混合水刀,废旧汽车切割,公路路标清洗,油罐清洗切割,天然气管道切割及其它冷切割。
我公司的A2级改性防火保温板,已经过国家防火检验中心检测(都江堰检测)合格,国家检验报告号:11000,我公司的改性防火保温板设备已于获得3项国家专利,公司研制的设备已获得国家专利总计十四项,公司开发的智能中央空气处理防霾系统、智能防霾新风系统、防霾新风净化机、防霾空气净化机、防霾新风冷气机组、防霾壁挂炉中央采暖系统、防霾新型电动风口等几大系列产品,被广泛应用于住宅公寓、学校,别墅、商务。