压力开关校验报告模板
- 格式:doc
- 大小:29.50 KB
- 文档页数:1
压力阀检测报告1. 引言本文档旨在对压力阀进行检测,并记录检测结果。
通过此检测报告,可以评估压力阀的性能和可靠性,为使用和维护提供参考。
2. 检测目的压力阀是一种常用的流体控制元件,用于控制流体系统中的压力。
检测压力阀的主要目的是确认其性能是否符合设计要求,并检查是否存在任何故障或损坏,以便及时采取修复或替换措施。
3. 检测方法本次压力阀的检测采用以下方法:•外观检查:检查压力阀表面是否有明显的损伤或腐蚀,并确认阀门是否安装正确。
•功能测试:通过对压力阀施加不同的入口压力,检测阀门的开启和关闭是否正常,并记录相应的压力和流量数据。
4. 检测步骤4.1 外观检查在外观检查中,对压力阀进行了以下检查:•检查压力阀表面是否有明显的损伤或腐蚀情况。
•确认阀门是否安装正确,阀杆是否垂直于阀门底座。
4.2 功能测试在功能测试中,对压力阀进行了以下测试:1.将压力阀连接到测试装置,并确保与系统其他部分的连接正确无误。
2.先将入口压力设定为0,并记录初始状态。
3.逐步增加入口压力,记录相应的出口压力和流量数据。
4.将入口压力逐步减小,记录相应的出口压力和流量数据。
5.将入口压力设定为0,并记录恢复到初始状态的时间。
5. 检测结果根据以上的检测步骤,得到以下检测结果:•外观检查:压力阀外观完好,没有明显的损伤或腐蚀。
阀门安装正确,阀杆垂直于阀门底座。
•功能测试:根据测试数据,压力阀在不同入口压力下的开启和关闭动作正常。
出口压力和流量随着入口压力的变化呈现线性变化,符合设计要求。
恢复到初始状态的时间为X秒。
6. 结论根据本次压力阀的检测结果,可以得出以下结论:•压力阀的外观完好,无损坏或腐蚀问题。
•压力阀的功能测试结果显示其性能符合设计要求,正常开闭动作。
•压力阀在不同入口压力下能够稳定地控制出口压力和流量。
•压力阀恢复到初始状态的时间满足要求。
综上所述,本次压力阀的检测结果良好,具备正常使用的可靠性和稳定性。
注意:本检测报告仅针对所检测的压力阀,不代表其他同类压力阀的性能和可靠性。
压力表校验报告1. 引言本报告旨在对压力表进行校验,并提供校验结果和建议。
压力表是用于测量液体或气体压力的重要工业仪表,确保其准确性和可靠性对于生产过程的安全和效率至关重要。
2. 背景校验压力表是为了验证其显示的压力数值与实际压力之间的准确性。
校验过程通常涉及将压力表与已知准确度的压力源进行比对,并根据比对结果进行调整或修理。
3. 方法3.1 准备工作在校验压力表之前,需要准备以下工作:•压力源:选择已知准确度的压力源,如标准压力表或压力校验器。
•校验仪器:准备用于校验的相关仪器和设备,包括接头、管路等。
•测试范围:确定校验的压力范围。
根据压力表的规格和使用要求选择相应的测试范围。
3.2 校验步骤校验压力表的一般步骤如下:1.连接压力源:将压力源与待校验的压力表连接,确保连接紧固且无泄漏。
2.施加压力:根据测试范围,逐步增加压力,并观察压力表的显示数值。
3.比对测量值:将压力表的显示数值与压力源的准确数值进行比对,并记录差异。
4.调整或修理:如果压力表的显示数值与压力源存在较大差异,需要进行相应的调整或修理。
4. 校验结果根据对压力表的校验结果,我们得出以下结论:1.压力表的显示数值与压力源的准确数值存在差异。
2.差异可能是由于压力表的老化、损坏或调整不正确等原因导致的。
3.在校验过程中,压力表在低压力范围显示较为准确,但在高压力范围存在较大误差。
5. 建议基于对压力表校验结果的分析,我们提出以下改进建议:1.根据校验结果,对压力表进行调整或修理,以提高其准确性和可靠性。
2.定期校验压力表:为了确保压力表的有效性和可靠性,建议定期进行校验,尤其是在频繁使用的情况下。
3.增加校验频率:对于高压力范围使用的压力表,建议增加校验的频率,以确保其准确性。
4.替换老化或损坏的压力表:如果压力表存在严重老化或损坏,建议及时替换为新的压力表。
6. 总结本报告对压力表的校验过程和结果进行了详细描述,并提供了相关的改进建议。
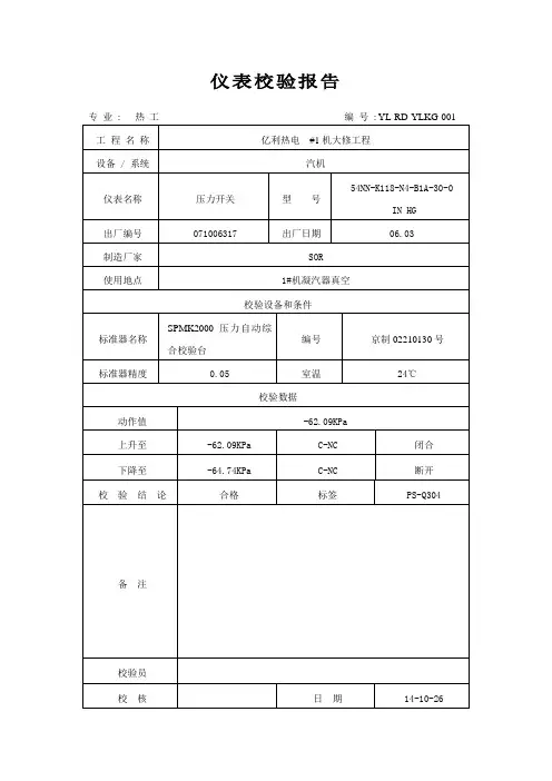
专业: 热工编号: YL-RD-YLKG-001 工程名称亿利热电#1机大修工程设备 / 系统汽机54NN-K118-N4-B1A-30-0 仪表名称压力开关型号IN HG 出厂编号071006317 出厂日期06.03制造厂家SOR使用地点1#机凝汽器真空校验设备和条件SPMK2000压力自动综标准器名称编号京制02210130号合校验台标准器精度0.05 室温24℃校验数据动作值-62.09KPa上升至-62.09KPa C-NC 闭合下降至-64.74KPa C-NC 断开校验结论合格标签PS-Q304备注校验员校核日期14-10-26专业: 热工编号: YL-RD-YLKG-002 工程名称亿利热电#1机大修工程设备 / 系统汽机54NN-K118-N4-B1A-30-0 仪表名称压力开关型号IN HG 出厂编号04152559 出厂日期06.03制造厂家SOR使用地点1#机凝汽器真空校验设备和条件SPMK2000压力自动综标准器名称编号京制02210130号合校验台标准器精度0.05 室温24℃校验数据动作值-60.32KPa上升至-67.70KPa C-NC 断开下降至-60.32KPa C-NC 闭合校验结论合格标签PS-Q304备注校验员校核日期14-10-26专业: 热工编号: YL-RD-YLKG-003 工程名称亿利热电#1机大修工程设备 / 系统汽机54NN-K118-N4-B1A-30-0 仪表名称压力开关型号IN HG 出厂编号4152559 出厂日期06.03制造厂家SOR使用地点1#机凝汽器真空校验设备和条件SPMK2000压力自动综标准器名称编号京制02210130号合校验台标准器精度0.05 室温24℃校验数据动作值-60.30KPa上升至-67.79KPa C-NC 断开下降至-60.32KPa C-NC 闭合校验结论合格标签PS-Q302备注校验员校核日期14-10-26专业: 热工编号: YL-RD-YLKG-004 工程名称亿利热电#1机大修工程设备 / 系统汽机54NN-K118-N4-B1A-30-0 仪表名称压力开关型号IN HG 出厂编号051108589 出厂日期06.03制造厂家SOR使用地点1#机凝汽器真空校验设备和条件SPMK2000压力自动综标准器名称编号京制02210130号合校验台标准器精度0.05 室温24℃校验数据动作值-69.98KPa上升至-73.01KPa C-NC 断开下降至-69.98KPa C-NC 闭合校验结论合格标签PS-Q301备注校验员校核日期14-10-26专业: 热工编号: YL-RD-YLKG-005 工程名称亿利热电#1机大修工程设备 / 系统汽机仪表名称压力开关型号4NN-K2-N4-B1A-2-8PSI 出厂编号051108574 出厂日期06.03制造厂家SOR使用地点1#机润滑油压低(启交流)校验设备和条件SPMK2000压力自动综编号京制02210130号标准器名称合校验台标准器精度0.05 室温24℃校验数据动作值0.049MPa上升至0.051MPa C-NC 断开下降至0.049MPa C-NC 闭合校验结论合格标签PS-Q401 备注校验员校核日期14-10-26专业: 热工编号: YL-RD-YLKG-006 工程名称亿利热电#1机大修工程设备 / 系统汽机仪表名称压力开关型号4NN-K2-N4-B1A-2-8PSI 出厂编号051108572 出厂日期06.03制造厂家SOR使用地点1#机润滑油压低(启直流)校验设备和条件SPMK2000压力自动综编号京制02210130号标准器名称合校验台标准器精度0.05 室温24℃校验数据动作值0.0397MPa上升至0.0412MPa C-NC 断开下降至0.0397MPa C-NC 闭合校验结论合格标签PS-Q402 备注校验员校核日期14-10-26专业: 热工编号: YL-RD-YLKG-007 工程名称亿利热电#1机大修工程设备 / 系统汽机仪表名称压力开关型号4NN-K2-N4-B1A-2-8PSI 出厂编号051108579 出厂日期06.03制造厂家SOR使用地点1#机润滑油压低(DCS报警)校验设备和条件SPMK2000压力自动综编号京制02210130号标准器名称合校验台标准器精度0.05 室温24℃校验数据动作值0.049MPa上升至0.051MPa C-NC 断开下降至0.049MPa C-NC 闭合校验结论合格标签PS-Q411 备注校验员校核日期14-10-26专业: 热工编号: YL-RD-YLKG-008 工程名称亿利热电#1机大修工程设备 / 系统汽机仪表名称压力开关型号4NN-K2-N4-B1A-2-8PSI 出厂编号051108573 出厂日期06.03制造厂家SOR使用地点1#机润滑油压低(去ETS)校验设备和条件SPMK2000压力自动综编号京制02210130号标准器名称合校验台标准器精度0.05 室温24℃校验数据动作值0.039MPa上升至0.040MPa C-NC 断开下降至0.039MPa C-NC 闭合校验结论合格标签PS-Q403 备注校验员校核日期14-10-26专业: 热工编号: YL-RD-YLKG-009 工程名称亿利热电#1机大修工程设备 / 系统汽机仪表名称压力开关型号4NN-K2-N4-B1A-2-8PSI 出厂编号051108577 出厂日期06.03制造厂家SOR使用地点1#机润滑油压低(去ETS)校验设备和条件SPMK2000压力自动综编号京制02210130号标准器名称合校验台标准器精度0.05 室温24℃校验数据动作值0.039MPa上升至0.040MPa C-NC 断开下降至0.039MPa C-NC 闭合校验结论合格标签PS-Q405 备注校验员校核日期14-10-26专业: 热工编号: YL-RD-YLKG-010 工程名称亿利热电#1机大修工程设备 / 系统汽机仪表名称压力开关型号4NN-K2-N4-B1A-2-8PSI 出厂编号051108578 出厂日期06.03制造厂家SOR使用地点1#机润滑油压低(停盘车)校验设备和条件SPMK2000压力自动综编号京制02210130号标准器名称合校验台标准器精度0.05 室温24℃校验数据动作值0.029MPa上升至0.030MPa C-NC 断开下降至0.029MPa C-NC 闭合校验结论合格标签PS-Q406 备注校验员校核日期14-10-26专业: 热工编号: YL-RD-YLKG-011 工程名称亿利热电#1机大修工程设备 / 系统汽机仪表名称压力开关型号G04GM1出厂编号出厂日期06.03制造厂家CCS使用地点1#发电机定子冷却水压力开关校验设备和条件SPMK2000压力自动综编号京制02210130号标准器名称合校验台标准器精度0.05 室温24℃校验数据动作值0.1MPa上升至0.100MPa C-NC 闭合下降至0.092MPa C-NC 断开校验结论合格标签PS-Q801 备注校验员校核日期14-10-26专业: 热工编号: YL-RD-YLKG-012 工程名称亿利热电#1机大修工程设备 / 系统汽机仪表名称压力开关型号G04GM1出厂编号出厂日期06.03制造厂家CCS使用地点1#发电机转子冷却水压力开关校验设备和条件SPMK2000压力自动综编号京制02210130号标准器名称合校验台标准器精度0.05 室温24℃校验数据动作值0.1MPa上升至0.105MPa C-NC 闭合下降至0.1MPa C-NC 断开校验结论合格标签PS-Q802 备注校验员校核日期14-10-26专业: 热工编号: YL-RD-YLKG-013 工程名称亿利热电#1机大修工程设备 / 系统汽机仪表名称压力开关型号G04GM3出厂编号出厂日期06.03制造厂家CCS使用地点凝结水母管压力校验设备和条件SPMK2000压力自动综编号京制02210130号标准器名称合校验台标准器精度0.05 室温24℃校验数据动作值0.66MPa上升至0.66MPa C-NC 闭合下降至0.54MPa C-NC 断开校验结论合格标签PS-Q501 备注校验员校核日期14-10-26专业: 热工编号: YL-RD-YLKG-014 工程名称亿利热电#1机大修工程设备 / 系统汽机仪表名称压力开关型号G04GM1出厂编号4152559 出厂日期06.03制造厂家CCS使用地点发电机冷却水滤网差压校验设备和条件SPMK2000压力自动综编号京制02210130号标准器名称合校验台标准器精度0.05 室温24℃校验数据动作值0.020MPa上升至0.020MPa C-NC 闭合下降至0.016MPa C-NC 断开校验结论合格标签PDS-Q801 备注校验员校核日期14-10-26专业: 热工编号: YL-RD-YLKG-015 工程名称亿利热电#1机大修工程设备 / 系统汽机仪表名称压力开关型号4NN-K4-N4-C1A-2-25PSI 出厂编号00511008580 出厂日期06.03制造厂家SOR使用地点润滑油压低(去ETS)校验设备和条件SPMK2000压力自动综编号京制02210130号标准器名称合校验台标准器精度0.05 室温24℃校验数据动作值0.039MPa上升至0.042MPa C-NC 断开下降至0.039MPa C-NC 闭合校验结论合格标签PS-Q404 备注校验员校核日期14-10-26。
兴澄特钢一热电50MW抽汽凝汽式汽轮机组#1机
压力开关检修记录及验收签证
1# 机组
兴澄特钢一热电50MW抽汽凝汽式汽轮机组#1机压力开关检修记录及验收签证
兴澄特钢一热电50MW抽汽凝汽式汽轮机组#1机压力开关检修记录及验收签证
兴澄特钢一热电50MW抽汽凝汽式汽轮机组#1机
压力开关检修记录及验收签证
1# 机组
兴澄特钢一热电50MW抽汽凝汽式汽轮机组#1机
压力开关检修记录及验收签证
1# 机组
兴澄特钢一热电50MW抽汽凝汽式汽轮机组#1机
压力开关检修记录及验收签证
1# 机组
兴澄特钢一热电50MW抽汽凝汽式汽轮机组#1机压力开关检修记录及验收签证
兴澄特钢一热电50MW抽汽凝汽式汽轮机组#1机
压力开关检修记录及验收签证
1# 机组
兴澄特钢一热电50MW抽汽凝汽式汽轮机组#1机压力开关检修记录及验收签证
兴澄特钢一热电50MW抽汽凝汽式汽轮机组#1机
压力开关检修记录及验收签证
1# 机组
兴澄特钢一热电50MW抽汽凝汽式汽轮机组#1机
压力开关检修记录及验收签证
1# 机组
兴澄特钢一热电50MW抽汽凝汽式汽轮机组#1机
压力开关检修记录及验收签证
1# 机组
(注:文件素材和资料部分来自网络,供参考。
请预览后才下载,期待你的好评与关注。
)。
中铁二十局集团第四工程有限公司兰州北制梁场实验
室
校验证书
证书编号:2010-YLB-036
送检单位中铁二十局集团第四工程有限公司兰州北制梁场
计量器具名称精密压力表
规格/ 型号YBN-150
出厂编号10.06.12.1450
制造单位西安自动化仪表一厂
校验依据JJG49-1999《弹簧管式精密压力表和真空表检定规程》校验结论级
(校验专用章)批准人:
核验员:
校验员:校验日期:2010年07月30日
有效期至:2010年08月06日
第1页共2页
证书编号:2010-YLB-036
校验员:核验员:第2页共2页
精密压力表校验记录表
检定用工作介质检按时室温℃相对湿度:% 校验编号:
4
检定证书编号:校验:年月日复核员:年月日5。
开关检测报告随着科技的不断发展,开关已经成为我们生活中必不可少的一部分。
无论是家庭、办公室还是公共场所,开关都是连接电器与电源之间的重要桥梁。
然而,有时我们会遇到一些问题,比如电路失灵、开关无法正常开启或关闭等等。
因此,为了保证开关的质量和性能稳定,进行开关检测是非常必要的。
一、开关外观检测首先进行的是开关外观检测。
我们会仔细观察开关的外观,检查是否有明显的损坏、变形或者划痕等情况。
同时,还会检查开关的颜色是否一致,是否有漆面剥落等问题。
若发现上述情况,意味着开关的外壳或者表面质量有待改进,可能会影响其安全使用。
二、开关功能检测接下来是开关的功能检测。
我们会对开关的开关量进行测试,即开启与闭合的频率。
测试中,我们需要确保开关的触发力合适,不能过于轻微或者过于沉重,以免用户使用不便。
同时,还需要检测开关的连接是否稳定,是否会出现抖动等问题。
三、开关电气性能检测除了功能检测,开关的电气性能测试也是不可或缺的环节。
我们会测试开关的绝缘电阻,以确保在使用过程中不会出现漏电等安全隐患。
此外,还要检验开关的耐压性能,确保在正常使用范围内不会出现电弧现象。
电气性能的测试过程中,我们还会关注开关的泄漏电流、接触电阻等指标,以保证开关的可靠性和长期稳定性。
四、开关环境适应性检测作为一个常用的电器,开关需要在各种环境条件下正常工作。
因此,对开关的环境适应性进行测试也是非常重要的。
我们会模拟不同的温度、湿度、震动等环境条件,测试开关在这些条件下是否能够正常运行。
同时,也需要测试开关的防尘防水性能,以保证其在不同的使用场景下能够正常工作。
五、开关标志检测最后,进行的是开关标志检测。
开关标志一般包括厂商信息、产品型号、电流电压等标识,这些信息对用户使用和售后维修都非常重要。
我们会核实这些标志的准确性和清晰度,防止因标志模糊而引发误用。
总结:开关检测报告是确保开关质量和性能稳定的一项重要工作。
通过对开关外观性能、功能、电气性能、环境适应性以及标志等方面的检测,我们能够及时发现并解决开关存在的问题。
序号
测试结果备注
1■PASS □FALL
测试数据开关
动作
力
开关动作力测试报告表
报告日期(Report Rate):2018.04.01 报告编号(Report No): 实验产品:实验地点: 实验日期:
实验人员:
1.实验项目:□相位差 □定位点力矩 □定位点数及位置 □分解能力 □振荡 □滑动杂讯 □端子间接触阻抗 □轴的推拉强度 □端子强度 □轴摆动 □轴的回转方向摆动 □绝缘阻抗 □耐电压 □焊锡性 □冲击 □低温特性 ■开关动作力
2.实验目的: □新产品试产 □新品量产 □验证结构 □性能验证 □风险订单 □物料承认 ■客户要求 □年度计划测试项目
测试条件/要求
测试数量
开关动作力
在轴端,沿轴向施加的按压力。
3+1.5/-1.0N(1N≈100gf.cm)
5PCS
3.实验图示:
4.实验数据:
编号1
2
3
4
5
测试项目及标准在轴端,沿轴向施加的按压力。
3+1.5/-1.0N(1N≈100gf.cm)
323345********* 测试员: 审核: 核准:
判定
OK
OK
OK
OK
OK。
负压压力开关合格单范例负压压力开关是一种用于测量管道或容器中负压压力的装置。
它在工业、农业、医疗等领域有着广泛的应用。
本文将以负压压力开关合格单为例,介绍其结构、工作原理、性能要求以及测试方法。
一、结构负压压力开关通常由外壳、弹簧、接点、调整螺钉等部分组成。
外壳是保护装置内部结构的壳体,通常由金属或塑料制成。
弹簧是负压压力开关的核心部件,它根据外界压力的变化来实现开关的闭合和断开。
接点则用于传导电信号,通常由金属材料制成。
调整螺钉用于调整开关的灵敏度和工作范围。
二、工作原理负压压力开关根据管道或容器中的负压压力来实现开关的动作。
当负压压力超过设定值时,弹簧受力,使得接点闭合,电路通断,实现电信号的输出。
当负压压力低于设定值时,弹簧恢复原状,接点断开,电路断开,停止电信号的输出。
通过这种方式,负压压力开关可以实现对负压压力的监测和控制。
三、性能要求负压压力开关的性能要求包括灵敏度、稳定性、精度等方面。
首先,灵敏度要求高,能够对负压压力的微小变化作出反应。
其次,稳定性要求好,能够在长时间使用过程中保持稳定的工作状态。
此外,精度要求高,能够准确地测量负压压力的数值。
四、测试方法对负压压力开关的性能进行测试时,需要使用专用的测试仪器。
首先,将负压压力开关连接到测试仪器上,通过调整螺钉来设定测试压力。
然后,通过改变测试压力,观察开关的闭合和断开情况,并记录相应的电信号输出。
根据测试结果,可以评估负压压力开关是否合格。
总结:负压压力开关是一种用于测量负压压力的装置,具有结构简单、工作可靠等特点。
负压压力开关合格单范例中,我们介绍了负压压力开关的结构、工作原理、性能要求以及测试方法。
通过对负压压力开关的了解,我们可以更好地应用它来监测和控制负压压力,为各行业的生产和工作提供支持。