空调TMP86F809NG芯片程序烧录作业指导书
- 格式:xls
- 大小:347.00 KB
- 文档页数:1
单片机烧录软件使用说明一、简介单片机烧录软件是一种用于将程序固化到单片机芯片中的工具软件。
它通过将程序代码转换为机器码,并将其加载到单片机中,从而实现单片机的功能。
本文将介绍单片机烧录软件的使用方法和注意事项,帮助用户顺利完成烧录工作。
二、软件安装在使用单片机烧录软件前,首先需要将其安装到计算机上。
一般来说,烧录软件都有一个安装向导,用户只需按照向导的提示一步步完成安装即可。
安装完成后,用户可以在计算机的“开始”菜单或桌面上找到烧录软件的快捷方式,双击打开软件。
三、连接硬件在进行单片机烧录之前,需要将计算机与单片机进行连接。
一般来说,需要将单片机芯片插入一个烧录器,然后将烧录器连接到计算机上。
连接时需要注意以下几点:1.确保单片机与烧录器的插座对应正确,避免插倒。
2.注意连接方式,有些烧录器需要通过USB线连接到计算机上,而有些烧录器则需要通过串口线连接。
3.如果使用的是USB连接方式,需要安装对应的USB驱动程序。
四、选择目标单片机型号五、导入程序代码在选择目标单片机型号后,用户可以导入需要烧录的程序代码。
一般来说,程序代码的格式可以是汇编语言格式、C语言格式或其他支持的格式。
用户只需将代码文件或工程文件导入到烧录软件中即可。
导入程序代码后,用户可以查看代码文件的内容,确认是否正确无误。
六、配置烧录参数在进行单片机烧录前,用户需要对烧录参数进行配置。
烧录参数主要包括烧录速度、芯片供电方式、编程模式等。
不同的单片机烧录软件可能会有不同的参数配置方式,用户需要根据烧录软件的操作界面进行设置。
在配置烧录参数时,用户需要根据单片机型号和所需功能进行选择。
有些参数具有默认值,用户可以根据需要进行修改。
七、开始烧录在确认烧录参数正确无误后,用户可以点击“开始烧录”按钮,启动烧录过程。
在烧录过程中,用户需要保持单片机与烧录器的连接稳定,避免拔插或移动。
如果中途发生了意外断开连接的情况,用户需要重新连接并重新开始烧录。
作业指导书
F300
一.烧程序
1.将烧录版(参照下图)插入电脑的USB口,
2.从FTP上把FlashMagic烧录软件下载下来,解压即可使用
3.打开FlashMagic文件,如图
运行flash magic后出现如图所示界面
4.点击Select Device,选择与PCBA里的CPU对应的型号,F300默认选
LPC2365(如图2)
5.选择串口,点击COM Port,选择与烧录版相同的串口(如图3)
图3 6.选择波特率,点击Baud Rate,选择230400,
7.第二步选择如图所示:
8.选择程序,点击Browse,选择与生产通知单里的软件版本相同的版本(每
次烧录请从FTP下载,防止程序出错)
9.烧录前,拿到PCBA,先检查一下PCAB是否有连锡,或是脚位错位等现
象,如果无进入下一项
10.将烧录线接上F300PCBA上的USB,这时终红绿灯常亮,点击FlashMagic
里面的Start。
直到进度条结束,旁边显示Finished。
RT809F 串行 ISP 编程器使用说明RT 系列 传承八载 一直被模仿 从未被超越本公司最新推出 RT809F 串行 ISP 编程器,采用 USB1.1/2.0 兼容的高速接口,稳定可靠,彻底摆 脱并口的限制和麻烦,整机耗电量仅 70-90mA,新老主板都能兼容,驱动通过微软 WHQL 数字认证,自 动安装、安全稳定。
编程器自主软件兼容 32 位和 64 位的 WIN7、XP 系统,自主研发的高速串行 ISP 编程引擎,历时 12 个月,8 万行核心代码,精雕细琢,匠心独具。
支持液晶显示器驱动板和液晶电视 主板主流芯片方案的 ISP 在线读写,独家支持 ISP 引脚接触检测和主板供电检测,有效减少联机错误 的发生; 独家支持自动识别板卡芯片方案、 型号并打开相应烧录界面, 也可以使用我们自主开发的 ISP 软件,统一界面下在线读写,甚至包括很多官方软件都不支持的芯片;独家支持 RTD2120 单片机的 双 BANK 在线读取和写入功能!包含固件所在的 BANK0 和品牌机菜单所在的 BANK1 区,读取双 BANK 只需 6 秒。
熟悉液晶维修的朋友,应该知道这意味着什么(AOC、Acer、Great Wall、BENQ、 Hair 等原装板,RTD2120 损坏或丢数据的太多了,能够读取出程序并备份,就意味着这类故障的维修 成本将大幅度下降,每年省下的成本,足够买 N 多个编程器了) ;独家支持 USB 接口下的 NT68F63, NT68F633/NT68F632/NT68F631/NT68625/NT68160/NT68623/ NT68663/NT68665/NT68667/NT68167/ NT68168/NT68650/NT68670 等 NT68 全系列的在线读写功能;支持 WT61P4、MTV512、MTV412、 RTD2122 等型号 MCU 的在线读写,支持串口升级方式的 W78E65、SM5964、P89C51、TP28 系列、 STC 系列等 MCU 的在线烧录功能,新老机型兼顾;支持显示器、电视、笔记本液晶屏的 DDC-EDID 数据在线读写,包括 128 字节模式和 256 字节模式,轻松解决各类 EDID 数据造成的故障。
单片机烧录方法范文一、ISP烧录方法ISP(In System Programming)是一种在电路板上通过外部接口对单片机进行编程的方法。
这种方法使用的烧录器通常包括一个编程器和一个目标板接口。
具体的烧录步骤如下:1.连接编程器和目标板接口。
将编程器通过USB或串口等接口连接到计算机,并将目标板接口与目标单片机连接。
2.打开编程软件。
根据编程器的型号,打开相应的编程软件。
3.设置编程参数。
在编程软件中选择目标单片机的型号,并设置好程序文件的路径和其他相关参数。
4.擦除芯片。
在编程软件中选择擦除芯片的操作。
擦除操作会将芯片内部的所有数据清零。
5.编程。
在编程软件中选择编程操作。
编程操作会将程序文件的内容烧录到芯片的指定地址。
6.验证。
在编程软件中选择验证操作。
验证操作会读取刚刚烧录的程序,并与原程序进行比较,判断烧录是否成功。
7.完成。
如果验证成功,则表示烧录操作已完成。
如果验证失败,则需要检查连接是否正确,重新进行烧录操作。
二、JTAG烧录方法JTAG(Joint Test Action Group)是一种用于测试和调试电子设备的标准接口。
除了测试和调试,JTAG接口也可以用于单片机的烧录。
具体的烧录步骤如下:1. 连接JTAG模块和目标板接口。
将JTAG模块通过USB或Ethernet等接口连接到计算机,并将目标板接口与目标单片机连接。
2.打开JTAG编程软件。
根据JTAG模块的型号,打开相应的编程软件。
3.设置编程参数。
在编程软件中选择目标单片机的型号,并设置好程序文件的路径和其他相关参数。
4.连接调试接口。
在编程软件中选择连接调试接口的操作。
这个操作会与目标单片机建立通信连接。
5.擦除芯片。
在编程软件中选择擦除芯片的操作。
擦除操作会将芯片内部的所有数据清零。
6.编程。
在编程软件中选择编程操作。
编程操作会将程序文件的内容烧录到芯片的指定地址。
7.验证。
在编程软件中选择验证操作。
验证操作会读取刚刚烧录的程序,并与原程序进行比较,判断烧录是否成功。
文件编
号
制作审核
机型版本制作时间生效时间
页码修订
标准产能:标准工时:
阅读方式 每天一次
岗位责任敢于承诺说到做到作业前3分中清洁台面、保持台面的整齐。
岗位制度离岗必须
汇报配离
岗证
必需检查
上一个岗
位的重缺
陷、自检
本岗位
未能发现
上岗位的
重缺陷,
将接受处
罚
生产作业指导书
岗位
电容屏烧录 测试指导书
主料/
开关键辅料/
工具:
1、FPCA
2、测架、
手指套、
酒精、无
尘布、标
签
注意事
项/管
制要
求:
1、作业前
套、静电
环、检查
本站物料
2、FPC轻
拿轻放不
能折伤
作业步
骤:
1、单手取
FPCA、把
FPC放在治
具槽里
(如图
一)
2、FPC放好位置,用右手下压手柄、确认位置OK、图二
3、用右手大拇指按住复位键2秒不松手,同时用食指
把开关键打开、烧录指示等不停的闪烁,直到灯不闪烁烧录完毕,亮绿灯
4、检查烧录OK、打开开关键,完成指示灯亮绿灯就好了。
FTU主板程序烧录作业指导书
文件编号:
编制:年月日
审核:年月日
标准化:年月日
批准:年月日
——年——月——日发布——年—月—日实施北京泽源惠通科技发展有限公司
作业指导书
岗位编程产品名称FTU主板工序名称工序编号
作业内容线路板编程
使用工具编程器、电脑、电烙铁
涉及文件
作业步骤
一、线路板编程
1、把编程器和电脑用232串口线连接,打开编程器电源。
(图一)
3、短接主板SW2的RST脚与中间脚。
(图二)
4、把编程器输出端插入JETG口然后编程。
(图三)
5、打开430编程软件,选择对应主板的微处理器的系列、型号,在编程器供电栏,目标电压设为2.8V,其余选项为默认值,点击运行,等待进度条出现,状态栏出现编程成功即可。
(图四)
6、编程成功后,将SW2的DOG脚与中间脚短接,对程序进行保护。
(图五)
图一图二图三SW2
JETG口
SW2
图四图五
二、重新烧录程序或升级软件
1、先将SW2的DOG脚与中间脚断开,然后短接主板SW2的RST脚与中间脚。
(图二)
2、重新烧录程序或升级软件,重复线路板编程第1-6步骤即可。
注意事项
1、编程时正确短接SW2位置。
2、重新烧录程序或升级软件时,注意正确调整SW2位置。
一、烧录工具1.编程器: ALL-11(A)2.适配器:BM11197或BM11188一个(TMP86P807NG用BM11197,TMP86PH46NG用BM11188,TMP86P202NG使用BM11203)3.PC电脑一台二、烧录软件版本信息ALL-11 Universal Programmer V3.10三、调试方法:适用于ALL-11(A)1.确认防静电手环接地良好后,戴上防静电手环。
2.连接编程器,启动PC电脑3.将适配器缺口朝上装于编程器的锁紧内,并将锁紧担杆拉下;4.烧录时BM11197或BM11188上的开关打到“N”方向;5.双击电脑桌面上快捷方式“WACCESS”,(方便起见,可先在桌面上建一快捷方式)如下图所示:6.选择菜单项“Device”进入“Manufacture list”选择“Toshiba”,点击“OK”按钮。
7.出现Type list窗口,选左上角的EPROM,右边选择“TC571000”型号,点击“RUN”按钮。
8.选择菜单SETUP下拉至modify programmer mapping确定,进入Modify programmerbuffer mapping窗口,根据单片机型号,按下图所示设置Device和Buffer值;单片机TMP86P807NG设置方法单片机TMP86PH46NG设置方法单片机TMP86P202NG设置方法9.点击OK钮后,0001FFFF会自动改变为FFFF;10.此时可调文件,选菜单FILE下拉至“Load file to programmer buffer”确定,调用所需文件(*.h16),选定后点击“打开”钮。
(注:调用的文件必须与《芯片拷贝申请记录表》上的程序名称一致)项不用改写(变),点击OK钮。
致即可进入下一步骤。
13.点击“Auto ”按钮;打开下图所示窗口;将图中圈选项打勾;14.点击“RUN ”按钮,即可开始烧录;15.如烧录OK ,右面板上方会显示OK 字样,如烧录错误,则用红色字体显示“Error ”字样。
准备工作
第一步:安装烧录器驱动(按步骤默认安装)。
安装时需链接烧录器(USB口与PC机相连接)
第二步:安装完成后重启电脑。
第三步:打开烧录器软件出现以下界面则安装正确。
开始烧录:
1、将编程器与PC机连接好
2、打开烧录器软件选择IC芯片
2将要烧写的芯片放在烧录器上确定芯片后点击读取
再打开缓冲区出现缓冲区数据界面
上图中缓冲区内4—7四个字节为生产时间。
修改完生产时间后关闭缓冲区。
在点击编程提示如下:
以上就是烧写过程。
检验烧写是否成功
将芯片放在编程器上之后点击软件上面的读取按钮
提示完成后再点击缓冲区查看
检查无误后将芯片装在PCB进行验证。
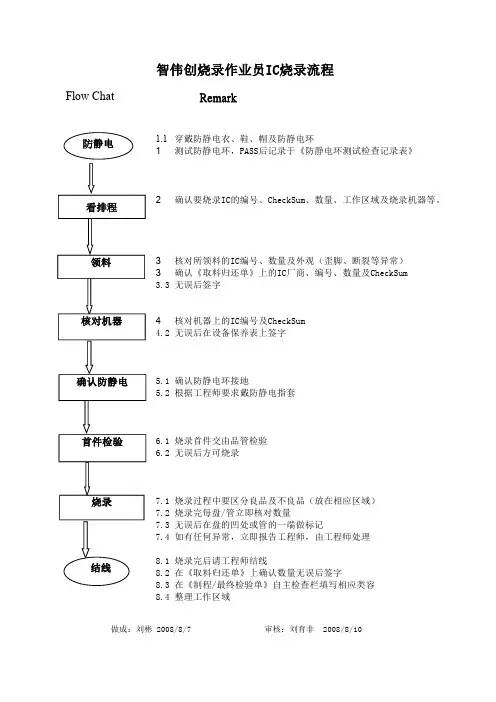
智伟创烧录作业员IC烧录流程
Flow Chat Remark
1.1穿戴防静电衣、鞋、帽及防静电环
1测试防静电环,PASS后记录于《防静电环测试检查记录表》
2确认要烧录IC的编号、CheckSum、数量、工作区域及烧录机器等。
3核对所领料的IC编号、数量及外观(歪脚、断裂等异常)
3确认《取料归还单》上的IC厂商、编号、数量及CheckSum
3.3无误后签字
4核对机器上的IC编号及CheckSum
4.2无误后在设备保养表上签字
5.1确认防静电环接地
5.2根据工程师要求戴防静电指套
6.1烧录首件交由品管检验
6.2无误后方可烧录
7.1
烧录过程中要区分良品及不良品(放在相应区域)7.2
烧录完每盘/管立即核对数量7.3
无误后在盘的凹处或管的一端做标记7.4
如有任何异常,立即报告工程师,由工程师处理8.1
烧录完后请工程师结线8.2
在《取料归还单》上确认数量无误后签字8.3
在《制程/最终检验单》自主检查栏填写相应类容8.4整理工作区域做成:刘彬 2008/8/7审核:刘育非 2008/8/10
防静电看排程领料核对机器确认防静电首件检验烧录 结线。
1目的:为保证全自动烧录机正确的操作作业,特制订此作业指导书。
2范围:仅限LUS-TAPE-Y-XXX全自动烧录机3定义:无4权责:品质部负责IC烧录机的操作使用,及日常维护、点检。
5作业内容:5.1功能图示5.2 操作说明:5.2.1 准备工作将未烧写料盘装在此处;料盘背面朝外, 编带方向顺时针安装将已烧写好料盘装在此处; 料盘背面朝外编带经过固定滚轴的位置 取下保护固定板和固定轴 4根轴、2个保护板 通过主控显示屏升起探针详见以下主控显示屏菜单第4项辅助功能操作说明编带经过固定滚轴的位置注:此编带保护膜一定要与编带对齐贴合编带经过固定轴的位置编带头部装进此处固定轴内固定将保护固定板和固定轴装上通过电脑将程序拷入烧写器内,然后将烧写器和电源装上,如图5.2.2 主控显示屏参数设置1、按红色菜单键2、输入密码101(按白色键1次再按1此绿色键按蓝色确认键)输入密码后进入6、进入模式选择7、选择正常烧写模式8、选择后,按菜单键返回主菜单9、进入参数设置10、选择压膜参数设置11、查看当前温度12、当温度达标至140度后才可进行IC烧录。
13、按菜单键返回开始烧录1、进入辅助功能2、按绿色键向下移动3、选择探针上升4、按确认键开始上升1、如右图所示,显示屏出现烧录失败提示“N”“Y”表示OK“O”表示待烧录1、当烧录NG、错误的时候,请将右图槽内IC取出,更换已烧录OK的IC放进槽内,再盖上保护盖,继续烧录。
备注:为了有烧录好的IC可以更换,请提前用电脑手动烧录。
---精心整理,希望对您有所帮助。
美的挂机机房空调设备日常检修单项作业指导书
(遥测、遥信、遥控功能及数据核对试验)
1.安全控制措施
安全控制措施1.作业过程中,不得随意更改系统设置,严格按照规定操作,严禁误操作。
2. 作业过程中应保持与防护员、网管的畅通联系,发生设备异常状态时听从网管指挥。
维护作业完毕后必须经网管确认正常后,方可离开。
3.作业前与网管核对各项监控数据,并进行记录,作业完成后恢复所有监控数据。
作业过程中确保双人作业,一人操作,一人防护。
2.作业前准备
维修
周期
季
作业人员2名
作业
时间
20分钟
维修条件维修计划(天窗点外)
作业
工具
联络电话1部
检修
依据
《铁路通信维护规则》TG/TX106-2014 3.作业过程
一、遥测、遥信、遥控功能及数据核对试验
与监控网管联系,由网管进行远端操控,现场作业人员随时与网管保持联系,同时确认现场空调各项参数和状态与网管监测一致。
检修记录见附表二。
4.关键提示:
5.发生问题的处置:。
东芝在线烧录步骤
一.把工装上的USB,及串口线与电脑连接好
二.安装烧录文件,路径安装在“C:\Program Files\Toshiba\Flash Programmer ”
三.安装完成后,在安装目录下双击
四弹出以下对话框,先选择Device“TMP86F809”,再按“Apply“
五在Object File中导入HEX文件,文件名:jc159_ACAC.h16文件不能放在中文路径中。
如下图所示:,
六单击如下按钮图标:
七弹出如下对话框,并按图所示选择
八点击“Search from File “按钮
九弹出如下对话框,并导入HEX文件,文件名:JC_159_7E1D.H16 , 文件不能放在中文路径中
十选择“SetupFile”对话框,并从安装目录下导入文件,文件名:FlashProg.ini,点击OK
十一:
弹出以下对话框,
十二:把工装电源重新开关一次,弹出以下对话框
十三:按图标,选择好弹出的图标,再按
十四:若烧录成功,则弹出以下对话框,核对校验码是否为“ACAC”,并按“Yes“
十五:此时取下工装上的PCB板,装上新的PCB板。
十六:弹出以下对话框,按下以上图中的“确定”键,并会返回第十四步的操作。
本文部分内容来自网络整理,本司不为其真实性负责,如有异议或侵权请及时联系,本司将立即删除!== 本文为word格式,下载后可方便编辑和修改! ==ic作业指导书篇一:IC烧录作业指导书篇二:IC烧录检验作业指导书驻厂IC烧录检验作业指导书1、目的规范驻厂IC烧录检验的作业方法。
2、范围适用于本公司驻厂烧录IC的检验。
3、职责:3.1生产班长:当班无安排专职品检人员时,班长负责IC烧录检验的全部工作内容,并做好相关记录。
3.2品检人员:全职负责IC烧录检验工作。
4、定义:无5、作业内容5.1制程检验5.1.1首件检验5.1.1.1 首件检验时机:工单首次烧录,交接班、上班开机,更换IC型号、程序资料,重开机。
5.1.1.2首件检验内容:a.IC外观不能有翘脚、断脚等破损现象; b.核对IC烧录的资料是否正确;c.核对机台烧录设定选项是否与首次烧录界面一致;d.机台是否有保存LOG文档。
5.1.1.3 首检取样方法:每一个Socket取2个IC。
5.1.1.4 首件样品必须是在烧录员工机台校检OK后,拿到品管检验专用机台上检测。
5.1.2 制程巡检5.1.2.1巡检频率:驻厂烧录巡检频率定义为1次/1H;5.1.2.2巡检内容:a.核对电脑烧录的OK数与实际烧录的OK数,发现数量不符时要求此时间段烧录的IC全检;b.核对烧录不良品的数量有无超过烧录工单要求的约定不良率;c.IC外观无翘脚断脚,标记颜色与客户要求一致;d.核对IC烧录的资料与客户要求的是否一致,每一个Socket取1个IC校检;e.核对机台烧录设定选项是否与首次烧录界面或首件检验时一致。
5.1.3 环境检验5.1.3.1烧录员工早中晚上班烧录前是否有进行静电手环测试,烧录过程中是否佩戴正确。
5.1.3.2 烧录工位物品摆放是否符合要求,未烧录、烧录良品与不良品是否有区分。
5.1.3.3 烧录员工在烧录过程中取放IC的动作是否容易造成不良。