竣工图的正确折法(GB)
- 格式:doc
- 大小:79.50 KB
- 文档页数:5
基本要求1 折叠后的图纸幅面一般应有A4(210mm×297mm)或A3(297mm×420mm)的规格。
对于需装订成册又无装订边的复制图,折叠后的尺寸可以是190mm×297mm或297mm×400mm。
当粘贴上装订胶带(见附录A)后,仍应具有A4或A3的规格。
2 无论采用何种折叠方法,折叠后复制图上的标题栏均应露在外面。
3 根据需要,可从本标准中任选取一种规定的折叠方法。
4 折叠方法4.1 需装订成册的复制图4.1.1 有装订边的复制图首先沿标题栏的短边方向折叠,然后再沿标题栏的长边方向折叠,并在复制图的左上角折出三角形的藏边,最后折叠成A4或A3的规格,使标题栏露在外面,如表1和表2。
4.1.2 无装订边的复制图首先沿标题栏的短边方向折叠,然后再沿标题栏的长边方向折叠成190mm×297mm或297m m×400mm的规格,使标题栏露在外面,并粘贴上装订胶带,如表3和表4。
4.12 不装订成册的复制图不装订成册的复制图的折叠方法有以下两种。
4.2.1 第一种折叠方法首先沿标题栏的长边方向折叠,然后再沿标题栏的短边方向折叠成A4或A3的规格,使标题栏露在外面,如表5和表6。
4.2.2 第二种折叠方法首先沿标题栏的短边方向折叠,然后再沿标题栏的长边方向折叠成A4或A3的规格,使标题栏露在外面,如表7和表8。
4.3 加长幅面复制图的折叠方法根据标题栏在图纸幅面上的方位,可参照前述方法折叠。
4.3.1 需装订成册的加长幅面复制图4.3.1.1 有装订边的加长幅面复制图当标题栏位于复制图的长边时(见表1和表2)。
可将加长复制图的长边部分先折出210mm (对A4)或420mm(对A3),再将其余部分折成等于或小于185mm(对A4)或395mm(对A3)的尺寸,使标题栏露在外面。
当标题栏位于复制图的短边上时(见表1和表2),可将加长复制图的长边部分折叠成等于或小于297mm的尺寸,使标题栏露在外面。
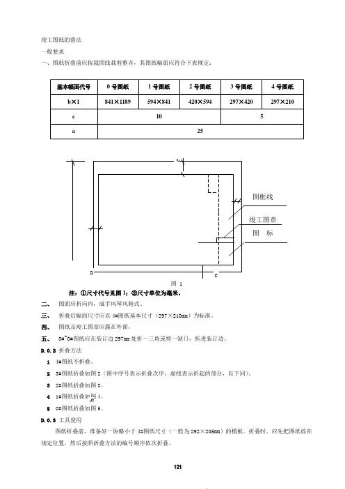
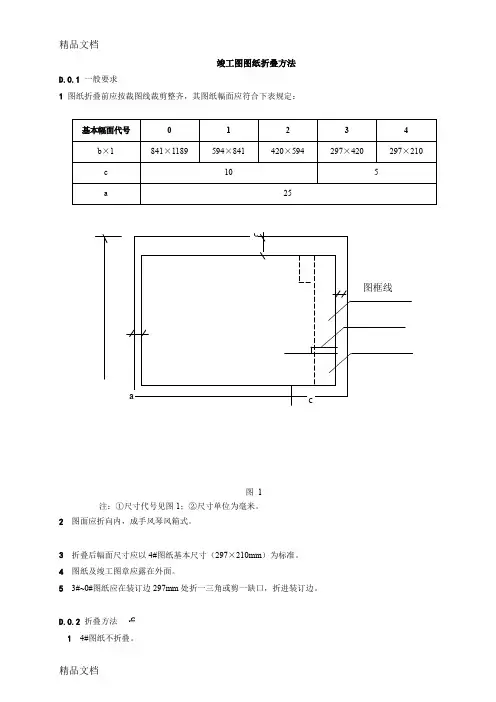
竣工图图纸折叠方法D.0.1 一般要求1 图纸折叠前应按裁图线裁剪整齐,其图纸幅面应符合下表规定:基本幅面代号0 1 2 3 4 b ×1 841×1189594×841420×594297×420297×210c 105a25图 1注:①尺寸代号见图1;②尺寸单位为毫米。
2 图面应折向内,成手风琴风箱式。
3 折叠后幅面尺寸应以4#图纸基本尺寸(297×210mm )为标准。
4 图纸及竣工图章应露在外面。
5 3#~0#图纸应在装订边297mm 处折一三角或剪一缺口,折进装订边。
D.0.2 折叠方法1 4#图纸不折叠。
bcac图框线 竣工图章图 标2 3#图纸折叠如图2(图中序号表示折叠次序,虚线表示折起的部分,以下同)。
3 2#图纸折叠如图3。
4 1#图纸折叠如图4。
5 0#图纸折叠如图5。
D.0.3工具使用图纸折叠前,准备好一块略小于4#图纸尺寸(一般为292×205mm)的模板。
折叠时,应先把图纸放在规定位置,然后按照折叠方法的编号顺序依次折叠。
3#图纸折叠示意(图2)图纸正面(下同)图纸正面(下同)图纸正面(下同)精品文档2#图纸折叠示意 (图 3)4202102972105()105112210420()12972105105211005945941002104201232974231512102974201231423151207292(b )23451202349272(a )51#图纸折叠示意 (图 4)5945941858411481131322104(b )130297149185561858412971311321024130(a )148149185652134432156650#图纸折叠示意 (图 5)11891189185(b )185(a )29784121046125312011912342722724627851318551856871851858412972102722728120119123471855185678。
一、要求装订归档的:
1、A0折叠成A4,需装订,留边:按下列图中的顺序和尺寸,慢慢体会。
折完后图号在上,有装订边。
pic1 A0折成A4
2、A1折叠成A4的方法见下列图。
注意折叠顺序和尺寸。
3、A2图纸折叠成A4尺寸的标准方法见下列图:
pic3 A2折成A4 4、A3图纸折叠成A4大小的标准成方法:
5、各种尺寸的图折成A3的方法与A4类似,但A3一般横向装订,尺寸有所不同:
pic5 A0折成A3
pic6 A1折成A3
pic7 A2折成A3
二、不需要装订的图纸折叠方法:不需要装订的图纸折起来要简单一些,各种尺寸图纸折叠方法如下列图:
pic8 A0折成A4〔不装订〕
pic9 A1折成A4〔不装订〕pic10 A2折成A4〔不装订〕
pic11 A3折成A4〔不装订〕。
竣工图图纸折叠方法
1.图纸折叠前要按裁图线裁剪整齐,其图纸幅面应符合表5-3的要求:
图纸幅面尺寸表表5-3
注:图中代号见图5-1,尺寸单位mm。
图5-1 尺寸代号图
2.折叠方法:图面折向内,成手风琴风箱式
1)折叠后幅面尺寸应以A4图纸基本尺寸(210×297mm)为准;
2)图标及竣工图章露在外面;
3)A3~A0号图纸在装订边297mm处折一三角或剪一缺口,折进装订边。
图5-2 A3图纸折叠示意图
图5-3 A2图纸折叠示意图
图5-4 A1图纸折叠示意图
图5-5 A0图纸折叠示意图
1)A4图纸不折叠
2)A3图纸折叠如图5-2(图中序号表示折叠次序,虚线表示折起的部分,下同);
3)A2图纸折叠如图5-3;
4)A1图纸折叠如图5-4;
5)A0图纸折叠如图5-5;
3.工具的使用:图纸折叠前,准备好一块略小于4号图纸尺寸(一般为292×205mm)的模板。
折叠时,先图纸放在规定的位置,然后按照折叠方法的编号顺序依次折叠。
4.向城建档案馆报送的工程档案应按交城建档案馆工程档案内容与组卷要求进行组卷。
1)文字材料和图纸材料原则上不能混装在同一个装具内,当资料较少如需放在同一装
具内时,文字材料和图纸材料必须混合装订,其中文字材料排前,图样材料排后。
2)单位工程档案总案卷数超过20卷的,应编辑总目录卷。
附录D 竣工图图纸折叠方法
D.0.1一般要求
1图纸折叠前应按裁图线裁剪整齐,其图纸幅面应符合下表规定:
图 1
注:①尺寸代号见图1;②尺寸单位为毫米。
2图面应折向内,成手风琴风箱式。
3折叠后幅面尺寸应以4#图纸基本尺寸(297×210mm)为标准。
4图纸及竣工图章应露在外面。
53#~0#图纸应在装订边297mm处折一三角或剪一缺口,折进装订边。
D.0.2折叠方法
1 4#图纸不折叠。
2 3#图纸折叠如图2(图中序号表示折叠次序,虚线表示折起的部分,以下同)。
3 2#图纸折叠如图3。
4 1#图纸折叠如图4。
b
5 0#图纸折叠如图5。
D.0.3工具使用
图纸折叠前,准备好一块略小于4#图纸尺寸(一般为292×205mm)的模板。
折叠时,应先把图纸放
在规定位置,然后按照折叠方法的编号顺序依次折叠。
121
1#图纸折叠示意(图4)
0#图纸折叠示意(图5)
123。
竣工图—图纸折叠方法
1、图纸折叠前应按裁图线裁剪整齐,其图纸幅面应符合下表规定:
2、图面应折向内,成手风琴箱式
3、折叠后幅面尺寸就以4#图纸基本尺寸为标准
4、图纸及竣工图章应露在外面
5、3-0号图纸应在装订边297处折一三角或剪一缺口,拆进装订边
折叠方法
1、4号图纸不折叠
2、3号图纸折叠如图2(序号为折叠次序,虚线表示折起部分)
3、2号图纸折叠如图3
4、1号图纸折叠如图4
5、0号图纸折叠如图5
工具使用
图纸折叠前,准备好一块略小于4号图纸尺寸(292*205)的模板。
折叠时,应先把图纸放在规定位置,然后按照折叠方法的编号顺序依次折叠。
竣工图的编制与图纸折叠方法竣工图是建设工程竣工档案的重要组成部分,是在施工中按照所完成的实物绘制的存档保存的“定型”图样,是工程交工验收的必备条件,是工程维修、管理、改建、扩建的依据,具有现实和长远的使用价值。
各项新建、改建、扩建项目均必须编制竣工图。
竣工图编制工作应由建设单位负责组织,具体绘制工作可由建设单位委托的施工单位、监理单位或设计单位承担。
第一节竣工图的编制编制工程竣工图,建立建设项目竣工档案是百年大计,是一项利在当代、功在千秋,为当今和子孙后代积累科学财富和技术资源的很有意义的工作。
认真搞好竣工图的编制工作,使竣工图在经济建设中充分发挥其作用,是所有建设、设计、施工和城建档案管理部门责无旁贷的一项重要工作。
一、竣工图编制的作用工程竣工图在国民经济建设中能发挥巨大的作用,具有很高的技术经济价值,它是人们管理各项工程设施的依据和凭证,其作用主要有:1施,进行规范化、科学化的管理离不开工程竣工图;只有依靠工程竣工图,才能满足城市现代化管理的需要。
2为工程维修、改建、扩建提供可靠的保障坐标,因此必须借助工程竣工图,否则,维修、改建、扩建工程无法开展。
3竣工图详细记载了工程建设经验和技术情况,内容丰富,可提供详细的信息资源,为科学研究、技术交流、历史查考和文化教育提供凭证和资料,为社会服务。
编制竣工图工作是工程建设施工技术管理的重要内容,它贯穿于工程建设的始终。
其基本任务是:按国家关于编制竣工图的法规及有关技术标准、规范,在工程建设施工过程中对原施工图进行记录、补充、修改或按工程现状重新绘制,完整、准确地表达和记录工程建设实际变更情况。
二、竣工图的编制要求及质量技术要求竣工图的编制要求是国家对工程竣工图样的表达方法、基本格式、编制深度、编制质量的统一规定,它是所有建设、施工、设计、监理单位编制竣工图必须采用和遵守的质量标准和技术准则。
按原国家建委关于颁发“编制基本建设工程竣工图的几项暂行规定”的通知,结合目前竣工图编制工作的实际开展情况,其编制应符合如下要求:1、凡按施工图施工没有变更的,由竣工图编制单位在施工图图签附近空白处加盖竣工图章并签署内容。
竣工图图纸折叠方法
1、图纸折叠前应按裁图线裁剪整齐,其图纸幅面应符合下表规定:
2、图面应折向内,成手风琴箱式
3、折叠后幅面尺寸就以4#图纸基本尺寸为标准
4、图纸及竣工图章应露在外面
5、3-0号图纸应在装订边297处折一三角或剪一缺口,拆进装订边
折叠方法
1、4号图纸不折叠
2、3号图纸折叠如图2(序号为折叠次序,虚线表示折起部分)
3、2号图纸折叠如图3
4、1号图纸折叠如图4
5、0号图纸折叠如图5
工具使用
图纸折叠前,准备好一块略小于4号图纸尺寸(292*205)的模板。
折叠时,应先把图纸放在规定位置,然后按照折叠方法的编号顺序依次折叠。
附录B 竣工图的编制及图纸折叠方法B1竣工图的编制竣工图是工程竣工验收后,真实反映建设工程项目施工结果的图样,是工程建设完成后主要凭证性材料,是建筑物或构筑物真实的写照,是工程竣工验收的必备条件,是工程维修、管理、改建、扩建的依据。
B1.1 竣工图类型重新绘制的竣工图;在二底图(底图)上修改的竣工图;利用施工图改绘的竣工图。
以上三种类型的竣工图报送底图、蓝图均可。
B1.2 重新绘制的竣工图工程竣工后,按工程实际重新绘制竣工图、虽然工作量大,但能保证质量。
1、重新绘制时,要求原图内容完整无误,修改内容也必须准确、真实地反映在竣工图上。
绘制竣工图要按制图规定和要求进行,必须参照原施工图和该专业的统一图示,并在底图的右下角绘制竣工图图签。
2、各种专业工程的总平面位置图,比例尺一般采用1:500—1:10000。
管线平面图,比例尺一般采用1:500—1:2000。
要以地形图为依托,摘要地形地物、标准坐标数据。
3、改、扩建及废弃管线工程在平面图上的表示方法:(1)利用原建管线位置进行改造、扩建管线工程,要表示原建管线的走向、管材和管径,表示方法采用加注符号或文字说明。
(2)随新建管线而废弃的管线,无论是否移出埋设现场,均应在平面图上加以说明,并注明废弃管线的起、止点,坐标。
(3)新、旧管线勾头连接时,应标明连接点的位置(桩号)、高程及坐标。
4、管线竣工测量资料与其在竣工图上的编绘。
竣工测量的测点编号、数据及反映的工程内容(指设备点、折点、变径点、变坡点等)应与竣工图相对应一致。
并绘制检查井、小室、人孔、管件、进出口、预留管(口)位置、与沿线其它管线、设施相交叉点等。
5、重新绘制竣工图可以整套图纸重绘,可以部分图纸重绘,也可是某几张或一张图纸重新绘制。
B1.3 在二底图(底图)上修改的竣工图在用施工蓝图或设计底图复制的二底图或原底图上,将工程洽商和设计变更的修改内容进行修改,修改后的二底(硫酸纸)图晒制的蓝图作为竣工图是一种常用的竣工图绘制方法。
竣工图纸的叠法 一般要求一、图纸折叠前应按裁图线裁剪整齐,其图纸幅面应符合下表规定:基本幅面代号0号图纸 1号图纸 2号图纸 3号图纸 4号图纸 b ×1 841×1189594×841420×594297×420297×210c 105a25图 1注:①尺寸代号见图1;②尺寸单位为毫米。
二、 图面应折向内,成手风琴风箱式。
三、 折叠后幅面尺寸应以4#图纸基本尺寸(297×210mm )为标准。
四、 图纸及竣工图章应露在外面。
五、 3#~0#图纸应在装订边297mm 处折一三角或剪一缺口,折进装订边。
D.0.2 折叠方法 1 4#图纸不折叠。
2 3#图纸折叠如图2(图中序号表示折叠次序,虚线表示折起的部分,以下同)。
3 2#图纸折叠如图3。
4 1#图纸折叠如图4。
5 0#图纸折叠如图5。
D.0.3 工具使用图纸折叠前,准备好一块略小于4#图纸尺寸(一般为292×205mm )的模板。
折叠时,应先把图纸放在规定位置,然后按照折叠方法的编号顺序依次折叠。
bcac图框线 竣工图章 图 标3#图纸折叠示意(图 2)2#图纸折叠示意 (图 3)4202102972105()105112210420()12972105105211005945941002104201232974231512102974201231423151207292(b )23451202349272(a )5图纸正面(下同) 图纸正面(下同)图纸正面(下同)1#图纸折叠示意 (图 4)5945941858411481131322104(b )130297149185561858412971311321024130(a )148149185652134432156650#图纸折叠示意 (图 5)11891189185(b )185(a )29784121046125312011912342722724627851318551856871851858412972102722728120119123471855185678A0、A1、A2、A3图纸折叠方法-中国国家标准2009年6月16日发表评论阅读评论一、图纸要求装订的折叠方法折叠成A4:1、A0折叠成A4,需装订,留边:按下图中的顺序和尺寸,慢慢体会。
一、要求装订归档的:
1、A0折叠成A4,需装订,留边:按下图中的顺序和尺寸,慢慢体会。
折完后图号在上,有装订边。
pic1 A0折成A4
2、A1折叠成A4的方法见下图。
注意折叠顺序和尺寸。
pic2 A1折成A4 3、A2图纸折叠成A4尺寸的标准方法见下图:
pic3 A2折成A4 4、A3图纸折叠成A4大小的标准成方法:
pic4 A3折成A4
5、各种尺寸的图折成A3的方法与A4类似,但A3一般横向装订,尺寸有所不同:
pic5 A0折成A3
pic6 A1折成A3
pic7 A2折成A3
二、不需要装订的图纸折叠方法:不需要装订的图纸折起来要简单一些,各种尺寸图纸折叠方法如下图:
pic8 A0折成A4(不装订)
pic9 A1折成A4(不装订)
pic10 A2折成A4(不装订)
pic11 A3折成A4(不装订)
Welcome To Download !!!
欢迎您的下载,资料仅供参考!。
一、要求装订归档的:
1、A0折叠成A4,需装订,留边:按下图中的顺序和尺寸,慢慢体会。
折完后图号在上,有装订边。
pic1 A0折成A4
2、A1折叠成A4的方法见下图。
注意折叠顺序和尺寸。
3、A2图纸折叠成A4尺寸的标准方法见下图:
pic3 A2折成A4 4、A3图纸折叠成A4大小的标准成方法:
5、各种尺寸的图折成A3的方法与A4类似,但A3一般横向装订,尺寸有所不同:
pic5 A0折成A3
pic6 A1折成A3
pic7 A2折成A3
二、不需要装订的图纸折叠方法:不需要装订的图纸折起来要简单一些,各种尺寸图纸折叠方法如下图:
pic8 A0折成A4(不装订)
pic9 A1折成A4(不装订)
pic10 A2折成A4(不装订)
pic11 A3折成A4(不装订)
(注:文档可能无法思考全面,请浏览后下载,供参考。
可复制、编制,期待你的好评与关注)。
A0、A1、A2、A3G竣工归档图纸折叠方法—GB
一、A4图纸要求装订的折叠方法:
各种尺寸的图纸折叠成A4,需装订,留边:按下图中的顺序和尺寸,慢慢体会。
折完后图号在上,有装订边。
1、A0折叠成A4的方法见下图。
注意折叠顺序和尺寸。
2、A1折叠成A4的方法见下图。
注意折叠顺序和尺寸。
3、A2图纸折叠成A4尺寸的标准方法见下图:
4、A3图纸折叠成A4大小的标准成方法:
二、A3图纸要求装订的折叠方法:
各种尺寸的图折成A3的方法与A4类似,但A3一般横向装订,尺寸有所不同:1、A0图纸折叠成A3大小的标准成方法:
2、A1图纸折叠成A3大小的标准成方法:
3、A2图纸折叠成A3大小的标准成方法:
二、不需要装订的图纸折叠方法:不需要装订的图纸折起来要简单一些,各种尺寸图纸折叠方法如下:
1、A0折叠成A4,需装订,留边:按下图中的顺序和尺寸折完后图号在上,有装订边。
2、A1折叠成A4的方法见下图。
注意折叠顺序和尺寸。
3、A2图纸折叠成A4尺寸的标准方法见下图:
4、A3图纸折叠成A4大小的标准成方法:。