竣工图(图纸)折叠方法
- 格式:doc
- 大小:83.25 KB
- 文档页数:4
基本要求1 折叠后的图纸幅面一般应有A4(210mm×297mm)或A3(297mm×420mm)的规格。
对于需装订成册又无装订边的复制图,折叠后的尺寸可以是190mm×297mm或297mm×400mm。
当粘贴上装订胶带(见附录A)后,仍应具有A4或A3的规格。
2 无论采用何种折叠方法,折叠后复制图上的标题栏均应露在外面。
3 根据需要,可从本标准中任选取一种规定的折叠方法。
4 折叠方法4.1 需装订成册的复制图4.1.1 有装订边的复制图首先沿标题栏的短边方向折叠,然后再沿标题栏的长边方向折叠,并在复制图的左上角折出三角形的藏边,最后折叠成A4或A3的规格,使标题栏露在外面,如表1和表2。
4.1.2 无装订边的复制图首先沿标题栏的短边方向折叠,然后再沿标题栏的长边方向折叠成190mm×297mm或297m m×400mm的规格,使标题栏露在外面,并粘贴上装订胶带,如表3和表4。
4.12 不装订成册的复制图不装订成册的复制图的折叠方法有以下两种。
4.2.1 第一种折叠方法首先沿标题栏的长边方向折叠,然后再沿标题栏的短边方向折叠成A4或A3的规格,使标题栏露在外面,如表5和表6。
4.2.2 第二种折叠方法首先沿标题栏的短边方向折叠,然后再沿标题栏的长边方向折叠成A4或A3的规格,使标题栏露在外面,如表7和表8。
4.3 加长幅面复制图的折叠方法根据标题栏在图纸幅面上的方位,可参照前述方法折叠。
4.3.1 需装订成册的加长幅面复制图4.3.1.1 有装订边的加长幅面复制图当标题栏位于复制图的长边时(见表1和表2)。
可将加长复制图的长边部分先折出210mm (对A4)或420mm(对A3),再将其余部分折成等于或小于185mm(对A4)或395mm(对A3)的尺寸,使标题栏露在外面。
当标题栏位于复制图的短边上时(见表1和表2),可将加长复制图的长边部分折叠成等于或小于297mm的尺寸,使标题栏露在外面。
一、要求装订归档的:
1、A0折叠成A4,需装订,留边:按以以下图中的顺序和尺寸,慢慢体会。
折完后图号在上,有装订边。
pic1 A0折成A4
2、A1折叠成A4的方法见以以下图。
注意折叠顺序和尺寸。
3、A2图纸折叠成A4尺寸的标准方法见以以下图:
pic3 A2折成A4 4、A3图纸折叠成A4大小的标准成方法:
5、各种尺寸的图折成A3的方法与A4类似,但A3一般横向装订,尺寸有所不同:
pic5 A0折成A3
pic6 A1折成A3
pic7 A2折成A3
二、不需要装订的图纸折叠方法:不需要装订的图纸折起来要简单一些,各种尺寸图纸折叠方法如以以下图:
pic8 A0折成A4(不装订)
pic9 A1折成A4(不装订)
pic10 A2折成A4(不装订)pic11 A3折成A4(不装订)。
竣工图折叠示意图
4.5.2 折叠方法
1 A3图纸折叠见下图1(图中序号表示折叠次序,虚线表示折起的部分,以下同)。
2 A2图纸折叠见下图2(图中字母代表实际折叠时的相应尺寸,A为折叠后的剩余部分,1/A是将剩余部分对折,B为折叠的幅面宽度减去装订线宽度,C为装订线的宽度,D为折叠后剩余部分,不同图幅的图纸中字母所代表的尺寸不一定相同,以下同)。
3 A1图纸折叠见下图3。
4 A0图纸折叠见下图4。
图1 A3图纸折叠示意图
(a)图标在长边上
(b)图标在短边上
图2 A2图纸折叠示意图
(a)图标在长边上折叠方法示意一
(b)图标在长边上折叠方法示意二(c)图标在短边上折叠方法示意一
(d)图标在短边上折叠方法示意二
(e)图标在短边上折叠方法示意三
(f)图标在短边上折叠方法示意四图3 A1图纸折叠示意图
(a)图标在长边上折叠方法示意一
(b)图标在长边上折叠方法示意二(c)图标在短边上折叠方法示意一
(d)图标在短边上折叠方法示意二图4 A0图纸折叠示意图
(a)图标在长边上折叠方法示意一
如有侵权请联系网站删除,仅供学习交流
(b)图标在长边上折叠方法示意二
(c)图标在短边上折叠方法示意一
(d)图标在短边上折叠方法示意二
仅供学习交流。
A0、A1、A2、A3图纸折叠方法-中国国家标准
一、图纸要求装订的折叠方法
(一)折叠成A4:
1、A0折叠成A4,需装订,留边:按下图中的顺序和尺寸,慢慢体会。
折完后图号在上,有装订边。
2、A1折叠成A4的方法见下图。
注意折叠顺序和尺寸。
3、A2图纸折叠成A4尺寸的标准方法见下图:
4、A3图纸折叠成A4大小的标准成方法:
(二)折叠成A3
5、各种尺寸的图折成A3的方法与A4类似,但A3一般横向装订,尺寸有所不同:
二、不需要装订的图纸折叠方法:不需要装订的图纸折起来要简单一些,各种尺寸图纸折叠方法如下:
1、A0折叠成A4,需装订,留边:按下图中的顺序和尺寸折完后图号在上,有装订边。
2、A1折叠成A4的方法见下图。
注意折叠顺序和尺寸。
3、A2图纸折叠成A4尺寸的标准方法见下图:
4、A3图纸折叠成A4大小的标准成方法:。
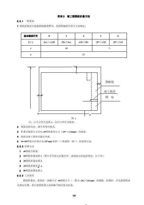
附录D 竣工图图纸折叠方法
D.0.1一般要求
1图纸折叠前应按裁图线裁剪整齐,其图纸幅面应符合下表规定:
图 1
注:①尺寸代号见图1;②尺寸单位为毫米。
2图面应折向内,成手风琴风箱式。
3折叠后幅面尺寸应以4#图纸基本尺寸(297×210mm)为标准。
4图纸及竣工图章应露在外面。
53#~0#图纸应在装订边297mm处折一三角或剪一缺口,折进装订边。
D.0.2折叠方法
1 4#图纸不折叠。
2 3#图纸折叠如图2(图中序号表示折叠次序,虚线表示折起的部分,以下同)。
3 2#图纸折叠如图3。
4 1#图纸折叠如图4。
b
5 0#图纸折叠如图5。
D.0.3工具使用
图纸折叠前,准备好一块略小于4#图纸尺寸(一般为292×205mm)的模板。
折叠时,应先把图纸放
在规定位置,然后按照折叠方法的编号顺序依次折叠。
121
1#图纸折叠示意(图4)
0#图纸折叠示意(图5)
123。
一、要求装订归档的:
1、A0折叠成A4,需装订,留边:按下图中的顺序和尺寸,慢慢体会。
折完后图号在上,有装订边。
pic1 A0折成A4
2、A1折叠成A4的方法见下图。
注意折叠顺序和尺寸。
3、A2图纸折叠成A4尺寸的标准方法见下图:
pic3 A2折成A4 4、A3图纸折叠成A4大小的标准成方法:
5、各种尺寸的图折成A3的方法与A4类似,但A3一般横向装订,尺寸有所不同:
pic5 A0折成A3
pic6 A1折成A3
pic7 A2折成A3
二、不需要装订的图纸折叠方法:不需要装订的图纸折起来要简单一些,各种尺寸图纸折叠方法如下图:
pic8 A0折成A4(不装订)
pic9 A1折成A4(不装订)
pic10 A2折成A4(不装订)
pic11 A3折成A4(不装订)-----精心整理,希望对您有所帮助!。
如何折叠竣工图纸的方法竣工图纸的制作过程需要经过多个环节,最终得到的图纸需要进行折叠以便于携带和保存。
对于初学者来说,正确的折叠方法可以保证图纸的整齐有序,避免出现折痕、卷曲等问题。
本文将介绍几种常用的竣工图纸折叠方法。
1. 横向折叠法横向折叠法是最常见的折叠方法之一。
具体步骤如下:1.将竣工图纸平铺在桌面上,确认图面朝上。
2.将左右两侧边缘向中心对折,使得上下两端对齐。
3.将对齐后的图纸再次从中心线处对折,使得左右两侧对齐。
4.最后将折叠好的图纸沿中心线对折,整齐叠放。
横向折叠法可以让竣工图纸变得更加紧凑,方便携带和储存,同时也不容易留下明显的折痕。
2. 竖向折叠法竖向折叠法同样常用于竣工图纸的折叠。
步骤如下:1.将竣工图纸平铺在桌面上,确认图面朝上。
2.将上下两端边缘向中心对折,使得左右两侧对齐。
3.将对齐后的图纸再次从中心线处对折,使得上下两侧对齐。
4.最后将折叠好的图纸沿中心线对折,整齐叠放。
竖向折叠法比横向折叠法更容易保持竣工图纸的平整,同时也不容易对图纸表面造成太大影响。
3. 蜂巢折叠法蜂巢折叠法是一种比较特殊的折叠方法,适用于图纸面积较大的情况。
具体步骤如下:1.将竣工图纸平铺在桌面上,确认图面朝上。
2.将图纸从中心线处对折,使得左右两侧对齐。
3.将图纸再次沿着中心线对折,使得上下两侧对齐。
4.将左侧图纸从中心线处向外对折,使得一定宽度的图纸呈横向折叠状态,右侧同理。
5.将横向折叠好的图纸再次沿中心线对折。
蜂巢折叠法将竣工图纸按照蜂巢状折叠,便于携带和储存。
不过由于折叠次数较多,容易在较薄的地方出现破损现象。
4. 多层交替折叠法多层交替折叠法比较适用于竣工图纸比较大的情况。
步骤如下:1.将竣工图纸平铺在桌面上,确认图面朝上。
2.将左侧图纸向中心对折,形成左侧折叠层。
3.将右侧图纸向中心对折,形成右侧折叠层。
4.将左侧折叠层向左侧翻转,与原图纸平面呈 90 度角。
5.将右侧折叠层向右侧翻转,与原图纸平面呈 90 度角。
一、要求装订归档的:
1、A0折叠成A4,需装订,留边:按下图中的顺序和尺寸,慢慢体会。
折完后图号在上,有装订边。
pic1 A0折成A4
2、A1折叠成A4的方法见下图。
注意折叠顺序和尺寸。
pic2 A1折成A4 3、A2图纸折叠成A4尺寸的标准方法见下图:
pic3 A2折成A4 4、A3图纸折叠成A4大小的标准成方法:
pic4 A3折成A4
5、各种尺寸的图折成A3的方法与A4类似,但A3一般横向装订,尺寸有所不同:
pic5 A0折成A3
pic6 A1折成A3
pic7 A2折成A3
二、不需要装订的图纸折叠方法:不需要装订的图纸折起来要简单一些,各种尺寸图纸折叠方法如下图:
pic8 A0折成A4(不装订)
pic9 A1折成A4(不装订)
pic10 A2折成A4(不装订)
pic11 A3折成A4(不装订)
Welcome To Download !!!
欢迎您的下载,资料仅供参考!。
一、要求装订归档的:
1、A0折叠成A4,需装订,留边:按下图中的顺序和尺寸,慢慢体会。
折完后图号在上,有装订边。
pic1 A0折成A4
2、A1折叠成A4的方法见下图。
注意折叠顺序和尺寸。
3、A2图纸折叠成A4尺寸的标准方法见下图:
pic3 A2折成A4 4、A3图纸折叠成A4大小的标准成方法:
5、各种尺寸的图折成A3的方法与A4类似,但A3一般横向装订,尺寸有所不同:
pic5 A0折成A3
pic6 A1折成A3
pic7 A2折成A3
二、不需要装订的图纸折叠方法:不需要装订的图纸折起来要简单一些,各种尺寸图纸折叠方法如下图:
pic8 A0折成A4(不装订)
pic9 A1折成A4(不装订)
pic10 A2折成A4(不装订)
pic11 A3折成A4(不装订)。
一、要求装订归档的:
1、A0折叠成A4,需装订,留边:按下图中的顺序和尺寸,慢慢体会。
折完后图号在上,有装订边。
1、A0折成A4
2、A1折叠成A4的方法见下图。
注意折叠顺序和尺寸。
3、A2图纸折叠成A4尺寸的标准方法见下图:
3、A2折成A4
4、A3图纸折叠成A4大小的标准成方法:
5、各种尺寸的图折成A3的方法与A4类似,但A3一般横向装订,尺寸有所不同:
5、A0折成A3
6、A1折成A3
7、A2折成A3
二、不需要装订的图纸折叠方法:不需要装订的图纸折起来要简单一些,各种尺寸图纸折叠方法如下图:
8、A0折成A4(不装订)
9、A1折成A4(不装订)
10、A2折成A4(不装订)
11、A3折成A4(不装订)。
竣工图—图纸折叠方法
1、图纸折叠前应按裁图线裁剪整齐,其图纸幅面应符合下表规定:
2、图面应折向内,成手风琴箱式
3、折叠后幅面尺寸就以4#图纸基本尺寸为标准
4、图纸及竣工图章应露在外面
5、3—0号图纸应在装订边297处折一三角或剪一缺口,拆进装订边
折叠方法
1、4号图纸不折叠
2、3号图纸折叠如图2(序号为折叠次序,虚线表示折起部分)
3、2号图纸折叠如图3
4、1号图纸折叠如图4
5、0号图纸折叠如图5
工具使用
图纸折叠前,准备好一块略小于4号图纸尺寸(292*205)的模板。
折叠时,应先把图纸放在规定位置,然后按照折叠方法的编号顺序依次折叠.。
竣工图纸的叠法 一般要求一、图纸折叠前应按裁图线裁剪整齐,其图纸幅面应符合下表规定:基本幅面代号0号图纸 1号图纸 2号图纸 3号图纸 4号图纸 b ×1 841×1189594×841420×594297×420297×210c 105a25图 1注:①尺寸代号见图1;②尺寸单位为毫米。
二、 图面应折向内,成手风琴风箱式。
三、 折叠后幅面尺寸应以4#图纸基本尺寸(297×210mm )为标准。
四、 图纸及竣工图章应露在外面。
五、 3#~0#图纸应在装订边297mm 处折一三角或剪一缺口,折进装订边。
D.0.2 折叠方法 1 4#图纸不折叠。
2 3#图纸折叠如图2(图中序号表示折叠次序,虚线表示折起的部分,以下同)。
3 2#图纸折叠如图3。
4 1#图纸折叠如图4。
5 0#图纸折叠如图5。
D.0.3 工具使用图纸折叠前,准备好一块略小于4#图纸尺寸(一般为292×205mm )的模板。
折叠时,应先把图纸放在规定位置,然后按照折叠方法的编号顺序依次折叠。
bcac图框线 竣工图章 图 标3#图纸折叠示意(图 2)2#图纸折叠示意 (图 3)4202102972105()105112210420()12972105105211005945941002104201232974231512102974201231423151207292(b )23451202349272(a )5图纸正面(下同) 图纸正面(下同)图纸正面(下同)1#图纸折叠示意 (图 4)5945941858411481131322104(b )130297149185561858412971311321024130(a )148149185652134432156650#图纸折叠示意 (图 5)11891189185(b )185(a )29784121046125312011912342722724627851318551856871851858412972102722728120119123471855185678A0、A1、A2、A3图纸折叠方法-中国国家标准2009年6月16日发表评论阅读评论一、图纸要求装订的折叠方法折叠成A4:1、A0折叠成A4,需装订,留边:按下图中的顺序和尺寸,慢慢体会。
A0、A1、A2、A3G竣工归档图纸折叠方法—GB
一、A4图纸要求装订的折叠方法:
各种尺寸的图纸折叠成A4,需装订,留边:按下图中的顺序和尺寸,慢慢体会。
折完后图号在上,有装订边。
1、A0折叠成A4的方法见下图。
注意折叠顺序和尺寸。
2、A1折叠成A4的方法见下图。
注意折叠顺序和尺寸。
3、A2图纸折叠成A4尺寸的标准方法见下图:
4、A3图纸折叠成A4大小的标准成方法:
二、A3图纸要求装订的折叠方法:
各种尺寸的图折成A3的方法与A4类似,但A3一般横向装订,尺寸有所不同:1、A0图纸折叠成A3大小的标准成方法:
2、A1图纸折叠成A3大小的标准成方法:
3、A2图纸折叠成A3大小的标准成方法:
二、不需要装订的图纸折叠方法:不需要装订的图纸折起来要简单一些,各种尺寸图纸折叠方法如下:
1、A0折叠成A4,需装订,留边:按下图中的顺序和尺寸折完后图号在上,有装订边。
2、A1折叠成A4的方法见下图。
注意折叠顺序和尺寸。
3、A2图纸折叠成A4尺寸的标准方法见下图:
4、A3图纸折叠成A4大小的标准成方法:。