立林楼宇对讲门铃JB-2200原理图
- 格式:pdf
- 大小:322.43 KB
- 文档页数:1
可视对讲门禁系统接线图及原理详解楼宇对讲又称可视对讲,可视楼宇对讲系统是指安装在住宅小区、单元楼、写字楼等建筑或建筑群,用图像和声音来识别来访客人,控制门锁及遇到紧急情况向管理中心发送求助、求援信号,管理中心亦可向住户发布信息的设备集成。
可视对讲门禁系统功能特点1. 基于局域网,以TCP/IP协议传输视频、音频和多种控制信号,易于Internet连接和访问。
2. 采用嵌入式硬件平台和linux操作系统,图像编码采用H.263、H.264压缩标准,音频采用G.711、G.726 压缩标准,有别于传统模拟楼宇可视对讲系统。
3. 以行业最先进的科技打造数字化社区,实现小区可视对讲。
4. 纯屏高清晰画面显示、色彩逼真、高性能、兼容性强;智能全触摸式操作。
5. 集数字可视对讲、IC卡门禁管理、信息发布、便民信息、广告信息、紧急广播、居家安防、留影留言、电子相册、密码开锁、指纹识别、防拆、移动探测、呼叫转移、劫持码、音乐门铃和紧急报警等功能于一体的智能系统;同时能灵活地将家电控制、三表远抄等功能纳入该系统。
6. 故障自检,方便安装调试、检修和维护。
可视对讲门禁系统构成主要有门口机(住户门口机)、室内机、管理员机等组成。
a.室内分机室内分机主要有对讲及可视对讲两大类产品,基本功能为对讲(可视对讲)、开锁。
随着产品的不断丰富,许多产品还具备了监控、安防报警及设撤防、户户通、信息接收、远程电话报警、留影留言提取、家电控制等功能。
可视对讲分机有彩色液晶及黑白CRT显示器两大类。
截止2014年许多技术应用到室内分机上,如无线接收技术、视频字符叠加技术等。
无线接技术用于室内机接收报警探头的信号,适用于难以布线的场合。
但是,无线报警方式存在重大漏洞,如同频率的发射源连续发射会造成主机无法接收控头发送的报警信号。
视频字符叠加技术用于接收管理中心发布的短消息。
室内机在原理设计上有两大类型,一类是带编码的室内分机,其分支器可以做的简单一些,但室内分机成本要高一些;另一类编码由门口主机或分支器完成,室内分机做得很简单。
楼宇对讲智能门铃电路图大全————————————————————————————————作者:————————————————————————————————日期:楼宇对讲的维修1、楼宇对讲系统维修准备工作:修楼宇对讲跟修其它电器可不一样,必须要了解一些必要的知识。
我认为必须要了解的有以下几个方面:A、楼宇对讲的生产企业名称、电话及安装时间、安装公司;B、该楼宇对讲系统的接线图、说明书,如有维修档案,也最好一并找到;这两个前题条件的作用:了解楼宇对讲的生产企业,是在万不得己的情况下,请教于生产企业的技术员;了解安装公司是为了避免同行之间不必要的误会,不形成恶性竞争或出现人为破坏,了解安装时间是以常规损坏去评估出现的问题;了解接线图、说明书及维修档案,自然就是为了更快,更好的完成维修工作了。
2、维护检修工具:螺丝刀、万能表、胶布或热缩管、2米长的10芯护套线一条、可调电源一台;3、楼宇对讲的常规问题表现:不开锁、听不见、无图像、不能通话、不能密码开锁、不能刷卡开锁4、检修故障的顺序:先看电,再看线,最后测试其它功能!5、检修注意事项:所有接拆线操作,必须断电!6、楼宇对讲主机的维修(主机即是门口机,此处简称):一、不开锁:1、除钥匙外的任何开锁方法都不能开锁:先请检测开锁线两端是否接好,再用万能表在电锁端测试,在开锁时,是否有超过300毫安的瞬间电流经过开锁线(有,说明主机及开锁线正常,估计为电锁损坏,请更换电锁测试;如没有,再将万能表在主机开锁端测试,如此时有,则开锁线故障,没有说明主机故障);1.1、整个单元住户不能开锁,但可以密码或刷卡开锁:估计是主干线短路或某一楼层平台损坏造成,先检查各主线的接线端口,如接线正常,则从第一层的楼层平台开始依次向上检测楼层平台(检测楼层平台:先断开上层的主干线,测试当层,如正常则不管,如不正常,请更换楼层平台再试,直到测试正常为止(如新装一样调试),依理类推);二、听不见:任意终端与主机处于工作状态时,主机皆听见:先看主机喇叭线是否接好,喇叭是否长锈损坏,可找一差不多大小的任意喇叭更换测试;三、不能说:任意终端与主机处于工作状态时,主机说话终端都听不见:先看主机咪头线是否接好,咪头是否因其它原因损坏,如有机会,找一52DB的咪头更换测试(一般的分机咪头可与主机通用);四、无视频:任意可视终端与主机处于工作状态时,可视终端皆不能显示主机前图像:先检查主机摄像头至主机控制板的接线是否完好,再详看摄像头控制板是否有浸水的现像(有浸水现像,摄像头很可能已损坏),此时,有条件的,拿监视器来测试,将监视器接到主机的视频线端,正常说明主干视频线故障,不正常说明主机故障,最后将摄像头的视频信号直接接入监视器,正常说明主机控制板故障,不正常说明摄像头故障;7、楼宇对讲室内分机的维修(任何分机问题,先看分机的线是否接好,电源指示灯是否亮,再断开一次分机的线,通电再试):一、不能开锁:(其它功能正常)间隔性不能开锁:首先考虑按键故障(安装三年以上多数为按键故障),分机与主机处于工作状态时,可将开锁按键触碰短路试试开锁,正常说明开锁按键正常;不正常估计为分机控制板或入户线故障,再用检修用的10芯护套线为测试线,直接将这台分机接入主机线端测试,正常估计是入户线或楼层平台故障,不正常当然就是分机控制板故障了;最后依然用这条10芯测试线接入楼层平台测试,正常说明入户线故障,不正常换个楼层平台端口再试,换后正常说明这个楼层平台的这个端口损坏,依然不正常,原因就难查了;二、没有图像:1、不亮屏而无图像:请检查分机电源,看供电是否有黑白18V,彩色12-18V;1.1、亮屏,但图像扭曲严重,抖动、不清楚、偏黑、偏模糊:请检查分机电源,看电压与电流是否符合说明书要求;1.2、亮屏无图像:先检查分机的视频线,看是否接好线,是否有视频信号;再更换一台相同型号的分机测试;1.3、被呼叫有图像,按监视时无图像:多数为监视键故障,更换一般即可解决;三、听不见:听不见,其它功能正常:估计为手柄线没有插好或听筒喇叭损坏,先重新插一次手柄线,不行再更换手柄试试,再不行就是分机控制板故障了;说不了同此理,检查咪头!四:分机不报警:即有防区联动报警功能的分机有警情时不向管理中心报警!首先检测报警探头供电是否正常,工作是否正常,供电用万能表测试,工作是否正常采用更换相同型号的报警器测试;再检测报警探头至分机的线路是否顺通,是否接触良好(无线报警探测器的此步省),最后更换相同型号的分机测试;备注:一般的分机报警传输的都是数据信号,部份万能表具有测量数据的功能如有此功能的万能表,也清楚系统的数据线是哪条,可先用万能表测试分机的数据线端,看在报警时有无报警数据传出,无时可按上法测试。
楼宇对讲系统电路分析与维修-楼宇对讲系统原理图1.楼宇对讲系统电路分析与维修不少小区的住户,为开启防盗门方便,设有楼宇对讲系统。
由于楼宇对讲系统大多不提供电路图,给楼宇系统的维修造成困难,笔者维修了几套楼宇对讲系统,弄清楚了系统工作原理,对照电路板实物,画出其电路原理图和接线图,并对其工作原理进行简要分析,供维修时参考。
一、楼宇系统的结构常见的楼宇对讲系统有直按式对讲系统、数字式对讲系统、可视式对讲系统三类。
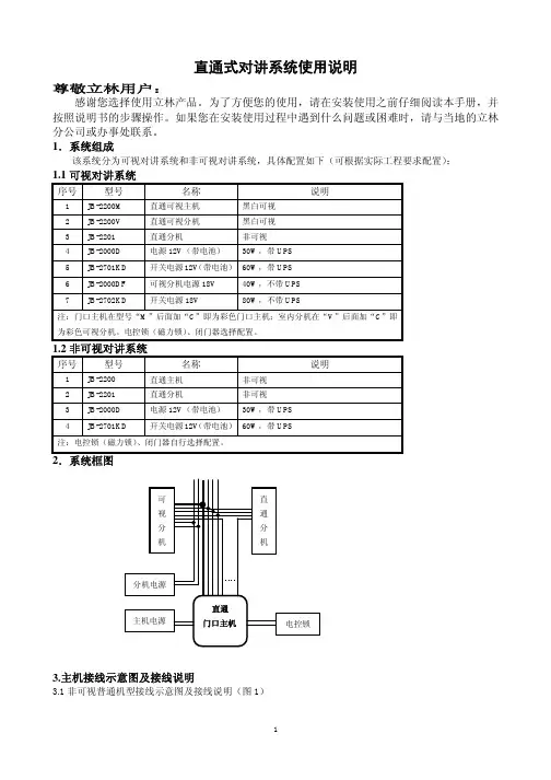
楼宇对讲系统的结构如图1所示,由主机、分机(每户一个分机,图中只象征性画出两个分机)、电控锁、电源盒和连接系统五部分构成。
整个对讲系统的工作过程是:电源盒为主机提供电源,内部设有降压充电电路和电瓶,将市电降压、整流、滤波后,向电瓶充电,市电停电时由电瓶提供电源。
主机是整个系统的核心,内部设有电源控制电路、呼叫电路、对讲电路、视频电路、开锁电路等,通过呼叫线、送话线、受话线、视频线、开锁线、地线等连接线与用户分机连接。
来客要进入楼内,先按防盗门主机上的用户编号按键,该住户分机的振铃响起,住户摘机后通过对讲系统和视频系统对来人进行确认,然后按开锁键,使主机上的开锁电路动作,将防盗门的电控锁打开。
1.直按式对讲系统主机上每个住户设置一个呼叫按键,每个按键通过呼叫线与相对应的住户连接,如图1所示。
直接按该住户呼叫键即可直接呼叫住户,直观好用,但无保密功能。
该类楼宇对讲系统的连接系统,除了送话线、受话线、开锁线、地线四根共用线外,每个住户需要一根呼叫连接线,如该楼有20个住户,则需要20根呼叫线。
该类呼叫系统主机成本较低,但连接系统成本较高,且电路连接线较多,连接复杂。
2.数码式对讲系统主机上设置0~9十个数字按键,内置编码识别系统,每个住户设置一组数字编码,输入该住户的密码,才能呼叫该户,如果不知道该户编码,无法呼叫,具有一定的保密功能,避免用户被无故打扰。
该类对讲系统全部用户通过一根呼叫共用线即可与主机连接,输入数字后,编码系统识别后呼叫相应的用户。
2022-2023学年浙江省宁波市七年级(上)期中数学试卷考试时间:120分钟试卷满分:150分考试范围:第1章-第4章一.选择题(共10小题,满分40分,每小题4分)1.(4分)(2021•荆州模拟)下列哪一个数是﹣3的相反数()A.3B.﹣3C.D.﹣解:根据相反数和倒数的定义得:﹣3的相反数为3;故选:A.2.(4分)(2006•娄底)如果a,b是任意的两个实数,下列式中的值一定是负数的是()A.﹣|b+1|B.﹣(a﹣b)2C.﹣D.﹣(a2+1)解:A、当b=﹣1时,﹣|b+1|=0,故选项错误;B、当a=b时,﹣(a﹣b)2=0,故选项错误;C、当a=b=0时,﹣=0,故选项错误;D、无论a为何值,因为a2≥0,所以a2+1>0,所以﹣(a2+1)总是负数,故选项正确.故选:D.3.(4分)(2019•柳江区模拟)下列计算的结果中正确的是()A.3x+y=3xy B.5x2﹣2x2=3C.2y2+3y2=5y4D.2xy3﹣2y3x=0解:A、3x+y,无法计算,故此选项错误;B、5x2﹣2x2=3x2,故此选项错误;C、2y2+3y2=5y2,故此选项错误;D、2xy3﹣2y3x=0,正确.故选:D.4.(4分)(2018•郯城县三模)据调查测算,在2016年清明节“小长假”期间,山东全省共接待游客2721.6万人次,同比增长13.5%;实现旅游消费199.7亿元,同比增长15.1%,将199.7亿元用科学记数法表示为()A.199.7×108B.1.997×1010C.1.997×108D.199.7×1011解:199.7亿=1.997×1010,故选:B.5.(4分)(2018秋•海淀区校级期中)若a2=25,|b|=2,且ab<0,则a+b=()A.﹣7B.±7C.±3D.3解:∵a2=25,|b|=2,∴a=±5,b=±2,∵ab<0,∴a=5,b=﹣2或a=﹣5,b=2,当a=5,b=﹣2时,a+b=5﹣2=3;当a=﹣5,b=2时,a+b=﹣5+2=﹣3;综上,a+b的值为±3,故选:C.6.(4分)(2012秋•晋江市期末)对于代数式,下列说法不正确的是()A.它按x降幂排列B.它是单项式C.它的常数项是D.它是二次三项式解:∵代数式由三项构成3x2、﹣x、;最高次项为3x2,它的常数项是,排列按x降幂排列,所以B正确,ACD错误.故选:B.7.(4分)(2009秋•顺德区校级期中)若2x﹣y=﹣,则1﹣4x+2y的值为()A.2B.0C.﹣2D.1解:∵2x﹣y=﹣,∴1﹣4x+2y=1﹣2(2x﹣y)=1+1=2.故选:A.8.(4分)(2008秋•福清市期末)如果由四舍五入得到的近似数78,那原数不可能是()A.78.01B.77.99C.77.5D.77.49解:根据四舍五入的法则,78.01的近似数为78,77.99的近似数为78,77.5的近似数为78,77.49的近似数为77.故选D.9.(4分)(2009•南昌)在0,﹣2,1,3这四数中,最小的数是()A.﹣2B.0C.1D.3解:因为在0,﹣2,1,3这四个选项中,只有﹣2小于0,故最小的数是﹣2.故选:A.10.(4分)(2015秋•和平区期末)如果多项式A加上﹣2x2﹣1得4x2+1,那么多项式A是()A.6x2+2B.2x2C.6x4+2D.﹣2x2+2解:根据题意得:A=4x2+1+2x2+1=6x2+2,故选:A.二.填空题(共6小题,满分30分,每小题5分)11.(5分)(2019秋•沙坪坝区校级期中)已知a、b、c分别是一个三位数的百位、十位、个位上的数字,且a、b、c满足(|a﹣2|+|a﹣4|)(|b|+|b﹣3|)(|c﹣1|+|c﹣6|)=60,则这个三位数的最大值为536.解:∵a、b、c是整数,(|a﹣2|+|a﹣4|)(|b|+|b﹣3|)(|c﹣1|+|c﹣6|)=60,∴有三种情况:①|a﹣2|+|a﹣4|=4,|b|+|b﹣3|=3,|c﹣1|+|c﹣6|=5;②|a﹣2|+|a﹣4|=2,|b|+|b﹣3|=6,|c﹣1|+|c﹣6|=5;③|a﹣2|+|a﹣4|=2,|b|+|b﹣3|=3,|c﹣1|+|c﹣6|=10;∴要使三位数最大,首先要保证a尽可能大,当|a﹣2|+|a﹣4|=4时,解得:a=1或a=5;当|a﹣2|+|a﹣4|=2时,解得:2≤a≤4;∴a=5.当a=5时,|b|+|b﹣3|=3,|c﹣1|+|c﹣6|=5,解得:0≤b≤3,1≤c≤6,∴由a、b、c组成的最大三位数为536.补充方法:把括号按照顺序记为x、y、z则有:x的最小值为2、y的最小值是3、z的最小值是5 2、再将60因数分解,结合60的分解可以得出x、y、z的值应该有五种情况:2、3、10;2、5、6;2、6、5;3、4、5;4、3、5 3、再逐一排除,得出答案536.故答案为536.12.(5分)(2021秋•介休市期中)单项式的系数是﹣.解:单项式的系数是:﹣.故答案为:﹣.13.(5分)(2019秋•天河区校级期中)用四舍五入法把﹣1.8049精确到0.01为﹣1.80.解:﹣1.8049精确到0.01为﹣1.80.故答案为﹣1.80.14.(5分)(2019秋•江都区月考)按图中的程序运算:当输入的数据为﹣1时,则输出的数据是77.解:把x=﹣1代入得:(﹣1)×(﹣4)﹣(﹣1)=4+1=5<10,把x=5代入得:5×(﹣4)﹣(﹣1)=﹣20+1=﹣19<10,把x=﹣19代入得:﹣19×(﹣4)﹣(﹣1)=76+1=77>10,则输出的数据为77.故答案为:7715.(5分)(2015•桂林模拟)有理数m,n在数轴上的位置如图所示,那么化简|2m﹣2n|﹣的结果是m﹣n.解:由数轴可得,n<0<m,∴m﹣n>0,n﹣m<0,∴|2m﹣2n|﹣=2m﹣2n﹣(m﹣n)=2m﹣2n﹣m+n=m﹣n,故答案为:m﹣n.16.(5分)(2014春•沙河市期末)如图,△ABC的周长是3,以它的三边中点为顶点组成第2个三角形,再以第二个三角形的三边中点为顶点组成的第3个三角形,…,则第n个三角形的周长为.解:由三角形的中位线定理可知后一个三角形的周长等于上一个三角形的周长的一半,∵△ABC的周长是3,∴第2个三角形的周长=,第3个三角形的周长=,…,第n个三角形的周长=.故答案为:.三.解答题(共8小题,满分80分)17.(8分)(2021秋•沈北新区校级期中)把下列各数分类,并填在表示相应集合的大括号里.﹣3,+,0.1,9,0,1.23,﹣4,10%,π.(1)正数集合:{+,0.1,9,1.23,10%,π…};(2)正整数集合:{9…};(3)负分数集合:{﹣4…}.解:(1)正数集合:{+,0.1,9,1.23,10%,π…};(2)正整数集合:{9…};(3)负分数集合:{﹣4…}.故答案为:+,0.1,9,1.23,10%,π;9;﹣4.18.(8分)(2019春•江州区期中)计算:(1);(2).解:(1)原式=×2﹣5=3﹣5=﹣2;(2)原式=﹣1+﹣=﹣1.19.(10分)(2021秋•镇海区校级期中)化简求值:(1)x+6y2﹣4(2x﹣y2),其中x=2,y=﹣1;(2)3(x+y)﹣(x﹣y)﹣4(x+y)+(x﹣y),其中x=﹣1,y=1.解:(1)x+6y2﹣4(2x﹣y2)=x+6y2﹣8x+4y2=10y2﹣7x,当x=2,y=﹣1时,原式=10×(﹣1)2﹣7×2=10﹣14=﹣4;(2)3(x+y)﹣(x﹣y)﹣4(x+y)+(x﹣y)=﹣(x+y)=﹣x﹣y,当x=﹣1,y=1时,原式=﹣(﹣1)﹣1=﹣+1﹣1=﹣.20.(10分)(2018秋•确山县期中)观察等式2﹣=2×+1,5﹣=5×+1,给出如下定义:我们称使等式a﹣b=a•b+1成立的一对有理数a,b为“共生有理数对”,记为(a,b),如:数对(2,),(5,)都是“共生有理数对”.(1)数对(﹣2,1),(3,﹣)中是“共生有理数对”的是无.(2)若(a,3)是“共生有理数对”,求a的值;(3)若(m,n)是“共生有理数对”,m≠1,则(m,﹣n)不是“共生有理数对”(填“是”或“不是”)(4)请再写出一对符合条件的“共生有理数对”:(4,)(答案不唯一).(注意:不能与题目中已有的“共生有理数对”重复)解:(1)﹣2﹣1=﹣3,﹣2×1+1=﹣1,∴﹣2﹣1≠﹣2×1+1,∴(﹣2,1)不是“共生有理数对”,∵3﹣(﹣)=,3×(﹣)+1=﹣,∴3﹣(﹣)≠3×(﹣)+1,∴(3,﹣)不是“共生有理数对”.故答案为:无;(2)由题意得:a﹣3=3a+1,解得a=﹣2.(3)不是.理由:m﹣(﹣n)=m+n,m•(﹣n)+1=﹣mn+1∵(m,n)是“共生有理数对”∴m﹣n=mn+1∴﹣mn+1=﹣m+n+2∴(m,﹣n)不是“共生有理数对”.故答案为:不是;(4)(4,)等.故答案为:(4,)(答案不唯一).21.(10分)(2021秋•简阳市期中)某自行车厂一周计划生产1400辆自行车,平均每天生产200辆,由于各种原因实际每天生产量与计划量相比有出入.下表是某周的生产情况(超产为正、减产为负):星期一二三四五六日增减+5﹣2﹣4+13﹣10+16﹣9(1)根据记录可知前三天共生产599辆;(2)产量最多的一天比产量最少的一天多生产26辆;(3)该厂实行每周计件工资制,每生产一辆车可得60元,若超额完成任务,则超过部分每辆另奖15元;少生产一辆扣15元,那么该厂工人这一周的工资总额是多少?解:(1)5﹣2﹣4+200×3=599(辆);(2)16﹣(﹣10)=26(辆);(3)5﹣2﹣4+13﹣10+16﹣9=9,(1400+9)×60+9×15=84675(元).故答案为:599,26,84675.22.(10分)(2021秋•金水区校级期中)某检修小组从A地出发,在东西方向的马路上检修线路,如果规定向东行驶为正,向西行驶为负,一天中七次行驶记录如下(单位:千米):第一次第二次第三次第四次第五次第六次第七次﹣3+8﹣9+10+3﹣6﹣1(1)在第五次记录时检修小组距A地最远;(2)求收工时检修小组在A地的什么方向?距A地多远?(3)若每千米耗油0.3升,每升汽油需7.2元,则检修小组工作一天需汽油费多少元?解:(1)第一次后,检修小组距A地3km;第二次后,检修小组距A地﹣3+8=5(km);第三次后,检修小组距A地﹣3+8﹣9=﹣4(km);第四次后,检修小组距A地﹣3+8﹣9+10=6(km);第五次后,检修小组距A地﹣3+8﹣9+10+3=9(km);第六次后,检修小组距A地﹣3+8﹣9+10+3﹣6=3(km);第七次后,检修小组距A地﹣3+8﹣9+10+4﹣6﹣1=2(km);故答案为:五;(2)﹣3+8﹣9+10+4﹣6﹣1=2(km),所以收工时检修小组在A地的东边,距A地2 km;(3)(3+8+9+10+3+6+1)×0.3×7.2=40×0.3×7.2=86.4(元),答:检修小组工作一天需汽油费86.4元.23.(10分)(2017秋•大连期中)某超市在十九大期间对顾客优惠,规定如下:一次性购物优惠方法少于200元不予优惠低于500元但不低于200元九折优惠500元或超过500元其中500元部分给予九折优惠,超过500元部分给予八折优惠(1)刘老师一次性购物800元,他实际付款690元;(2)如果顾客在该超市一次性购物x元,当x小于500元但不小于200元时,他实际付款0.9x元;当x大于或等于500元时,他实际付款(0.8x+50)元(用含x的代数式表示);(3)如果刘老师两次购物合计900元,第一次购物的货款为a元(200<a<300),用含a的代数式表示:两次购物刘老师实际多少元?解:(1)根据题意得:500×0.9+(800﹣500)×0.8=690(元);故答案为:690;(2)果顾客在该超市一次性购物x元,当x小于500元但不小于200元时,他实际付款0.9x元;当x大于或等于500元时,他实际付款500×0.9+(x﹣500)×0.8=0.8x+50(元);故答案为:0.9x;0.8x+50;(3)根据题意得:0.9a+0.8(900﹣a﹣500)+500×0.9=0.1a+770(元).24.(14分)(2021秋•南城县校级月考)【新知理解】如图1,点C在线段AB上,若BC=πAC,则称点C 是线段的圆周率点,线段AC、BC称作互为圆周率伴侣线段.(1)若AC=2,求AB的长;(2)在(1)的条件下,若点D也是图1中线段AB的圆周率点(不同于点C),试求出线段BD的长,并判断AC与BD的数量关系;【解决问题】(3)如图2,现有一个直径为1个单位长度的圆片,将圆片上的某点与数轴上表示1的点重合,并把圆片沿数轴向右无滑动性的滚动1周,该点到达C的位置,求点C所表示的数;若点M、N是线段OC的圆周率点,求MN的长;(4)图2中,若点D在射线OC上,且线段CD与O、C、D中某两个点为端点的线段互为圆周率伴侣线段,请直接写出点D所表示的数(答案保留π).解:(1)∵AC=2,BC=πAC,∴BC=2π,∴AB=AC+BC=2π+2.故答案为:2π+2;(2)∵点D也是线段AB的圆周率点且不重合,∴AD=πBD,∴BD+πBD=AB,即BD+πBD=2π+2,∴BD=2,∴AC=BD;(3)由题意可知,C点表示的数是π+1,M、N均为线段OC的圆周率点,不妨设M点离O点近,且OM=x,x+πx=π+1,解得x=1,∴MN=π+1﹣1﹣1=π﹣1;(4)设点D表示的数为x,如图1,若CD=πOD,则π+1﹣x=πx,解得x=1;如图2,若OD=πCD,则x=π(π+1﹣x),解得x=π;如图3,若OC=πCD,则π+1=π(x﹣π﹣1),解得x=π++2;如图4,若CD=πOC,则x﹣(π+1)=π(π+1),解得x=π2+2π+1;综上,D点所表示的数是1或π或π++2或π2+2π+11112。
楼宇对讲的维修1、楼宇对讲系统维修准备工作:修楼宇对讲跟修其它电器可不一样,必须要了解一些必要的知识。
我认为必须要了解的有以下几个方面:A、楼宇对讲的生产企业名称、电话及安装时间、安装公司;B、该楼宇对讲系统的接线图、说明书,如有维修档案,也最好一并找到;这两个前题条件的作用:了解楼宇对讲的生产企业,是在万不得己的情况下,请教于生产企业的技术员;了解安装公司是为了避免同行之间不必要的误会,不形成恶性竞争或出现人为破坏,了解安装时间是以常规损坏去评估出现的问题;了解接线图、说明书及维修档案,自然就是为了更快,更好的完成维修工作了。
2、维护检修工具:螺丝刀、万能表、胶布或热缩管、2米长的10芯护套线一条、可调电源一台;3、楼宇对讲的常规问题表现:不开锁、听不见、无图像、不能通话、不能密码开锁、不能刷卡开锁4、检修故障的顺序:先看电,再看线,最后测试其它功能!5、检修注意事项:所有接拆线操作,必须断电!6、楼宇对讲主机的维修(主机即是门口机,此处简称):一、不开锁:1、除钥匙外的任何开锁方法都不能开锁:先请检测开锁线两端是否接好,再用万能表在电锁端测试,在开锁时,是否有超过300毫安的瞬间电流经过开锁线(有,说明主机及开锁线正常,估计为电锁损坏,请更换电锁测试;如没有,再将万能表在主机开锁端测试,如此时有,则开锁线故障,没有说明主机故障);1.1、整个单元住户不能开锁,但可以密码或刷卡开锁:估计是主干线短路或某一楼层平台损坏造成,先检查各主线的接线端口,如接线正常,则从第一层的楼层平台开始依次向上检测楼层平台(检测楼层平台:先断开上层的主干线,测试当层,如正常则不管,如不正常,请更换楼层平台再试,直到测试正常为止(如新装一样调试),依理类推);二、听不见:任意终端与主机处于工作状态时,主机皆听见:先看主机喇叭线是否接好,喇叭是否长锈损坏,可找一差不多大小的任意喇叭更换测试;三、不能说:任意终端与主机处于工作状态时,主机说话终端都听不见:先看主机咪头线是否接好,咪头是否因其它原因损坏,如有机会,找一52DB的咪头更换测试(一般的分机咪头可与主机通用);四、无视频:任意可视终端与主机处于工作状态时,可视终端皆不能显示主机前图像:先检查主机摄像头至主机控制板的接线是否完好,再详看摄像头控制板是否有浸水的现像(有浸水现像,摄像头很可能已损坏),此时,有条件的,拿监视器来测试,将监视器接到主机的视频线端,正常说明主干视频线故障,不正常说明主机故障,最后将摄像头的视频信号直接接入监视器,正常说明主机控制板故障,不正常说明摄像头故障;7、楼宇对讲室内分机的维修(任何分机问题,先看分机的线是否接好,电源指示灯是否亮,再断开一次分机的线,通电再试):一、不能开锁:(其它功能正常)间隔性不能开锁:首先考虑按键故障(安装三年以上多数为按键故障),分机与主机处于工作状态时,可将开锁按键触碰短路试试开锁,正常说明开锁按键正常;不正常估计为分机控制板或入户线故障,再用检修用的10芯护套线为测试线,直接将这台分机接入主机线端测试,正常估计是入户线或楼层平台故障,不正常当然就是分机控制板故障了;最后依然用这条10芯测试线接入楼层平台测试,正常说明入户线故障,不正常换个楼层平台端口再试,换后正常说明这个楼层平台的这个端口损坏,依然不正常,原因就难查了;二、没有图像:1、不亮屏而无图像:请检查分机电源,看供电是否有黑白18V,彩色12-18V;1.1、亮屏,但图像扭曲严重,抖动、不清楚、偏黑、偏模糊:请检查分机电源,看电压与电流是否符合说明书要求;1.2、亮屏无图像:先检查分机的视频线,看是否接好线,是否有视频信号;再更换一台相同型号的分机测试;1.3、被呼叫有图像,按监视时无图像:多数为监视键故障,更换一般即可解决;三、听不见:听不见,其它功能正常:估计为手柄线没有插好或听筒喇叭损坏,先重新插一次手柄线,不行再更换手柄试试,再不行就是分机控制板故障了;说不了同此理,检查咪头!四:分机不报警:即有防区联动报警功能的分机有警情时不向管理中心报警!首先检测报警探头供电是否正常,工作是否正常,供电用万能表测试,工作是否正常采用更换相同型号的报警器测试;再检测报警探头至分机的线路是否顺通,是否接触良好(无线报警探测器的此步省),最后更换相同型号的分机测试;备注:一般的分机报警传输的都是数据信号,部份万能表具有测量数据的功能如有此功能的万能表,也清楚系统的数据线是哪条,可先用万能表测试分机的数据线端,看在报警时有无报警数据传出,无时可按上法测试。
立林L8楼宇对讲接线图简介楼宇对讲是现代化住宅楼宇的重要配套设施之一,它可以提供方便快捷的住户间通讯和访客管理功能。
立林L8楼宇对讲系统是一种先进的楼宇通讯设备,本文将通过接线图的形式介绍立林L8楼宇对讲的接线方式。
接线图说明立林L8楼宇对讲的接线图主要包括以下几个部分:1.控制器接线部分2.室内分机接线部分3.室外机接线部分接下来我们将逐个部分进行详细的介绍。
控制器接线部分控制器是立林L8楼宇对讲系统的核心部件,负责处理来自室内分机和室外机的信号并进行转发。
控制器接线图如下:控制器接线-----------------输入端:1. 220V交流电源接口2. 门磁信号接口3. 呼叫按钮信号接口4. 室内分机信号接口5. 室外机信号接口输出端:1. 室内分机音频输出信号接口2. 室内分机视频输出信号接口室内分机接线部分室内分机是立林L8楼宇对讲系统的用户终端,负责接收来自控制器的信号,并向用户提供语音和视频通讯功能。
室内分机接线图如下:室内分机接线-----------------输入端:1. 控制器音频输出信号接口2. 控制器视频输出信号接口3. 开锁信号接口输出端:1. 语音输入信号接口2. 语音输出信号接口3. 视频输入信号接口4. 视频输出信号接口室外机接线部分室外机是立林L8楼宇对讲系统的访客终端,负责与访客进行语音和视频通讯,同时也可以通过开锁信号控制门禁。
室外机接线图如下:室外机接线-----------------输入端:1. 控制器音频输出信号接口2. 控制器视频输出信号接口3. 门铃信号接口输出端:1. 语音输入信号接口2. 语音输出信号接口3. 视频输入信号接口4. 视频输出信号接口5. 开锁信号接口总结立林L8楼宇对讲系统的接线图清晰地展示了控制器、室内分机和室外机之间的信号传输方式。
通过合理的接线及配置,系统能够实现住户间的方便通讯和访客管理功能,提高楼宇安全性和居民居住质量。
门禁系统现场接线图,简单易懂,喜欢学习的不要错过门禁系统有各种各样的品牌,原理都是一样,这是我网上买的一套,准备给小区花园门安装。
下面详细教大家接线。
门禁套装从左到右分别是门禁一体机,门禁电源(门禁控制器),磁力锁,开门按钮,最后长方形白色那个是IC卡,刷卡用。
好下面我们来接线拆开就是这样,先给门禁电源接220V的电,我手里那两条红色的就是接220电压的线,也就是门禁电源电压输入端,接220的电大家都会,这个可以不分火线零线,因为它两根都是红色的,接上去胶布缠好,就可以了,记住不要带电接。
门禁电源接线接好220V电压后我们先来看看门禁电源的接线端口,大家仔细看下图门禁电源接线端子大家会看到有10个接线端子,NO跟COM接电控锁的,NC跟COM接磁力锁,12V跟GND给门禁一体机供电,GND跟PUSH接开门信号,接开门按钮都可以。
后面是接门铃对讲,蓄电池的,我一般都不用,所以不讲了。
下面先接磁力锁,磁力锁就红黑两根线,如下图磁力锁接COM跟NC红色线接NC,黑色线COM,螺丝一拧接上去就可以了。
下一个我们接门禁一体机,把门禁电源跟门禁一体机用四芯线(用3芯就够了)连接,首先把12V电源线接了,红色是12V正极,黑色12V负极,黄色线是继电器常开输出端,这个接门禁电源的PUSH口就可以了。
黄色线是开门信号线,不接,门禁就不能刷卡,也不能密码开门,其它线就是接读头信号,接门铃,接数据拷贝等,这些我一般不用,所以不接不讲了,看下图门禁一体机接线门禁电源这头接线这样接是最简单最容易理解的,接下来我们来接开门按钮,我用网线绿和白绿来当信号线。
开门按钮线不分正负,随便接。
如下两图开门按钮背面开门按钮正面接下来,我们再看门禁电源这里的按钮线,GND跟PUSH,下图开门按钮这头接的是GND跟PUSH这就接好了。
给大家看看我现场门禁安装图整套门禁接线图客户花园门上的门禁与门口机客户花园装的磁力锁客户铁门上的锁片鞋柜下的门禁电源,也叫门禁控制器施工图开门按钮这就接完了,编程这里就不说了,说明书都有,客户回家刷卡或密码开门,或者按门铃家里人也可以从室内门铃上按开门键开门。
楼宇对讲门铃的电路原理与故障维修文件编码(GHTU-UITID-GGBKT-POIU-WUUI-8968)楼宇对讲门铃的电路原理与故障维修目前很多的高层住宅都使用了对讲门铃了,在频繁使用中,门铃会出现一些小毛病,本文从对讲门铃的基本原理入手,介绍其常见故障的检修方法。
工作原理楼宇对讲门铃系统采用较多的分立元件,电路比较复杂,但如果有了原理图,维修操作就容易了。
图1所示的是主电路,图2所示的是户外按键与照明电路,图3所示的是室内话机部分。
由电路图可以看出,变压器产生的低压经桥式整流、电容滤波、三端稳压块7812产生的+12V由插座V1引入,直接供给继电器K,另一路经VD3隔离,产生Vcc供给其他电路。
当户外有人按下S1时(按S1--S10按键都一样,本文以S1为例),插座V6的1脚信号经S1、话机开关SA的2、3脚、扬声器LB到地,形成电流通路,相当于把R17下端接地,故VT5的基极为低电平,VT5饱和,音乐IC的2脚有触发高电平,故3脚有音乐信号输出,经IC1(LM386)放大后,由IC1的5脚输出,经V6的1脚、S1、话机开关SA的2、3脚送到扬声器LB,发出声音。
由于话机开关SA的特殊结构,该音频信号还可耦合至话机开关SA的4脚,再经插座V3的2脚耦合至IC2(TDA2822M)的7脚,放大后由1脚输出,使按门铃者可以听到从LB1发出的声音。
当屋内主人听到LB发出的声音后,摘下话机,屋内与楼外的两人就可以通话。
MIC1拾取的声音信号送入IC2的6脚,放大后由3脚输出,再经插座V3的1脚、话机上的电容C3、话机开关SA的1、3脚,耦合到扬声器LB,主人可听到对方的说话声。
Vcc经主电路的R5降压后,再经插座V3的2脚给室内话机的MIC2和VT1供电。
主人的说话信号经MIC2拾取、VT1放大后,又经话机开关SA的4、6脚、插座V3的2脚送至IC2的7脚,放大后由1脚输出,推动扬声器LB1发声,从而实现两人的通话。