立林L8智能化可视对讲系统简易说明书
- 格式:docx
- 大小:914.75 KB
- 文档页数:8
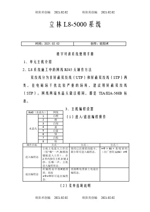
立林L智能化可视对讲系统简易说明书SANY标准化小组 #QS8QHH-HHGX8Q8-GNHHJ8-HHMHGN#立林L8-5000系统楼宇对讲系统使用手册1、单元主机介绍摄像头调节内六角螺丝喇叭显示屏数字按键感应卡位置麦克风摄像头2、L8系统施工中的网线RJ45头制作方法双绞线分为非屏蔽双绞线(UTP)和屏蔽双绞线(STP)两类,在电磁场干扰比较严重的场所,建议用屏蔽双绞线(STP)。
网线两端水晶头做法相同,都是TIA/EIA-568B标准。
3、主机编程设置(1)进入/退出编程操作操作目标方式一方式二方式三进入编程态主机上电进入工作后(短“嘟”一声,触摸按键板进入工作),在2秒内按住主机0键2秒,长嘟一声,主机进入编程状态。
使用已注册的功能卡,刷卡即可进入编程态。
*90*系统密码(出厂密码1234)退出编程态在编程态中按#键清屏,再按即可退出编程态。
直接断电重新上电退出编程态。
RJ45(水晶头)网线水晶头1 白橙2 橙3 白绿4 蓝5 白蓝6 绿7 白棕8 棕(2)菜单选项说明当主机进入编程态后,连续按“*”键,显示屏上依次出现####、1n1t、####、####、bt=3/4、bd=n/C、rd-A/rdUA、Sg-1/---、bg-A/bgUA、dF-A/dFUA、Lt##、LF-1/2/3/4/23/34/12、t###、### - 、####、C###、d###、n###、U###、SC-A/SCUA、EALL等共21个选项,具体含义如下:4、L8-5000系统编号操作(1)编号操作编号的方式有两种,一种是通过分机来设置(详见分机软开关操作部分)。
另外一种是通过主机编号,方式如下:①主机进入编程态后输入需要发送的分机号码(如0101)②分机按住报警键和开锁键③按下主机保安键,编号成功分机会发出他长“嘟”提示音,主机会发出“嘟、嘟”提示音表明编号成功。
(2)主机删号(删除用户卡)主机进入编程态后,按(4位分机号4位分机号用户密码000*)可删除主机上存储的对应分机的相关信息。
立林说明书立林说明书篇一:立林L8智能化可视对讲系统简易说明书立林L8-5000系统楼宇对讲系统使用手册1、单元主机介绍2、L8系统施工中的网线RJ45头制作方法双绞线分为非屏蔽双绞线(UTP)和屏蔽双绞线(STP)两类,在电磁场干扰比较严重的场所,建议用屏蔽双绞线(STP)。
网线两端水晶头做法相同,都是TIA/EIA-568B标准。
3、主机编程设置(1)进入/退出编程操作(2)菜单选项说明当主机进入编程态后,连续按“*”键,显示屏上依次出现####、1n1t、####、####、bt=3/4、bd=n/C、rd-A/rdUA、Sg-1/---、bg-A/bgUA、dF-A/dFUA、Lt##、LF-1/2/3/4/23/34/12、t###、### - 、####、C###、d###、n###、U###、SC-A/SCUA、EALL等共21个选项,具体含义如下:4、L8-5000系统编号操作(1)编号操作编号的方式有两种,一种是通过分机来设置(详见分机软开关操作部分)。
另外一种是通过主机编号,方式如下:①主机进入编程态后输入需要发送的分机号码(如0101)②分机按住报警键和开锁键③按下主机保安键,编号成功分机会发出他长“嘟”提示音,主机会发出“嘟、嘟”提示音表明编号成功。
(2)主机删号(删除用户卡)主机进入编程态后,按(4位分机号4位分机号用户密码000*)可删除主机上存储的对应分机的相关信息。
删除该分机号后,主机依然可以呼叫该分机,但是原来注册过的对应该分机号的卡将失效,同时也不能进行密码开锁。
5、主机密码操作(1)密码类别①用户密码:用于密码开锁和对防区撤防操作,适用小区用户。
用户密码可设1-6数字,初始密码为1234。
用户密码忘记则主机进入编程态重新设置。
②系统密码:用于主机进编程操作,系统密码可设1-6数字,初始密码为1234。
用户密码忘记则主机进入编程态重新设置。
(2)更改用户密码:4位分机号用户旧密码用户新密码(3)更改系统密码:*90*系统旧密码系统新密码6、主机感应卡操作(1)卡的类别①功能卡:在待机状态下,刷卡直接进入编程态,适用于系统维护人员。
立林L8-5000系统楼宇对讲系统使用手册1、单元主机介绍摄像头调节内六角螺丝喇叭显示屏数字按键感应卡位置麦克风摄像头2、L8系统施工中的网线RJ45头制作方法双绞线分为非屏蔽双绞线(UTP)和屏蔽双绞线(STP)两类,在电磁场干扰比较严重的场所,建议用屏蔽双绞线(STP)。
网线两端水晶头做法相同,都是TIA/EIA-568B标准。
3、主机编程设置(1)进入/退出编程操作操作目标方式一方式二方式三进入编程态主机上电进入工作后(短“嘟”一声,触摸按键板进入工作),在2秒内按住主机0键2秒,长嘟一声,主机进入编程状态。
使用已注册的功能卡,刷卡即可进入编程态。
*90*系统密码(出厂密码1234)退出编程态在编程态中按#键清屏,再按即可退出编程态。
直接断电重新上电退出编程态。
RJ45(水晶头)网线水晶头1 白橙2 橙3 白绿4 蓝5 白蓝6 绿7 白棕8 棕(2)菜单选项说明当主机进入编程态后,连续按“*”键,显示屏上依次出现####、1n1t、####、####、bt=3/4、bd=n/C、rd-A/rdUA、Sg-1/---、bg-A/bgUA、dF-A/dFUA、Lt##、LF-1/2/3/4/23/34/12、t###、### - 、####、C###、d###、n###、U###、SC-A/SCUA、EALL等共21个选项,具体含义如下:4、L8-5000系统编号操作(1)编号操作编号的方式有两种,一种是通过分机来设置(详见分机软开关操作部分)。
另外一种是通过主机编号,方式如下:①主机进入编程态后输入需要发送的分机号码(如0101)②分机按住报警键和开锁键③按下主机保安键,编号成功分机会发出他长“嘟”提示音,主机会发出“嘟、嘟”提示音表明编号成功。
(2)主机删号(删除用户卡)主机进入编程态后,按(4位分机号4位分机号用户密码000*)可删除主机上存储的对应分机的相关信息。
删除该分机号后,主机依然可以呼叫该分机,但是原来注册过的对应该分机号的卡将失效,同时也不能进行密码开锁。
立林L智能化可视对讲系统简易说明书SANY标准化小组 #QS8QHH-HHGX8Q8-GNHHJ8-HHMHGN#立林L8-5000系统楼宇对讲系统使用手册1、单元主机介绍摄像头调节内六角螺丝喇叭显示屏数字按键感应卡位置麦克风摄像头2、L8系统施工中的网线RJ45头制作方法双绞线分为非屏蔽双绞线(UTP)和屏蔽双绞线(STP)两类,在电磁场干扰比较严重的场所,建议用屏蔽双绞线(STP)。
网线两端水晶头做法相同,都是TIA/EIA-568B标准。
3、主机编程设置(1)进入/退出编程操作操作目标方式一方式二方式三进入编程态主机上电进入工作后(短“嘟”一声,触摸按键板进入工作),在2秒内按住主机0键2秒,长嘟一声,主机进入编程状态。
使用已注册的功能卡,刷卡即可进入编程态。
*90*系统密码(出厂密码1234)退出编程态在编程态中按#键清屏,再按即可退出编程态。
直接断电重新上电退出编程态。
RJ45(水晶头)网线水晶头1 白橙2 橙3 白绿4 蓝5 白蓝6 绿7 白棕8 棕(2)菜单选项说明当主机进入编程态后,连续按“*”键,显示屏上依次出现####、1n1t、####、####、bt=3/4、bd=n/C、rd-A/rdUA、Sg-1/---、bg-A/bgUA、dF-A/dFUA、Lt##、LF-1/2/3/4/23/34/12、t###、### - 、####、C###、d###、n###、U###、SC-A/SCUA、EALL等共21个选项,具体含义如下:4、L8-5000系统编号操作(1)编号操作编号的方式有两种,一种是通过分机来设置(详见分机软开关操作部分)。
另外一种是通过主机编号,方式如下:①主机进入编程态后输入需要发送的分机号码(如0101)②分机按住报警键和开锁键③按下主机保安键,编号成功分机会发出他长“嘟”提示音,主机会发出“嘟、嘟”提示音表明编号成功。
(2)主机删号(删除用户卡)主机进入编程态后,按(4位分机号4位分机号用户密码000*)可删除主机上存储的对应分机的相关信息。
立林L智能化可视对讲系统简易说明书SANY标准化小组 #QS8QHH-HHGX8Q8-GNHHJ8-HHMHGN#立林L8-5000系统楼宇对讲系统使用手册1、单元主机介绍摄像头调节内六角螺丝喇叭显示屏数字按键感应卡位置麦克风摄像头2、L8系统施工中的网线RJ45头制作方法双绞线分为非屏蔽双绞线(UTP)和屏蔽双绞线(STP)两类,在电磁场干扰比较严重的场所,建议用屏蔽双绞线(STP)。
网线两端水晶头做法相同,都是TIA/EIA-568B标准。
3、主机编程设置(1)进入/退出编程操作操作目标方式一方式二方式三进入编程态主机上电进入工作后(短“嘟”一声,触摸按键板进入工作),在2秒内按住主机0键2秒,长嘟一声,主机进入编程状态。
使用已注册的功能卡,刷卡即可进入编程态。
*90*系统密码(出厂密码1234)退出编程态在编程态中按#键清屏,再按即可退出编程态。
直接断电重新上电退出编程态。
RJ45(水晶头)网线水晶头1 白橙2 橙3 白绿4 蓝5 白蓝6 绿7 白棕8 棕(2)菜单选项说明当主机进入编程态后,连续按“*”键,显示屏上依次出现####、1n1t、####、####、bt=3/4、bd=n/C、rd-A/rdUA、Sg-1/---、bg-A/bgUA、dF-A/dFUA、Lt##、LF-1/2/3/4/23/34/12、t###、### - 、####、C###、d###、n###、U###、SC-A/SCUA、EALL等共21个选项,具体含义如下:4、L8-5000系统编号操作(1)编号操作编号的方式有两种,一种是通过分机来设置(详见分机软开关操作部分)。
另外一种是通过主机编号,方式如下:①主机进入编程态后输入需要发送的分机号码(如0101)②分机按住报警键和开锁键③按下主机保安键,编号成功分机会发出他长“嘟”提示音,主机会发出“嘟、嘟”提示音表明编号成功。
(2)主机删号(删除用户卡)主机进入编程态后,按(4位分机号4位分机号用户密码000*)可删除主机上存储的对应分机的相关信息。
立林L8-5000系统楼宇对讲系统使用手册1、单元主机介绍2、L8系统施工中的网线RJ45头制作方法双绞线分为非屏蔽双绞线(UTP)和屏蔽双绞线(STP)两类,在电磁场干扰比较严重的场所,建议用屏蔽双绞线(STP)。
网线两端水晶头做法相同,都是TIA/EIA-568B标准。
(2)菜单选项说明当主机进入编程态后,连续按“*”键,显示屏上依次出现####、1n1t、####、####、bt=3/4、bd=n/C、rd-A/rdUA、Sg-1/---、bg-A/bgUA、dF-A/dFUA、Lt##、LF-1/2/3/4/23/34/12、t###、### - 、####、C###、d###、n###、U###、SC-A/SCUA、EALL等共21个选项,具体含义如下:4、L8-5000系统编号操作(1)编号操作编号的方式有两种,一种是通过分机来设置(详见分机软开关操作部分)。
另外一种是通过主机编号,方式如下:①主机进入编程态后输入需要发送的分机号码(如0101)②分机按住报警键和开锁键③按下主机保安键,编号成功分机会发出他长“嘟”提示音,主机会发出“嘟、嘟”提示音表明编号成功。
(2)主机删号(删除用户卡)主机进入编程态后,按(4位分机号4位分机号用户密码000*)可删除主机上存储的对应分机的相关信息。
删除该分机号后,主机依然可以呼叫该分机,但是原来注册过的对应该分机号的卡将失效,同时也不能进行密码开锁。
5、主机密码操作(1)密码类别①用户密码:用于密码开锁和对防区撤防操作,适用小区用户。
用户密码可设1-6数字,初始密码为1234。
用户密码忘记则主机进入编程态重新设置。
②系统密码:用于主机进编程操作,系统密码可设1-6数字,初始密码为1234。
用户密码忘记则主机进入编程态重新设置。
(2)更改用户密码:4位分机号用户旧密码用户新密码(3)更改系统密码:*90*系统旧密码系统新密码6、主机感应卡操作(1)卡的类别①功能卡:在待机状态下,刷卡直接进入编程态,适用于系统维护人员。
立林L8-5000系筑楼宇对讲系铳便用手册1s 单元主机介绍嘲叭 显水屏数字按键感应卡位垃2、L8系统蒐工中的网线RJ45头制作方法双绞线分为非屏蔽双绞线(UTP )和屏蔽双狡线(STP )两类,在电磁场干扰比较严車 的场所,建放用屏箴双绞线(STP )。
网线两竭水晶头册法相同,胡是TIA/EIA-568B 标准。
3、主机编程披置(1)进入/退出编程操作操作目标方式■»|」(方式三I 杲像头调卩 慑像头一麦克风RJ45 (朮晶头)网线 水晶头1 白艳23白绿45 白歪6 绿7白跺8(2)菜单选項说明当壬机it人编样态后,连续按8,显示屏上依次岀现####、1n1t、####、####、bt=3/4、bd=n/Cx rd-A/rdUA. Sg-1/一-、bg-A/bgUA. dF-A/dFUA、Lt##、LF-1/2/3/4/23/34/12. t###、 ###・、####、C###、d###、n###、U###、SC-A/SCUA、EALL 等共 21 个选攻,具体含艾如下:4、L8-5000系竦编号操作(1)S号操作编号的方衣有两种,一种是通过分tn来i殳置(详见分tn軟开关I*作部分)。
另外一种是通过主机编号,方衣如下:①主机进人编程态后输人需要发送的分tn ( $110101 )②分机按住报警进a机开碱址"③按卞主机保安捷遷,编号成功分tn会发出他长“曜"提示音,主机会发岀“怖、噺” 梶示音表明编号成功。
(2)主AIU号(剧除用户卡)Jtlia人编椁态后,按(4位分机号14位分讯号T用户密侶T000* )可刪除壬別上存储的对应分机的《1关信息。
制除该分tn号后,主机依然可£1呼叫该分机,II是原来注册过的对应该分机号的卡将失效,同时也不能进行密码开锁。
5、主XX码操作(1)密码类别①用户密码:用于密码开議和对肪区撤肪If作,适用小区用户。
用户密码可设1-6数字,祁始密码为1234。
立林L智能化可视对讲系统简易说明书SANY标准化小组 #QS8QHH-HHGX8Q8-GNHHJ8-HHMHGN#立林L8-5000系统楼宇对讲系统使用手册1、单元主机介绍摄像头调节内六角螺丝喇叭显示屏数字按键感应卡位置麦克风摄像头2、L8系统施工中的网线RJ45头制作方法双绞线分为非屏蔽双绞线(UTP)和屏蔽双绞线(STP)两类,在电磁场干扰比较严重的场所,建议用屏蔽双绞线(STP)。
网线两端水晶头做法相同,都是TIA/EIA-568B标准。
3、主机编程设置(1)进入/退出编程操作操作目标方式一方式二方式三进入编程态主机上电进入工作后(短“嘟”一声,触摸按键板进入工作),在2秒内按住主机0键2秒,长嘟一声,主机进入编程状态。
使用已注册的功能卡,刷卡即可进入编程态。
*90*系统密码(出厂密码1234)退出编程态在编程态中按#键清屏,再按即可退出编程态。
直接断电重新上电退出编程态。
RJ45(水晶头)网线水晶头1 白橙2 橙3 白绿4 蓝5 白蓝6 绿7 白棕8 棕(2)菜单选项说明当主机进入编程态后,连续按“*”键,显示屏上依次出现####、1n1t、####、####、bt=3/4、bd=n/C、rd-A/rdUA、Sg-1/---、bg-A/bgUA、dF-A/dFUA、Lt##、LF-1/2/3/4/23/34/12、t###、### - 、####、C###、d###、n###、U###、SC-A/SCUA、EALL等共21个选项,具体含义如下:4、L8-5000系统编号操作(1)编号操作编号的方式有两种,一种是通过分机来设置(详见分机软开关操作部分)。
另外一种是通过主机编号,方式如下:①主机进入编程态后输入需要发送的分机号码(如0101)②分机按住报警键和开锁键③按下主机保安键,编号成功分机会发出他长“嘟”提示音,主机会发出“嘟、嘟”提示音表明编号成功。
(2)主机删号(删除用户卡)主机进入编程态后,按(4位分机号4位分机号用户密码000*)可删除主机上存储的对应分机的相关信息。
立林L8智能化的可视对讲系统简易说明书立林L8-5000系统楼宇对讲系统使用手册1、单元主机介绍摄像头调节内六角螺丝喇叭显示屏数字按键感应卡位置麦克风摄像头2、L8系统施工中的网线RJ45头制作方法双绞线分为非屏蔽双绞线(UTP )和屏蔽双绞线(STP )两类,在电磁场干扰比较严重的场所,建议用屏蔽双绞线(STP )。
网线两端水晶头做法相同,都是TIA/EIA-568B 标准。
3、主机编程设置(1)进入/退出编程操作操作目标方式一方式二方式三RJ45(水晶头)网线水晶头1 白橙2 橙 3白绿 4 蓝 5 白蓝 6 绿 7 白棕 8棕(2)菜单选项说明当主机进入编程态后,连续按“*”键,显示屏上依次出现####、1n1t、####、####、bt=3/4、bd=n/C、rd-A/rdUA、Sg-1/---、bg-A/bgUA、dF-A/dFUA、Lt##、LF-1/2/3/4/23/34/12、t###、### - 、####、C###、d###、n###、U###、SC-A/SCUA、EALL 等共21个选项,具体含义如下:4、L8-5000系统编号操作(1)编号操作编号的方式有两种,一种是通过分机来设置(详见分机软开关操作部分)。
另外一种是通过主机编号,方式如下:①主机进入编程态后输入需要发送的分机(如0101)②分机按住报警键和开锁键③按下主机保安键,编号成功分机会发出他长“嘟”提示音,主机会发出“嘟、嘟”提示音表明编号成功。
(2)主机删号(删除用户卡)主机进入编程态后,按(4位分机号4位分机号用户密码000*)可删除主机上存储的对应分机的相关信息。
删除该分机号后,主机依然可以呼叫该分机,但是原来注册过的对应该分机号的卡将失效,同时也不能进行密码开锁。
5、主码操作(1)密码类别①用户密码:用于密码开锁和对防区撤防操作,适用小区用户。
用户密码可设1-6数字,初始密码为1234。
用户密码忘记则主机进入编程态重新设置。
立林L8-5000系统楼宇对讲系统使用手册1、单元主机介绍2、L8系统施工中的网线RJ45头制作方法双绞线分为非屏蔽双绞线(UTP)和屏蔽双绞线(STP)两类,在电磁场干扰比较严重的场所,建议用屏蔽双绞线(STP)。
网线两端水晶头做法相同,都是TIA/EIA-568B标准。
(2)菜单选项说明当主机进入编程态后,连续按“*”键,显示屏上依次出现####、1n1t、####、####、bt=3/4、bd=n/C、rd-A/rdUA、Sg-1/---、bg-A/bgUA、dF-A/dFUA、Lt##、LF-1/2/3/4/23/34/12、t###、### - 、####、C###、d###、n###、U###、SC-A/SCUA、EALL等共21个选项,具体含义如下:4、L8-5000系统编号操作(1)编号操作编号的方式有两种,一种是通过分机来设置(详见分机软开关操作部分)。
另外一种是通过主机编号,方式如下:①主机进入编程态后输入需要发送的分机号码(如0101)②分机按住报警键和开锁键③按下主机保安键,编号成功分机会发出他长“嘟”提示音,主机会发出“嘟、嘟”提示音表明编号成功。
(2)主机删号(删除用户卡)主机进入编程态后,按(4位分机号4位分机号用户密码000*)可删除主机上存储的对应分机的相关信息。
删除该分机号后,主机依然可以呼叫该分机,但是原来注册过的对应该分机号的卡将失效,同时也不能进行密码开锁。
5、主机密码操作(1)密码类别①用户密码:用于密码开锁和对防区撤防操作,适用小区用户。
用户密码可设1-6数字,初始密码为1234。
用户密码忘记则主机进入编程态重新设置。
②系统密码:用于主机进编程操作,系统密码可设1-6数字,初始密码为1234。
用户密码忘记则主机进入编程态重新设置。
(2)更改用户密码:4位分机号用户旧密码用户新密码(3)更改系统密码:*90*系统旧密码系统新密码6、主机感应卡操作(1)卡的类别①功能卡:在待机状态下,刷卡直接进入编程态,适用于系统维护人员。
立林L8-5000系统楼宇对讲系统使用手册1、单元主机介绍摄像头调节内六角螺丝喇叭显示屏数字按键感应卡位置麦克风摄像头2、L8系统施工中的网线RJ45头制作方法双绞线分为非屏蔽双绞线(UTP )和屏蔽双绞线(STP )两类,在电磁场干扰比较严重的场所,建议用屏蔽双绞线(STP )。
网线两端水晶头做法相同,都是TIA/EIA-568B 标准。
3、主机编程设置(1)进入/退出编程操作操作目标方式一方式二方式三RJ45(水晶头)网线 水晶头1 白橙2 橙 3白绿 4 蓝 5 白蓝 6 绿 7 白棕 8棕(2)菜单选项说明当主机进入编程态后,连续按“*”键,显示屏上依次出现####、1n1t、####、####、bt=3/4、bd=n/C、rd-A/rdUA、Sg-1/---、bg-A/bgUA、dF-A/dFUA、Lt##、LF-1/2/3/4/23/34/12、t###、### - 、####、C###、d###、n###、U###、SC-A/SCUA、EALL等共21个选项,具体含义如下:4、L8-5000系统编号操作(1)编号操作编号的方式有两种,一种是通过分机来设置(详见分机软开关操作部分)。
另外一种是通过主机编号,方式如下:①主机进入编程态后输入需要发送的分机(如0101)②分机按住报警键和开锁键③按下主机保安键,编号成功分机会发出他长“嘟”提示音,主机会发出“嘟、嘟”提示音表明编号成功。
(2)主机删号(删除用户卡)主机进入编程态后,按(4位分机号4位分机号用户密码000*)可删除主机上存储的对应分机的相关信息。
删除该分机号后,主机依然可以呼叫该分机,但是原来注册过的对应该分机号的卡将失效,同时也不能进行密码开锁。
5、主码操作(1)密码类别①用户密码:用于密码开锁和对防区撤防操作,适用小区用户。
用户密码可设1-6数字,初始密码为1234。
用户密码忘记则主机进入编程态重新设置。
②系统密码:用于主机进编程操作,系统密码可设1-6数字,初始密码为1234。
立林L8-5000系统楼宇对讲系统使用手册1、单元主机介绍摄像头调节内六角螺丝喇叭显示屏数字按键感应卡位置麦克风摄像头2、L8系统施工中的网线RJ45头制作方法双绞线分为非屏蔽双绞线(UTP)和屏蔽双绞线(STP)两类,在电磁场干扰比较严重的场所,建议用屏蔽双绞线(STP)。
网线两端水晶头做法相同,都是TIA/EIA-568B标准。
3、主机编程设置(1)进入/退出编程操作操作目标方式一方式二方式三进入编程态主机上电进入工作后(短“嘟”一声,触摸按键板进入工作),在2秒内按住主机0键2秒,长嘟一声,主机进入编程状态。
使用已注册的功能卡,刷卡即可进入编程态。
*90*系统密码(出厂密码1234)退出编程态在编程态中按#键清屏,再按即可退出编程态。
直接断电重新上电退出编程态。
RJ45(水晶头)网线水晶头1白橙2橙3白绿4蓝5白蓝6绿7白棕8棕(2)菜单选项说明当主机进入编程态后,连续按“*”键,显示屏上依次出现####、1n1t、####、####、bt=3/4、bd=n/C、rd-A/rdUA、Sg-1/---、bg-A/bgUA、dF-A/dFUA、Lt##、LF-1/2/3/4/23/34/12、t###、### - 、####、C###、d###、n###、U###、SC-A/SCUA、EALL等共21个选项,具体含义如下:4、L8-5000系统编号操作(1)编号操作编号的方式有两种,一种是通过分机来设置(详见分机软开关操作部分)。
另外一种是通过主机编号,方式如下:①主机进入编程态后输入需要发送的分机号码(如0101)②分机按住报警键和开锁键③按下主机保安键,编号成功分机会发出他长“嘟”提示音,主机会发出“嘟、嘟”提示音表明编号成功。
(2)主机删号(删除用户卡)主机进入编程态后,按(4位分机号4位分机号用户密码000*)可删除主机上存储的对应分机的相关信息。
删除该分机号后,主机依然可以呼叫该分机,但是原来注册过的对应该分机号的卡将失效,同时也不能进行密码开锁。
立林L8-5000系统楼宇对讲系统使用手册1、单元主机介绍摄像头调节内六角螺丝喇叭显示屏数字按键感应卡位置麦克风摄像头2、L8系统施工中的网线RJ45头制作方法双绞线分为非屏蔽双绞线(UTP )和屏蔽双绞线(STP )两类,在电磁场干扰比较严重的场所,建议用屏蔽双绞线(STP )。
网线两端水晶头做法相同,都是TIA/EIA-568B 标准。
3、主机编程设置(1)进入/退出编程操作操作目标方式一方式二方式三RJ45(水晶头)网线 水晶头1 白橙2 橙 3白绿 4 蓝 5 白蓝 6 绿 7 白棕 8棕(2)菜单选项说明当主机进入编程态后,连续按“*”键,显示屏上依次出现####、1n1t、####、####、bt=3/4、bd=n/C、rd-A/rdUA、Sg-1/---、bg-A/bgUA、dF-A/dFUA、Lt##、LF-1/2/3/4/23/34/12、t###、### - 、####、C###、d###、n###、U###、SC-A/SCUA、EALL等共21个选项,具体含义如下:4、L8-5000系统编号操作(1)编号操作编号的方式有两种,一种是通过分机来设置(详见分机软开关操作部分)。
另外一种是通过主机编号,方式如下:①主机进入编程态后输入需要发送的分机号码(如0101)②分机按住报警键和开锁键③按下主机保安键,编号成功分机会发出他长“嘟”提示音,主机会发出“嘟、嘟”提示音表明编号成功。
(2)主机删号(删除用户卡)主机进入编程态后,按(4位分机号4位分机号用户密码000*)可删除主机上存储的对应分机的相关信息。
删除该分机号后,主机依然可以呼叫该分机,但是原来注册过的对应该分机号的卡将失效,同时也不能进行密码开锁。
5、主机密码操作(1)密码类别①用户密码:用于密码开锁和对防区撤防操作,适用小区用户。
用户密码可设1-6数字,初始密码为1234。
用户密码忘记则主机进入编程态重新设置。
②系统密码:用于主机进编程操作,系统密码可设1-6数字,初始密码为1234。
立林 L8-5000 系统楼宇对讲系统使用手册1、单元主机介绍内六角螺丝摄像头调节喇叭摄像头显示屏数字按键麦克风感应卡位置2、L8 系统施工中的网线RJ45头制作方法双绞线分为非屏蔽双绞线(UTP)和屏蔽双绞线(STP)两类,在电磁场干扰比较严重的场所,建议用屏蔽双绞线(STP)。
网线两端水晶头做法相同,都是TIA/EIA-568B标准。
RJ45(水晶头)网线1白橙2橙3白绿4蓝水晶头5白蓝6绿7白棕8棕3、主机编程设置( 1)进入 / 退出编程操作操作目标方式一方式二方式三主机上电进入工作后(短使用已注册的功能卡,刷卡* 90*系统密码(出厂“嘟”一声 , 触摸按键板进即可进入编程态。
密码 1234)进入编程态入工作),在 2 秒内按住主机 0 键 2 秒,长嘟一声,主机进入编程状态。
在编程态中按 #键清屏,再直接断电重新上电退出编程退出编程态按态。
即可退出编程态。
( 2)菜单选项说明当主机进入编程态后,连续按“* ”键,显示屏上依次出现####、 1n1t 、 ####、 #### 、bt=3/4 、bd=n/C 、rd-A/rdUA 、Sg-1/---、bg-A/bgUA、dF-A/dFUA、Lt##、LF-1/2/3/4/23/34/12、t### 、 ### - 、 ####、 C###、d### 、 n###、 U###、 SC-A/SCUA、 EALL 等共 21 个选项,具体含义如下:编程项(按*键操作)编程项说明设置方法初始值设置主机对应管理机号码,只有按数字键输入范围 4 位数字19999当此号码与相连管理机号码相9999对应是时,该主机才能呼叫相连管理机。
21n1t 编程态初始化,初始化后编程项先按数字 8 显示 SurE 后,再按数字 3将恢复为出厂状态。
即可将编程态各个选项初使化。
38888设置主机号码按数字键输入 4 位数字888840000设置副主机号码按数字键输入 4 位数字,其中00000000为主机, 0001-9999 为副主机号码5bt=3/4设置主机拨号位数是 3 位或 4 位按数字键切换选择bt=3设置主机拨号末位是数字或字按数字键切换选择, bd=n 代表主机拨6bd=n/C号末位是数字, bd=C 代表主机拨号末bd=n 母位是字母。
L8户户对讲系统使用说明书第1节产品型号说明序号产品型号产品名称外观尺寸mm 安装尺寸mm1 L8-5002 L8非可视主机2 L8-5002M L8黑白可视主机3 L8-5002L L8非可视联网主机4 L8-5002GL L8非可视联网刷卡主机5 L8-5002ML L8黑白可视联网主机6 L8-5002MGL L8黑白可视联网刷卡主机7 L8-5002MLC L8彩色可视联网主机8 L8-5002MGLC L8彩色可视联网刷卡主机9 L8-5002LF L8非可视联网副主机10 L8-5002GLF L8非可视联网刷卡副主机11 L8-5002MLF L8黑白可视联网副主机12 L8-5002MGLF L8黑白可视联网刷卡副主机13 L8-5002MLFC L8彩色可视联网副主机14 L8-5002MGLFC L8彩色可视联网刷卡副主机15 L8-5002MLW L8黑白可视围墙主机16 L8-5002LW L8非可视围墙主机17 L8-5002GLW L8非可视围墙刷卡主机18 L8-5002MGLW L8黑白可视围墙刷卡主机19 L8-5002MLWC L8彩色可视围墙主机20 L8-5002MGLWC L8彩色可视围墙刷卡主机2型:140×342×70mm4型:120×373×51 mm10型:170×386×54mm11型:380×240×54mm(1)2型预埋盒:134×340×50 mm铁门安装:130×300×40mm(2)4型预埋盒:344×106×45(52) mm铁门安装:105×340×32mm(3)10型预埋盒:142×358×64mm铁门安装:140×332×48mm(4)11型预埋盒:352×213×64mm铁门安装:322×210×48mm注:型号后面带“T”为触控主机第2节 产品介绍2.1外观摄像头喇叭显示屏电源指示麦克风读卡部操作键盘安装螺丝盖板2.2功能特点(1)可选择不同外观的液晶显示和数码显示;(2)操作键盘可采用机械按键或电容触控按键操作; (3)CCD 摄像头角度可调,夜间可视;(4)可与管理中心进行语音、视频、数据联网通信; (5)可与分机实现双向呼叫对讲开锁功能,(6)音频采用半双工和全双工混合对讲方式,具有声音不丢失,且声音大,不嘯叫; (7)入户只需一根网线即可实现语音、视频、数据通信; (8)采用FLASH 存储用户资料,永不丢失;(9)一户一密码,具有密码开锁和防区密码撤防功能;(10)可内置或外配IC/ID 门禁,具有刷卡开锁和防区布撤防功能; (11)具有开门检测、电梯控制等功能;(12)联网功能强大,可接入TCP/IP 网络; (13)可预埋式安装、嵌入式安装。
立林L8-5000系统楼宇对讲系统使用手册RJ45 (水晶头)网线水晶头1白橙2橙3白绿4蓝5白蓝6绿7白棕8棕1.单元主机介绍2、L8系统施工中的网线RJ45头制作方法双绞线分为非屏蔽双绞线(UTP)和屏蔽双绞线(STP)两类,在电磁场干扰比较严重的场所,建议用屏蔽双绞线(STP)。
网线两端水晶头做法相同,都是TIA/EIA-568B标准。
3、主机编程设置(1)进入/退出编程操作擾作目标方式一方式二方式三进入编程态主机上电进入工作后(短“嘟”一声•触摸按键板进入工作人在2秒按住主机0^2秒.长嘟一声,主机进入编程状态。
使用巳注册的功能卡,刷卡即可进入编程态。
T次90*系统密码(出厂密码1234) 1>退出编程态在编程态中按社镀清屛,再按TT即可退出编程态。
直接断电重新上电退出编程态0内六角螺丝剜叭显示屏数字按键(2)菜单选项说明当主机进入编程态后,连续按“虻键,显示屛上依次出现####> lnlt.和曲、料曲、bt=3/4、bd=n/C、rd-A/rdUA、Sg-1/—-、bg-A/bgUA、dF-A/dFUA.Lt##、LF-1/2/3/4/23/34/12、t###、### - . ####. C###、d###. n#曲、LI###. SC-A/SCUA、BALL 等共21 个选项,具体含义如下:4、L8-5000系统编号操作(1)编号操作编号的方式有两种,一种是通过分机来设置(详见分机软开关操作部分)。
另外一种是通过主机编号,方式如下:①主机进入编程态后输入需要发送的分机(如0101)②分机按住报警键a和开锁键"③按下主机保安键邈,编号成功分机会发出他长"嘟”提示音,主机会发出"嘟、嘟” 提示音表明编号成功。
(2)主机删号(删除用户卡)主机进入编程态后,按(4位分机号T4位分机号D用户密码-0000* )可删除主机上存储的对应分机的相关信息。
删除该分机号后,主机依然可以呼叫该分机,但是原来注册过的对应该分机号的卡将失效,同时也不能进行密码开锁。
立林L8-5000系统楼宇对讲系统使用手册
1、单元主机介绍
摄像头调节内六角螺丝喇叭
显示屏
数字按键感应卡位置
麦克风
摄像头
2、L8系统施工中的网线RJ45头制作方法
双绞线分为非屏蔽双绞线(UTP)和屏蔽双绞线(STP)两类,在电磁场干扰比较严重的场所,建议用屏蔽双绞线(STP)。
网线两端水晶头做法相同,都是TIA/EIA-568B标准。
3、主机编程设置
(1)进入/退出编程操作
操作目标方式一方式二方式三
进入编程态主机上电进入工作后(短
“嘟”一声,触摸按键板进
入工作),在2秒内按住主
机0键2秒,长嘟一声,
主机进入编程状态。
使用已注册的功能卡,刷卡
即可进入编程态。
*90*系统密码(出厂
密码1234)
退出编程态在编程态中按#键清屏,再
按
即可退出编程态。
直接断电重新上电退出编程
态。
RJ45(水晶头)网线
水晶头1 白橙
2 橙
3 白绿
4 蓝
5 白蓝
6 绿
7 白棕
8 棕
(2)菜单选项说明
当主机进入编程态后,连续按“*”键,显示屏上依次出现####、1n1t、####、####、bt=3/4、bd=n/C、rd-A/rdUA、Sg-1/---、bg-A/bgUA、dF-A/dFUA、Lt##、LF-1/2/3/4/23/34/12、t###、### - 、####、C###、d###、n###、U###、SC-A/SCUA、EALL等共21个选项,具体含义如下:
4、L8-5000系统编号操作
(1)编号操作
编号的方式有两种,一种是通过分机来设置(详见分机软开关操作部分)。
另外一种是通过主机编号,方式如下:
①主机进入编程态后输入需要发送的分机号码(如0101)
②分机按住报警键和开锁键
③按下主机保安键,编号成功分机会发出他长“嘟”提示音,主机会发出“嘟、嘟”
提示音表明编号成功。
(2)主机删号(删除用户卡)
主机进入编程态后,按(4位分机号4位分机号用户密码000*)可删除主机上存储的对应分机的相关信息。
删除该分机号后,主机依然可以呼叫该分机,但是原来注册过的对应该分机号的卡将失效,同时也不能进行密码开锁。
5、主机密码操作
(1)密码类别
①用户密码:用于密码开锁和对防区撤防操作,适用小区用户。
用户密码可设1-6数字,初
始密码为1234。
用户密码忘记则主机进入编程态重新设置。
②系统密码:用于主机进编程操作,系统密码可设1-6数字,初始密码为1234。
用户密码
忘记则主机进入编程态重新设置。
(2)更改用户密码:4位分机号用户旧密码用户新密码
(3)更改系统密码:*90*系统旧密码系统新密码
6、主机感应卡操作
(1)卡的类别
①功能卡:在待机状态下,刷卡直接进入编程态,适用于系统维护人员。
②用户卡:刷卡开锁和对防区进行布撤防,适用于小区用户。
③管理员卡:公共管理卡类似于普通用户卡,由于公共管理员号是一个虚拟的用户,没有
对应的分机,
也没有对分机防区布撤防功能,所以管理员卡只能刷卡开锁。
该卡适用于小
区管理员、
保洁员等。
④单元巡更卡:刷卡登记不开锁,适用于保安巡逻签到。
⑤别墅巡更卡:针对别墅主机,刷卡登记不开锁,适用于别墅的保安人员或者管家等。
(2)功能卡
①注册功能卡
主机上电(12V)后听到一声短促的“嘟”的上电声,在2秒内按住任意键,听到一声较长的“嘟”的声音,同时数码管显示00,此时可以松开按键,即可刷卡注册功能卡,可连续注册15张,数码管将显示已注册的张数,注册完后断电再重新上电或者连续按两次密码键退出。
②删除功能卡
主机通过按键操作:*90*系统密码00*,即可删除所有功能卡。
在此状态下也可重新注册功能卡。
删除完成后按任意键退出。
也可以主机上电后,两秒内按住任意键进入编程态的同时也将主机的所有功能卡删除。
(3)普通用户卡
①注册用户卡
主机进入编程态后,输入要注册的分机号码,然后按保安键,听到“嘟嘟”提示音
后可开始注册,可连续注册15张用户卡,同时数码管显示已经注册的张数。
可注册10位管理员,注册完毕退出编程态。
②删除用户卡
主机通过按键操作:4位分机号用户密码00*,即可删除该用户所有卡。
在此状态下也可重新注册用户卡,删除完毕按任意键退出。
(4)管理卡
①注册管理卡
主机进入编程态后,输入要注册的管理员号码,然后按保安键,听到“嘟嘟”提示
音后可开始注册,可连续注册15张用户卡,同时数码管显示已经注册的张数。
注册完毕退出编程态。
②删除管理卡
主机通过按键操作:4位管理员号用户密码00*,即可删除该管理员所有卡。
在此状态下也可重新注册管理员卡,删除完毕按任意键退出。
(5)查询已注册卡
①查询功能卡和主机巡更卡总数
操作:*90**
②查询主机系统卡数量
操作:99*
③查询用户卡和用户巡更卡总数
操作:4位分机号*
7、分机报警防区探头安装及操作
报警防区操作
①报警防区布防
同时按住分机的监视键 + 开锁键布所有防区,正确分机会“嘟”提示音,同时防区指示灯常亮。
②报警防区撤防
无键盘分机:同时按住分机的监视键 + 开锁键撤防所有防区。
带键盘操作:# 00 1234 # 全部撤防
操作正确分机有“嘟”提示音。
例如:用户密码为7890,所有防区撤防,则输入#007890#,同时防区指示灯灭。
③关闭警笛或停止相应防区指示灯闪亮
操作:*97*1234*
当防区有警况时,分机防区指示灯快闪亮,同时分机喇叭将发出3分钟警笛声音,超过3分钟警笛自动关闭,可通过以上操作关闭警笛或停止相应防区指示灯闪亮。
“XXXXXX”小区智能化可视楼宇系统
操作说明
一、室内分机编号
1、单元门口主机先进入编程按主机上的“钥匙键 * 90 * 1234 钥匙键”主
机嘟一声进入编程,
2、按住分机“钥匙键和钤挡键”,主机输入该分机号后主机按“保安键”主
机及分机同时嘟一声即可!(注:门牌号不过4位的在前面加“0”)
3、注册完号后要退出编码状态,连续按两下钥匙键退出(主机会自己重启);
二、注册用户卡
1、单元门口主机先进入编程按主机上的“钥匙键 * 90 * 1234 钥匙键”主
机嘟一声进入编程,
2、在主机上输入要注册对应用户的门牌号在按“保安键”嘟嘟两声后刷要注册的感应卡,注册上的卡为该用户感应卡,即可生郊;按#号键接着注册下一家的卡同样的步骤!(注:门牌号不过4位的在前面加“0”)
3、注册完卡后退出编程状态,连续按2下钥匙键退出(主机会自己重启);
三、呼叫对讲使用
主机呼叫室内分机操作
1、主门口主机上输入对应室内分机号或对应门牌号(注:门牌号不过4位的在前面加“0”)
2、分机振钤后按分机上免提键后可视对讲后按开锁键即可开门。
主机呼叫管理中心机操作
1、在门口主机上按保安键后直接呼叫管理中心;
2、管理中心机振钤后接听话筒后可视对讲并按开锁键即可开门。
室内分机呼叫管理中心机操作
1、在室内分机上呼叫管理中心机操作,直接按主机上保安键后直接呼叫管理中心;
2、待管理中心机接听后分机振钤按免提后直接对讲;。