空心薄壁墩墩技术交底
- 格式:doc
- 大小:100.00 KB
- 文档页数:13
薄壁空心墩爬模施工技术交底【薄壁空心墩爬模施工技术交底】1. 施工前准备1.1 现场勘测与布局详细记录墩的数量、位置和尺寸,并进行布局规划,确保施工顺利进行。
1.2 材料及工具准备准备所需的模板、脚手架、钢筋、混凝土和其他施工所需的材料和工具。
2. 模板安装2.1 板模设计及制作根据墩的尺寸要求,设计并制作适合的板模。
2.2 模板安装按照设计方案,将板模按照要求安装在墩体上,并加固固定。
3. 钢筋布置3.1 钢筋设计根据墩的荷载要求和结构设计,制订钢筋布置方案。
3.2 钢筋加工与安装根据设计方案,进行钢筋的加工和安装工作,确保钢筋骨架牢固。
4. 混凝土浇筑4.1 浇筑准备准备混凝土、搅拌设备和浇筑工具,确保混凝土的质量。
4.2 浇筑施工按照施工方案,进行混凝土浇筑工作,确保混凝土均匀、密实。
5. 养护与拆模5.1 养护措施在混凝土浇筑完成后,及时进行养护,保持适宜的湿度和温度。
5.2 拆模工作在混凝土强度达到要求后,进行模板的拆除工作。
【附件】1. 模板设计图纸2. 钢筋布置图纸3. 混凝土施工方案4. 养护措施记录表【法律名词及注释】1. 墩体:指用于支撑或固定结构的柱状构件。
2. 模板:用于支撑混凝土在施工期间的模具。
3. 脚手架:用于支撑和搭设模板的临时结构。
4. 钢筋:指钢筋混凝土中的钢筋材料,用于增加混凝土结构的强度和韧性。
5. 混凝土:指水泥、石料、砂和水按一定比例混合而成的材料,常用于建筑施工中。
6. 养护:指混凝土施工后,根据需要进行的保养和维护工作。
【薄壁空心墩爬模施工技术交底】1. 勘测与设计1.1 现场勘测对施工现场进行勘测,确定墩的位置、数量和尺寸。
1.2 结构设计进行结构设计,确定墩的荷载要求和构造形式。
2. 模板制作与安装2.1 模板设计与制作根据墩的尺寸和结构要求,设计并制作适合的模板。
2.2 模板安装将制作好的模板安装到墩体上,根据设计要求进行固定。
3. 钢筋布置3.1 钢筋设计根据结构设计,制定钢筋的布置方案,保证墩体的强度和稳定性。
一、交底目的为确保空心薄壁墩施工过程中的安全,降低事故发生风险,提高施工质量,特进行安全技术交底。
二、交底对象所有参与空心薄壁墩施工的作业人员、管理人员及技术人员。
三、交底内容1. 工程概况- 工程名称:[填写工程名称]- 施工单位:[填写施工单位]- 施工地点:[填写施工地点]- 施工时间:[填写施工时间]- 施工内容:空心薄壁墩的施工、安装及验收。
2. 施工安全风险分析- 高处坠落风险:施工过程中,作业人员可能因未采取安全防护措施而从高处坠落。
- 物体打击风险:施工过程中,可能发生物体坠落、滚落等打击作业人员的情况。
- 机械伤害风险:施工过程中,机械设备操作不当可能导致人员伤害。
- 火灾爆炸风险:施工现场可能存在易燃易爆物品,若操作不当可能引发火灾爆炸。
- 电气伤害风险:施工现场电气线路复杂,若操作不当可能引发触电事故。
3. 安全措施及注意事项- 高处作业安全1. 作业人员必须佩戴安全帽、安全带等防护用品。
2. 高处作业平台应设置安全防护栏杆和踢脚板。
3. 严禁攀爬模板、脚手架等。
- 物体打击安全1. 施工现场应设置安全警示标志,提醒人员注意。
2. 作业人员应遵守操作规程,不得擅自改变施工方法。
3. 施工现场应加强材料、设备的堆放管理,防止物体坠落。
- 机械伤害安全1. 机械设备操作人员必须经过培训,取得操作资格。
2. 机械设备运行时,非操作人员不得靠近。
3. 机械设备应定期检查、维护,确保安全运行。
- 火灾爆炸安全1. 施工现场应禁止吸烟、使用明火。
2. 易燃易爆物品应分类存放,远离火源。
3. 施工现场应配备消防器材,确保消防设施完好。
- 电气伤害安全1. 电气线路应定期检查、维护,防止漏电。
2. 电气设备操作人员必须遵守操作规程,不得擅自改变设备接线。
3. 电气设备发生故障时,应立即停机检查,排除故障后再继续使用。
4. 应急预案- 发生高处坠落、物体打击、机械伤害、火灾爆炸、电气伤害等事故时,应立即启动应急预案。
薄壁空心墩电焊工:安全技术交底-制度大全薄壁空心墩电焊工:安全技术交底之相关制度和职责,1、电焊机外壳,必须接地良好,其电源的装拆有电工进行。
2、电焊机要设单独的开关应放在防雨的电箱内,拉合时戴手套侧向操作。
3、焊钳与把线必须绝缘良好,连接牢固,更换焊接条应戴好手套。
在潮...1、电焊机外壳,必须接地良好,其电源的装拆有电工进行。
2、电焊机要设单独的开关应放在防雨的电箱内,拉合时戴手套侧向操作。
3、焊钳与把线必须绝缘良好,连接牢固,更换焊接条应戴好手套。
在潮湿地点工作,应站在绝缘胶板或木板上。
4、严禁在带压力的容器或管道上施焊,焊接带电的设备必须先切断电源。
5、焊接储存过易燃、易爆、有毒物品的容器或管道,必须清除干净,并将护有孔口打开。
6、在密闭金属容器内施焊时,容器必须可靠接地,通风良好,并应有人监护,严禁向容器内输入氧气。
7、焊接预热工件时,应有石棉布或档板等隔热措施。
8、把线、地线禁止与钢丝绳接触,更不得用钢丝绳或机电设备代替零线。
所有电线接头,必须连接牢固。
9、更换场地移动把线时,应切断电源,并不得手持爬梯登高。
10、清除焊渣、采用点弧气刨清要根时,焊接平台或沓件必须接地,并应有隔光板。
11、多台沓机在一起集中施焊时,焊接平台或沓件必须接地,并应有隔光板。
12、钍钨极要放置在密闭铅盒内,磨削钍钨极时,必须戴手套,口罩、并将粉尘及时排除。
13、二氧化碳气体预热器的外壳应绝缘,电压不应大于26伏。
14、雷雨时,应停止露天焊接作业。
15、施焊场地周围应清楚易燃爆物品,或进行覆盖,隔离。
16、必须在易燃气体或液体扩散区施焊时,应经有关部门检试许可后,方可施焊。
17、工作结束。
应切断焊机,并检查操作地点,确认无起火危险后,方可。
18、电焊、气割严格遵守“十不烧”规程操作。
19、乙炔瓶、氧气瓶均应设有安全回火防止器,橡皮管连接处须用专用扎头固定。
预防制度飞行制度食品制度欢迎下载使用,分享让人快乐。
以上时即可拆模。
进行不少于7天的标准养护,养护用水采用井水。
(6)横隔板混凝土浇筑
空心薄壁墩横隔板位置均较高,搭设钢管平台支架适用性较差,本工程采取在墩身上设置型钢牛腿支架形成型钢平台,搭设型钢平台的形式浇筑混凝土。
如下图所示:如下图所示:
(7)墩顶段施工
当模板爬升至墩顶实心段底部时,拆除墩身内施工平台,搭设外侧施工平台和安装防护栏,并在墩身内侧安装封闭段托架和模板。
然后绑扎钢筋、安装外模板、灌注混凝土、养生。
墩柱施工高度至墩柱截面变化的底面处。
封闭段托架采用横桥向布设工字钢,工字钢间距为60厘米,工字钢上铺方木,方木上铺设模板,模板采用木模。
(8)混凝土养护
混凝土灌注后,及时进行养护,保证混凝土结构及模板24小时处于湿润状态。
养护水从水井里水泵抽取,提升至墩身爬模模板顶,模板顶四周设置带孔的25mm水平水管,将养护用水用变频高压水泵利用主管道送至桩顶,打开控制阀门使自来水喷淋在墩身上口,然后从墩四面自然流淌下来,从而浇遍整个墩身。
养护人员设专人进行,养护时间不少于7天。
1、本表由施工单位填写,交底单位与接收的单位各保存一份。
2、当做分项工程施工技术交底时,应填写“分项工程名称”栏,其他技术交底可不填写。
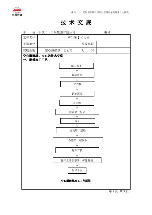
单位: 中铁二十二局集团有限公司编号:工程名称母竹箐I号大桥主送单位接收单位交底主题空心薄壁墩、实心墩时间空心薄壁墩、实心墩技术交底一、翻模施工工艺施工准备模板组装立内模钢筋绑扎立外模浇筑第一层砼养护浇筑第二层砼拆除第一层模板翻升立模循环上升至墩顶,拆除翻模拆除平台空心墩翻模施工工艺框图第1页共5页单位: 中铁二十二局集团有限公司编号:工程名称母竹箐I号大桥主送单位接收单位交底主题空心薄壁墩、实心墩时间二、翻模施工原理墩柱翻模由2节模板组成,每节模板高度为2米,墩柱第一次浇注砼高度1米,以后模板循环翻升,每次浇注砼高度为2米。
施工时第一节段模板支立于承台顶上,第二节段模板分别支立于第一节段预留的顶层模板上,测量定位后一次性浇筑砼。
砼达到拆模强度后预留第二节段顶层模板作为连接,拆除其余几层模板。
待模板作调整和打磨后后利用塔吊将其翻升至第三节段,依此循环向上形成拆模、翻升立模、模板组拼、钢筋焊接绑扎、灌注混凝土、养生和测量定位、标高测量的不间断作业,直至达到设计高度。
三、钢筋施工空心墩钢筋主要型号分为Ф32、Ф 20、Ф16、Ф12。
Ф6@10*10带肋钢筋焊网搭接附在Ф16钢筋上。
(一)、钢筋滚扎直螺纹连接工艺1、钢筋下料钢筋下料用砂轮切割机或切断机下料,要求钢筋切割断面垂直于钢筋轴线,端面偏角不允许超过4度。
2、钢筋套丝钢筋套丝在钢筋螺纹套丝机上进行。
所有丝头均用塑料保护帽套好,用以保护丝头。
3、钢筋连接(1)连接前的准备:先回收丝头上的塑料保护帽和套筒端头的塑料密封盖,并检查钢筋规格是否一致,检验螺纹丝扣是否完好无损、清洁。
如发现杂物或锈蚀要清理干净。
(2)把装好连接套筒的一端钢筋拧到被连接钢筋上,然后用扳手拧紧钢筋,使两根钢筋头顶紧,使套头两端外露的丝扣不超过1个完整扣,连接即告完成,随后立即画上标记以便检查。
(3)接头检验:接头连接完成后,用目测法检验两端外露螺纹长度是否相等,且不超过一个完整丝扣。
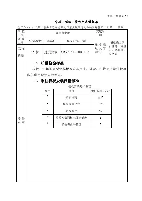
一、质量检验标准1、钢筋:进场钢筋必须按不同钢种、等级、牌号、规格分别堆放,不得混杂,并设有识别标志;同时要抽样进行力学性能检测,合格后方可用于施工。
2、砂石料:材料规格、性能符合实验规范要求。
3、模板:进场的定型钢模板要对其尺寸、外观、拼接后质量进行验收并满足设计规范要求。
二、墩身钢筋安装质量标准钢筋安装质量标准模板安装允许偏差检查数量:施工单位全部检查。
三、工程概况1、施工内容本次交底施工内容为桥梁工程空心薄壁墩施工,过程中注意墩柱施工程序及操作要点。
2、资源配备钢筋:钢筋供应及时,进场后进行力学性能检测,合格后使用。
混凝土:自搅混凝土,各项指标满足规范要求。
模板:采用定型钢模板,按柱径分类,满足计划周转使用要求。
设备:加工区配备钢筋加工设备,施工现场配置平板车、吊车及塔吊。
3、施工环境施工现场施工作业面较大;作业人员较多;施工便道单一;施工所在地风力较大。
对于墩柱钢筋笼运输及钢筋安装略有影响。
4、完成日期施工日期为2016.3.1 开工,计划完工日期为2016.6.31 。
四、施工工艺流程墩柱施工工序:施工放样→预埋筋加工安装→柱底承台凿毛施工→钢筋加工、安装→模板安装→混凝土浇筑→混凝土养护五、施工图纸及简图施工中详细了解图纸,如发现问题及时提出解决。
六、施工方法及操作要点1、施工方法:本桥薄壁空心墩内外均采用翻模法施工,并配置塔吊、汽车吊及汽车等辅助设备。
2、双墩先后流水施工法双墩先后流水施工法是共用一座塔吊,公用4 节模板,由一个作业组织(包含钢筋班、模板班、混凝土班等)完成两个空心薄壁墩作业的方法。
其主要作业任务如下:(1)塔吊:主要用于两墩的垂直运输及水平运输;(2)模板:四节用于翻模的模板轮流使用,其中有两节分别在两墩上不动,用作支撑,另外两节轮流安置于其中一节上向上浇筑混凝土;(3)一个作业组织:主要有钢筋班、模板班、混凝土班组成在两墩上进行流水作业。
3、模板配置全墩模板采用专门设计的大块钢模板,模板加工委托有资质的厂家进行设计和加工生产。
薄壁空心墩模板工安全技术交底(新版)Establish a safety production responsibility system. Implement specific work safety divisions, clearly distinguish rewards and punishments, and assign responsibilities to individuals.( 安全管理 )单位:______________________姓名:______________________日期:______________________编号:AQ-SN-0823薄壁空心墩模板工安全技术交底(新版)高墩翻模施工的技术安全工作,是该项工艺成败的关键,必须抓紧、抓细、抓好。
宜取专业检查与工班自检相结合的安全负责制度。
其具体措施如下:1模板拆除安装工作1.1安全帽、安全绳桥墩模板的拆装工作为高空、双层作业,工作人员必须带安全帽并系好安全绳。
1.2安全网内外模及三角斜撑底部必须安装安全网,安全网的吊挂在中层模板上,应布置合理、牢固可靠。
1.3安全带在内外三角斜撑上的工作人员必须佩带安全带,作业前应将安全带系好。
工作转移时,应首先把安全带转移到固定位置上,然后开始工作。
1.4安装好顶层、外层栏杆、立柱,铺好脚手板对有明显伤痕、裂纹结疤的脚手板,不得使用。
工作人员在行走时不得踏在探头板上。
1.5拆模安全拆模板均为双层作业,上面的工作人员要注意架子上存放的东西,一定要放置稳当,防止碰掉把下面人员打伤。
2平台及混凝土的灌注2.1塔吊起吊工作平台到达一定高度后转一定角度并离开墩顶,用人工将支腿吊钩挂好;拉紧后方可松开支腿螺栓,用人工将支腿提升一节模板高度,把螺栓拧紧;将工作平台放到支腿上,放稳垫好后方可松开吊钩,用8#铅丝捆牢。
2.2检查螺栓平台、支腿、模板螺栓要经常检查,不得有松动现象,平台上不得存放多余物品。
空心薄壁高墩施工技术交底一、空心薄壁高墩施工方案空心墩采用无支架翻模施工工艺,一套模板总高度9米,按2.25m+2.25m+2.25m+2.25m分节,一套模板同时兼管2个墩,每板浇注高度4.5米,和钢筋接长高度相对应(进场整根钢筋长9米,一截为二后按4.5米接长)。
每套模板负责2个墩,有2节始终抱在墩身上作为托节,另外2节在两墩身上相互交替上升,一个墩安装模板、浇砼时,另外一个墩接长钢筋,工序恰好错开。
本标共有薄壁墩25个,其中窑上沟里面特大桥左幅4个,窑上大桥3个,靠互通区特大桥左幅11个,右幅10个。
按照先左幅后右幅的总体施工顺序,共配翻模7套,1套高度4×2.25=9m,特大桥左幅17#-26#空心墩共配5套,特大桥左幅32#-35#空心墩配2套。
窑上大桥33#-34#空心墩不再另配模板。
根据起吊距离、最大起吊重量,本标25个空心墩共设置Q5013型塔吊(臂长50米,最远处起吊重量1.3吨)7台。
根据先左幅后右幅的施工思路,靠互通区的特大桥左右幅的5台塔吊全部布置在左幅,先施工左幅,待左幅的墩身全部完成后,统一施工右幅的墩身。
各塔吊附着墩、兼管空心墩等详见塔吊平面布置图和下表。
塔吊布置一览表塔吊编号附着墩身主管墩/兼管墩备注先施工左幅(5.1-7.31)后施工右幅(8.1-10.31)1#Z17Z16、Z17/Z18Y16、Y172#Z19Z18、Z19/Z20Y18、Y193#Z21Z20、Z21/Z22Y20、Y214#Z23Z22、Z23/Z24Y22、Y235#Z25Z24、Z25、Z26Y24、Y256#Z33Z31(圆墩柱)、Z32、Z33或者附着32# 7#Z34Z34、Z35、Z36(圆墩柱)或者附着35#6#’窑上大桥4#4#、5#墩6#’塔吊由Z32#墩的6#塔吊转移过来。
考虑到塔吊浇注砼比较慢,为加快施工进度,方便砼浇注施工,节省人工,借鉴以前施工经验,本标空心墩全部采用汽车泵进行砼入仓。
薄壁空心墩钢筋安全技术交底1. 背景介绍薄壁空心墩是一种新型的墩型结构体系,它在节约钢筋、减小墩重、提高抗震能力等方面有着明显的优势,已经得到广泛的应用。
在这种墩型中,钢筋是必不可少的一部分,保证其安全性至关重要。
本文旨在介绍薄壁空心墩钢筋的施工工艺、安全要求及检查措施,以确保其安全性。
2. 施工工艺2.1 预制工艺通常情况下,薄壁空心墩是通过钢模具进行预制的。
其预制工艺包括模具清理、钢筋成框、模板安装、混凝土灌注、养护、拆模等环节。
具体流程如下: 1. 对模具进行清理,确保模具表面光滑,无灰尘、油污等杂物。
2. 将钢筋按照制定的数量、规格进行组装,成为框架。
3. 在模具内安装模板,固定好钢筋框架。
4. 在模板的一侧安装灌注口,另一侧设置排气孔。
5. 将预制混凝土倒入模具中,须注意混凝土的振实、充分。
6. 在混凝土表面挂上保湿膜、钢板等防止表面龟裂。
7. 等待混凝土充分凝固,拆除模具并进入养护期。
2.2 现浇工艺采用现浇施工的薄壁空心墩,需要先安装立柱钢筋骨架,然后按照模板要求进行模板搭设和混凝土浇灌。
具体流程如下: 1. 按照设计要求在场地上搭建施工平台,为浇筑薄壁空心墩做准备。
2. 将加工好的立柱钢筋骨架搭设到墩柱位置。
3. 在钢筋骨架上安装薄壁空心墩的模板。
4.对模板进行固定,并打上支承杆和调整垫。
5. 约定好浇筑的混凝土标高,在倾斜度、限制度、支承补偿等方面进行掌控。
6. 进行混凝土的浇筑,要充分振捣、清理浇注面,保持浇注面水平。
7. 浇筑完混凝土后,要进行养护,并在固化后拆模。
3. 安全要求3.1 材料要求1.钢筋材质应符合国家标准要求,每批钢筋均应经过质量检验。
2.混凝土配合比应适宜,运输、搅拌、浇注等各种因素要符合施工要求。
3.2 墩柱钢筋的安装1.墩柱钢筋按照设计要求垂直设置,普通热轧钢筋超出墩头150mm以上,等轴热轧钢筋应超过约束环高度。
2.钢筋焊接点的几何形状应符合规范要求,且焊缝必须经过质量检验。
空心薄壁墩总体施工方案根据现场地形条件,采用塔吊作为提升机械,安装在每个墩靠承台处,各墩位处搭设钢管脚手架采用翻模法施工,钢筋在钢筋棚加工好后,运至现场绑扎成型,薄壁墩身外模板采用大块钢模板,模板分节高度为4.5m,内模板采用钢模施工,砼采用拌和站集中拌和,砼罐车运至施工现场,塔吊提升料斗卸料入模浇筑,插入式振动棒分层将砼捣固密实,洒水并采用薄膜覆盖养护。
施工方法:1、测量放样待承台砼浇筑完成后,凿除墩身范围内承台砼表面浆皮,采用SET250RX索佳型全站仪放出墩中心及四角点,人工弹墨线放出薄壁墩轮廓线,测量承台顶实际标高作为薄壁墩高程控制依据。
之后每次浇筑墩身砼后均需采用全站仪放出薄壁墩控制轴线,并用J2经纬仪根据全站仪测设的纵横向控制点穿线控制高墩垂直度。
2、塔吊安装薄壁墩施工采用塔吊提升,为了满足一个墩施工,租用1台80t.m 级QTZ5513型塔式起重机,要求全新角钢支架,塔高60米、吊臂长55米,最大幅度吊重5t。
施工时在中间墩旁设置塔吊,施工砼基础,预埋螺栓,保证塔吊的受力要求。
塔吊基础尺寸根据塔吊的高度和重量以及起吊重量计算,设计采用C30砼浇筑,塔吊基础施工与承台施工相同。
塔吊主机及吊臂、配重采用的标准节及其它附件由汽车运输至墩位处,由塔吊自行安装,第一次安装高度及附着高度、附着件预埋按塔吊使用说明,塔吊安装由厂方派人到现场全过程指导。
3、支架搭设(1)满堂支架本工程薄壁空心墩施工的支架搭设高度最高达55m,还要作为盖梁施工的支架,因此支架需采用直径4.8cm、壁厚不得小于3.5mm的新钢管,所用扣件必须满足国标的规定要求。
钢管脚手架立杆间距纵向1.0m、横向0.8m,步距1.0米,支架大部分搭设在承台上,承台以外的钢管架基础需采用厚30cm的C15片石砼硬化处理,立杆接头采用对接,并设剪刀撑加固,每12m高与墩身预埋件联系,以增加稳定性,钢管架上下层之间设梯子,以便施工人员通行,施工平台满铺2cm厚木板,脚手架外围和墩身间设置安全网。
桥梁下部施工技术交底记录
墩柱钢筋在钢筋棚中统一加工成型,运到工地现场安装,钢筋截取长度为 4.5 米, 钢筋连接采用机械连接,在施工前应按照规范要求对机械连接头做相关试验,合格后方可投入使用。
连接时应保持墩柱端与预埋钢筋过渡平顺处在同一直线上。
为保证钢筋的安放精度,应精确放样,并连接好架立钢筋,钢筋外应按设计厚度绑扎垫块,确保钢筋的保护层厚度。
钢筋安装实测项目
3、模板的制作、安装
①模板制作,墩身外模板采用大面积整体钢模板,其中模板面板采用3 6mm钢板,外面横竖向采用/ 75mm角钢做成加劲肋,制作墩柱变截面模板时,对其承重部分要注意骨架的加密,以满足受力要求。
为保证模板的加工精度和墩柱的施工质量,模板统一由专业模板厂家加工,高度为
2.25m/节,加工后模板的接缝,表面的平整光洁度,模板的垂直度,以及模板的同心度,强
度、刚度、稳定性等都能得到很好的保证,内模采用竹胶模加木方,在工地制作成型。
制作模板时,根据本合同段墩柱的高度,合理确定每节模板的高度和断面尺寸,尽量减少模板的接缝。