钢筋制作及安装工序施工质量验收评定表填表说明 (3)
- 格式:docx
- 大小:15.93 KB
- 文档页数:3
确保建筑项目上的复杠处理和安装达到顶尖,对于确保整个建筑安全和坚固至关重要。
这意味着我们需要检查所有从所用的材料到如何制作和安装回杠,并确保所有回杠都符合项目的规则和标准。
评估时要全面检查复方块材料,通过它们的尺寸、表面条件和机械特性。
必须确定复标符合规定的直径、长度和等级要求。
材料中与规定耐受性或不完善性的任何差异都必须按照既定准则和议定书认真查明和正式报告。
这符合我们根据我们现行的政治指示和政策框架坚持最高质量和安全标准的决心。
奥普斯还探索了雷巴转变的艺术,从原始形式到雕刻的浮雕。
每个切口,每个弯曲,每个聚变,都是精密技巧的舞蹈,金属和火焰的复杂交响曲。
必须辨别切割和弯曲的节奏,感受焊接的和谐。
手艺的任何缺陷、塑造或加入过程中的任何失误、在保护表面方面的任何疏忽,都必须加以记录和纠正。
安装后栏作为检查的帆布,并适当放置、调整和锚地,从而形成力量和目的的板子。
任何偏离指定设施的情况,在定位或安全方面的任何缺陷,都必须予以注意和解决,以确保视力的绝对完整和安全。
质量评定填写说明填表说明填表时必须遵守〝填表差不多规定〞,并符合以下要求。
1.单元工程划分:以施工检查验收的区、段或混凝土衬砌的设计分缝确定的块划分,每一个施工检查验收的区、段或一个浇筑块为一个单元工程。
2.单元工程量:填写本单元开挖工程量〔m³)。
3.检验〔测〕方法及数量。
4.单元工程施工质量验收评定应包括以下资料。
(1)施工单位应提交单元工程中所含工序〔或检验项目〕验收评定的检验资料,各项实体检验项目的检验记录资料。
(2)监理单位应提交对单元工程施工质量的平行检测资料。
5.单元工程质量标准。
(1)合格标准。
1)主控项目,检验结果应全部符合SL631—2021的要求。
2)—般项目,逐项应有70%及以上的检验点合格,且不合格点不应集中。
3)各项报验资料应符合SL631—2021的要求。
(2)优良标准。
1)主控项目,检验结果应全部符合SL631—2021的要求。
2)一样项目,逐项应有90%及以上的检验点合格,且不合格点不应集中。
3)各项报验资料应符合SL631—2021的要求。
表1.5土质洞室开挖单元工程施工质量验收评定表填表说明填表时必须遵守〝填表差不多规定〞,并符合以下要求。
1.本表适用于土质洞室、砂砾石洞室开挖。
对岩土过渡段洞室,岩石洞室的脆弱岩层、断层及构造破裂带段洞室等,可参照执行。
2.单元工程划分:以施工检查验收的区、段、块划分,每一个施工检查验收的区、段、块〔仓〕,划分为一个单元工程。
3.单元工程量:填写本单元开挖工程量〔m³)。
5.单元工程施工质量验收评定应包括以下资料。
(1)施工单位应提交单元工程中所含工序〔或检验项目〕验收评定的检验资料,各项实体检验项目的检验记录资料。
(2)监理单位应提交对单元工程施工质量的平行检测资料。
6.单元工程质量标准。
(1)合格标准。
1)主控项目,检验结果应全部符合SL631—2021的要求。
2)一样项目,逐项应有70%及以上的检验点合格,且不合格点不应集中。
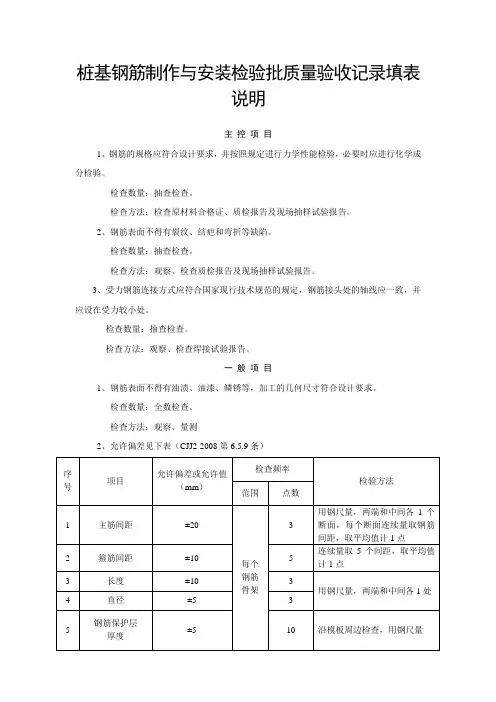
桩基钢筋制作与安装检验批质量验收记录填表
说明
主控项目
1、钢筋的规格应符合设计要求,并按照规定进行力学性能检验,必要时应进行化学成分检验。
检查数量:抽查检查。
检查方法:检查原材料合格证、质检报告及现场抽样试验报告。
2、钢筋表面不得有裂纹、结疤和弯折等缺陷。
检查数量:抽查检查。
检查方法:观察、检查质检报告及现场抽样试验报告。
3、受力钢筋连接方式应符合国家现行技术规范的规定,钢筋接头处的轴线应一致,并应设在受力较小处。
检查数量:抽查检查。
检查方法:观察、检查焊接试验报告。
一般项目
1、钢筋表面不得有油渍、油漆、鳞锈等,加工的几何尺寸符合设计要求。
检查数量:全数检查。
检查方法:观察、量测
2、允许偏差见下表(CJJ2-2008第6.5.9条)。
填表说明填表时必须遵守“填表基本规定”,并符合以下要求。
1.单元工程划分:以施工检查验收的区、段或混凝土衬砌的设计分缝确定的块划分,每一个施工检查验收的区、段或一个浇筑块为一个单元工程。
2.单元工程量:填写本单元开挖工程量(m³)。
3.检验(测)方法及数量。
4.单元工程施工质量验收评定应包括下列资料。
(1)施工单位应提交单元工程中所含工序(或检验项目)验收评定的检验资料,各项实体检验项目的检验记录资料。
(2)监理单位应提交对单元工程施工质量的平行检测资料。
5.单元工程质量标准。
(1)合格标准。
1)主控项目,检验结果应全部符合SL631—2012的要求。
2)—般项目,逐项应有70%及以上的检验点合格,且不合格点不应集中。
3)各项报验资料应符合SL631—2012的要求。
(2)优良标准。
1)主控项目,检验结果应全部符合SL631—2012的要求。
2)一般项目,逐项应有90%及以上的检验点合格,且不合格点不应集中。
3)各项报验资料应符合SL631—2012的要求。
填表说明填表时必须遵守“填表基本规定”,并符合以下要求。
1.本表适用于土质洞室、砂砾石洞室开挖。
对岩土过渡段洞室,岩石洞室的软弱岩层、断层及构造破碎带段洞室等,可参照执行。
2.单元工程划分:以施工检查验收的区、段、块划分,每一个施工检查验收的区、段、块(仓),划分为一个单元工程。
3.单元工程量:填写本单元开挖工程量(m³)。
5.单元工程施工质量验收评定应包括下列资料。
(1)施工单位应提交单元工程中所含工序(或检验项目)验收评定的检验资料,各项实体检验项目的检验记录资料。
(2)监理单位应提交对单元工程施工质量的平行检测资料。
6.单元工程质量标准。
(1)合格标准。
1)主控项目,检验结果应全部符合SL631—2012的要求。
2)一般项目,逐项应有70%及以上的检验点合格,且不合格点不应集中。
3)各项报验资料应符合SL631—2012的要求。
《钢筋加工检验批质量验收记录》表格示例及填写说明【规范名称及编号】《混凝土结构工程施工质量验收规范》(GB50204-2002,2010版)【条文摘录】摘录一:3.0.2混凝土结构子分部工程可根据结构的施工方法分为两类:现浇混凝土结构子分部工程和装配式混凝土结构子分部工程;根据结构的分类,还可分为钢筋混凝土结构子分部工程和预应力混凝土结构子分部工程等。
混凝土结构子分部工程可划分为模板、钢筋、预应力、混凝土、现浇结构和装配式结构等分项工程。
各分项工程可根据与施工方式相一致且便于控制施工质量的原则,按工作班、楼层、结构缝或施工段划分为若干检验批。
摘录二:5.1 一般规定5.1.1当钢筋的品种、级别或规格需作变更时,应办理设计变更文件。
5.1.2在浇筑混凝土之前,应进行钢筋隐蔽工程验收,其内容包括:1纵向受力钢筋的品种、规格、数量、位置等;2钢筋的连接方式、接头位置、接头数量、接头面积百分率等;3箍筋、横向钢筋的品种、规格、数量、间距等;4预埋件的规格、数量、位置等。
5.3钢筋加工主控项目5.3.1受力钢筋的弯钩和弯折应符合下列规定:1 HPB235级钢筋末端应作180。
弯钩,其弯弧内直径不应小于钢筋直径的 2.5倍,弯钩的弯后平直部分长度不应小于钢筋直径的3倍;2当设计要求钢筋末端需作135。
弯钩时,HRB335级、HRB400级钢筋的弯弧内直径不应小于钢筋直径的4倍,弯钩的弯后平直部分长度应符合设计要求;3钢筋作不大于90。
的弯折时,弯折处的弯弧内直径不应小于钢筋直径的5倍。
检查数量:按每工作班同一类型钢筋、同一加工设备抽查不应少于3件。
检验方法:钢尺检查。
5.3.2除焊接封闭环式箍筋外,箍筋的末端应作弯钩,弯钩形式应符合设计要求;当设计无具体要求时,应符合下列规定:1箍筋弯钩的弯弧内直径除应满足本规范第5.3.1条的规定外,尚应不小于受力钢筋直径;2箍筋弯钩的弯折角度:对一般结构,不应小于90°;对有抗震等要求的结构,应为135。
钢筋制作及安装工序施工质量验收评定表填表说明
填表时必须遵守“填表基本规定”,并符合以下要求。
1.单位工程、分部工程、单元工程名称及部位填写要与表
2.1相同。
2.检验(测)方法及数量。
3.工序施工质量验收评定应提交下列资料。
(1)施工单位各班(组)的初检记录、施工队复检记录、施工单位专职质检员终检记录;工序中各施工质量检验项目的检验资料。
(2)监理单位对工序中施工质量检验项目的平行检测资料。
4.工序质量标准。
(1)合格标准。
1)主控项目,检验结果应全部符合SL632—2012要求。
2)一般项目,逐项应有70%及以上的检验点合格,且不合格点不应集中。
3)各项报验资料应符合SL632—2012要求。
⑵优良标准。
1)主控项目,检验结果应全部符合SL632—2012要求。
2)一般项目,逐项应有90%及以上的检验点合格,且不合格点不应集中。
3)各项报验资料应符合SL632—2012要求。
填写说明6.5.1钢筋安装检验批质量验收记录1、验收依据:【规范名称及编号】《城镇道路工程施工与质量验收规范》CJJ1-2008。
《城市桥梁工程工程施工与质量验收规范》CJJ2-2008。
《建筑工程施工质量验收统一标准》GB50300-2013。
2、规范摘要以下内容摘录自《城镇道路工程施工与质量验收规范》CJJ1-2008。
《城市桥梁工程工程施工与质量验收规范》CJJ2-2008。
本表适用于水泥混凝土路面钢筋安装施工质量验收。
按每条路或路段划分检验批主控项目1 焊条的品种、牌号、规格和技术性能必须符合国家现行标准规定和设计要求。
检查数量:全数检查检查方法:检查产品合格证、出厂检验报告。
2 受力钢筋应符合下列规定:1)钢筋的连接形式必须符合设计要求;检查数量:全数检查。
检查方法:观察。
2)钢筋接头位置、同一截面的的接头数量、搭接长度应符合设计要求和本规范第6.3.2条和6.3.5条的规定。
检查数量:全数检查。
检查方法:观察、用钢尺量。
3)钢筋焊接接头质量应符合国家现行标准《钢筋焊接及验收规程》JGJ18的规定和设计要求。
检查数量:外观质量全数检查;力学性能检验按本规范第 6.3.4、6.3.5条规定抽样做拉伸试验和冷弯试验。
检查方法:观察、用钢尺量、检查接头性能检验报告。
4)HRB335和HRB400带肋钢筋机械连接接头质量应符合国家现行标准《钢筋机械连接通用技术规程》JGJ107、《带肋钢筋套筒挤压连接技术规程》JGJ108的规定和设计要求。
检查数量:外观质量全数检查;力学性能检验按本规范第6.3.8条规定抽样做拉伸试验。
检查方法:外观用卡尺或专用量具检查、检查合格证和出厂检验报告、检查进场验收记录和性能复验报告。
5)钢筋安装时,其品种、规格、数量、形状,必须符合设计要求。
检查数量:全数检查。
检查方法:观察、用钢尺量。
一般项目1 预埋件的规格、数量、位置等必须符合设计要求。
检查数量:全数检查。
检查方法:观察、用钢尺量。
【工程表格模板】混凝土钢筋工序质量评定表填表说明
表1.5-3填表说明
填表时必须遵守“填表基本规则”,并符合以下要求:
1、单位工程、分部工程、单元工程名称、部位填写与单元工程表
1.5相同。
2、单元工程量除填本单元砼量(m3)外,还要填钢筋工程量(m)。
3、检查项目项次1质量标准栏为符合设计,填表时须在该栏中注
明设计图号,本例为:水工08A。
4、检测数量:先进行宏观检查,没发现有明显不合格处,即可进
行抽样检查,对梁、板、柱等小型构件,总检测点数不少于30个,其余总检测点数一般不少于50个。
5、质量标准:在主要检查、检测项目符合质量标准的前提下,一
般检查项目基本符合质量标准,检测总点数中有70%及以上符合质量标准,即评为合格,一般检查项目符合质量标准,检测总点数中有90%及以上符合质量标准,即评为优良。
钢筋制作及安装工序施工质量验收评定表填表说明
填表时必须遵守“填表基本规定”,并符合以下要求。
1.单位工程、分部工程、单元工程名称及部位填写要与表
2.1相同。
2.检验(测)方法及数量。
3.工序施工质量验收评定应提交下列资料。
(1)施工单位各班(组)的初检记录、施工队复检记录、施工单位专职质检员终检记录;工序中各施工质量检验项目的检验资料。
(2)监理单位对工序中施工质量检验项目的平行检测资料。
4.工序质量标准。
(1)合格标准。
1)主控项目,检验结果应全部符合SL632—2012要求。
2)一般项目,逐项应有70%及以上的检验点合格,且不合格点不应集中。
3)各项报验资料应符合SL632—2012要求。
⑵优良标准。
1)主控项目,检验结果应全部符合SL632—2012要求。
2)一般项目,逐项应有90%及以上的检验点合格,且不合格点不应集中。
3)各项报验资料应符合SL632—2012要求。