钢筋工序质量评定表
- 格式:doc
- 大小:96.00 KB
- 文档页数:2
水利钢筋混凝土单元质量评定表水利工程施工中,水利钢筋混凝土单元质量是保障工程质量和安全的重要因素。
为了对水利工程中的水利钢筋混凝土单元质量进行科学、客观的评定,我国水利部制定了一套水利钢筋混凝土单元质量评定表,以便对水利工程质量进行评估和监督。
水利钢筋混凝土单元质量评定表是根据水利钢筋混凝土单元的设计要求、施工工艺、工程材料、质量控制等方面内容而编制的,用于评定水利钢筋混凝土单元的质量和是否符合设计要求。
通过对单元的各项指标进行评定,可以及时发现水利钢筋混凝土单元的质量问题,从而采取有效的措施进行整改和改进,保证水利工程的质量和安全。
水利钢筋混凝土单元质量评定表主要包括以下方面内容:1. 设计要求评定在水利钢筋混凝土单元质量评定表中,设计要求评定是首要的内容。
评定表会根据设计文件中对水利钢筋混凝土单元的要求,包括承载能力、变形、耐久性等方面的指标进行评定,检查单元是否满足设计要求。
2. 施工工艺评定水利钢筋混凝土单元的施工工艺是影响其质量的重要因素。
评定表会对施工工艺的执行情况进行评定,包括混凝土配合比及配制、浇筑加工、养护保养等方面的情况,以及是否符合相关标准和规范要求。
3. 工程材料评定水利钢筋混凝土单元的质量与所使用的材料密切相关,评定表会对混凝土、钢筋、模板、外加剂等材料的质量进行评定,检查材料是否符合国家标准和工程要求。
4. 质量控制评定水利工程施工中需要进行严格的质量控制,评定表会对水利钢筋混凝土单元施工过程中的质量控制措施进行评定,包括检测频次、检测手段、记录保存等方面的情况,保证施工过程中的质量控制符合要求。
通过以上方面的评定,水利钢筋混凝土单元的质量就可以得到科学、客观的评价,进而及时采取改进措施,保证水利工程的质量和安全。
水利钢筋混凝土单元质量评定表的制定和使用对提高水利工程施工质量具有重要意义。
我们应当认真贯彻执行国家有关标准和规范,严格按照评定表对水利钢筋混凝土单元进行评定,做好水利工程的质量控制,确保工程质量和安全,为国家的水利工程建设做出积极贡献。
表6.0.4 工序施工质量验收评定表表6.0.5土料吹填工序施工质量验收评定表表7.0.4建筑物表面涂浆工序施工质量验收评定表表7.0.5 结合部填筑工序施工质量验收评定表表8.0.3-1 散抛石工序施工质量验收评定表表8.0.3-2 石笼防冲体制备工序施工质量验收评定表表8.0.3-3 预制防冲体制备工序施工质量验收评定表表8.0.3-4土工袋(包)防冲体制备工序施工质量验收评定表表8.0.3-5 柴枕防冲体制备工序施工质量验收评定表表8.0.4 防冲体抛投工序施工质量验收评定表表9.0.3沉排锚定工序施工质量验收评定表表9.0.4 旱地或冰上铺设铰链混凝土块沉排铺设工序施工质量验收评定表表9.0.5 水下铰链混凝土块沉排铺设工序施工质量验收评定表表9.0.6旱地或冰上土工织物软体沉排铺设工序施工质量验收评定表表9.0.7 水下土工织物软体沉排铺设工序施工质量验收评定表表 A.0.1-2单元工程施工质量验收评定表(划分工序)10.0.2沙(石)垫单元工程施工质量验收评定表(不划分工序)10.0.3土工织物铺设单元工程施工质量验收评定表(不划分工序)10.0.4毛石粗排护坡单元工程施工质量验收评定表(不划分工序)10.0.5石笼护坡单元工程施工质量验收评定表(不划分工序)10.0.6干砌石护坡单元工程施工质量验收评定表(不划分工序)10.0.7浆砌石护坡单元工程施工质量验收评定表(不划分工序)10.0.8混凝土预制块护坡单元工程施工质量验收评定表(不划分工序)10.0.9现浇混凝土护坡单元工程施工质量验收评定表(不划分工序)10.0.10模袋混凝土护坡单元工程施工质量验收评定表(不划分工序)10.0.11灌砌石护坡单元工程施工质量验收评定表(不划分工序)10.0.12植草护坡单元工程施工质量验收评定表(不划分工序)10.0.13植草护坡单元工程施工质量验收评定表(不划分工序)11.0.2河道疏浚单元工程施工质量验收评定表(不划分工序)。
表1-3 江西省中小型水利水电工程钢筋制作及安装工序施工质量验收评定表经复核,主控项目检验点100%合格,一般项目逐项检验点的合格率为且不合格点不集中分布。
工序质量等级评定为:合合同工程名称:合同编码: 100 %,且不合主控项目检验点合格,一般项目逐项检验点的合格率为 格点不集中分布。
工序质量等级评定为: 合格。
施工单位 自评意见(公章)年 月曰监理单位复核意见(公年月曰章)表1-3a 江西省中小型水利水电工程钢筋制作及安装工序施工质量验收检查记录表合同工程名称: 合同编码:单位工程名称工序名称△钢筋制作及安装工序分部工程名称工序编号单元工程名称施工单位项次检验项目检测日期检查(测)记录主控项目1 钢筋的数量、规格尺寸、安装位置年月曰符合设计要求2 钢筋接头的力学性能年月曰见实验报告满足设计要求3 焊接接头和焊缝外观年月曰抽查10个焊接点均无裂缝、无脱焊点、无漏焊点,表面平顺,没有明显的咬边、凹陷、气孔等,钢筋不应有明显烧伤4钢筋连接搭接长度(允许偏差设计值;设计搭接长度35d)0 18年月曰缺口、松口:测10点均符合钢筋连接质量标准弯钩朝向正确:测10点均符合钢筋连接质量标准米用0 18钢筋,搭接长度630mm实测值(mr):5 钢筋间距、保护层年月曰设计值:0 18@200实测值(m):218, 204, 198, 187, 217,209, 204, 213, 197, 193般项目1 钢筋长度方向年月曰设计长度:6000mm 允许偏差土20mm 实测值(mr):2同一排受力钢筋间距□排架、柱、梁年月曰设计值:0 18@200实测值(mr):□板、墙3双排钢筋,其排与排间距年月曰设计值(mr):间距420,允许偏差土42实测值(mr):4 梁与柱中箍筋间距年月曰5 保护层厚度年月曰设计值(mr):40实测值(m):单元工程部位施工日期2018年1月19日〜2018年6月25日初检人: 复检人: 终检人: 现场监理:。
表格编号:……水电站工程钢筋工序质量评定表合同编号:XLK/0440 单元工程编码:FGWK007 表单流水号: 01一、表格编辑说明:1、引用DL/T 5113.1-2005《水电水利基本建设工程单元工程质量等级评定标准》第1部分:土建工程,并参考《水工混凝土钢筋施工规范》(DL/T 5169-2020)和《钢筋机械连接技术规程》(JGJ107-2010)调整和完善。
2、调整情况(1)在表格顶部增加了“集团公司标识”、“表格编号”。
(2)对表格外上方名称进行了调整,增加了“合同编号”、“单元工程编码”、“表单流水号”、“承包人”、“监理人”项。
(3)表头增加了“分项工程名称栏”、“施工时段”、“桩号”、“高程”,表格中增加“实测值/检验记录”栏;“检验日期”改为“评定日期”。
(4)根据现场施工需求,在主控项目和一般项目中只选用了直螺纹机械连接检查项目,其质量标准和质量检查评定结果见《钢筋直螺纹机械连接安装质量验收签证表》、《钢筋直螺纹机械连接安装质量检查记录表》;同时,在主控项目“质量评定(是否符合质量标准)”设置“□是□否□/”勾选项,填写时直接进行勾选,以简化表格填写程序;如果工程项目需要使用带肋钢筋套筒冷挤压连接或锥螺纹连接,可在主控项目第四项和一般项目第五项进行相应检查项目调整。
(5)增加“评定标准”栏,分别对“检测数量、合格标准、优良标准”进行说明,以便于评定人员进行质量等级评定。
(6)对“自检结果”、“检查结果”栏中的填写进行明确。
(7)“质量负责人”改为“初检”、“复检”、“终检”。
3、其它(1)参建设单位名称统一,施工单位:承包人、监理单位:监理人、设计单位:设计人。
(2)在实际工程运用中,可根据钢筋工艺要求对该表格不使用项目适时删减,不得漏项,以满足工程项目钢筋工序质量控制要求;同时,以简化表格项目设置。
二、表格使用说明:1、“合同编号”按照合同文件的编号填写。
“表单流水号”根据验收次数填写,同一部位2次验收时,“表单流水号”填写02,以此类推。
单元工程施工质量报验单(xx[2013]质报号)合同名称:xx说明:本表一式 3 份,由承包人填写。
监理机构审签后,承包人1份,监理机构、发包人各1份。
表A.0.1-2 单元工程施工质量验收评定书表表A.0.1-1 表土及土质岸坡清理施工质量验收评定表表A.0.1-1 软基或土质岸坡开挖施工质量验收评定表附表1 表土及土质岸坡清理施工质量检验记录表(主控项目)表土及土质岸坡清理施工质量检验记录表(一般项目)附表3 软基或土质岸坡开挖检验记录表(主控项目)4软基或土质岸坡开挖施工质量检验记录表(一般项目)表A.O.1-2 单元工程施工质量验收评定表(划分工序)表A.O.1-1 基础面、施工缝处理工序施工质量验收评定表表A.O.1-1模板制作及安装工序施工质量验收评定表表A.O.1-1钢筋制作及安装工序施工质量验收评定表表A.O.1-1钢筋连接施工质量验收评定表表A.O.1-1预埋件(止水、伸缩缝等)制作及安装工序施工质量验收评定表表A.O.1-1混凝土浇筑工序施工质量验收评定表表A.O.1-1外观质量检查工序施工质量验收评定表水利水电工程表1.5 普通混凝土单元工程施工质量验收评定表水利水电工程表1.5-1 基础面或混凝土施工缝处理工序施工质量验收评定表水利水电工程表1.5-2 模板制作及安装工序施工质量验收评定表水利水电工程表1.5-3 钢筋制作及安装工序施工质量验收评定表水利水电工程表1.5-4 预埋件制作及安装工序施工质量验收评定表CB17 混凝土浇筑开仓报审表([2013]开仓01号)合同名称:工程施工合同合同编号:说明:本表一式 3 份,由承包人填写。
监理机构审签后,承包人、监理机构、发包人各1份。
水利水电工程表1.5-5 混凝土浇筑工序施工质量验收评定表水利水电工程表1.5-6 混凝土外观工序施工质量验收评定表。
会理县槽子田水库除险加固工程
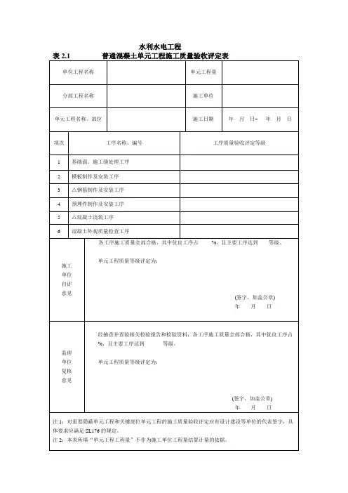
表2.1 普通混凝土单元工程施工质量验收评定表编号:CZT-6-4-1
会理县槽子田水库除险加固工程
表2.1.1-1 普通混凝土基础面处理工序施工质量验收评定表
表2.1.1-2 普通混凝土施工缝处理工序施工质量验收评定表
表2.1.2 普通混凝土模板制作及安装工序施工质量验收评定表
表2.1.3 普通混凝土钢筋制作及安装工序施工质量验收评定表
表2.1.5 普通混凝土浇筑工序施工质量验收评定表
表2.1.6 普通混凝土外观质量检查工序施工质量验收评定表
表2.1 普通混凝土单元工程施工质量验收评定表编号:CZT-6-4-3
会理县槽子田水库除险加固工程
表2.1.1-1 普通混凝土基础面处理工序施工质量验收评定表
表2.1.1-2 普通混凝土施工缝处理工序施工质量验收评定表
表2.1.2 普通混凝土模板制作及安装工序施工质量验收评定表
表2.1.3 普通混凝土钢筋制作及安装工序施工质量验收评定表
表2.1.5 普通混凝土浇筑工序施工质量验收评定表
表2.1.6 普通混凝土外观质量检查工序施工质量验收评定表
表2.1 普通混凝土单元工程施工质量验收评定表编号:CZT-6-4-7
会理县槽子田水库除险加固工程
表2.1.1-1 普通混凝土基础面处理工序施工质量验收评定表
表2.1.1-2 普通混凝土施工缝处理工序施工质量验收评定表
表2.1.2 普通混凝土模板制作及安装工序施工质量验收评定表
会理县槽子田水库除险加固工程
表2.1.3 普通混凝土钢筋制作及安装工序施工质量验收评定表
表2.1.5 普通混凝土浇筑工序施工质量验收评定表
表2.1.6 普通混凝土外观质量检查工序施工质量验收评定表。