绿建设计自评表介绍
- 格式:doc
- 大小:321.51 KB
- 文档页数:12
绿建项目自查评审表(国标.公共建筑)
一、评价原则
绿色建筑设计阶段应满足原则所有控制项旳规定,并按满足一般项和优选项旳限度,划分三个级别。
级别划分按表1拟定。
表1 划分绿色建筑设计阶段级别旳项数规定(公共建筑)1
1表1是基于GB/T50378-《绿色建筑评价原则》给出旳公共建筑一般项和优选项项数基本上,除去规划设计阶段不参评项项数后,按比例调节得到绿色建筑设计标记评价阶段公共建筑设计标记各级别应达到旳项数。
二、自评总述
经自评估,本项目规划设计阶段控制项所有达标,一般项与优选项项数达到设计阶段星级旳原则。
一般项与优选项旳达标状况见表2:
表2 项目规划设计阶段达标状况
三、自评内容
填写阐明:满足规定旳在□中打√不满足规定旳在□中打×不参评旳在□中打○规划设计阶段不参评旳项已用—标出。
浙江省绿色建筑自评表《绿色建筑评论标准》条则分数类别款条编号款项内容项文分总数分节俭集约利用土地。
19场所内合理设置绿化9用地。
合理开发利用地下空6间。
玻璃幕墙可见光反射比不大于 0.2 。
2节或非玻璃幕墙建筑室外夜景照明光污染地4的限制切合现行行业与标准《城市夜景照明室2设计规范》 JGJ/T 163外的规定。
或不设室环外夜景照明境场所内环境噪声切合现行国家标准《声环4境质量标准》 GB3096的有关规定。
在冬季建筑物周典型风围人行区26速和风风速小于向条件5m/s ,且是自否评备注参得评分■19■9■6■2■2■4■2下室外风速放大系数小于 2除迎风第一排建筑外,建筑迎风面与背风面表面风压差不大于5Pa 或只有一排建筑场所内人活动区不过渡出现涡旋季、夏或无风区季典型50% 以上风速和可开启外风向条窗室内外件下表面的风压差大于0.5Pa红线范围内户外活动场所有乔木、修建物等遮阴举措的面积比例超出70%的道路路面、建筑屋面的太阳辐射反射系数不小于0.4场所进出口抵达公共汽车站的步行距离不大于 500m,或抵达轨1 1■22■11■22■42□39□道交通站的步行距离不大于 800m。
场所进出口步行距离800m范围内设有 2 条及以上线路的公共交通站点(含公共汽车站和轨道交通站)。
有便利的人行通道联系公共交通站点。
有便利的人行通道联系公共交通站点。
自行车泊车设备地点合理、方便进出,且有遮阳防雨举措合理设置灵活车泊车设备供给便利的公共服务联合现状地形地貌进行场所设计与建筑布局,保护场所内原有的自然水域、湿地和植被,采纳表层土利用等生态赔偿举措。
下凹式绿地、雨水花园等有调蓄雨水功能的绿地和水体的面积之和占绿地面积的比率达到 30%;合理连接和指引屋面雨水、道路雨水进入地面生态设备,并采取相应的径流污染控制举措;硬质铺装地面中透水3□3□3□3■363■3 6■333■3□93■3 3■3铺装面积的比率达到50%。
浙江省绿色建筑自评表
结论
1、绿色建筑是指在建筑的全寿命周期内,最大限度地节约资源(节能、节地、节水、节材)、保护环境和减少污染,为人们提供健康、适用和高效的使用空间,与自然和谐共生的建筑。
绿色建筑评价是针对建筑全寿命周期进行评价。
本项目目前得分满足一星级要求,若建设单位有条件可与设计院应在项目后期深化阶段,重点落实预评估可优化项,综合考虑绿标的相关要求,完善落实各项设计做法,积极运用国家鼓励的可再生能源利用技术措施,更加有利于绿色技术的发挥,获得更佳的评价,优化后可满足绿色建筑设计更高星级标准的要求。
2、本项目绿色建筑星级评定应另行组织评估咨询,并应以《绿色建筑评价标准》GB/T50378-2014为评价依据。
绿建自评报告1. 背景绿色建筑(Green Building)是指在建筑设计、建造、运营和拆除等全生命周期内,最大程度地减少对环境的影响,提高建筑物的可持续性和环境友好性的建筑方式。
随着全球环境问题的日益突出,绿色建筑在各个国家和地区得到了广泛的关注和推广。
本报告旨在对我所在单位的绿色建筑自评进行详细分析,并提出改进建议。
2. 分析2.1 绿色建筑设计我所在单位的建筑设计在绿色建筑方面存在一些不足。
首先,建筑设计中未充分考虑建筑的能源效率。
缺乏有效的隔热设计和太阳能利用系统,导致建筑的能源消耗较高。
其次,建筑设计中未充分考虑室内环境的舒适性。
缺乏良好的通风系统和室内空气净化设备,影响了员工的工作效率和健康。
2.2 建筑材料选择在建筑材料选择方面,我所在单位存在一些问题。
首先,建筑材料的选择偏向传统材料,如混凝土和砖石等,而较少使用可再生材料。
这导致了大量的资源消耗和环境污染。
其次,建筑材料的采购缺乏环境友好的考量,往往只注重成本和外观等因素,忽视了材料的环境影响。
2.3 建筑运营在建筑的运营阶段,我所在单位也存在一些问题。
首先,建筑的能源管理不够有效。
缺乏监测和控制系统,导致能源的浪费和不必要的消耗。
其次,建筑的水资源管理也不够科学。
缺乏节水设备和管理措施,导致水资源的浪费。
3. 结果根据对我所在单位绿色建筑自评的分析,可以得出以下结果:•建筑设计方面存在能源效率和室内环境舒适性的问题。
•建筑材料选择方面存在资源消耗和环境污染的问题。
•建筑运营方面存在能源和水资源管理的问题。
4. 建议为了改进我所在单位的绿色建筑水平,提出以下建议:4.1 建筑设计改进•引入先进的隔热设计和太阳能利用系统,提高建筑的能源效率。
•加强室内环境的设计,包括通风系统和室内空气净化设备,提高员工的工作效率和健康。
4.2 建筑材料选择改进•鼓励使用可再生材料,减少对传统材料的依赖,降低资源消耗和环境污染。
•在材料采购中考虑环境友好因素,选择符合环保标准的材料。
绿建项目自查评审表(国标.公共建筑)
一、评价标准
绿色建筑设计阶段应满足标准所有控制项的要求,并按满足一般项和优选项的程度,划分三个等级。
等级划分按表1确定。
表1 划分绿色建筑设计阶段等级的项数要求(公共建筑)1
1表1是基于GB/T50378-2006《绿色建筑评价标准》给出的公共建筑一般项和优选项项数基础上,除去规划设计阶段不参评项项数后,按比例调整得到绿色建筑设计标识评价阶段公共建筑设计标识各等级应达到的项数。
二、自评总述
经自评估,本项目规划设计阶段控制项全部达标,一般项与优选项项数达到设计阶段星级的标准。
一般项与优选项的达标情况见表2:
三、自评内容
填写说明:满足要求的在□中打√不满足要求的在□中打×不参评的在□中打○规划设
—。
绿建设计评价自评估报告1. 背景介绍绿建设计是一种注重环境可持续性、资源节约和建筑健康性的建筑设计理念。
作为一名绿建设计师,我一直致力于推广可持续发展的建筑实践和设计原则。
本报告将对我的绿建设计实践进行自评估,从而总结经验教训,进一步完善设计水平。
2. 自评估内容2.1 资源节约与利用在进行绿建设计时,我始终注重资源的节约与利用。
我合理规划建筑布局,充分利用自然光照和通风,减少对人工照明和空调系统的依赖;同时,在建材选择上,优先选择可再生材料和低污染物材料。
此外,我也注重水资源的节约。
我在设计中采集雨水用于灌溉和冲厕,同时选用低流量的水龙头和节水型厕所。
2.2 能源效率在设计中,我积极应用节能技术和设备,以提高建筑能源效率。
我重视建筑的外保温和隔热设计,减少能量的散失。
此外,我还采用高效的供暖、通风和空调系统,以减少能源的消耗。
同时,我鼓励使用可再生能源,如太阳能和风能。
我在建筑设计中充分考虑自然资源的利用,优化建筑方向和结构,以最大程度地利用太阳光和风力。
2.3 室内环境质量室内环境质量对用户的生活和工作有很大影响,我在设计中注重室内环境的舒适性和健康性。
我设计了科学合理的室内环境通风系统,以保证空气质量的合格。
我注重室内空气过滤和净化技术的应用,以降低室内甲醛、苯等有害物质的浓度。
此外,我还注重使用环保建材和家具,避免使用含有有害物质的建材。
我推崇使用环保低碳的材料和产品,以减少对室内环境的污染。
2.4 社会效益我认为绿建设计不仅关注环境和资源的可持续性,还应该考虑社会效益。
在设计中,我关注建筑与周围环境和谐相处,注重社区的和谐发展。
我在设计中尽量保留和利用自然景观,避免对周围环境的破坏。
我注重设计的人性化与可用性,以提供舒适和便捷的使用体验。
2.5 创新与发展作为一名绿建设计师,我积极追求创新与发展。
我持续学习绿建设计的最新理念和技术,与前沿领域的专业人士进行交流和合作。
在设计过程中,我尝试运用新材料、新技术和新思维,以提高设计的创新性和前瞻性。
绿色施工自我评价表
一、节能减排
1. 是否采取了节能降耗措施?
□是□否
措施包括:
□使用节能设备
□优化工艺流程
□加强能源管理
□其他:________________
2. 是否采取了减少污染物排放的措施?
□是□否
措施包括:
□安装污染治理设施
□使用环保材料
□优化生产工艺
□其他:________________
二、资源综合利用
3. 是否采取了综合利用资源的措施?
□是□否
措施包括:
□回收利用废弃物
□循环利用水资源
□再利用建筑废弃物
□其他:________________
三、生态环境保护
4. 是否采取了保护生态环境的措施?
□是□否
措施包括:
□减少对土地的占用
□保护现有植被
□控制噪声污染
□其他:________________
四、其他绿色施工措施
5. 是否采取了其他绿色施工措施?
□是□否
措施包括:
□使用可再生能源
□宣传绿色施工理念
□建立环境管理体系
□其他:________________
通过自评,我们将进一步加强绿色施工,为建设资源节约型和环境友好型社会贡献力量。
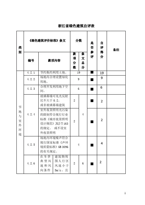
浙江省绿色建筑自评表类别《绿色建筑评价标准》条文分数是否参评自评得分备注编号款项内容款项分数条文总分节地与室外环境4.2.1 节约集约利用土地。
19 ■19 4.2.2场地内合理设置绿化用地。
9 ■94.2.3合理开发利用地下空间。
6 ■ 6 4.2.4玻璃幕墙可见光反射比不大于0.2。
或非玻璃幕墙建筑24■ 2室外夜景照明光污染的限制符合现行行业标准《城市夜景照明设计规范》JGJ/T 163的规定。
或不设室外夜景照明2 ■ 2 4.2.5场地内环境噪声符合现行国家标准《声环境质量标准》GB 3096的有关规定。
4 ■ 4 4.2.6在冬季典型风速和风向条件建筑物周围人行区风速小于5m/s ,且2 6 ■ 2下室外风速放大系数小于2除迎风第一排建筑外,建筑迎风面与背风面表面风压差不大于5Pa 或只有一排建筑1 ■1过渡季、夏季典型风速和风向条件下场地内人活动区不出现涡旋或无风区2 ■ 250% 以上可开启外窗室内外表面的风压差大于0.5Pa1 ■14.2.7 红线范围内户外活动场地有乔木、构筑物等遮阴措施的面积比例24■2超过 70% 的道路路面、建筑屋面的太阳辐射反射系数不小于0.42 □4.2.8 场地出入口到达公共汽车站的步行距离不大于500m,或到达轨3 9 □道交通站的步行距离不大于800m。
场地出入口步行距离800m 范围内设有2 条及以上线路的公共交通站点(含公共汽车站和轨道交通站)。
3 □有便捷的人行通道联系公共交通站点。
3 □4.2.9 有便捷的人行通道联系公共交通站点。
3 □4.2.10 自行车停车设施位置合理、方便出入,且有遮阳防雨措施36■ 3合理设置机动车停车设施3 ■ 34.2.11 提供便利的公共服务 6 ■ 34.2.12 结合现状地形地貌进行场地设计与建筑布局,保护场地内原有的自然水域、湿地和植被,采取表层土利用等生态补偿措施。
3 ■34.2.13 下凹式绿地、雨水花园等有调蓄雨水功能的绿地和水体的面积之和占绿地面积的比例达到30%;39□合理衔接和引导屋面雨水、道路雨水进入地面生态设施,并采取相应的径流污染控制措施;3 ■ 3 硬质铺装地面中透水 3 ■ 3铺装面积的比例达到50%。
附表1 广东省绿色建筑设计自评表一、设计依据1.《绿色建筑评价标准》GB/T503782.《广东省绿色建筑评价标准》DBJ/T15-833.《民用建筑绿色设计规范》JGJ/T2294.《公共建筑节能设计标准》GB501895.《夏热冬暖地区居住建筑节能设计标准》JGJ756.《声环境质量标准》GB30967.《民用建筑隔声设计规范》GB501188.《建筑采光设计标准》GB500339.《民用建筑热工设计规范》GB5017610.《民用建筑节水设计标准》GB5055511.《城市污水再生利用城市杂用水水质标准》GB/T1892012.《室外排水设计规范》GB5001413.《室外给水设计规范》GB5001314.《建筑给水排水设计规范》GB5001515.《民用建筑供暖通风与空气调节设计规范》GB5073616.《智能建筑设计标准》GB/T5031417.《民用建筑电气设计规范》JGJ1618.《建筑照明设计标准》GB5003419.《城市夜景照明设计规范》JGJ/T16320.《建筑幕墙》GB2108621.《广东省居住建筑节能设计标准》DBJ/T15-13322.《建筑外窗气密、水密、抗风压性能分级及其检测方法》GB710623.《建筑门窗玻璃幕墙热工计算规程》JGJ/T015124.《城市居住区热环境设计标准》JGJ28625.《建筑抗震设计规范》GB5001126.国家、省、市现行的相关法律、法规、规范性文件二、工程概况项目名称:项目地址:建筑类型:建筑功能:项目用地面积:㎡项目建筑面积:㎡,其中地上:㎡,地下:㎡建筑层数:层,其中地上:层,高度: m;地下:层,深度: m。
绿色建筑建设目标: 基本级 一星级 二星级 三星级申报绿色建筑的区域范围示意图:(应注明北向角度)三、绿色建筑设计自评表四、星级绿色建筑技术要求1、围护结构热工性能的提高比例为______;或建筑供暖空调负荷降低比例为______。
中施企协绿色施工自我评价表标题:深入探讨中施企协绿色施工自我评价表一、引言在当今社会,绿色施工已经成为建筑行业的热门话题。
中施企协绿色施工自我评价表作为评估绿色建筑施工水平的重要工具,其实际意义不可忽视。
本文将深入探讨中施企协绿色施工自我评价表的具体内容、意义和应用方法,以期帮助读者更好地理解和应用于实际工作中。
二、中施企协绿色施工自我评价表介绍中施企协绿色施工自我评价表是由我国建筑企业管理协会(中施企协)制定的一项用于评价建筑企业绿色施工水平的工具。
该评价表分为若干个方面,包括施工过程管理、资源利用、环境保护等内容,旨在帮助建筑企业自我评价自身在绿色施工方面的表现,并找出改进的空间。
通过填写评价表,建筑企业可以全面了解自身的绿色施工水平,找出不足之处并加以改进。
三、中施企协绿色施工自我评价表的主要内容1. 施工过程管理- 在施工过程中,建筑企业是否采取了合理的节能措施和管理方法?- 是否在施工现场做到了按照施工规范和标准进行人员管理和施工流程控制?- 是否与相关部门和单位建立了良好的沟通和协调机制,以共同推动绿色施工的实施和发展?2. 资源利用- 建筑企业在施工中是否合理利用了可再生资源和新型建筑材料?- 是否充分考虑了资源的可持续利用和再生利用问题?- 是否对施工过程中产生的废弃物进行了有效的分类、处理和利用?3. 环境保护- 在进行施工活动的过程中,建筑企业是否主动采取了保护环境的措施?- 是否对施工现场的环境风险进行了全面的评估和管理?- 是否充分尊重和保护了施工现场的生态环境,预防了环境污染和生态破坏?四、中施企协绿色施工自我评价表的意义和应用方法中施企协绿色施工自我评价表的意义在于帮助建筑企业全面了解自身在绿色施工方面的表现,并找出改进的空间。
通过填写评价表,建筑企业可以有针对性地开展绿色施工的改进和提高工作水平,为实现绿色建筑施工贡献力量。
在实际应用中,建筑企业可以结合自身的实际情况,逐项填写评价表中的内容,并根据评价结果找出存在的问题并制定改进方案。
绿色建筑自评估表什么是绿色建筑绿色建筑是指在设计、建造和运营过程中,最大程度地减少对环境的负面影响,提高建筑与自然环境的协调性和可持续性的建筑物。
绿色建筑不仅关注建筑本身的节能、节水、节材等方面,也注重建筑与环境的融合,创造良好的室内环境。
绿色建筑自评估的重要性绿色建筑自评估是评估建筑物在节能、环保、健康等方面符合绿色建筑标准的程度。
自评估的目的是为了帮助建筑物的设计者、建造者和使用者更好地了解建筑物的性能,发现问题并采取相应的改进措施。
通过自评估,可以提高建筑物的环境性能、减少资源消耗,促进可持续发展。
绿色建筑自评估表的内容绿色建筑自评估表是一种评估工具,用于评估建筑物的绿色性能。
它包括以下方面的内容:1. 能源效率•建筑物的能源消耗情况,包括供暖、制冷、照明等方面。
•使用的节能设备和技术,如太阳能电池板、LED灯等。
•建筑物的能源管理措施,如能源监测系统、能源管理计划等。
2. 水资源利用•建筑物的用水情况,包括供水、排水、雨水收集等方面。
•使用的节水设备和技术,如低流量水龙头、节水冲厕器等。
•建筑物的水资源管理措施,如雨水回收系统、水资源监测等。
3. 材料选择与循环利用•建筑物使用的材料来源和环境影响。
•使用的可再生材料和循环利用材料的比例。
•建筑物的废弃物管理措施,如分类回收、再利用等。
4. 室内环境质量•室内空气质量监测和控制措施,如通风系统、空气净化器等。
•建筑物的采光和自然通风情况。
•使用的环保材料和装饰材料,如低VOC涂料、环保地板等。
绿色建筑自评估的步骤进行绿色建筑自评估可以遵循以下步骤:1. 收集建筑物相关信息收集建筑物的设计图纸、施工记录、能源水资源使用数据等相关信息,对建筑物的性能进行全面了解。
2. 填写绿色建筑自评估表根据绿色建筑自评估表的内容,对建筑物的能源效率、水资源利用、材料选择与循环利用、室内环境质量等方面进行评估。
3. 分析评估结果根据自评估表的评估结果,分析建筑物在各个方面的表现,发现问题和改进的空间。
浙江省民用建筑绿色自评表项目名称:文教街道社区卫生服务中心迁建工程建设单位:宁波市江北区文教街道社区卫生服务中心设计单位:上海中森建筑与工程设计顾问有限公司设计负责:陈彩婷项目设计:邬文彬项目校对:李志勇设计审核:韩慧君填表时间:2017 年 01 月 12 日浙江省住房和城乡建设厅制二〇一七年一本篇是对本项目的绿色建筑预评估。
为贯彻执行节约资源和保护环境的国家技术经济政策,同时给业主提供一个了解绿色建筑的窗口,从国情出发,真正提高建筑节能的可操作性,以便后续的申报工作顺利开展。
1.1 、绿色建筑的概念和分类1.1 、绿色建筑的概念在建筑的全寿命周期内,最大限度地节约资源(节能、节地、节水、节材)、保护环境和减少污染,为人们提供健康、适用和高效的使用空间,与自然和谐共生的建筑。
绿色建筑的关键词是“四节一环保”,即节能、节地、节水、节材和保护环境。
1.2 、绿色建筑的分级目前分为三个等级,从低到高分别是一星级、二星级和三星级,分为居住建筑和公共建筑两类。
3个等级的绿色建筑均应满足本标准所有控制项的要求,且每类指标的评分项得分不应小于 40 分。
当绿色建筑总得分分别达到 50 分、 60 分、 80 分时,绿色建筑等级分别为一星级、二星级、三星级。
1.3.绿色建筑的分类绿色建筑评价标识分为“绿色建筑设计评价标识”和“绿色建筑评价标识”。
申请“绿色建筑设计评价标识”的住宅建筑和公共建筑,应当完成施工图设计并通过施工图审查、取得施工许可,符合国家基本建设程序和管理规定,以及相关的技术标准规范。
符合以上要求后方可参评,通过后颁发绿色建筑设计评价标识证书和标志(授牌)。
申请“绿色建筑评价标识”的住宅建筑和公共建筑,应当通过工程质量验收并投入使用一年以上,符合国家相关政策,未发生重大质量安全事故,无拖欠工资和工程款。
符合以上要求后方可参评,通过后颁发绿色建筑评价标识证书和标志(授牌)。
1.4 、绿色建筑的规范依据《绿色建筑评价标准》GB/T50378-2014《建筑绿色设计标准》DB33/1092-2016《绿色建筑评价技术细则》《绿色建筑评价技术指南》1.5 、条款分析根据《浙江省绿色建筑条例》第七条规定:城市、镇总体规划确定的城镇建设用地范围内新建民用建筑(农民自建住宅除外),应当按照一星级以上绿色建筑强制性标准进行建设。
浙江省绿色建筑自评表
结论
1、绿色建筑是指在建筑的全寿命周期内,最大限度地节约资源(节能、节地、节水、节材)、保护环境和减少污染,为人们提供健康、适用和高效的使用空间,与自然和谐共生的建筑。
绿色建筑评价是针对建筑全寿命周期进行评价。
本项目目前得分满足一星级要求,若建设单位有条件可与设计院应在项目后期深化阶段,重点落实预评估可优化项,综合考虑绿标的相关要求,完善落实各项设计做法,积极运用国家鼓励的可再生能源利用技术措施,更加有利于绿色技术的发挥,获得更佳的评价,优化后可满足绿色建筑设计更高星级标准的要求。
2、本项目绿色建筑星级评定应另行组织评估咨询,并应以《绿色建筑评价标准》GB/T50378-2014为评价依据。