矿山井巷工程断面尺寸计算表
- 格式:xls
- 大小:132.50 KB
- 文档页数:4
巷道断面图册说明一、巷道断面形状及支护形式根据矿区的地质特征、巷道的用途、服务年限以及各矿井巷道使用实践,兴源矿区矿井巷道的岩巷一般采用半园拱锚(锚网)喷支护,半煤巷一般采用梯形金属支护或U型金属支护,煤巷一般采用U型金属支护。
二、巷道断面尺寸主要根据《煤矿安全规程》的有关规定、矿井目前在用运输设备尺寸(8吨蓄电池电机车,轨距600,长×宽×高=2000×880×1550;1吨固定矿车,轨距600,长×宽×高=4500×1060×1150)及未来推行采掘机械化主要设备尺寸,行人宽度和安全间隙等,并满足矿井工作面风量需要进行设计,根据实践使用经验,矿井巷道断面尺寸一般确定为:(一)岩巷1.主要运输巷:水平顶(底)运输大巷、主运输石门、采区轨道上山,巷道规格要求净高不小于2.5m,净宽不小于2.6m。
支护形式:对稳定、稳定性较好岩层直接喷浆支护,喷浆厚度分别为20-30mm和50-70mm,对中等稳定或稳定性较差岩层,采用锚网喷支护。
(见图4)2.车场及硐室:机采工作面采区上、中部车场、区段运输石门(无机车运行),巷道规格净高不小于2.5m,净宽不小于3.2m;水平运输大巷车场、采区变电所及采区下部车场(有机车运行),巷道规格净高不小于2.8m,净宽不小于3.6m;中央变电所,巷道规格净高不小于3.0m,净宽不小于4.0m。
支护形式:对稳定、稳定性较好岩层直接喷浆支护,喷浆厚度分别为20-30mm 和70-100mm,对中等稳定或稳定性较差岩层,采用锚网喷支护。
(见图5、6、7)3.区段运输中巷:区段顶(底)运输巷、石门,巷道规格要求净高不小于2.4m,净宽不小于2.4m;支护形式:对稳定、稳定性较好岩层直接喷浆支护,喷浆厚度分别为20-30mm和50-70mm,对中等稳定或稳定性较差岩层,采用锚网喷支护。
(见图3)4.采区岩石上山:为采区溜煤、通风、行人服务。
(二)确定巷道拱高h 0半圆拱形巷道的拱高h 0=B/2=3900/2=1950mm 。
半圆拱半径R= h 0 =1950mm 。
(三)确定巷道壁高h 31.按架线电机车导电弓子要求确定h 3由《井巷工程》表4-4中半圆拱形巷道拱高公式得 h 3≥h 4+hc —212)(n)-(R b K +-式中,h4------轨面起电机车架线高度,按《煤矿安全规程》取h 4=2000mm ;hc------道床总高度。
查《井巷工程》表4-9选30.0kg/m 钢轨,再查《井巷工程》表4-11得hc=410mm,道渣高度h b =220mm ;n-------导电弓子距拱壁安全间距,取n=300mm;K-------导电弓子宽度之半,K=718/2=359,取K=360mm ; b-------轨道中线与巷道中线间距b 1=B/2—a 1=3900/2—1030=920mm 。
故h 3≥2000+410—22)209360()3001950(+--=1368.8mm 2.按管道装设要求确定h 3h 3≥h 5+h 7+h B —2222/K -R )(b D m +++式中,h5-------渣面至管子底高度,按《煤矿安全规程》取h 5=1800mm ;h 7-------管子悬吊件总高度,取h 7=900mm ; m--------导电弓子距管子间距,取m=300mm ; D--------压气管法兰盘直径,D=215mm ; b 2-------轨道中线与巷道中线间距,b 2=B/2—C 1=3900/2—1370=580mm 。
故h 3≥1800+900+200—22)5802/215300360(1950+++-=1305mm 。
3.按人行高度要求确定h 3h 3≥1800+h b —22j)-(R -R式中,j-------距巷道壁的距离。
距壁j 处的巷道有效高度不小于1800mm 。
一般取j=200mm 。
确定巷道净断面积尺寸一、课程设计的目的与任务1.目的井巷工程是矿山建设的主体工程,也是采矿工程专业学生学习的重要专业课程之一。
井巷工程作为一门主干课程,其实践性和应用性很强,本课程所学内容皆以实际工程为基础,在考查时应理论联系实际,加强实践环节的训练,故安排一周课程设计,以现场实际工程为例,每个学生做一份巷道施工设计,以培养学生独立分析问题和解决问题的能力。
2.任务在理论教学的基础上,结合认识实习,收集设计给出设计资料,由指导教师下达设计任务,以现场实际条件某煤矿运输大巷为例做施工设计,按照课程设计内容编写巷道施工作业规程,设计内容包括:设计说明书、施工图、表等。
二、基本要求1收集(给出)工程概况(1)井巷的位置、名称、用途、长度、坡度、类别、服务年限;(2)巷道顶板的性质、硬度、涌水量、瓦斯等有害气体情况;(3)巷道采用的运输方式、风量、管线类型。
2巷道断面设计(1)巷道设计的有关依据;(由设计任务提供或收集)(2)断面形状的选择;(3)确定巷道断面尺寸。
3巷道掘进4支护工作(1)支护方式;(2)支护施工工艺及设备;(3)支护过程材料消耗。
5辅助工作(1)掘进时的通风工作;(2)掘进测量工作;(3)管线敷设、水沟布置。
6附图:(1#图纸)原始条件:某矿井设计生产能力为500万吨/a,低瓦斯矿井,主运输巷道采用ZK14-9/550架线式电机车牵引5.0吨底卸式矿车运输。
围岩稳定,以砂岩为主(f=6),通过的最大风量60/h,井下最大涌水量为70/h,采用直径120mm的压气管,一趟70mm的供水管,两条动力电缆50mm,试设计双轨直线巷道断面,采用半圆拱型断面。
三、确定巷道断面为半圆拱型断面年产五百万吨的矿井,一般服务年限在20年以上,采用900mm的轨距双轨运输大巷,其净宽在3米以上,穿过稳定岩层,故采用螺纹钢树脂锚杆与喷射混凝土支护,半圆拱型断面。
四、确定巷道净断面积尺寸⑴确定巷道净宽度B查表2.2知ZK14-9/550电机车宽A1=1335mm,高h=1550mm,5.0t矿车宽1520mm,高1550mm.根据《煤矿安全规程》,取巷道人行宽度C=1100mm,非人行道一侧宽a=510mm,又查表2.3知该巷双规中线距b=1800mm,则两电机车之间距离为:1800mm-(1335/2+1335/2)mm=465mm故巷道净宽度:B=a+2A+c+t=510mm+(2*1520)mm+1100mm+465mm=5115mm⑵确定巷道拱高h0h0=B/2=5115mm/2=2557.5mm半圆拱半径R=h0=2557.5mm⑶确定巷道壁高h3①按架线式电机车导电弓子要求确定h3,由表2.5中半圆拱形巷道壁高公式,得:式中:h4―轨面起电机车架线高度,按《煤矿安全规程》取h4=2700mmHc―道床总高度,查表2.9选30kg/m钢轨,再查表2.11得hc=410mm,道渣高度hb=220mmn―导电弓子距拱璧安全间隙,取n=521mmK―导电弓子宽度之半,K=718mm/2=359mm,取K=360mmb1―轨道中线与巷道中线间距b1=B/2-a-A/2=2557.5mm-510mm-760mm=1287.5mm故h3≥2700+410-=1909.8mm②按管道装设要求确定h3式中:h5―渣面至管子底高度,按《煤矿安全规程》,取h5=2300mmh7―管子悬吊件总高度,取h7=1100mmm--导电弓子距管子间距,取m=832mmD--压气管法兰盘直径,D=335mmb2--轨道中线与巷道中线距离,b2=B/2-c-A/2=2557.5-1100-760=697.5mm故:=1800mm③按人行高度要求确定h3式中,j―距离j处的巷道有效高度不小于1800mm,j≥100,一般取j=200故h3=1800+220-=1028.5mm综上计算,并考虑一定的余量,确定该巷道壁高为h3=2100mm则巷道高度H=h3-hb+h0=2100-220+2557.5=4437.5mm⑷确定巷道净断面积S和净周长P由表2.6得净断面积:S=B(0.39B+h2)式中:h2―道渣面以上巷道壁高,h2=h3-hb=2100-220=1880mm故:S=5115(0.39*5115+1880)=19.8�O净周长P=2.57B+2h2=2.57*5115+2*1880=16.9m⑸用风速校核巷道净断面积查表2.8,知Vmax=8m/s,Vmin=1m/s已知通过大巷风量Q=60,代入式V=Q/S=60/19.8=3.03m/s满足规定要求,设计的大巷净断面积,风速没超过规定,可以使用⑹选择支护参数采用锚喷支护,根据巷道净宽5.115m,穿过中等稳定岩层即属Ⅲ类围岩,服务年限大于10年,确定选用锚固可靠,锚固力答的树脂锚杆,杆体为20mm螺纹钢,每孔安装两个树脂药卷,锚固长度≥700mm,设计锚固力≥80kN,锚杆长度2200mm,成方形布置,其间排距0.8m*0.8m,托板为8mm厚150mm*150mm的方形钢板.喷射厚度T1=100mm,支护厚度T=T1=100mm⑺选择道床参数根据该巷道通过的运输设备,已选用30kg/m钢轨,其道床参数hc,hb分别410mm和220mm,道渣面至轨面高度ha=hc-hb=190mm,采用钢筋混凝土轨枕.⑻确定巷道掘进断面尺寸由表2.6计算公式,得:巷道设计掘进宽度:B1=B+2T=5115+2*100=5315mm巷道计算掘进宽度:B2=B1+2=5315+2*75=5465mm巷道设计掘进高度:H1=H+hb+T=4437.5+220+100=4757.5mm巷道计算掘进高度:H2=H1+=4757.5+75=4832.5mm巷道设计掘进断面面积:S1=B1(0.39B1+h3)=5315(0.39*5315+2100)=22.18�O巷道设计掘进断面积:S2=B2(0.39B2+h3)=5465(0.39*5465+2100)=23.12�O五、布置巷道内水沟和管缆已知通过巷道的水量为70/h,现采用水沟坡度4‰,查表2.12得水沟深350mm,水沟宽300,水沟净断面积0.105�O,水沟掘进断面积0.144�O,每米水沟盖板用钢筋1.366kg,混凝土0.0226,水沟用混凝土0.114,管子悬吊在人行道一侧,电力电缆挂在非人行道一侧,通信电缆挂在管子上方.六、计算巷道掘进工程量及材料消耗量由表2.6计算公式得每米巷道拱与墙计算掘进体积:V1=S2*1=23.12每米巷道墙脚计算掘进体积:V2=0.2(T+)*1=0.2*(0.1+0.075)=0.04每米巷道拱与墙喷射材料消耗V3=[1.57(B2-T1)T1+2h3T1]*1=[1.57(5.465-0.1)*0.1+2*2.1*0.1]*1=1.26每米巷道墙脚喷射材料消耗V4=0.2T1*1=0.2*0.1*1=0.02每米巷道喷射材料消耗(不包括损失)V=V3+V4=1.26+0.02=1.28每米巷道锚杆消耗N=式中:P1―计算锚杆消耗周长,P1=1.57B2+2h3=1.57*5.465+2*2.1=12.78ma,a’―锚杆间距、排距,a=a’=0.8m故N==19.3根折合质量为=99.78kg式中:l―锚杆长度,l=2.2md--锚杆直径,d=20mm--锚杆材料密度,=7850kg/每排锚杆数N*0.8=19.3*0.8=15.44根每米巷道粉刷面积Sn=1.57B3+2h2式中,B3―计算净宽,B3=B2-2T=5.465-2*0.1=5.265m故Sn=1.57*5.265+2*1.88=12�O七、绘制巷道断面施工图、编制巷道特征表和每米巷道工程量及材料消耗量表根据以上计算结果,按1:10比例绘制出巷道断面施工图,并附上运输大巷特征表及运输大巷每米工程量及材料消耗表.八、课程设计总结《井巷工程》是一门理论与实践结合性很强的课程,而这次我们在曹老师指导下所进行的井巷工程课程设计就达到了理论与实践的完美结合。
二、确定巷道断面尺寸(一)确定巷道净宽度B0查表得知ZK3—/250架线式电机车牵引0.75m3矿车。
ZK3—/250架线式电机车宽b=980㎜,高h=1550㎜;0.75m3矿车宽980mm,高:1050mm。
根据《煤矿安全规程》,非人行道一侧宽b1=450㎜。
取巷道人行道宽C=1120㎜,故巷道净宽度B0=a1+b1+c=980+450+970=2400㎜。
坑道内采用18kg/m钢轨敷设,(查表得:底板距离轨面水平h6=320,道渣距底板的高度h5=200)轨距600mm。
(二)确定巷道拱高f0半圆拱巷道拱高f0=B/3=2400/3=800㎜大圆弧半径R=0.692B0=1660mm小圆弧半径r=0.261B0=626mm(三)确定巷道壁高h31.电机车架线要求规定。
设置架线导电弓子宽度的1/2为400,即K=400mm,架线至轨面高度,(根据《煤矿安全规程2012版》运输平巷,电源电压低于500V时,悬挂高度不低于1.8m;电源电压高于500V时,不低于2m)。
取H=1800mm,a=b1+1/2b=450+490=940因为=0.6>0.554时所以得:=1620=0.48<0.554时=式中:H——架线至轨面高度,取H=1800mm;h4——道渣至轨面高度;f0——巷道拱高;R——大圆半径b1——非人行道一侧宽;B0——故巷道净宽度;K——电机车架线弓宽度之半,取400。
a——非人行道线路一侧线路的中心至墙的距离。
2、按照行人要求确定。
计算结果为ℎ3=1800−√r2−(r−100)2=1460根据以上计算,h3取最大值得2000mm则,巷道的净高度H0=fo+h3=800+2000=2800mm。
(四)确定巷道净断面面积S和净周长P由《井巷工程》查表得净断面积 S=B×(0.263B+h3)S=2400×(0.623×2400+2000)=6300mm3净周长P=2.33BO′+2 h3 P=2.33×2500+2×2000=9800mmBO′= BO+2倍锚杆外露的长度=2400+2 ×50=2500mm。
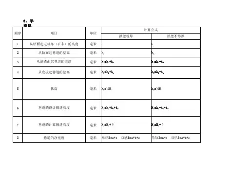
3、半圆拱形巷道断面尺寸计算公式日产一吨煤需要的风量巷道允许最高风速(米/秒)h c -轨面至巷道底板高度, h b -道渣面至底板高度,道渣面至轨面高度ha=hc-h ba 、c为轨道中心线到巷道两边的距离。
按照标准设计,设备宽度边离巷道边300毫米,行人道距离740毫米。
注:通常有水沟一侧基础深m 1=500mm,无水沟一侧基础深m 2=250mm,e-水沟墙与拱壁距离,值随水沟的砌法不同而定,一般采用e=50mm,或e=0; 壁后充填δ=50mm, Vm为巷道允许通过的最高风速,米/秒。
d 0和T为壁厚度(即砌碹厚度),拱形巷道水沟尺寸及材料消耗表梯形巷道水沟尺寸及材料消耗表注: 水沟规格可根据通过巷道的排水量按上表选取。
三心拱形巷道断面尺寸计算公式每米三心拱形巷道掘砌工程量计算公式圆弧拱形巷道断面尺寸计算公式园弧拱形及三心园拱部几何参数半圆拱形巷道断面计算表料石或砖砌巷道拱壁厚度三心拱形巷道断面尺寸计算表注: 壁高h3的确定拱形巷道的壁高是巷道底板到拱基线的高度,应根据电机车架线、管线架设和人行要求分别进行计算确定(详见设计资料)。
其原则是:1、采用架线式电机车运输时,要求电机车导电弓外缘与拱壁距离不小于200毫米,。
2、顶部装设管道的主要运输大巷,当采用蓄电池电机车运输时,管子最下边应满足1800毫米的行人高度;采用架线式电机 车运输时,还应要求导电弓与管子距离不得小于300毫米。
3、采用蓄电池电机车或人力推车运输时,由于车身高度都比成人身高小,此时壁高应保证行人遇车靠壁站立时,在距壁100毫米处的巷道有效净高度不小于1800毫米。
每米三心拱形巷道掘砌工程量计算表圆弧拱形巷道断面尺寸计算表(园弧三心拱)每米圆弧拱形巷道断面掘砌工程量计算表0.1400.1700 0.025 0.1950 0.1938 0.1950 0.08500.17。
二、确定巷道断面尺寸(一)确定巷道净宽度B0查表得知ZK3—/250架线式电机车牵引0.75m3矿车。
ZK3—/250架线式电机车宽b=980㎜,高h=1550㎜;0.75m3矿车宽980mm,高:1050mm。
根据《煤矿安全规程》,非人行道一侧宽b1=450㎜。
取巷道人行道宽C=1120㎜,故巷道净宽度B0=a1+b1+c=980+450+970=2400(查表得:底板距离轨面水平h6=320,㎜。
坑道内采用18kg/m钢轨敷设,道渣距底板的高度h5=200)轨距600mm。
(二)确定巷道拱高f0半圆拱巷道拱高f0=B/3=2400/3=800㎜大圆弧半径R=0.692B0=1660mm小圆弧半径r=0.261B0=626mm(三)确定巷道壁高h31.电机车架线要求规定。
设置架线导电弓子宽度的1/2为400,即K=400mm,架线至轨面高度,(根据《煤矿安全规程2012版》运输平巷,电源电压低于500V时,悬挂高度不低于1.8m;电源电压高于500V时,不低于2m)。
取H=1800mm,a=b1+1/2b=450+490=940因为=0.6>0.554时所以得:=1620=0.48<0.554时=式中:H——架线至轨面高度,取H=1800mm;h4——道渣至轨面高度;f0——巷道拱高;R——大圆半径b1——非人行道一侧宽;B0——故巷道净宽度;K——电机车架线弓宽度之半,取400。
a——非人行道线路一侧线路的中心至墙的距离。
2、按照行人要求确定。
计算结果为ℎ3=1800−r2−(r−100)2=1460根据以上计算,h3取最大值得2000mm则,巷道的净高度H0=fo+h3=800+2000=2800mm。
(四)确定巷道净断面面积S和净周长P由《井巷工程》查表得净断面积 S=B×(0.263B+h3)S=2400×(0.623×2400+2000)=6300mm3净周长P=2.33BO′+2 h3P=2.33×2500+2×2000=9800mmBO′= BO+2倍锚杆外露的长度=2400+2 ×50=2500mm文案编辑词条B 添加义项?文案,原指放书的桌子,后来指在桌子上写字的人。
巷道断面图册说明一、巷道断面形状及支护形式根据矿区的地质特征、巷道的用途、服务年限以及各矿井巷道使用实践,兴源矿区矿井巷道的岩巷一般采用半园拱锚(锚网)喷支护,半煤巷一般采用梯形金属支护或U型金属支护,煤巷一般采用U型金属支护。
二、巷道断面尺寸主要根据《煤矿安全规程》的有关规定、矿井目前在用运输设备尺寸(8吨蓄电池电机车,轨距600,长×宽×高=2000×880×1550;1吨固定矿车,轨距600,长×宽×高=4500×1060×1150)及未来推行采掘机械化主要设备尺寸,行人宽度和安全间隙等,并满足矿井工作面风量需要进行设计,根据实践使用经验,矿井巷道断面尺寸一般确定为:(一)岩巷1.主要运输巷:水平顶(底)运输大巷、主运输石门、采区轨道上山,巷道规格要求净高不小于2.5m,净宽不小于2.6m。
支护形式:对稳定、稳定性较好岩层直接喷浆支护,喷浆厚度分别为20-30mm和50-70mm,对中等稳定或稳定性较差岩层,采用锚网喷支护。
(见图4)2.车场及硐室:机采工作面采区上、中部车场、区段运输石门(无机车运行),巷道规格净高不小于2.5m,净宽不小于3.2m;水平运输大巷车场、采区变电所及采区下部车场(有机车运行),巷道规格净高不小于2.8m,净宽不小于3.6m;中央变电所,巷道规格净高不小于3.0m,净宽不小于4.0m。
支护形式:对稳定、稳定性较好岩层直接喷浆支护,喷浆厚度分别为20-30mm 和70-100mm,对中等稳定或稳定性较差岩层,采用锚网喷支护。
(见图5、6、7)3.区段运输中巷:区段顶(底)运输巷、石门,巷道规格要求净高不小于2.4m,净宽不小于2.4m;支护形式:对稳定、稳定性较好岩层直接喷浆支护,喷浆厚度分别为20-30mm和50-70mm,对中等稳定或稳定性较差岩层,采用锚网喷支护。
(见图3)4.采区岩石上山:为采区溜煤、通风、行人服务。
符号示意图
A———矩形净断面长边边长度,m
A1————矩形掘进断面长边边长度,m B———矩形、拱形巷道净宽度,m
B1———矩形、拱形巷道掘进宽度,m b————壁座厚度,m
b1梯形净上宽,m
b2梯形净下宽,m
b3梯形掘进上宽,m
b4梯形掘进下宽,m
C————矩形断面短边长度,m
C1————矩形掘进断面短边长度,m D————井筒净直径,m
D1————井筒掘进直径,m
D2————壁座最大掘进直径,m d————拱顶支护厚度,m
d0————底拱厚度,m
T————墙壁支护厚度,m
δ————超过设计规定部分厚度,m
h0————净断面拱高,m
h1————自巷道掘进底板面算起的墙高,m h2————巷道净高,m
h3————巷道掘进高度,m
h4————圆形竖井壁座高度,m
K1————位于水沟侧墙基础深度,m
K2————无水沟侧墙基础深度,m
L1————两支架间横撑长度,m
L2————支架横梁长度,m
L3————支架柱腿长度,m
L4、L5————两柱腿长度,m
n————每m支架数,架
n1————两框架立柱根数,根
V A1、V C1、V L1、V L2、V L3、V L4、V L5————分别代表长度为A1、C1、L1、L2、L4、L5的木材体积,m3
注:以上计算公式只供参考,不作为科学计算依据。
采矿井巷工程巷道断面图集————————————————————————————————作者:————————————————————————————————日期:巷道断面图册说明一、巷道断面形状及支护形式根据矿区的地质特征、巷道的用途、服务年限以及各矿井巷道使用实践,兴源矿区矿井巷道的岩巷一般采用半园拱锚(锚网)喷支护,半煤巷一般采用梯形金属支护或U型金属支护,煤巷一般采用U型金属支护。
二、巷道断面尺寸主要根据《煤矿安全规程》的有关规定、矿井目前在用运输设备尺寸(8吨蓄电池电机车,轨距600,长×宽×高=2000×880×1550;1吨固定矿车,轨距600,长×宽×高=4500×1060×1150)及未来推行采掘机械化主要设备尺寸,行人宽度和安全间隙等,并满足矿井工作面风量需要进行设计,根据实践使用经验,矿井巷道断面尺寸一般确定为:(一)岩巷1.主要运输巷:水平顶(底)运输大巷、主运输石门、采区轨道上山,巷道规格要求净高不小于2.5m,净宽不小于2.6m。
支护形式:对稳定、稳定性较好岩层直接喷浆支护,喷浆厚度分别为20-30mm和50-70mm,对中等稳定或稳定性较差岩层,采用锚网喷支护。
(见图4)2.车场及硐室:机采工作面采区上、中部车场、区段运输石门(无机车运行),巷道规格净高不小于2.5m,净宽不小于3.2m;水平运输大巷车场、采区变电所及采区下部车场(有机车运行),巷道规格净高不小于2.8m,净宽不小于3.6m;中央变电所,巷道规格净高不小于3.0m,净宽不小于4.0m。
支护形式:对稳定、稳定性较好岩层直接喷浆支护,喷浆厚度分别为20-30mm 和70-100mm,对中等稳定或稳定性较差岩层,采用锚网喷支护。
(见图5、6、7)3.区段运输中巷:区段顶(底)运输巷、石门,巷道规格要求净高不小于2.4m,净宽不小于2.4m;支护形式:对稳定、稳定性较好岩层直接喷浆支护,喷浆厚度分别为20-30mm和50-70mm,对中等稳定或稳定性较差岩层,采用锚网喷支护。