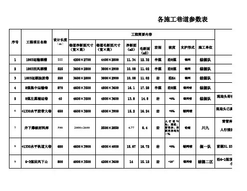
巷道断面尺寸计算表
- 格式:xls
- 大小:157.50 KB
- 文档页数:37
(二)确定巷道拱高h o半圆拱形巷道的拱高h o=B/2=39OO/2=195Omm半圆拱半径R= h o =1950mm(三)确定巷道壁高h31. 按架线电机车导电弓子要求确定h3由《井巷工程》表4-4中半圆拱形巷道拱高公式得2 2h 3>h4+hc—. (R - n) (K b i)式中,h4——轨面起电机车架线高度,按《煤矿安全规程》取h4=2000mm hc——道床总高度。
查《井巷工程》表4-9选30.0kg/m钢轨,再查《井巷工程》表4-11得hc=410mm道渣高度h b=220mm n——导电弓子距拱壁安全间距,取n=300mm;K ------ 导电弓子宽度之半,K=718/2=359,取K=360mmb——轨道中线与巷道中线间距b1=B/2—a1 =3900/2 —1030=920mm故h3> 2000+410- ..(1950 300)2(360 920)2 =1368.8mm2. 按管道装设要求确定h3h3 > h5+h7+h B—«R2-(K m D/2 b2)2式中,h5 ------- 渣面至管子底高度,按《煤矿安全规程》取h5=1800mm h7------- 管子悬吊件总高度,取h7=900mmm ------- 导电弓子距管子间距,取m=300m;D ------- 压气管法兰盘直径,D=215m;b2------- 轨道中线与巷道中线间距,b2=B/2—C1=3900/2 —1370=580mm故h3> 1800+900+200- 19502 (360 300 215/2 580)2 =1305mm3. 按人行高度要求确定h3h 3> 1800+h b—■ R2-(R-j)2式中,j ------ 距巷道壁的距离。
距壁j处的巷道有效高度不小于1800mm一般取j=200mmhb ----- 道渣高度220mm故h3> 1800+220- 19502一(1950一200)2 =1159.8mm综上计算,并考虑一定的余量,确定本巷道壁高为h3=1450mm则巷道高度H=h B—h b+h0=1450— 220+1950=3180mm(四)确定巷道净断面面积S和净周长P由《井巷工程》表4-8得净断面积S=B(0.39B+h2)式中,h2 ------- 道渣面以上巷道壁高,h2=h3—h b=1450-220=1230mm2 2故S=3900X (0.39 X 3900+1230)=10728900mm=10.8m净周长P=2.57B+2g=2.57 X 3900+2X 1230=12483mm=12.5m(五)用风速校核巷道净断面面积用《井巷工程》式(4-6)校核巷道净断面面积值。
巷道断面设计一、选择巷道断面形状本矿年产10Mt吨/年,且为现代化大型矿井,即综合机械化采煤矿井,矿井的第一水平东辅助运输大巷,服务年限在81a以上,采用600毫米轨距双轨运输的巷道,其净宽大于3米,大巷穿过的岩层有砂岩、泥岩,主要以砂岩为主,围岩f值为3~5,为II类稳定性较好岩层,故选用钢筋砂浆锚杆与喷射混凝土支护,直墙半圆拱断面。
二、确定巷道断面尺寸1、确定巷道净宽度B本矿采用ZK7-6/250架线电机车,宽A1=1060mm、高h=1550mm;1.5吨矿车宽A=1050mm、高h=1150mm。
根据《煤矿安全规程》并参照标准设计,取巷道人行道宽C=1m、非人行道一侧宽a=0.5 m,查表4-3知本巷双轨中心线b=1300mm,则两电机车之间的距离为t=240mm。
故巷道净宽度为:B=a +2A1+c+t=500+2*1060+1000+240=3860 mm,按只进不舍的原则以0.1m近级,取B=3.9m。
2、确定巷道拱高h0半圆拱巷道拱高h 0=B/2=3900/2=1950mm,半圆拱巷道半径R=h0=1950mm。
3、确定巷道墙高h3三、轨道参数选择根据采用的运输设备,选用12kg/m的钢轨;采用木头轨枕。
四、确定巷道墙高h31、按架线电机车导电弓子要求确定h3已知:r=576mm;A=1200/2+300=900mm取K=400mm,则cosβ=r-A+K/r-250=576-900+400/576-250=0.233<0.554表明导电子已进入大圆弧范围内,根据《安全规程》取H1=2000mm 故h3h3= H1+h6-√(R-250)2-(k+Z)2+R-f=2000+100-√(1522-250)2-(360+200)2+1522-733=1747mmK——导电弓子宽度之半,查表取K=718/2=359,取K=360mm Z——巷道中心线与轨道中心线的间距,Z=2200/2-(1200/2+300)=200mm2、按行人要求确定墙高h3h3= 1900+h5-√r2-(r-100)2=1900+100-√5762-(576-100)2=1676mmn——导电弓子距拱壁安全间距,取n=300毫米;3、按管道装设要求确定h3根据现场实际情况布置管道,只要满足《安全规程》即可。
煤矿巷道断面图册说明-CAL-FENGHAI.-(YICAI)-Company One1煤矿巷道断面图册说明一、巷道断面形状及支护形式根据矿区的地质特征、巷道的用途、服务年限以及各矿井巷道使用实践,矿区矿井巷道的岩巷一般采用半园拱锚(锚网)喷支护,半煤巷一般采用梯形金属支护或U型金属支护,煤巷一般采用U型金属支护。
二、巷道断面尺寸主要根据《煤矿安全规程》的有关规定、矿井目前在用运输设备尺寸(8吨蓄电池电机车,轨距600,长×宽×高=2000×880×1550;1吨固定矿车,轨距600,长×宽×高=4500×1060×1150)及未来推行采掘机械化主要设备尺寸,行人宽度和安全间隙等,并满足矿井工作面风量需要进行设计,根据实践使用经验,矿井巷道断面尺寸一般确定为:(一)岩巷1.主要运输巷:水平顶(底)运输大巷、主运输石门、采区轨道上山,巷道规格要求净高不小于2.5m,净宽不小于2.6m。
支护形式:对稳定、稳定性较好岩层直接喷浆支护,喷浆厚度分别为20-30mm和50-70mm,对中等稳定或稳定性较差岩层,采用锚网喷支护。
(见图4)2.车场及硐室:机采工作面采区上、中部车场、区段运输石门(无机车运行),巷道规格净高不小于2.5m,净宽不小于3.2m;水平运输大巷车场、采区变电所及采区下部车场(有机车运行),巷道规格净高不小于2.8m,净宽不小于3.6m;中央变电所,巷道规格净高不小于3.0m,净宽不小于4.0m。
支护形式:对稳定、稳定性较好岩层直接喷浆支护,喷浆厚度分别为20-30mm和70-100mm,对中等稳定或稳定性较差岩层,采用锚网喷支护。
(见图5、6、7)3.区段运输中巷:区段顶(底)运输巷、石门,巷道规格要求净高不小于2.4m,净宽不小于2.4m;支护形式:对稳定、稳定性较好岩层直接喷浆支护,喷浆厚度分别为20-30mm和50-70mm,对中等稳定或稳定性较差岩层,采用锚网喷支护。
确定巷道净断面积尺寸一、课程设计的目的与任务1.目的井巷工程是矿山建设的主体工程,也是采矿工程专业学生学习的重要专业课程之一。
井巷工程作为一门主干课程,其实践性和应用性很强,本课程所学内容皆以实际工程为基础,在考查时应理论联系实际,加强实践环节的训练,故安排一周课程设计,以现场实际工程为例,每个学生做一份巷道施工设计,以培养学生独立分析问题和解决问题的能力。
2.任务在理论教学的基础上,结合认识实习,收集设计给出设计资料,由指导教师下达设计任务,以现场实际条件某煤矿运输大巷为例做施工设计,按照课程设计内容编写巷道施工作业规程,设计内容包括:设计说明书、施工图、表等。
二、基本要求1收集(给出)工程概况(1)井巷的位置、名称、用途、长度、坡度、类别、服务年限;(2)巷道顶板的性质、硬度、涌水量、瓦斯等有害气体情况;(3)巷道采用的运输方式、风量、管线类型。
2巷道断面设计(1)巷道设计的有关依据;(由设计任务提供或收集)(2)断面形状的选择;(3)确定巷道断面尺寸。
3巷道掘进4支护工作(1)支护方式;(2)支护施工工艺及设备;(3)支护过程材料消耗。
5辅助工作(1)掘进时的通风工作;(2)掘进测量工作;(3)管线敷设、水沟布置。
6附图:(1#图纸)原始条件:某矿井设计生产能力为500万吨/a,低瓦斯矿井,主运输巷道采用ZK14-9/550架线式电机车牵引5.0吨底卸式矿车运输。
围岩稳定,以砂岩为主(f=6),通过的最大风量60/h,井下最大涌水量为70/h,采用直径120mm的压气管,一趟70mm的供水管,两条动力电缆50mm,试设计双轨直线巷道断面,采用半圆拱型断面。
三、确定巷道断面为半圆拱型断面年产五百万吨的矿井,一般服务年限在20年以上,采用900mm的轨距双轨运输大巷,其净宽在3米以上,穿过稳定岩层,故采用螺纹钢树脂锚杆与喷射混凝土支护,半圆拱型断面。
四、确定巷道净断面积尺寸⑴确定巷道净宽度B查表2.2知ZK14-9/550电机车宽A1=1335mm,高h=1550mm,5.0t矿车宽1520mm,高1550mm.根据《煤矿安全规程》,取巷道人行宽度C=1100mm,非人行道一侧宽a=510mm,又查表2.3知该巷双规中线距b=1800mm,则两电机车之间距离为:1800mm-(1335/2+1335/2)mm=465mm故巷道净宽度:B=a+2A+c+t=510mm+(2*1520)mm+1100mm+465mm=5115mm⑵确定巷道拱高h0h0=B/2=5115mm/2=2557.5mm半圆拱半径R=h0=2557.5mm⑶确定巷道壁高h3①按架线式电机车导电弓子要求确定h3,由表2.5中半圆拱形巷道壁高公式,得:式中:h4―轨面起电机车架线高度,按《煤矿安全规程》取h4=2700mmHc―道床总高度,查表2.9选30kg/m钢轨,再查表2.11得hc=410mm,道渣高度hb=220mmn―导电弓子距拱璧安全间隙,取n=521mmK―导电弓子宽度之半,K=718mm/2=359mm,取K=360mmb1―轨道中线与巷道中线间距b1=B/2-a-A/2=2557.5mm-510mm-760mm=1287.5mm故h3≥2700+410-=1909.8mm②按管道装设要求确定h3式中:h5―渣面至管子底高度,按《煤矿安全规程》,取h5=2300mmh7―管子悬吊件总高度,取h7=1100mmm--导电弓子距管子间距,取m=832mmD--压气管法兰盘直径,D=335mmb2--轨道中线与巷道中线距离,b2=B/2-c-A/2=2557.5-1100-760=697.5mm故:=1800mm③按人行高度要求确定h3式中,j―距离j处的巷道有效高度不小于1800mm,j≥100,一般取j=200故h3=1800+220-=1028.5mm综上计算,并考虑一定的余量,确定该巷道壁高为h3=2100mm则巷道高度H=h3-hb+h0=2100-220+2557.5=4437.5mm⑷确定巷道净断面积S和净周长P由表2.6得净断面积:S=B(0.39B+h2)式中:h2―道渣面以上巷道壁高,h2=h3-hb=2100-220=1880mm故:S=5115(0.39*5115+1880)=19.8�O净周长P=2.57B+2h2=2.57*5115+2*1880=16.9m⑸用风速校核巷道净断面积查表2.8,知Vmax=8m/s,Vmin=1m/s已知通过大巷风量Q=60,代入式V=Q/S=60/19.8=3.03m/s满足规定要求,设计的大巷净断面积,风速没超过规定,可以使用⑹选择支护参数采用锚喷支护,根据巷道净宽5.115m,穿过中等稳定岩层即属Ⅲ类围岩,服务年限大于10年,确定选用锚固可靠,锚固力答的树脂锚杆,杆体为20mm螺纹钢,每孔安装两个树脂药卷,锚固长度≥700mm,设计锚固力≥80kN,锚杆长度2200mm,成方形布置,其间排距0.8m*0.8m,托板为8mm厚150mm*150mm的方形钢板.喷射厚度T1=100mm,支护厚度T=T1=100mm⑺选择道床参数根据该巷道通过的运输设备,已选用30kg/m钢轨,其道床参数hc,hb分别410mm和220mm,道渣面至轨面高度ha=hc-hb=190mm,采用钢筋混凝土轨枕.⑻确定巷道掘进断面尺寸由表2.6计算公式,得:巷道设计掘进宽度:B1=B+2T=5115+2*100=5315mm巷道计算掘进宽度:B2=B1+2=5315+2*75=5465mm巷道设计掘进高度:H1=H+hb+T=4437.5+220+100=4757.5mm巷道计算掘进高度:H2=H1+=4757.5+75=4832.5mm巷道设计掘进断面面积:S1=B1(0.39B1+h3)=5315(0.39*5315+2100)=22.18�O巷道设计掘进断面积:S2=B2(0.39B2+h3)=5465(0.39*5465+2100)=23.12�O五、布置巷道内水沟和管缆已知通过巷道的水量为70/h,现采用水沟坡度4‰,查表2.12得水沟深350mm,水沟宽300,水沟净断面积0.105�O,水沟掘进断面积0.144�O,每米水沟盖板用钢筋1.366kg,混凝土0.0226,水沟用混凝土0.114,管子悬吊在人行道一侧,电力电缆挂在非人行道一侧,通信电缆挂在管子上方.六、计算巷道掘进工程量及材料消耗量由表2.6计算公式得每米巷道拱与墙计算掘进体积:V1=S2*1=23.12每米巷道墙脚计算掘进体积:V2=0.2(T+)*1=0.2*(0.1+0.075)=0.04每米巷道拱与墙喷射材料消耗V3=[1.57(B2-T1)T1+2h3T1]*1=[1.57(5.465-0.1)*0.1+2*2.1*0.1]*1=1.26每米巷道墙脚喷射材料消耗V4=0.2T1*1=0.2*0.1*1=0.02每米巷道喷射材料消耗(不包括损失)V=V3+V4=1.26+0.02=1.28每米巷道锚杆消耗N=式中:P1―计算锚杆消耗周长,P1=1.57B2+2h3=1.57*5.465+2*2.1=12.78ma,a’―锚杆间距、排距,a=a’=0.8m故N==19.3根折合质量为=99.78kg式中:l―锚杆长度,l=2.2md--锚杆直径,d=20mm--锚杆材料密度,=7850kg/每排锚杆数N*0.8=19.3*0.8=15.44根每米巷道粉刷面积Sn=1.57B3+2h2式中,B3―计算净宽,B3=B2-2T=5.465-2*0.1=5.265m故Sn=1.57*5.265+2*1.88=12�O七、绘制巷道断面施工图、编制巷道特征表和每米巷道工程量及材料消耗量表根据以上计算结果,按1:10比例绘制出巷道断面施工图,并附上运输大巷特征表及运输大巷每米工程量及材料消耗表.八、课程设计总结《井巷工程》是一门理论与实践结合性很强的课程,而这次我们在曹老师指导下所进行的井巷工程课程设计就达到了理论与实践的完美结合。
二、确定巷道断面尺寸(一)确定巷道净宽度B0查表得知ZK3—/250架线式电机车牵引0.75m3矿车。
ZK3—/250架线式电机车宽b=980㎜,高h=1550㎜;0.75m3矿车宽980mm,高:1050mm。
根据《煤矿安全规程》,非人行道一侧宽b1=450㎜。
取巷道人行道宽C=1120㎜,故巷道净宽度B0=a1+b1+c=980+450+970=2400㎜。
坑道内采用18kg/m钢轨敷设,(查表得:底板距离轨面水平h6=320,道渣距底板的高度h5=200)轨距600mm。
(二)确定巷道拱高f0半圆拱巷道拱高f0=B/3=2400/3=800㎜大圆弧半径R=0.692B0=1660mm小圆弧半径r=0.261B0=626mm(三)确定巷道壁高h31.电机车架线要求规定。
设置架线导电弓子宽度的1/2为400,即K=400mm,架线至轨面高度,(根据《煤矿安全规程2012版》运输平巷,电源电压低于500V时,悬挂高度不低于1.8m;电源电压高于500V时,不低于2m)。
取H=1800mm,a=b1+1/2b=450+490=940因为=0.6>0.554时所以得:=1620=0.48<0.554时=式中:H——架线至轨面高度,取H=1800mm;h4——道渣至轨面高度;f0——巷道拱高;R——大圆半径b1——非人行道一侧宽;B0——故巷道净宽度;K——电机车架线弓宽度之半,取400。
a——非人行道线路一侧线路的中心至墙的距离。
2、按照行人要求确定。
计算结果为ℎ3=1800−√r2−(r−100)2=1460根据以上计算,h3取最大值得2000mm则,巷道的净高度H0=fo+h3=800+2000=2800mm。
(四)确定巷道净断面面积S和净周长P由《井巷工程》查表得净断面积 S=B×(0.263B+h3)S=2400×(0.623×2400+2000)=6300mm3净周长P=2.33BO′+2 h3 P=2.33×2500+2×2000=9800mmBO′= BO+2倍锚杆外露的长度=2400+2 ×50=2500mm。
一、常见断面面积计算:
1、半圆拱形面积=巷宽×(巷高+0.39×巷宽)
2、三心拱形面积=巷宽×(巷高+0.26×巷宽)
3、梯形面积=(上底+下底)×巷高÷2
4、矩形面积=巷宽×巷高
巷道断面积计算
⒈矩形巷道断面积:S=B×h,m2
S—巷道断面积,m2
B—矩形巷道宽度,m
h—矩形巷道高度,m
⒉梯形巷道断面积
S=(B1+B2) ×h/2 m2
B1—梯形巷道上部宽度,m
B2—梯形巷道下部宽度,m
S—巷道断面积,m2
h—巷道高度,m
⒊圆形巷道断面积
S=D2л/4 或S=0.7854D2
S—巷道断面积,m2
D—圆形巷道直径
⒋三心拱形巷道断面积
S= B(0.26B+h)
B—巷道宽度,m
h—巷道的基高度,m
⒌半圆拱形巷道断面积
S=B2л/8+Bh = 0.3927B2+B×h 或S=B2×л/8 +B(H-B/2) B—巷道宽度,m
h—巷道的基高度,m
H—巷道的总高度,m。
(二)确定巷道拱高h 0半圆拱形巷道的拱高h 0=B/2=3900/2=1950mm 。
半圆拱半径R= h 0 =1950mm 。
(三)确定巷道壁高h 31.按架线电机车导电弓子要求确定h 3由《井巷工程》表4-4中半圆拱形巷道拱高公式得 h 3≥h 4+hc —212)(n)-(R b K +-式中,h4------轨面起电机车架线高度,按《煤矿安全规程》取h 4=2000mm ;hc------道床总高度。
查《井巷工程》表4-9选30.0kg/m 钢轨,再查《井巷工程》表4-11得hc=410mm,道渣高度h b =220mm ;n-------导电弓子距拱壁安全间距,取n=300mm;K-------导电弓子宽度之半,K=718/2=359,取K=360mm ; b-------轨道中线与巷道中线间距b 1=B/2—a 1=3900/2—1030=920mm 。
故h 3≥2000+410—22)209360()3001950(+--=1368.8mm 2.按管道装设要求确定h 3h 3≥h 5+h 7+h B —2222/K -R )(b D m +++式中,h5-------渣面至管子底高度,按《煤矿安全规程》取h 5=1800mm ;h 7-------管子悬吊件总高度,取h 7=900mm ; m--------导电弓子距管子间距,取m=300mm ; D--------压气管法兰盘直径,D=215mm ; b 2-------轨道中线与巷道中线间距,b 2=B/2—C 1=3900/2—1370=580mm 。
故h 3≥1800+900+200—22)5802/215300360(1950+++-=1305mm 。
3.按人行高度要求确定h 3h 3≥1800+h b —22j)-(R -R式中,j-------距巷道壁的距离。
距壁j 处的巷道有效高度不小于1800mm 。
一般取j=200mm 。
二、确定巷道断面尺寸(一)确定巷道净宽度B0查表得知ZK3—/250架线式电机车牵引0.75m3矿车。
ZK3—/250架线式电机车宽b=980㎜,高h=1550㎜;0.75m3矿车宽980mm,高:1050mm。
根据《煤矿安全规程》,非人行道一侧宽b1=450㎜。
取巷道人行道宽C=1120㎜,故巷道净宽度B0=a1+b1+c=980+450+970=2400(查表得:底板距离轨面水平h6=320,㎜。
坑道内采用18kg/m钢轨敷设,道渣距底板的高度h5=200)轨距600mm。
(二)确定巷道拱高f0半圆拱巷道拱高f0=B/3=2400/3=800㎜大圆弧半径R=0.692B0=1660mm小圆弧半径r=0.261B0=626mm(三)确定巷道壁高h31.电机车架线要求规定。
设置架线导电弓子宽度的1/2为400,即K=400mm,架线至轨面高度,(根据《煤矿安全规程2012版》运输平巷,电源电压低于500V时,悬挂高度不低于1.8m;电源电压高于500V时,不低于2m)。
取H=1800mm,a=b1+1/2b=450+490=940因为=0.6>0.554时所以得:=1620=0.48<0.554时=式中:H——架线至轨面高度,取H=1800mm;h4——道渣至轨面高度;f0——巷道拱高;R——大圆半径b1——非人行道一侧宽;B0——故巷道净宽度;K——电机车架线弓宽度之半,取400。
a——非人行道线路一侧线路的中心至墙的距离。
2、按照行人要求确定。
计算结果为ℎ3=1800−r2−(r−100)2=1460根据以上计算,h3取最大值得2000mm则,巷道的净高度H0=fo+h3=800+2000=2800mm。
(四)确定巷道净断面面积S和净周长P由《井巷工程》查表得净断面积 S=B×(0.263B+h3)S=2400×(0.623×2400+2000)=6300mm3净周长P=2.33BO′+2 h3P=2.33×2500+2×2000=9800mmBO′= BO+2倍锚杆外露的长度=2400+2 ×50=2500mm文案编辑词条B 添加义项?文案,原指放书的桌子,后来指在桌子上写字的人。
巷道断面图册说明一、巷道断面形状及支护形式根据矿区的地质特征、巷道的用途、服务年限以及各矿井巷道使用实践,兴源矿区矿井巷道的岩巷一般采用半园拱锚(锚网)喷支护,半煤巷一般采用梯形金属支护或U型金属支护,煤巷一般采用U型金属支护。
二、巷道断面尺寸主要根据《煤矿安全规程》的有关规定、矿井目前在用运输设备尺寸(8吨蓄电池电机车,轨距600,长×宽×高=2000×880×1550;1吨固定矿车,轨距600,长×宽×高=4500×1060×1150)及未来推行采掘机械化主要设备尺寸,行人宽度和安全间隙等,并满足矿井工作面风量需要进行设计,根据实践使用经验,矿井巷道断面尺寸一般确定为:(一)岩巷1.主要运输巷:水平顶(底)运输大巷、主运输石门、采区轨道上山,巷道规格要求净高不小于2.5m,净宽不小于2.6m。
支护形式:对稳定、稳定性较好岩层直接喷浆支护,喷浆厚度分别为20-30mm和50-70mm,对中等稳定或稳定性较差岩层,采用锚网喷支护。
(见图4)2.车场及硐室:机采工作面采区上、中部车场、区段运输石门(无机车运行),巷道规格净高不小于2.5m,净宽不小于3.2m;水平运输大巷车场、采区变电所及采区下部车场(有机车运行),巷道规格净高不小于2.8m,净宽不小于3.6m;中央变电所,巷道规格净高不小于3.0m,净宽不小于4.0m。
支护形式:对稳定、稳定性较好岩层直接喷浆支护,喷浆厚度分别为20-30mm 和70-100mm,对中等稳定或稳定性较差岩层,采用锚网喷支护。
(见图5、6、7)3.区段运输中巷:区段顶(底)运输巷、石门,巷道规格要求净高不小于2.4m,净宽不小于2.4m;支护形式:对稳定、稳定性较好岩层直接喷浆支护,喷浆厚度分别为20-30mm和50-70mm,对中等稳定或稳定性较差岩层,采用锚网喷支护。
(见图3)4.采区岩石上山:为采区溜煤、通风、行人服务。
矩形、梯形、和半圆拱形巷道断面积的计算公式
1.矩形巷道的断面积计算公式:
A=B×h,㎡
式中A—矩形巷道的断面积,㎡
B—矩形巷道的宽度,m
h—矩形巷道的高度,m。
2.梯形巷道的断面积
A=1/2×(B1+B2)×h,㎡
式中B1—梯形巷道的净上宽,m;
B2—梯形巷道的净底宽,m;
h—梯形巷道的高度,m。
3.半圆拱形的巷道断面积
A=π/8D2+D×h,㎡
式中π—圆周率,π=;
D—半圆拱形的直径,m;
h—矩形底高或半圆拱形巷道壁高,m。
4.三心拱形巷道的断面积
A=B(+h),㎡;
式中B—巷道断面的底宽,m;
h—巷道断面的壁高,m。
三心拱巷道断面周长U:
U=+2h,m
在矿井中,为了易于掌握施工质量,把三心拱变圆弧拱形施工。
它的巷道断面积:A=B ×(+h ),㎡
圆弧拱断面周长U :
U=+2h ,m B 1
B 2
h
D h h
B
r
R
R h B。