默纳克3000电气图
- 格式:pdf
- 大小:807.26 KB
- 文档页数:25
默纳克3000电气原理图介绍和快捷调试这次找的图纸是一份黙纳克3000的电气图,因为现在新时达和黙纳克的系统比较常用,所以这份图纸可能更有代表性一些吧,不过这个图纸我也是第二次看到,我本人擅长的不是黙纳克的系统,所以也算是和大家一起慢慢的琢磨着看,也就是说对于这份图纸来说我也是一个新人,所以难免有讲错的地方,还请大家多指正,让我一起跟着进步。
之所以不讲我擅长的图纸是因为那种品牌更多的人不熟悉,系统又不像莫纳克新时达这样直观,对于广大新手来说更难理解。
言归正传,拿到一份图纸,先翻看第一页,看右下角,右下角这个小表格里面一般注明这个图纸有多少页,是什么品牌,这一张是画的什么。
这样我们对这一本图纸有个大概的了解。
然后看正文,左边的文字是莫纳克3000的技术标准,画图的原则,右边是一个目录,那一页画的什么,方便我们去找。
如果是第一次接触一个电梯的图纸,肯定是很多原件看不懂的,不知道是干什么的,我们应该首先看元件代码表,我们看目录,第二页是电气代号说明,也就是元件代码表。
现在先翻到第二页这一页密密麻麻,都是符号,我们从上往下看,第一行,最左边1BFS 他的含义是缓冲器开关1,也就是说只要再图纸上看到BFS就是缓冲器开关,他的位置在哪呢?HTW ,这是什么意思?看右下角,HTW是井道,也就是说缓冲器开关是在井道里,在这里说一下,这个图纸等于是把底坑也划到井道里了,因为在右下角我们只能看到四个位置说明,轿厢,控制柜,主机,井道。
然后再看第三行,AB,就是警铃,在轿厢安装。
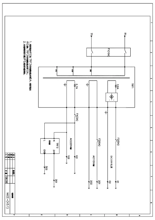
看图就是这样看,对着元件代码,能找到所有的东西第三张就是正经的图纸了,先看右下角,380电源供电回路,这就说明这一页画的是电源回路,看最后边,标的有ABNDEF,最上面标的12345678,这就是图纸的坐标,在整页图纸上找一个东西,只要把坐标横纵坐标对起来就知道在那一块了,比如说2B,写的QF1(10A)对照第二页的代码表,我们知道这是一个380的空开,最大的允许电流是10A,也就是说这个空开上电流如果超过10A空开就会动作,切断电路。
默纳克3000图纸讲解默纳克3000电气原理图这次找的图纸是一份黙纳克3000的电气图,因为现在新时达和黙纳克的系统比较常用,所以这份图纸可能更有代表性一些吧,不过这个图纸我也是第二次看到,我本人擅长的不是黙纳克的系统,所以也算是和大家一起慢慢的琢磨着看,也就是说对于这份图纸来说我也是一个新人,所以难免有讲错的地方,还请大家多指正,让我一起跟着进步。
之所以不讲我擅长的图纸是因为那种品牌更多的人不熟悉,系统又不像莫纳克新时达这样直观,对于广大新手来说更难理解。
言归正传,拿到一份图纸,先翻看第一页,看右下角,右下角这个小表格里面一般注明这个图纸有多少页,是什么品牌,这一张是画的什么。
这样我们对这一本图纸有个大概的了解。
然后看正文,左边的文字是莫纳克3000的技术标准,画图的原则,右边是一个目录,那一页画的什么,方便我们去找。
如果是第一次接触一个电梯的图纸,肯定是很多原件看不懂的,不知道是干什么的,我们应该首先看元件代码表,我们看目录,第二页是电气代号说明,也就是元件代码表。
现在先翻到第二页这一页密密麻麻,都是符号,我们从上往下看,第一行,最左边1BFS 他的含义是缓冲器开关1,也就是说只要再图纸上看到BFS就是缓冲器开关,他的位置在哪呢?HTW ,这是什么意思?看右下角,HTW是井道,也就是说缓冲器开关是在井道里,在这里说一下,这个图纸等于是把底坑也划到井道里了,因为在右下角我们只能看到四个位置说明,轿厢,控制柜,主机,井道。
然后再看第三行,AB,就是警铃,在轿厢安装。
看图就是这样看,对着元件代码,能找到所有的东西第三张就是正经的图纸了,先看右下角,380电源供电回路,这就说明这一页画的是电源回路,看最后边,标的有ABNDEF,最上面标的12345678,这就是图纸的坐标,在整页图纸上找一个东西,只要把坐标横纵坐标对起来就知道在那一块了,比如说2B,写的QF1(10A)对照第二页的代码表,我们知道这是一个380的空开,最大的允许电流是10A,也就是说这个空开上电流如果超过10A空开就会动作,切断电路。
页码图纸名称A 封面B 明细表C 修订记录表P01P02P03P04P05图号MU11001VA 序号1234明细表5678版本910D 器件代号表E 工艺标准MU11001VA 接口板插件布置图 A B C D E F ABCDEF111213141516171819P05A P06P06A P08P09P11P12P13P14接口板接线图1接口板接线图2接口板出柜插件表及控制柜端子图 ARD 应急应急平层装置(380V)回路图检修回路图轿顶控制回路图对讲,警铃,应急灯1无机房照明回路图并联回路图 轿顶箱插件表MU11001VA MU11001VA MU11001VA MU11001VA MU11001VA MU11001VA MU11001VA MU11001VA MU11001VA MU11001VA MU11001VA MU11001VA MU11001VA MU11001VA 页码版本图纸名称图号序号20212223MU11001VA MU11001VA MU11001VA MU11001VA P15P16P17P18无机房限速器电动操作回路图有机房照明回路图无机房380V 电源供电回路及抱闸回路图同步机UCMP 原理图24MU11001VA P2025MU11001VA P2126MU11001VA P2227P2328MU11001VA P2429MU11001VA P2530MU11001VA 线缆接线总装图3132MU11001VA MU11001VA MU11001VA P07有机房220V 电源供电回路及抱闸回路图无机房220V 电源供电回路及抱闸回路图P10ARD 应急应急平层装置(220V)回路图A A A A A A A A A A A A A A A A A A A A A A A A A A A A A A A AP2735MU11001VA 36机房布线图轿厢布线图底坑布线图MU11001VA MU11001VAA A异步机UCMP 原理图有机房控制回路图 无机房控制回路图有机房380V 电源供电回路及抱闸回路图MU11001VA井道布线图MU11001VA P2634轿顶布线图MU11001VA A P28P19同步机单开门安全回路图 异步机与双门安全回路图33对讲,警铃,应急灯2P17A MU11001VA A修订记录表图 号版 本修 订 人修订内容及原因MU11001VA 页 码0新归档修订日期2017-04-18AB C D E F ABCDEFMU11001VAA新归档2017-05-05代号位置含 义1BFS HTW 缓冲器开关1 DM CAR 门机马达LSU HTW 上限位开关TCIU CAR 轿顶检修上行按钮2BFS HTW 缓冲器开关2 DOB1CAR 门1开门指令TES CAR 轿顶急停按钮DOB2CAR 门2开门指令LWO CAR 超载开关TOCL CAR 轿顶检修照明灯ALB CAR 警铃按钮DS HTW 层门锁电气联动开关LWX CAR 满载开关TUR1 CAR 轿顶插座AC220V ATS CAR 司机/自动转换开关DZD CAR 下平层感应器MCB CTR 主控制板TRF CTR 控制变压器BM CTR 抱闸线圈 DZU CAR 上平层感应器MES CTR 急停按钮ECB CAR 警铃MES-2 MR ECL CAR 轿厢应急照明EDP1CAR 门1光幕EDP2CAR门2光幕NSB CAR 司机直达开关BYCTR 抱闸接触器OLT1 HTW 门1开门到位EIS CTR紧急电动运行继电器OLT2 HTW 门2开门到位F CAR 轿内风扇OS HTW 限速器电气开关PES1 HTW 底坑检修箱急停按钮CCB CAR 指令分配板QF CTR 空气开关PES2 HTW 底坑开关盒急停按钮 CAR NULL 轿厢CES CAR 轿内急停开关PFR CTR 相序继电器CTR NULL 控制柜CIS CTR PG MR编码器(曳引机)MR NULL 主机CLI CAR 轿内照明PLI HTW 底坑照明灯HTWNULL 井道PLSHTW 底坑照明开关CLIS CAR 轿内照明开关FIRS2CAR 消防员开关(操纵箱) PUR HTW 底坑插座FLSD HTW 下极限开关CLT1CAR 门1关门到位FLSU HTW 上极限开关RCS MR 夹绳器电气开关CLT2CAR 门2关门到位FS CAR 轿内风扇开关CHM CAR 语音报站器GS CAR 轿门锁开关CTB CAR 轿顶控制板GTS HTW 限速器张紧轮断绳开关DBR CTR 制动电阻HCB HTW 楼层显示板DCB1CAR 门1关门指令DCB2CAR 门2关门指令ISS CAR 独立运行开关SOS CTR 安全钳动作电气开关DDB CTR 紧急电动运行下行按钮SW CTR 运行接触器DDCB CAR 关门延时按钮LIH HTW 井道照明TA CTR 大端子LIHS HTW 井道照明开关TB CTR 小端子DLS1 HTW 下一级强迫减速TCI CAR 轿顶检修旋钮DLS2HTW 下二级强迫减速LPT CAR 到站钟TCIB CAR 轿顶检修公用按钮DLS3 HTW 下三级强迫减速LSD HTW 下限位开关TCID CAR 轿顶检修下行按钮RS CTR 强制检修继电器UDB CTR 紧急电动运行上行按钮ULS1 HTW 上一级强迫减速ULS2HTW 上二级强迫减速S1 CTR 检修回路端子SS1CTR 轿顶安全回路端子SS2 CTR 井道安全回路端子盘车手轮急停按钮MES-1 CTR 高台急停按钮紧急电动运行开关FX CTR 封星接触器FU CTR 熔断器ABC DEFABC D E F ULS3HTW 上三级强迫减速代号位置含 义代号位置含 义代号位置含 义TLS CAR 轿顶照明开关CZ CTR 控制柜插座 CTRL CTR 控制柜照明灯RRD HTW 限速器远程释放线圈RRB CTR 限速器远程释放按钮RTB CTR 限速器远程动作按钮RTD HTW 限速器远程动作线圈SD HTW 防过流二极管VDR HTW 压敏电阻SWP CTR 开关电源MDBU CTR 制动单元QFB CTR 漏电保护开关MTS MR马达过热时保护SGS CAR 辅门锁开关UCMPCTR轿厢意外移动保护装置NICE3000new电气原理图工艺标准:1.电源等级命名规则:380V动力电源在主空气开关前级的三相五线命名为R、S、T、N、PE。
默纳克3000电气原理图这次找的图纸是一份黙纳克3000的电气图,因为现在新时达和黙纳克的系统比较常用,所以这份图纸可能更有代表性一些吧,不过这个图纸我也是第二次看到,我本人擅长的不是黙纳克的系统,所以也算是和大家一起慢慢的琢磨着看,也就是说对于这份图纸来说我也是一个新人,所以难免有讲错的地方,还请大家多指正,让我一起跟着进步。
之所以不讲我擅长的图纸是因为那种品牌更多的人不熟悉,系统又不像莫纳克新时达这样直观,对于广大新手来说更难理解。
言归正传,拿到一份图纸,先翻看第一页,看右下角,右下角这个小表格里面一般注明这个图纸有多少页,是什么品牌,这一张是画的什么。
这样我们对这一本图纸有个大概的了解。
然后看正文,左边的文字是莫纳克3000的技术标准,画图的原则,右边是一个目录,那一页画的什么,方便我们去找。
如果是第一次接触一个电梯的图纸,肯定是很多原件看不懂的,不知道是干什么的,我们应该首先看元件代码表,我们看目录,第二页是电气代号说明,也就是元件代码表。
现在先翻到第二页这一页密密麻麻,都是符号,我们从上往下看,第一行,最左边1BFS 他的含义是缓冲器开关1,也就是说只要再图纸上看到BFS就是缓冲器开关,他的位置在哪呢?HTW ,这是什么意思?看右下角,HTW是井道,也就是说缓冲器开关是在井道里,在这里说一下,这个图纸等于是把底坑也划到井道里了,因为在右下角我们只能看到四个位置说明,轿厢,控制柜,主机,井道。
然后再看第三行,AB,就是警铃,在轿厢安装。
看图就是这样看,对着元件代码,能找到所有的东西从QF1往右看,TRF1,这是个控制变压器,1,2端正那里画了个二极管的符号,在电路中,二极管主要是整流使用,所以看到哦这个符号我们就可以判定这个是个直流回流,我们看8B这个位置,标的是110DC,这是110V的直流电,这个位置要注意一下,这两根线是画在虚线里的,注明的有可选两个字,在图纸上一般被虚线圈起来的部位,都是可选的,根据现场的情况,可能有这个元件,也可能没有,要根据现场情况去判断,所以不能死背图纸。
代号位置元件定义1BFS缓冲器12BFS警铃ABACB司机换向按钮ALB警铃按钮BRM司机/自动转换按钮制动单元BZK1制动单元热保护开关抱闸反馈开关1BUZ蜂鸣器BYCBn抱闸接触器CCB各层指令开关CES指令分配板轿厢急停开关CFL轿厢应急照明灯CLI轿厢照明灯CLIS门1关门限位CLT1CHM语音报站器CTB轿顶控制板DBR制动电阻DCB1门1关门按钮控制柜检修下行按钮开门延时按钮门锁接触器下一级强迫减速开关DDBDDOBDLC门机马达缓冲器2BRTBZK2CLT2DCB2HTW HTW CAR CAR CAR CAR CAR CAR CAR LPT LIHn JUP GS EIS 称重装置LWD 上限位开关LSU 下限位开关LSD 到站钟照明电源空开LPS 井道照明开关LIHS 井道照明灯停电应急运行辅助继电器ISS 独立运行开关INTB 通话按钮HCB 楼层显示板GTS 涨紧轮电气开关轿门锁电气开关FX 封星接触器FS 轿内风扇开关FLSU 上极限开关FLSD 下极限开关消防员开关(轿内)消防开关(基站)RIRS1消防返基输出信号FIR F 轿厢风扇紧急电动运行开关运行检修转换开关安全窗电气开关EEC 门2光幕门1光幕EDP1上平层感应器DZU 下平层感应器DZD DS 层门锁电气开关门1开门按钮元件定义位置代号ATSCTR CTR HTW HTW CAR CTR CAR CAR CAR CAR CAR CAR CAR CAR CAR CAR CAR CTR CAR DLS1DLS2DLS3DM CTR CAR HTW CTR HTW HTW CAR 抱闸反馈开关2门2关门限位轿厢照明开关门2关门按钮下二级强迫减速开关下三级强迫减速开关DOB1DOB2EDP2EIS1RIRS2CAR CAR HTW CAR CAR CTR CTR CAR CTR HTW CAR HTW HTW CAR CAR CTR HTW HTW CAR CAR CTR HTW HTW CTR CAR HTW HTW CAR 门2开门按钮CAR LWO超载开关超载开关TA 主控制板CTR HTW HTW CAR CAR PG OS NSB MCB LWX 代号位置元件定义满载开关控制柜急停按钮MES MES-2盘车开关MO 主机MT 电机热保护开关司机直达开关OLT1门1开门限位门1关门限位限速器电气开关底坑急停按钮1PES1PES2底坑急停按钮2PFR 相序继电器编码器底坑照明灯PLI 底坑照明开关1PLS1底坑照明开关2PLS2底坑插座AC220V QF1底坑插座AC36V 空开AC380V QF3空开DC110V QF4QF5RGS 夹绳器电气开关RS 限速器远程释放按钮RTB 限速器远程释放线圈强制检修继电器限速器远程动作按钮SOS 限速器远程动作线圈SW OTL2QF2RRB RRD RTD MR CTR CAR CTR CTR CTR CAR CAR TUR1TOCLS TCIU 代号位置元件定义运行接触器小端子TB TCI 轿顶检修自动转换开关TCIB 轿顶检修公共按钮TCID 轿顶检修下行轿顶检修上行TES 轿顶急停按钮轿顶照明灯轿顶照明开关控制变压器TRF1TRF2照明变压器TRF3开关电源轿顶AC220V插座轿顶AC36V插座TUR2控制柜检修上行按钮UDB 上一级强迫减速开关ULS1ULS2停电应急运行接触器UPC 控制柜AC220V插座CUR1CUR2控制柜照明灯CLI1主回路开关井道照明空开QF6控制柜照明空开TOCL ULS3MC QF0CAR CAR CAR CTR CTR MR MR HTW HTW HTW HTW HTW CTR MR PUR1PUR2HTW HTW HTW CTR CTR CTR CTR MR CTR HTW CTR CTR HTW CTR CTR 空开AC110V 空开AC220V 空开AC36V CTR 大端子CTR CTR CTR CAR CTR HTW HTW HTW CTR CTR CTR CTR CTR CTR 上二级强迫减速开关上三级强迫减速开关控制柜AC220V插座。
默纳克图纸讲解HEN system office room 【HEN16H-HENS2AHENS8Q8-HENH1688】默纳克3000电气原理图这次找的图纸是一份黙纳克3000的电气图,因为现在新时达和黙纳克的系统比较常用,所以这份图纸可能更有代表性一些吧,不过这个图纸我也是第二次看到,我本人擅长的不是黙纳克的系统,所以也算是和大家一起慢慢的琢磨着看,也就是说对于这份图纸来说我也是一个新人,所以难免有讲错的地方,还请大家多指正,让我一起跟着进步。
之所以不讲我擅长的图纸是因为那种品牌更多的人不熟悉,系统又不像莫纳克新时达这样直观,对于广大新手来说更难理解。
言归正传,拿到一份图纸,先翻看第一页,看右下角,右下角这个小表格里面一般注明这个图纸有多少页,是什么品牌,这一张是画的什么。
这样我们对这一本图纸有个大概的了解。
然后看正文,左边的文字是莫纳克3000的技术标准,画图的原则,右边是一个目录,那一页画的什么,方便我们去找。
如果是第一次接触一个电梯的图纸,肯定是很多原件看不懂的,不知道是干什么的,我们应该首先看元件代码表,我们看目录,第二页是电气代号说明,也就是元件代码表。
现在先翻到第二页这一页密密麻麻,都是符号,我们从上往下看,第一行,最左边1BFS 他的含义是缓冲器开关1,也就是说只要再图纸上看到BFS就是缓冲器开关,他的位置在哪呢?HTW ,这是什么意思?看右下角,HTW是井道,也就是说缓冲器开关是在井道里,在这里说一下,这个图纸等于是把底坑也划到井道里了,因为在右下角我们只能看到四个位置说明,轿厢,控制柜,主机,井道。
然后再看第三行,AB,就是警铃,在轿厢安装。
看图就是这样看,对着元件代码,能找到所有的东西从QF1往右看,TRF1,这是个控制变压器,1,2端正那里画了个二极管的符号,在电路中,二极管主要是整流使用,所以看到哦这个符号我们就可以判定这个是个直流回流,我们看8B这个位置,标的是110DC,这是110V的直流电,这个位置要注意一下,这两根线是画在虚线里的,注明的有可选两个字,在图纸上一般被虚线圈起来的部位,都是可选的,根据现场的情况,可能有这个元件,也可能没有,要根据现场情况去判断,所以不能死背图纸。
第三代默纳克NICE3000B系列主板接口板端子介绍主板外观图:主板控制端子说明:主板指示灯说明:接口板外观图:接口板端子分布图:接口板端子对外接口定义:接口板端子对N内接口定义:接口板指示灯说明:变压器:NICE3000B一体化控制柜标准配置控制变压器(TRF)输出AC10OV安全回路电源,具体参数如下∶控制变压器参数表注意:TRF 控制变压器具有过热保护特性,即在温度达到(105)℃时动作,温度降到70℃时恢复。
抱闸电源板:NICE3000B一体化控制柜中的抱闸电源由抱闸电源板输出。
抱闸电源板的标准抱闸电压为DC110V,抱闸维持电压可调。
抱闸电源板外观图∶抱闸电源板端子分部图:抱闸电源板端子说明:注意:PE 为接地端子。
CN2端子输出DC110V抱闸电压3s(延迟±5%s后,自动降低并将电压维持在60V~70V或80V~90V范围内,CN3端子输出电流达到过载电流7A时,可维持25。
PG卡NICE3000B一体化控制柜在控制器上均配置了PG卡,配合使用才能实现闭环矢量控制。
根据外部电机的类型会配置不同类型的PG卡,同步机标准配置MCTC-PG-E卡,异步机标准配备MCTC-PG-A2卡。
MCTC-PG卡型号选型表:各PG卡CN1端子接口定义:PG卡接线MCTC-PG卡通过J1端子与NICE3000系列一体化控制器的主控板J12端子连接,通CN1端子与电梯曳引机的编码器连接,即可组成速度闭环矢量系统。
不同的MCTC-PG卡与主控板的连接方法相同,与电机编码器的连接方法则因PG卡端口不同而有所区别。
下图为MCTC-PG-E与NICE3000'系列一体化控制器的电气接线示意图:注意:电梯控制柜内部设计编码器接线专用进出线孔,防止电磁信号的干扰。
MCTCPG-A2的CNI端子接口为螺丝锁紧端子,用户安装时需配备一字螺丝刀。
MCTC-PG-E的CN1端子接口为DB15母座,用户准备的编码器线须配置DC15公头。
电气原理图这次找的图纸是一份黙纳克3000的电气图,因为现在新时达和黙纳克的系统比较常用,所以这份图纸可能更有代表性一些吧,不过这个图纸我也是第二次看到,我本人擅长的不是黙纳克的系统,所以也算是和大家一起慢慢的琢磨着看,也就是说对于这份图纸来说我也是一个新人,所以难免有讲错的地方,还请大家多指正,让我一起跟着进步。
之所以不讲我擅长的图纸是因为那种品牌更多的人不熟悉,系统又不像莫纳克新时达这样直观,对于广大新手来说更难理解。
言归正传,拿到一份图纸,先翻看第一页,看右下角,右下角这个小表格里面一般注明这个图纸有多少页,是什么品牌,这一张是画的什么。
这样我们对这一本图纸有个大概的了解。
然后看正文,左边的文字是莫纳克3000的技术标准,画图的原则,右边是一个目录,那一页画的什么,方便我们去找。
如果是第一次接触一个电梯的图纸,肯定是很多原件看不懂的,不知道是干什么的,我们应该首先看元件代码表,我们看目录,第二页是电气代号说明,也就是元件代码表。
现在先翻到第二页这一页密密麻麻,都是符号,我们从上往下看,第一行,最左边1BFS他的含义是缓冲器开关1,也就是说只要再图纸上看到BFS就是缓冲器开关,他的位置在哪呢?HTW,这是什么意思?看右下角,HTW是井道,也就是说缓冲器开关是在井道里,在这里说一下,这个图纸等于是把底坑也划到井道里了,因为在右下角我们只能看到四个位置说明,轿厢,控制柜,主机,井道。
然后再看第三行,AB,就是警铃,在轿厢安装。
看图就是这样看,对着元件代码,能找到所有的东西从QF1往右看,TRF1,这是个控制变压器,1,2端正那里画了个二极管的符号,在电路中,二极管主要是整流使用,所以看到哦这个符号我们就可以判定这个是个直流回流,我们看8B这个位置,标的是110DC,这是110V的直流电,这个位置要注意一下,这两根线是画在虚线里的,注明的有可选两个字,在图纸上一般被虚线圈起来的部位,都是可选的,根据现场的情况,可能有这个元件,也可能没有,要根据现场情况去判断,所以不能死背图纸。
默纳克3000电气原理图这次找的图纸是一份黙纳克3000的电气图,因为现在新时达和黙纳克的系统比较常用,所以这份图纸可能更有代表性一些吧,不过这个图纸我也是第二次看到,我本人擅长的不是黙纳克的系统,所以也算是和大家一起慢慢的琢磨着看,也就是说对于这份图纸来说我也是一个新人,所以难免有讲错的地方,还请大家多指正,让我一起跟着进步。
之所以不讲我擅长的图纸是因为那种品牌更多的人不熟悉,系统又不像莫纳克新时达这样直观,对于广大新手来说更难理解。
言归正传,拿到一份图纸,先翻看第一页,看右下角,右下角这个小表格里面一般注明这个图纸有多少页,是什么品牌,这一张是画的什么。
这样我们对这一本图纸有个大概的了解。
然后看正文,左边的文字是莫纳克3000的技术标准,画图的原则,右边是一个目录,那一页画的什么,方便我们去找。
如果是第一次接触一个电梯的图纸,肯定是很多原件看不懂的,不知道是干什么的,我们应该首先看元件代码表,我们看目录,第二页是电气代号说明,也就是元件代码表。
现在先翻到第二页这一页密密麻麻,都是符号,我们从上往下看,第一行,最左边1BFS 他的含义是缓冲器开关1,也就是说只要再图纸上看到BFS就是缓冲器开关,他的位置在哪呢?HTW ,这是什么意思?看右下角,HTW是井道,也就是说缓冲器开关是在井道里,在这里说一下,这个图纸等于是把底坑也划到井道里了,因为在右下角我们只能看到四个位置说明,轿厢,控制柜,主机,井道。
然后再看第三行,AB,就是警铃,在轿厢安装。
看图就是这样看,对着元件代码,能找到所有的东西第三张就是正经的图纸了,先看右下角,380电源供电回路,这就说明这一页画的是电源回路,看最后边,标的有ABNDEF,最上面标的12345678,这就是图纸的坐标,在整页图纸上找一个东西,只要把坐标横纵坐标对起来就知道在那一块了,比如说2B,写的QF1(10A)对照第二页的代码表,我们知道这是一个380的空开,最大的允许电流是10A,也就是说这个空开上电流如果超过10A空开就会动作,切断电路。
【最新整理,下载后即可编辑】默纳克3000电气原理图这次找的图纸是一份黙纳克3000的电气图,因为现在新时达和黙纳克的系统比较常用,所以这份图纸可能更有代表性一些吧,不过这个图纸我也是第二次看到,我本人擅长的不是黙纳克的系统,所以也算是和大家一起慢慢的琢磨着看,也就是说对于这份图纸来说我也是一个新人,所以难免有讲错的地方,还请大家多指正,让我一起跟着进步。
之所以不讲我擅长的图纸是因为那种品牌更多的人不熟悉,系统又不像莫纳克新时达这样直观,对于广大新手来说更难理解。
言归正传,拿到一份图纸,先翻看第一页,看右下角,右下角这个小表格里面一般注明这个图纸有多少页,是什么品牌,这一张是画的什么。
这样我们对这一本图纸有个大概的了解。
然后看正文,左边的文字是莫纳克3000的技术标准,画图的原则,右边是一个目录,那一页画的什么,方便我们去找。
如果是第一次接触一个电梯的图纸,肯定是很多原件看不懂的,不知道是干什么的,我们应该首先看元件代码表,我们看目录,第二页是电气代号说明,也就是元件代码表。
现在先翻到第二页这一页密密麻麻,都是符号,我们从上往下看,第一行,最左边1BFS 他的含义是缓冲器开关1,也就是说只要再图纸上看到BFS就是缓冲器开关,他的位置在哪呢?HTW ,这是什么意思?看右下角,HTW是井道,也就是说缓冲器开关是在井道里,在这里说一下,这个图纸等于是把底坑也划到井道里了,因为在右下角我们只能看到四个位置说明,轿厢,控制柜,主机,井道。
然后再看第三行,AB,就是警铃,在轿厢安装。
看图就是这样看,对着元件代码,能找到所有的东西第三张就是正经的图纸了,先看右下角,380电源供电回路,这就说明这一页画的是电源回路,看最后边,标的有ABNDEF,最上面标的12345678,这就是图纸的坐标,在整页图纸上找一个东西,只要把坐标横纵坐标对起来就知道在那一块了,比如说2B,写的QF1(10A)对照第二页的代码表,我们知道这是一个380的空开,最大的允许电流是10A,也就是说这个空开上电流如果超过10A空开就会动作,切断电路。
默纳克3000并联操作过程和指示灯说明默纳克3000并联操作过程1、接线和短接(1)两台电梯主板上J5短接OFF(2)主梯插件CN3的CAN+联到主梯CN7的Y5点(3)主梯插件CN3的CAN-联到副梯CN3的CAN- (4)主梯插件CN7的M5点联到副梯CN7的Y5点(5)副梯CN3的CAN+联到副梯CN7的M5点(6)主梯CN3的COM联到副梯CN3的COM(7)主梯轿顶板1 2 3到OFF,45到ON(8)副梯轿顶板 2 3 到OFF, 1 4 5到ON2、参数设置(1)主副梯F6-07设2(2)主梯F6-8设1副梯F6-8设2主副梯(3)主副梯F6-9设定4[开启兼容并联模式](4)F5-30 Y5功能选择设14如有错层按下设置默纳克3000指示灯含义:轿内主控板指示灯说明:CAN 轿顶板通讯指示灯:系统主板MCB 与轿顶板CTB 通讯正常时CAN(绿色)闪烁,故障时不亮RESET 复位指示灯:正常时不亮,CAN故障时闪烁。
系统主板MCB 与轿内板CTB 通讯异常时,进行通讯复位处理,此时该灯闪烁(频率低)。
主控板指示灯说明:ER 故障指示灯:系统检测到故障时,报警同时ER 灯点亮(红色)OK 正常指示灯:系统正常无故障时点亮(绿色)COP 轿顶板通讯指示灯:系统主板MCB 与轿顶板CTB 通讯正常时闪烁(绿色)HOP 外召通讯指示灯:系统主板MCB 与外召板HCB 通讯正常时闪烁(绿色)MODBUS 并联状态指示灯:并联状态正常、两梯处于并联状态时闪烁(绿色)主控板信号端子输入指示灯说明:X1~X24:输入信号指示灯,外围输入信号接通时点亮(绿色)X1:下强换信号输入1,未动作时亮X2:上强换信号输入1,未动作时亮X3:下强换信号输入2,未动作时亮X4:上强换信号输入2,未动作时亮X5:下强换信号输入3,未动作时亮X6:上强换信号输入3,未动作时亮X7:下限位信号输入,未动作时亮X8:上限位信号输入,未动作时亮X9:备用(上平层信号输入),---X10:备用(下平层信号输入),---X11:电机热敏保护X12:制动器开关检测信号,停止时亮X13:运行接触器检测信号,停止时亮X14:制动接触器检测信号,停止时亮X15:门区信号输入,在门区时亮X16:备用X17:自动/检修信号,检修时灭X18:检修上行信号,动作时亮X19:检修下行信号,动作时亮X20:厅门门锁接触器检测信号,厅门锁闭合时亮X21:轿门门锁接触器检测信号,轿门锁闭合时亮X22:安全接触器检测信号,安全链闭合时亮X23:停电检测输入X24:消防信号输入(消防联动),正常时灭继电器输出端接点:Y1~Y6: 输出信号指示灯,系统输出时点亮(绿色)Y1-M1(COM):运行接触器控制,系统输出时点亮(绿色)Y2-M2(COM):制动接触器控制,系统输出时点亮(绿色)Y3-M3(COM):消防联动输出,系统输出时点亮(绿色)Y4-M4(COM):控制器正常,系统并联输出时点亮(绿色)Y5-M5(COM):备用Y6-M6(COM):停电应急运行自动切换,系统输出时点亮(绿色)声明。
默纳克3000一体机系统并联方案说明7.5.并联方案说明7.5.1并联设置说明1、NICE3000实现并联功能需要设置如下两个功能码:功能码含义设定范围并联时设置F5-29Y4功能选择0~1614F6-07群控数量1~82F6-08电梯编号1、2主梯:1从梯:2F5-29的设置:Y4功能选择:14:一体化控制器正常当一体化控制器正常工作时,相应端子有输出。
该功能使用在并联方式下,用于控制并联通讯数据线。
当只有两台电梯并联时:F6-07=2 F6-08:主梯选择:1,副梯选择:2如出现两台并联电梯楼层结构不同的特殊情况,电梯还需进行其他设置。
示例:现假设有两台电梯并联:一号梯停靠层站为:-1层、1层、2层、3层、4层,二号梯停靠层站为:1层、2层、3层、4层,那么该两台梯须按如下表格设置相关参数及外召地址:代码设置1号电梯2号电梯群控数量(F6-07)22电梯编号(F6-08)12功能选择(F5-29)1414 14:一体化控制器正常当一体化控制器正常工作时,相应端子有输出。
用户楼层物理楼层外召地址外召显示外召地址外召显示-111FE-01=1801无无122FE-02=19012FE-02=1901 233FE-03=19023FE-03=1902 344FE-04=19034FE-04=1903 455FE-04=19045FE-05=1904最低层(F6-01)12最高层(F6-00)55服务层(F6-05)6553565535采用CAN通讯处理轿内板拨码设置并联时:1.编号为1的主电梯轿内主控板拨码开关Sw1与单梯使用时相同,即Sw1第1位拨在OFF位置。
即4、5拨为ON2.编号为2的从电梯轿内板拨码开关Sw1的第1位应设定在ON位置,否则将使电梯轿顶数据通讯异常。
即1、4、5拨为ON采用主控板485通讯F6-09=4F6-09=42)物理楼层及楼层地址设置说明:物理楼层是相对于NICE3000系统,区别于用户所指的楼层,根据平层插板安装位置而定,安装位置最低的平层插板所对应的楼层(如地下一层)其物理楼层为1层,最高层按照平层插板的个数依次累加。