处方权申请授予表模板
- 格式:doc
- 大小:36.00 KB
- 文档页数:1
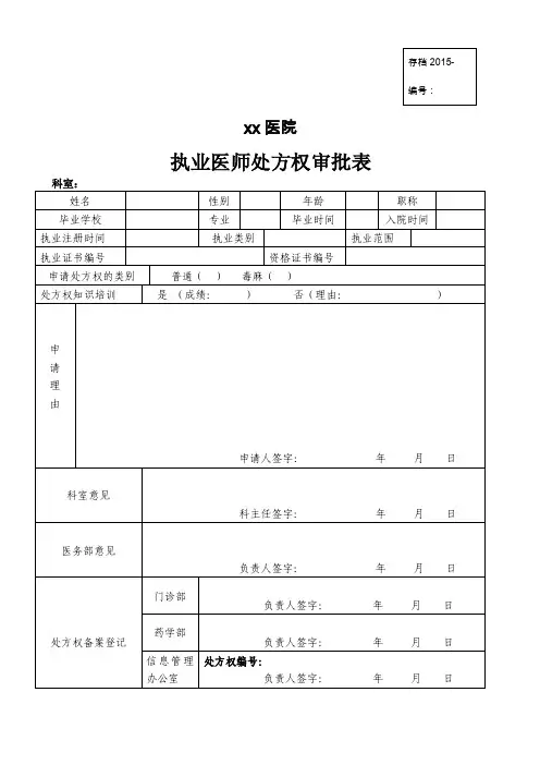
处方权申请及登记表申请人签名:年月日申请者需提供以下资料:①本人身份证复印件;②执业医师资格证和执业证(含盖章页和姓名页)的复印件。
(复印件统一用A4纸)申请人签名式样:注:此表适用于本院新晋医师或职称变更医师。
处方申请程序1、将医师资格证、执业证完整复印件附后以便审查。
2、领取表格后,认真填写内容。
3、在我院临床工作(实习)满一个月后,由所在科室组织医疗考核,填写考核情况及意见,并由科主任审核签字。
4、申请登记表完成后统一上交院办。
5、获批准者的签名字样分别由院办、药房、门诊办公室存档备案。
医院处方权授权程序及管理制度1、院办根据《执业医师法》、《处方管理办法》、《麻醉药品、精神药品管理条例》等相关法律法规对临床医师的处方权进行认定,登记备案,并将本人之签字留样于药剂科。
处方医师的签名式样应当与医院药剂科留样备查的式样相一致,不得任意改动,否则应重新登记留样备案。
2、我院注册的各级临床执业医师具有处方权。
医技等辅助科室的执业医师需经院办认定后才具有相关执业范围的处方权。
3、麻醉药品及第一类精神药品处方权均须由上级主管部门对注册执业医师统一培训、考核合格后才能授予。
4、助理执业医师、见习医师、进修医师及实习医师等无独立处方权,其处方须经我院有执业资格医师审核签字后方可有效。
5、医师出现下列情形之一的,处方权由院办予以取消:(1)被责令暂停执业;(2)考核不合格离岗培训期间;(3)被注销、吊销执业证书;(4)不按照规定开具处方,造成严重后果的;(5)不按照规定使用药品,造成严重后果的;(6)因开具处方牟取私利。
6、不按照规定使用麻醉药品、医疗用毒性药品、精神药品和放射性药品的,院办取消其处方权,并给予警告或者责令暂停六个月以上一年以下执业活动,情节严重的,吊销其执业证书,构成犯罪的,依法追究刑事责任。
7、院办对出现超常处方3次以上且无正当理由的医师提出警告,限制其处方权;限制处方权后,仍连续2次以上出现超常处方且无正当理由的,取消其处方权。
(附件四)
XXXX医院
医师普通处方权申请审批表
医务科:
本人,于年月日取得执业医师资格(证书编号:),并于年月日取得执业医师证(证书编号:),注册执业地点为:XXXX医院,根据《中华人民共和国执业医师法》第十三、十四条,卫生部《处方管理办法》第八、十、十一条和《河南省处方管理办法实施细则》第十一、十四、十七条的规定,特申请普通处方权,望批准!
本人签名留样:
申请人签名:
年月日
科室意见:
科主任签名:
年月日
医务科审核:
经查验,情况属实,符合《中华人民共和国执业医师法》和《处方管理办法》相关规定,自年月日起授予普通处方权。
负责人签名:
(盖章)
年月日。