10、交通标志工程检验批质量验收记录表
- 格式:doc
- 大小:48.00 KB
- 文档页数:2
立柱安装检验批质量验收记录市政验•交-1一、适用范围本表适用于城市轨道交通交通工程立柱安装检验批质量检查。
二、表内填写提示交通工程立柱安装应符合如下规定:主控项目立柱构件的材料、规格、尺寸、安装方式及位置应符合设计要求。
检验数量:全部检查。
检验方法:观察及用尺测量,并查阅图纸。
立柱及悬臂、抱箍座、夹板等附件的防腐性能应符合设计要求和《高速公路交通工程钢构件防腐技术条件》 GB/T18226的相关规定。
检验数量:全部检查。
检验方法:检查产品合格证、出厂检测报告。
信号灯及视频监控杆保护接地电阻应不大于10Ω。
检验数量:全部检查。
检验方法:测量检查。
一般项目立柱安装稳固、杆体垂直,倾斜度不得超过5‰。
检验数量:全部检查。
检验方法:测量检查。
市政基础设施工程立柱安装检验批质量验收记录市政验•交-1标志标牌检验批质量验收记录市政验•交-2一、适用范围本表适用于城市轨道交通交通工程标志标牌装检验批质量检查。
二、表内填写提示交通工程标志标牌应符合如下规定:主控项目交通标线标志标牌的材质、规格、尺寸应符合设计要求。
检验数量:全部检查检验方法:检查产品合格证、出厂检测报告。
标志标牌的安装位置及高度应符合设计要求。
检验数量:全部检查。
检验方法:观察、测量检查。
一般项目标志标牌安装牢固、角度要求应符合设计要求。
检验数量:全部检查。
检验方法:观察、测量检查。
市政基础设施工程标志标牌检验批质量验收记录市政验•交-2标志标线检验批质量验收记录市政验•交-3一、适用范围本表适用于城市轨道交通交通工程标志标线装检验批质量检查。
二、表内填写提示交通工程标志标线应符合如下规定:主控项目路面标线的颜色、形状和设置位置应符合设计要求和现行国家标准《道路交通标志和标线》 GB 5768的相关规定。
检验数量:全部检查。
检验方法:观察、测量检查。
路面标线涂料应符合设计要求和现行国家标准《城市道路交通设施设计规范》GB 50688及行业标准《路面标线涂料》JT/T 280的相关规定。
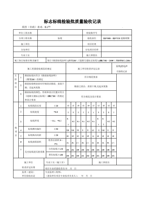
标志标线检验批质量验收记录单位工程名称检验批序号
分项工程名称
标线验收部位
施工单位项目经理
分包单位分包项目经理
专业工长施工班组长
施工执行标准名称及编号现行《路面标线涂料》(JT/T280)、《道路交通标志标线》(GB5768-2009)、
JTG F80/1-2004
施工质量验收规范的规定施工单位检查评定记录监理(建设)单位验收记录
1路面标线应符合《路面标线
涂料》(JT/T280)的规定
符合规范要求
2
路面标线喷涂前应仔细清
洁路面,表面干燥,无起灰
现象
路面已清洁,表面干燥,无起灰现象
3路面标线的颜色、形状和设
计位置应符合《道路交通标
志标线》(GB5768)的规定
和设计要求
符合规范及设计要求
1标线线段长度±2012151018612910 2标线宽度+8,035217843 3标线厚度-0.1,+0.50.10.30.10.30.2-0.1-0.20.3 4标线横向偏位±30181351619251318 5标线纵向间距±207111641381015 6标线剥落面积检查总面2%2%3%1%2%2%1%3%。
标志标线检验批质量验收记录`单位工程名称长山南路西流河桥南北两侧沉降段道路附属工程-标线检验批序号分项工程名称标线验收部位西流河桥南侧施工单位安徽平昊工程建设有限公司项目经理闫平分包单位/ 分包项目经理/专业工长施工班组长施工执行标准名称及编号现行《路面标线涂料》(JT/T280)、《道路交通标志标线》(GB5768-2009)、JTG F80/1-2004 施工质量验收规范的规定施工单位检查评定记录监理(建设)单位验收记录主控项目1路面标线应符合《路面标线涂料》(JT/T280)的规定符合规范要求2路面标线喷涂前应仔细清洁路面,表面干燥,无起灰现象路面已清洁,表面干燥,无起灰现象3路面标线的颜色、形状和设计位置应符合《道路交通标志标线》(GB5768)的规定和设计要求符合规范及设计要求一般项目1 标线线段长度±20 12 15 -1812 10 15 15 18 12 102 标线宽度+8,0 23 2 5 24 3 2 8 53 标线厚度-0.1,+0.50.10.40.10.10.20.10.10.20.20.24 标线横向偏位±30 -20 -10 -5 3 5 12 -2 -10 8 55 标线纵向间距±20 20 15 18 12 16 11 10 18 18 106 标线剥落面积检查总面积0-3% 1% 2% 1% 2% 1% 1% 2% 1% 3% 1%7反光标线逆反射系数白色标线≥150150 151 155 150 152 150 152 150 150 150黄色标线≥100100 101 100 101 102 100 101 100 100 101施工单位检查评定结果专业工长(施工员)施工班组长主控项目符合要求,一般项目符合规范规定。
项目专业质量检查员:年月日监理(建设)专业监理工程师:单位验收结论(建设单位项目专业技术负责人):年月日标志标线检验批质量验收记录` 单位工程名称长山南路西流河桥南北两侧沉降段道路附属工程-标线检验批序号分项工程名称标线验收部位西流河桥北侧施工单位安徽平昊工程建设有限公司项目经理闫平分包单位/ 分包项目经理/专业工长施工班组长施工执行标准名称及编号现行《路面标线涂料》(JT/T280)、《道路交通标志标线》(GB5768-2009)、JTG F80/1-2004 施工质量验收规范的规定施工单位检查评定记录监理(建设)单位验收记录主控项目1路面标线应符合《路面标线涂料》(JT/T280)的规定符合规范要求2路面标线喷涂前应仔细清洁路面,表面干燥,无起灰现象路面已清洁,表面干燥,无起灰现象3路面标线的颜色、形状和设计位置应符合《道路交通标志标线》(GB5768)的规定和设计要求符合规范及设计要求一般项目1 标线线段长度±20 11 12 -1312 -1514 18 16 12 -162 标线宽度+8,0 6 4 5 5 2 5 6 2 8 43 标线厚度-0.1,+0.50.10.40.10.30.20.10.10.20.40.14 标线横向偏位±30 -20 -16 -56 8 10 -2 -15 8 -85 标线纵向间距±20 15 16 16 12 -9 11 10 12 18 -86 标线剥落面积检查总面积0-3% 3% 2% 1% 2% 3% 1% 2% 0.5% 1% 1%7反光标线逆反射系数白色标线≥150155 151 155 150 152 150 152 150 150 155黄色标线≥100110 101 100 101 102 100 101 100 105 101施工单位检查评定结果专业工长(施工员)施工班组长主控项目符合要求,一般项目符合规范规定。
立柱安装检验批质量验收记录市政验•交-1一、适用范围本表适用于城市轨道交通交通工程立柱安装检验批质量检查。
二、表内填写提示交通工程立柱安装应符合如下规定:主控项目立柱构件的材料、规格、尺寸、安装方式及位置应符合设计要求。
检验数量:全部检查。
检验方法:观察及用尺测量,并查阅图纸。
立柱及悬臂、抱箍座、夹板等附件的防腐性能应符合设计要求和《高速公路交通工程钢构件防腐技术条件》 GB/T18226的相关规定。
检验数量:全部检查。
检验方法:检查产品合格证、出厂检测报告。
信号灯及视频监控杆保护接地电阻应不大于10Ω。
检验数量:全部检查。
检验方法:测量检查。
一般项目立柱安装稳固、杆体垂直,倾斜度不得超过5‰。
检验数量:全部检查。
检验方法:测量检查。
市政基础设施工程立柱安装检验批质量验收记录市政验•交-1标志标牌检验批质量验收记录市政验•交-2一、适用范围本表适用于城市轨道交通交通工程标志标牌装检验批质量检查。
二、表内填写提示交通工程标志标牌应符合如下规定:主控项目交通标线标志标牌的材质、规格、尺寸应符合设计要求。
检验数量:全部检查检验方法:检查产品合格证、出厂检测报告。
标志标牌的安装位置及高度应符合设计要求。
检验数量:全部检查。
检验方法:观察、测量检查。
一般项目标志标牌安装牢固、角度要求应符合设计要求。
检验数量:全部检查。
检验方法:观察、测量检查。
市政基础设施工程标志标牌检验批质量验收记录市政验•交-2标志标线检验批质量验收记录市政验•交-3一、适用范围本表适用于城市轨道交通交通工程标志标线装检验批质量检查。
二、表内填写提示交通工程标志标线应符合如下规定:主控项目路面标线的颜色、形状和设置位置应符合设计要求和现行国家标准《道路交通标志和标线》 GB 5768的相关规定。
检验数量:全部检查。
检验方法:观察、测量检查。
路面标线涂料应符合设计要求和现行国家标准《城市道路交通设施设计规范》GB 50688及行业标准《路面标线涂料》JT/T 280的相关规定。
10、交通标志工程检验批质量验收记录表
一、项目基本信息
项目名称交通标志工程
检验批数量X 批
施工单位XXX 公司
监理单位XXX 公司
验收日期XXXX 年 XX 月 XX 日
验收人员XXX、XXX、XXX
二、检验批编号及构成
检验批编号检验内容抽检数量(枚)合格数量(枚)不合格数量(枚)X X X X X
X X X X X
X X X X X
三、质量验收情况
1. 交通标志制作
检验批编号检验内容抽检数量(枚)合格数量(枚)不合格数量(枚)X 标志颜色X X X
X 标志字体X X X
X 标志大小X X X
X 标志材质X X X
X 标志反光度X X X
2. 交通标志安装
检验批编号检验内容抽检数量(枚)合格数量(枚)不合格数量(枚)X 安装位置X X X
X 安装高度X X X
X 安装牢固度X X X
X 安装方向X X X
X 安装数量X X X
四、质量问题记录及处理情况
1. 合格情况
本次质量验收结果为:XX 批次合格,占总批次的XX%。
2. 不合格情况
检验批编号不合格情况处理情况处理结果
X X X X
X X X X
X X X X
五、质量验收结论
本次质量验收合格率达到 XX%,符合相关标准和规定要求。
针对不合格情况,施工单位已采取措施处理,达到了整改标准,经验收人员现场确认合格。
本次验收终止。