道路标志标线(检验批)
- 格式:doc
- 大小:43.50 KB
- 文档页数:2
道路标志标线检验批质量验收记录道路标志标线检验批质量验收记录一、背景信息道路标志标线是交通安全管理的重要部分,它们在指引和规范车辆行驶、确保道路安全方面起着关键的作用。
为了确保道路标志标线的质量和规范,本文将详细介绍道路标志标线检验批质量验收的记录过程。
二、验收流程1、准备工作:首先,我们需要收集和整理道路标志标线的施工图纸、技术规范、验收标准等相关资料。
2、现场检查:然后,在现场对标志标线的施划进行实际检查,包括标志牌的位置、标线的清晰度、颜色的规范性等方面。
3、使用合适的工具:使用专用的测量工具,如标线尺和水平仪,对标志标线的各项参数进行精确测量。
4、对比标准:将测量的结果与验收标准进行对比,判断标志标线是否符合要求。
5、记录和报告:将检查结果详细记录,并生成验收报告,同时将报告提交给相关部门和人员。
三、关键指标在检验道路标志标线的质量时,以下是一些关键的指标:1、标志牌的垂直度和水平度:确保标志牌的垂直度和水平度符合规范,以保障行车安全。
2、标志线的清晰度和厚度:标志线的清晰度和厚度直接影响到驾驶员的识别和判断,需要保证其施划质量。
3、标志线的直度和连续性:保证标志线的直度和连续性,以确保驾驶员能够准确判断行驶方向。
4、标志牌和标志线的颜色和反光度:标志牌和标志线的颜色和反光度需要符合规定,以提高夜间和恶劣天气条件下的可视性。
四、总结道路标志标线检验批质量验收记录是保证道路安全的关键环节,需要严格按照规定的流程和标准进行。
通过详细的检查和测量,我们可以确保道路标志标线的质量和规范,降低交通事故的风险。
同时,对于不符合要求的标志标线,及时进行修正和改进,确保道路安全和顺畅。
五、建议和改进为了进一步提高道路标志标线的质量和安全性,我们可以考虑以下建议和改进措施:1、加强施工前的勘察和设计工作,充分考虑实际环境和交通情况,制定合理的标志标线布局方案。
2、提高施工人员的技能和素质,确保他们能够准确施划标志标线,并及时解决现场出现的问题。
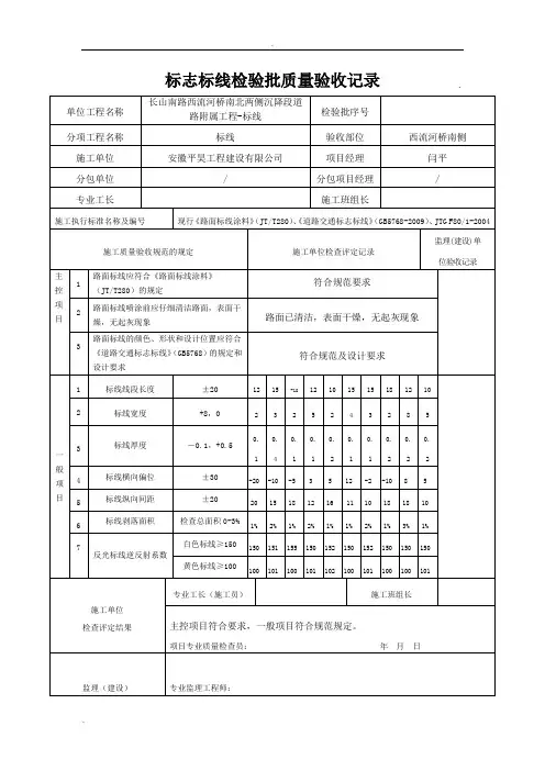
标志标线检验批质量验收记录`单位工程名称长山南路西流河桥南北两侧沉降段道路附属工程-标线检验批序号分项工程名称标线验收部位西流河桥南侧施工单位安徽平昊工程建设有限公司项目经理闫平分包单位/ 分包项目经理/专业工长施工班组长施工执行标准名称及编号现行《路面标线涂料》(JT/T280)、《道路交通标志标线》(GB5768-2009)、JTG F80/1-2004 施工质量验收规范的规定施工单位检查评定记录监理(建设)单位验收记录主控项目1路面标线应符合《路面标线涂料》(JT/T280)的规定符合规范要求2路面标线喷涂前应仔细清洁路面,表面干燥,无起灰现象路面已清洁,表面干燥,无起灰现象3路面标线的颜色、形状和设计位置应符合《道路交通标志标线》(GB5768)的规定和设计要求符合规范及设计要求一般项目1 标线线段长度±20 12 15 -1812 10 15 15 18 12 102 标线宽度+8,0 23 2 5 24 3 2 8 53 标线厚度-0.1,+0.50.10.40.10.10.20.10.10.20.20.24 标线横向偏位±30 -20 -10 -5 3 5 12 -2 -10 8 55 标线纵向间距±20 20 15 18 12 16 11 10 18 18 106 标线剥落面积检查总面积0-3% 1% 2% 1% 2% 1% 1% 2% 1% 3% 1%7反光标线逆反射系数白色标线≥150150 151 155 150 152 150 152 150 150 150黄色标线≥100100 101 100 101 102 100 101 100 100 101施工单位检查评定结果专业工长(施工员)施工班组长主控项目符合要求,一般项目符合规范规定。
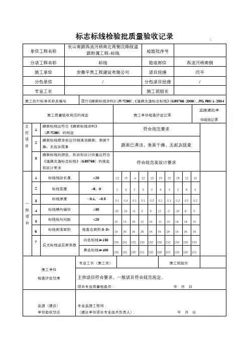
项目专业质量检查员:年月日监理(建设)专业监理工程师:单位验收结论(建设单位项目专业技术负责人):年月日标志标线检验批质量验收记录` 单位工程名称长山南路西流河桥南北两侧沉降段道路附属工程-标线检验批序号分项工程名称标线验收部位西流河桥北侧施工单位安徽平昊工程建设有限公司项目经理闫平分包单位/ 分包项目经理/专业工长施工班组长施工执行标准名称及编号现行《路面标线涂料》(JT/T280)、《道路交通标志标线》(GB5768-2009)、JTG F80/1-2004 施工质量验收规范的规定施工单位检查评定记录监理(建设)单位验收记录主控项目1路面标线应符合《路面标线涂料》(JT/T280)的规定符合规范要求2路面标线喷涂前应仔细清洁路面,表面干燥,无起灰现象路面已清洁,表面干燥,无起灰现象3路面标线的颜色、形状和设计位置应符合《道路交通标志标线》(GB5768)的规定和设计要求符合规范及设计要求一般项目1 标线线段长度±20 11 12 -1312 -1514 18 16 12 -162 标线宽度+8,0 6 4 5 5 2 5 6 2 8 43 标线厚度-0.1,+0.50.10.40.10.30.20.10.10.20.40.14 标线横向偏位±30 -20 -16 -56 8 10 -2 -15 8 -85 标线纵向间距±20 15 16 16 12 -9 11 10 12 18 -86 标线剥落面积检查总面积0-3% 3% 2% 1% 2% 3% 1% 2% 0.5% 1% 1%7反光标线逆反射系数白色标线≥150155 151 155 150 152 150 152 150 150 155黄色标线≥100110 101 100 101 102 100 101 100 105 101施工单位检查评定结果专业工长(施工员)施工班组长主控项目符合要求,一般项目符合规范规定。
道路标志标线检验批质量验收记录50504项目名称:道路标志标线日期:(日期)一、检验批质量验收记录编制依据:1.《道路交通安全设施设计规范》(GB5768-2024);2.《公路工程质量验收规程》(JTGB02-2024);3.《建设工程施工质量检验批和定点详查办法》(JGJ/T160-2024)。
二、检验批质量验收记录编制目的:为了确保道路标志标线工程符合设计要求和相关规范,按照合同要求进行质量验收,以确保工程质量。
三、检验批质量验收记录编制内容:1.项目概况:包括工程名称、项目编号、竣工日期等信息。
2.质量验收目的:明确质量验收的目的和意义。
3.验收范围:确定质量验收的范围和内容。
4.质量验收实施依据:列举质量验收的相关规范和标准。
5.质量验收程序:描述质量验收的具体步骤和流程。
6.验收结果记录:根据验收项目进行质量验收结果的记录。
7.质量验收结论:对工程的质量验收进行综合评价,给出验收结论。
8.存在问题与整改要求:列举工程中存在的问题,并提出整改要求和建议。
9.检验批质量验收人员签字:参与检验批质量验收的人员签字确认。
四、检验批质量验收记录编制步骤:1.明确项目信息和基本要求。
2.制定质量验收计划,确定质量验收的范围和内容。
3.依据相关规范和标准,制定质量验收实施依据。
4.按照质量验收计划进行实施,记录质量验收过程中的关键环节和数据。
5.评价工程的质量验收结果,综合考虑各项指标,给出质量验收结论。
6.针对存在的问题,提出整改要求和建议。
五、检验批质量验收记录编制要求:1.记录完整,信息准确。
2.书写规范,文字清晰。
3.严格按照检验批质量验收程序进行编制。
4.质量验收人员签字确认。
六、检验批质量验收记录编制单位和人员:编制单位:(单位名称)质量验收人员:(姓名)七、检验批质量验收记录编制日期:编制日期:(日期)八、附件(根据需要添加)以上为道路标志标线检验批质量验收记录的基本内容,根据具体项目情况和合同要求进行编制。
` 交通工程交通标志牌检验批质量验收记录表工程名称分部工程名称道路安全设施分项工程名称交通标志牌施工单位专业工长技术负责人验收部位项目负责人施工执行标准名称及编号城镇道路工程施工与质量验收规范CJJ1-2008《道路交通标志标线》(GB5768-2009)验收规范的规定施工单位检查评定记录主控项目1交通标志的制作应符合《道路交通标志和标线》(GB5768-2009)和《公路交通标志板技术条件》(JT/T279-1995)的规定。
2交通标志在运输、安装过程中不应损伤标志面及金属构件的镀层。
3 标志的位置、数量及安装角度应符合设计要求。
4大型标志的地基承载力应符合设计要求。
大型标志柱、梁的焊接部分应符合钢结构焊接规范的质量要求,无裂缝、未熔合、夹渣等缺陷。
5标志面应平整完好,无起皱、开裂、缺损或凹凸变形,标志面任一处面积为500m m×500m m表面上,不得存在总面积大于10mm2的一个或一个以上气泡。
标志面平整完好,无起皱、开裂、缺损或凹凸变形现象6反光膜应尽可能减少拼接,任何标志的字符不允许拼接,当标志板的长度或宽度、圆形标志的直径小于反光膜产品的最大宽度时,底膜不应有拼接缝。
当粘贴反光膜不可避免出现接缝时,应按反光膜产品的最大宽度进行拼接。
一般项目项目允许偏差实测值或实测点偏差值1标志板外形尺寸(mm)±5。
当边长尺寸大于12m时允许偏差为边长的±0.5%;三角形内角应为60°±5°2标志底板厚度(mm)不小于设计3标志汉字、数字、拉丁字的字体及尺寸(mm)应符合规定字体,基本字高不小于设计4 标志面反光膜等级及逆反射系数(cd﹒lx-1﹒m-2)反光膜等级符合设计。
逆反射系数值不小于《公路交通标志板技术条件》(JT/T279-1995)规定。
5 标志板下缘至路面净空高度及标志板内缘距路边缘距离(mm)+100,06 立柱竖直度(mm/m)±37 标志金属构件镀层厚度(µm)标志柱、横梁≧78,紧固度≧508 标志基础尺寸(mm)-50,+1009 基础混凝土强度在合格未准内共实测点,其中合格点,不合格点,合格率 %施工单位检查评定结果项目专业质量检查员:项目专业质量(技术)负责人:年月日监理(建设)单位验收结论监理工程师(建设单位项目技术负责人):年月日。
标志标线检验批质量验收记录`单位工程名称长山南路西流河桥南北两侧沉降段道路附属工程-标线检验批序号分项工程名称标线验收部位西流河桥南侧施工单位安徽平昊工程建设有限公司项目经理闫平分包单位/ 分包项目经理/专业工长施工班组长施工执行标准名称及编号现行《路面标线涂料》(JT/T280)、《道路交通标志标线》(GB5768-2009)、JTG F80/1-2004 施工质量验收规范的规定施工单位检查评定记录监理(建设)单位验收记录主控项目1路面标线应符合《路面标线涂料》(JT/T280)的规定符合规范要求2路面标线喷涂前应仔细清洁路面,表面干燥,无起灰现象路面已清洁,表面干燥,无起灰现象3路面标线的颜色、形状和设计位置应符合《道路交通标志标线》(GB5768)的规定和设计要求符合规范及设计要求一般项目1 标线线段长度±20 12 15 -1812 10 15 15 18 12 102 标线宽度+8,0 23 2 5 24 3 2 8 53 标线厚度-0.1,+0.50.10.40.10.10.20.10.10.20.20.24 标线横向偏位±30 -20 -10 -5 3 5 12 -2 -10 8 55 标线纵向间距±20 20 15 18 12 16 11 10 18 18 106 标线剥落面积检查总面积0-3% 1% 2% 1% 2% 1% 1% 2% 1% 3% 1%7反光标线逆反射系数白色标线≥150150 151 155 150 152 150 152 150 150 150黄色标线≥100100 101 100 101 102 100 101 100 100 101施工单位检查评定结果专业工长(施工员)施工班组长主控项目符合要求,一般项目符合规范规定。
项目专业质量检查员:年月日监理(建设)专业监理工程师:单位验收结论(建设单位项目专业技术负责人):年月日标志标线检验批质量验收记录` 单位工程名称长山南路西流河桥南北两侧沉降段道路附属工程-标线检验批序号分项工程名称标线验收部位西流河桥北侧施工单位安徽平昊工程建设有限公司项目经理闫平分包单位/ 分包项目经理/专业工长施工班组长施工执行标准名称及编号现行《路面标线涂料》(JT/T280)、《道路交通标志标线》(GB5768-2009)、JTG F80/1-2004 施工质量验收规范的规定施工单位检查评定记录监理(建设)单位验收记录主控项目1路面标线应符合《路面标线涂料》(JT/T280)的规定符合规范要求2路面标线喷涂前应仔细清洁路面,表面干燥,无起灰现象路面已清洁,表面干燥,无起灰现象3路面标线的颜色、形状和设计位置应符合《道路交通标志标线》(GB5768)的规定和设计要求符合规范及设计要求一般项目1 标线线段长度±20 11 12 -1312 -1514 18 16 12 -162 标线宽度+8,0 6 4 5 5 2 5 6 2 8 43 标线厚度-0.1,+0.50.10.40.10.30.20.10.10.20.40.14 标线横向偏位±30 -20 -16 -56 8 10 -2 -15 8 -85 标线纵向间距±20 15 16 16 12 -9 11 10 12 18 -86 标线剥落面积检查总面积0-3% 3% 2% 1% 2% 3% 1% 2% 0.5% 1% 1%7反光标线逆反射系数白色标线≥150155 151 155 150 152 150 152 150 150 155黄色标线≥100110 101 100 101 102 100 101 100 105 101施工单位检查评定结果专业工长(施工员)施工班组长主控项目符合要求,一般项目符合规范规定。
路面标线检验批质量检验记录
一、项目基本信息
项目名称:XXX项目
工程地点:XXX地区
施工单位:XXX公司
监理单位:XXX公司
检验单位:XXX检测中心
检验日期:XXXX年XX月XX日
二、施工材料和设备
1. 路面标线漆:XXX品牌XXX型号
2. 标线绘制设备:XXX品牌XXX型号
三、检验内容
1. 路面标线漆的外观质量检验
2. 标线的绘制质量检验
四、检验过程及结果
1. 路面标线漆的外观质量检验
根据《道路交通安全设施标线技术规范》要求,对路面标线漆的外观质量进行检验,包括颜色、光泽度、平整度等指标。
检验过程中,使用色差计、光泽度仪和平整度检测仪,对标线漆进行了逐个采样、测量和评定。
经检验,所有指标均符合规范要求。
2. 标线的绘制质量检验
根据《道路交通安全设施标线技术规范》要求,对标线的绘制质量进行检验,包括线宽、线型、标线之间的间距等指标。
检验过程中,使用测量仪器对标线进行了逐段测量和评定。
经检验,所有指标均符合规范要求。
五、质量问题处理
在本次检验过程中,未发现路面标线漆和标线绘制存在质量问题,符合要求的样品被接受,不合格的样品已进行退库或重新做好质量处理。
六、检验结论。
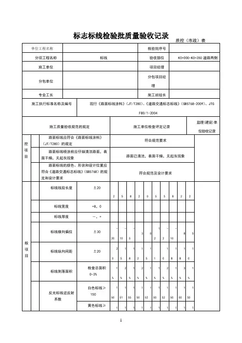
标志标线检验批质量验收记录单位工程名称检验批序号
分项工程名称
标线验收部位
施工单位项目经理
分包单位分包项目经理
专业工长施工班组长
施工执行标准名称及编号现行《路面标线涂料》(JT/T280)、《道路交通标志标线》(GB5768-2009)、
JTG F80/1-2004
施工质量验收规范的规定施工单位检查评定记录监理(建设)单位验收记录
1路面标线应符合《路面标线
涂料》(JT/T280)的规定
符合规范要求
2
路面标线喷涂前应仔细清
洁路面,表面干燥,无起灰
现象
路面已清洁,表面干燥,无起灰现象
3路面标线的颜色、形状和设
计位置应符合《道路交通标
志标线》(GB5768)的规定
和设计要求
符合规范及设计要求
1标线线段长度±2012151018612910 2标线宽度+8,035217843 3标线厚度-0.1,+0.50.10.30.10.30.2-0.1-0.20.3 4标线横向偏位±30181351619251318 5标线纵向间距±207111641381015 6标线剥落面积检查总面2%2%3%1%2%2%1%3%。
标志标线检验批质量验收记录`单位工程名称长山南路西流河桥南北两侧沉降段道路附属工程-标线检验批序号分项工程名称标线验收部位西流河桥南侧施工单位安徽平昊工程建设有限公司项目经理闫平分包单位/ 分包项目经理/专业工长施工班组长施工执行标准名称及编号现行《路面标线涂料》(JT/T280)、《道路交通标志标线》(GB5768-2009)、JTG F80/1-2004 施工质量验收规范的规定施工单位检查评定记录监理(建设)单位验收记录主控项目1路面标线应符合《路面标线涂料》(JT/T280)的规定符合规范要求2路面标线喷涂前应仔细清洁路面,表面干燥,无起灰现象路面已清洁,表面干燥,无起灰现象3路面标线的颜色、形状和设计位置应符合《道路交通标志标线》(GB5768)的规定和设计要求符合规范及设计要求一般项目1 标线线段长度±20 12 15 -1812 10 15 15 18 12 102 标线宽度+8,0 23 2 5 24 3 2 8 53 标线厚度-0.1,+0.50.10.40.10.10.20.10.10.20.20.24 标线横向偏位±30 -20 -10 -5 3 5 12 -2 -10 8 55 标线纵向间距±20 20 15 18 12 16 11 10 18 18 106 标线剥落面积检查总面积0-3% 1% 2% 1% 2% 1% 1% 2% 1% 3% 1%7反光标线逆反射系数白色标线≥150150 151 155 150 152 150 152 150 150 150黄色标线≥100100 101 100 101 102 100 101 100 100 101施工单位检查评定结果专业工长(施工员)施工班组长主控项目符合要求,一般项目符合规范规定。
项目专业质量检查员:年月日监理(建设)专业监理工程师:单位验收结论(建设单位项目专业技术负责人):年月日标志标线检验批质量验收记录` 单位工程名称长山南路西流河桥南北两侧沉降段道路附属工程-标线检验批序号分项工程名称标线验收部位西流河桥北侧施工单位安徽平昊工程建设有限公司项目经理闫平分包单位/ 分包项目经理/专业工长施工班组长施工执行标准名称及编号现行《路面标线涂料》(JT/T280)、《道路交通标志标线》(GB5768-2009)、JTG F80/1-2004 施工质量验收规范的规定施工单位检查评定记录监理(建设)单位验收记录主控项目1路面标线应符合《路面标线涂料》(JT/T280)的规定符合规范要求2路面标线喷涂前应仔细清洁路面,表面干燥,无起灰现象路面已清洁,表面干燥,无起灰现象3路面标线的颜色、形状和设计位置应符合《道路交通标志标线》(GB5768)的规定和设计要求符合规范及设计要求一般项目1 标线线段长度±20 11 12 -1312 -1514 18 16 12 -162 标线宽度+8,0 6 4 5 5 2 5 6 2 8 43 标线厚度-0.1,+0.50.10.40.10.30.20.10.10.20.40.14 标线横向偏位±30 -20 -16 -56 8 10 -2 -15 8 -85 标线纵向间距±20 15 16 16 12 -9 11 10 12 18 -86 标线剥落面积检查总面积0-3% 3% 2% 1% 2% 3% 1% 2% 0.5% 1% 1%7反光标线逆反射系数白色标线≥150155 151 155 150 152 150 152 150 150 155黄色标线≥100110 101 100 101 102 100 101 100 105 101施工单位检查评定结果专业工长(施工员)施工班组长主控项目符合要求,一般项目符合规范规定。
路面标线检验批质量检验记录路面标线检验批质量检验记录一、前言为了保障道路交通安全、提高驾驶员行车效率,路面标线的质量检验显得尤其重要。
本旨在对路面标线检验批的质量检验过程进行详细记录和总结,以确保标线的合格性。
二、检验批信息1. 检验批编号:_________2. 检验批日期:_________3. 检验单位:_________4. 检验批数量:_________5. 施工单位:_________6. 监理单位:_________7. 监测人员:_________三、检验项目1. 路面标线涂料的质量检验1.1 准备工作1.1.1 检查涂料储存条件1.1.2 确认涂料样品及检验设备齐备1.2 检验过程1.2.1 检查涂料规格型号是否符合要求1.2.2 测定涂料干燥时间1.2.3 测定涂料的标准稀释比例1.3 检验结果记录1.3.1 记录涂料规格型号、干燥时间、稀释比例的测定结果1.3.2 对不合格项目进行标记并通知施工单位2. 路面标线施工工艺的质量检验2.1 准备工作2.1.1 确认施工材料及检验设备齐备2.1.2 检查施工现场准备情况2.2 检验过程2.2.1 检查施工人员是否具备相应资质2.2.2 检查施工设备是否正常运转2.2.3 观察施工过程是否符合规范要求2.3 检验结果记录2.3.1 记录施工人员资质和设备运转情况2.3.2 观察并记录施工过程中浮现的问题和不合格情况3. 路面标线质量验收3.1 准备工作3.1.1 确认验收标准和规范3.1.2 检查标线施工质量的关键指标3.2 检验过程3.2.1 观察标线的颜色和线形是否满足要求3.2.2 测量标线的宽度和长度是否符合规范要求3.2.3 检查标线与其他道路设施的连接和边界是否良好3.3 检验结果记录3.3.1 记录标线的颜色、线形、宽度和长度测量结果3.3.2 对不合格情况作出评价,并提出整改要求四、附件本所涉及的附件如下:1. 检验批信息表2. 路面标线涂料质量检验记录表3. 路面标线施工工艺质量检验记录表4. 路面标线质量验收记录表五、法律名词及注释1. 道路交通安全法:指规范道路交通行为,维护道路交通秩序的法律。
标志标线检验批质量验收记录一、项目概述1.1 项目名称:标志标线工程1.2 项目地点:XXX市1.3 项目负责单位:XXX公司二、检验批信息2.1 检验批编号:XXX-012.2 检验批名称:标志标线工程(第一批)2.3 检验批规模:XXX平方米三、验收人员3.1 验收人员:XXX、XXX、XXX3.2 验收日期:XXXX年XX月XX日四、质量验收内容4.1 施工现场检查4.1.1 现场环境是否整洁,是否有明显污染物4.1.2 施工工地是否按照标准设置警示标志、隔离措施等4.2 标志标线质量检查4.2.1 检查标志标线的位置、形状、尺寸是否符合设计要求4.2.2 检查标志标线的标识文字、图案等是否清晰、准确4.2.3 检查标志标线的颜色、亮度是否符合国家相关标准4.2.4 检查标志标线的损伤情况、是否有漏刷、漏涂等问题4.3 材料验收4.3.1 检查标志标线材料的合格证明、检验报告等证明文件4.3.2 检查标志标线材料的包装、保质期等是否符合要求4.3.3 选取若干样本进行实验室检测,验证材料的质量是否合格五、质量验收结果5.1 施工现场检查结论根据对施工现场的检查,现场环境整洁,无明显污染物;施工工地设置了标准的警示标志、隔离措施等,符合要求。
5.2 标志标线质量检查结论根据对标志标线的检查,标志标线的位置、形状、尺寸符合设计要求;标识文字、图案清晰、准确;颜色、亮度符合国家相关标准;无损伤、漏刷、漏涂等问题。
5.3 材料验收结论材料合格证明、检验报告等证明文件齐全;材料的包装、保质期符合要求;实验室检测结果显示材料质量合格。
六、质量验收意见6.1 验收结果经过对施工现场、标志标线及材料的检查,符合设计要求,质量合格。
6.2 验收结论标志标线检验批质量验收合格。
七、存在的问题及改进措施7.1 存在的问题无7.2 改进措施提高施工人员的技术水平和安全意识,加强对施工现场的管理,保证施工过程的质量控制。
路面标线检验批质量验收记录模板范本一:路面标线检验批质量验收记录一、引言本验收记录用于对路面标线进行质量检验验收,确保路面标线施工质量符合相关要求和标准。
二、验收对象路面标线检验批质量验收的对象为施工完成的路面标线。
三、验收标准1. 施工单位应按照像关的施工规范和标准进行施工,其中包括但不限于国家标准、行业标准等。
2. 路面标线应满足以下要求:2.1 符合设计要求,包括线型、宽度、颜色、标志和标线字体等。
2.2 标线涂料应具有良好的附着力、耐久性和耐候性,不易剥落和脱落。
2.3 标线应整齐、连续、平直,无明显漏涂、浮涂和断线现象。
2.4 标线的厚度应符合要求,且与路面平整度相协调。
四、验收内容1. 路面标线施工前的准备工作是否符合要求,包括但不限于材料准备、施工工艺准备等。
2. 路面标线的施工质量是否满足要求,包括但不限于标线涂料的质量、标线的整体质量等。
3. 路面标线的附属设施是否完善,包括但不限于标线边缘线、标线标志等。
4. 施工过程中是否存在违规行为或者质量问题,包括但不限于未按要求施工、施工中存在漏涂、脱落等现象。
五、验收程序1. 进行路面标线检验前,需通知施工单位做好相关准备工作。
2. 进行现场检查和抽样取样,对标线进行实地测量和检验。
3. 对取样的标线样品进行实验室测试,包括但不限于涂料附着力测试、耐候性测试等。
4. 根据实地检查和实验室测试结果,对标线施工质量进行评估和判定。
5. 根据评估和判定结果,出具路面标线质量验收报告。
六、验收结果1. 如果标线施工质量与要求相符合,则认定为合格,出具合格证明。
2. 如果标线施工质量存在问题,则认定为不合格,并提出整改要求。
3. 对于验收结果,需将相关记录进行整理和归档。
附件:1. 标线设计图纸和说明书2. 标线涂料质量检验报告3. 标线施工记录4. 实地测量记录5. 实验室测试报告法律名词及注释:1. 施工规范:施工过程中需遵循的相关规范和标准。
标志标线检验批质量验收记录` 单位工程名称南昌市志敏大道道路工程检验批序号分项工程名称标线验收部位K1+130-K1+845道路北侧施工单位福建省融旗建设工程有限公司项目经理骆志文分包单位/ 分包项目经理/专业工长郭炳忠施工班组长吴长水施工执行标准名称及编号现行《路面标线涂料》(JT/T280)、《道路交通标志标线》(GB5768-2009)、JTG F71-2006 施工质量验收规范的规定施工单位检查评定记录监理(建设)单位验收记录主控项目1路面标线应符合《路面标线涂料》(JT/T280)的规定符合规范要求2路面标线喷涂前应仔细清洁路面,表面干燥,无起灰现象路面已清洁,表面干燥,无起灰现象3路面标线的颜色、形状和设计位置应符合《道路交通标志标线》(GB5768)的规定和设计要求符合规范及设计要求一般项目1 标线线段长度±20 12 15 18 12 10 15 15 18 12 122 标线宽度+8,0 23 2 5 2 1 3 2 8 53 标线厚度-0.1,+0.5 0.1 0.2 0.1 0.1 0.2 0.1 0.1 0.2 0.2 0.24 标线横向偏位±30 -20 -10 -5 3 5 12 -2 -10 8 55 标线纵向间距±20 20 15 18 12 15 11 10 18 18 106 标线剥落面积检查总面积0-3% 1% 2% 1% 2% 1% 1% 2% 1% 3% 1% 7反光标线逆反射系数白色标线≥150150 151 155 150 152 150 152 150 150 150黄色标线≥100100 101 100 101 102 100 101 100 100 101 施工单位检查评定结果专业工长(施工员)施工班组长项目专业质量检查员:年月日监理(建设)单位验收结论专业监理工程师:(建设单位项目专业技术负责人):年月日。
` 交通工程交通标志牌检验批质量验收记录表
工程名
称分部工
程名称
道路安
全设施
分项工程
名称
交通标志
牌
施工单
位专业工
长
技术负责
人
验收部位项目负责
人
施工执行标准名称及
编号
城镇道路工程施工与质量验收规范CJJ1-2008《道路交通标志标线》(GB5768-2009)
验收规范的规定施工单位检查评定记录
主控项目1
交通标志的制作应符合《道路交通标志和标线》(GB
5768-2009)和《公路交通标志板技术条件》(JT/T
279-1995)的规定。
2
交通标志在运输、安装过程中不应损伤标志面及金属构件的镀层。
3 标志的位置、数量及安装角度应符合设计要求。
4
大型标志的地基承载力应符合设计要求。
大型标志柱、梁的焊接部分应符合钢结构焊接规范的质量要求,无裂缝、未熔合、
夹渣等缺陷。
5
标志面应平整完好,无起皱、开裂、缺损或凹凸变形,标志面任一处面积为500m m×500m m表面上,不得存在总面积大于10mm2的一个或一个以上气泡。
标志面平整完好,无起皱、开裂、缺损或凹凸变形现象
6
反光膜应尽可能减少拼接,任何标志的字符不允许拼接,当标志板的长度或宽度、圆形标志的直径小于反光膜产品的最大宽度时,底膜不应有拼接缝。
当粘贴反光膜不可避免出现接缝时,应按反光膜产品的最大宽度进行拼
接。
一项目允许偏差实测值或实测点偏差值
般
项目1 标志板外形尺
寸(mm)
±5。
当边长尺寸大于12m
时允许偏差为边长的±
0.5%;三角形内角应为
60°±5°
2 标志底板厚度
(mm)
不小于设计
3
标志汉字、数
字、拉丁字的
字体及尺寸
(mm)
应符合规定字体,基本字
高不小于设计
4
标志面反光膜
等级及逆反射
系数(cd﹒
lx-1﹒m-2)
反光膜等级符合设计。
逆
反射系数值不小于《公路
交通标志板技术条件》
(JT/T279-1995)规定。
5
标志板下缘至
路面净空高度
及标志板内缘
距路边缘距离
(mm)
+100,0
6 立柱竖直度
(mm/m)
±3
7 标志金属构件
镀层厚度(µm)
标志柱、横梁≧78,紧固
度≧50
8 标志基础尺寸
(mm)
-50,+100
9 基础混凝土强
度
在合格未准内
共实测点,其中合格点,不合格点,合格率 %
施工单位检查
评定结果
项目专业质量检查员:项目专业质量(技术)负责人:年月日监理(建设)
单位
验收结论
监理工程师(建设单位项目技术负责人):年月日。