交通标志工程检验批质量验收记录
- 格式:doc
- 大小:43.00 KB
- 文档页数:2
道路标志标线检验批质量验收记录长山南路西流河桥南北两侧的道路出现沉降问题,需要进行标线施工。
本次施工由XXX负责,施工单位为分包单位。
施工前,施工班组长按照现行《路面标线涂料》(JT/T280)、《道路交通标志标线》(GB5768-2009)、JTG F80/1-2004监理(建设)单施工质量验收规范的规定进行了检查评定。
施工过程中,路面标线应符合《路面标线涂料》(JT/T280)的规定,喷涂前应仔细清洁路面,表面干燥,无起灰现象。
同时,标线的颜色、形状和设计位置应符合《道路交通标志标线》(GB5768)的规定和设计要求。
标线线段长度、宽度、厚度、横向偏位、纵向间距、剥落面积等指标也需要符合规范要求。
施工单位进行了检查评定,并且符合规范要求,路面已清洁,表面干燥,无起灰现象,符合规范及设计要求。
检查总面积在0-3%之间,白色标线≥150,反光标线逆反射系数为150,黄色标线≥100.项目专业质量检查员和监理工程师也对施工进行了验收,认为符合要求。
最终,长山南路西流河桥南北两侧的标线施工验收合格。
道路交通标志标线》(GB5768-2009)和设计要求。
标线线段长度、宽度、厚度、横向偏位、纵向间距、剥落面积等应符合规范要求。
施工单位应进行检查评定记录,确保符合规范要求。
在淮北经济技术开发区二期市政道路交通管理设施工程中,XXX负责标志标线的施工。
施工前,应按照现行的《路面标线涂料》(JT/T280)、《道路交通标志标线》(GB5768-2009)和JTG F80/1-2004监理(建设)单施工质量验收规范的规定,仔细清洁路面,确保表面干燥,无起灰现象。
同时,路面标线的颜色、形状和设计位置也应符合规范和设计要求。
标线线段长度、宽度、厚度、横向偏位、纵向间距、剥落面积等也应符合规范要求。
施工单位应当进行检查评定记录,确保符合规范要求,并进行专业质量检查员的评定。
最终,经过施工单位的检查评定结果显示,主控项目符合要求,一般项目符合规范规定。
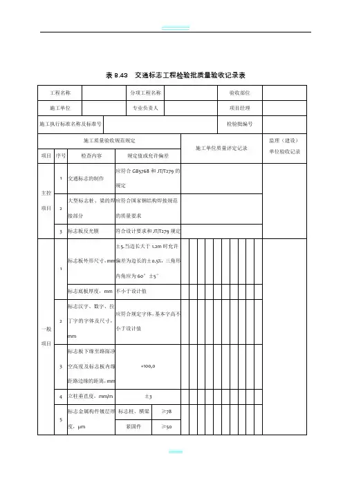
交通标志工程检验批质量验收记录表(可以直接使用,可编辑实用优秀文档,欢迎下载)表B.43交通标志工程检验批质量验收记录表2.7安全设施及交通标志施工2.7.1材料1.材料要求(1)立柱a.立柱所用的钢板、角钢及槽钢应符合招标文件技术规范标准。
凡钢管外径在152mm以下(含152mm)的立柱,采用普通碳素结构钢焊接钢管,并应符合《碳素结构钢》(GB/T7(X)-1988)的要求;凡钢管外径在152mm以上的立柱,采用一般常用热轧无缝钢管,并应符合《结构用无缝钢管》(GB/T8r62-1987)的规定。
b.所有标志柱应配有柱帽,柱帽可采用板厚为3rmn的钢板焊接或其它方法紧固在立柱上,或采用监理工程师批准的其他型式的柱帽。
(2)标志板(未粘贴反光膜)a.标志板应符合《公路交通标志板技术条件》(JT/T279-1995)的规定。
b.标志板采用铝合金板制造,应符合《铝及铝合金板材的尺寸及允许偏差》(GB/T3194-1998)和《铝及铝合金板材》(GB/T3880-1997)的规定;标志板背面的滑动槽钢和三角钢可采用铝合金挤压型材制成,并符合《工业用铝及铝合金热挤压型材》(GB/T6892-1986)的规定。
c.标志板面应无裂缝或其它表面缺陷;标志板边缘应整齐、光滑;标志板的外形尺寸偏差为±5mm,若外形尺寸大于1.2m2时,其偏差为其外形尺寸的±0.5%;标志板应平整,表面无明显皱纹、凹痕或变形,每平方米范围内的平整度公差不应大于1.Omm。
d.除尺寸大的指路标志外,所有标志板应由单块铝合金板或薄钢板加工制成,不允许拼接。
e.标志底板面应进行化学清洗和浸蚀或磨面处理,清除表面杂质。
当标志图案、字符是喷漆制作时,应先在标志底板面均匀涂一层磷化底漆。
f.标志板背面不应涂漆,但应采用适当的化学或物理方法,使其表面变成暗灰色和不反光。
标志板背面应无刻痕或其它缺陷。
(3)标志面标志面的逆反射材料有反光标志膜(反光膜)、反光涂料及反射器三类。
道路标志标线检验批质量验收记录标志标线检验批质量验收记录质控(市政)表C.0.177单位工程名称:南昌市志敏大道道路工程分项工程名称:标线施工单位:XXX分包单位:无专业工长:XXX施工执行标准名称及编号:现行《路面标线涂料》(JT/T280)、《道路交通标志标线》(GB5768-2009)、JTG F71-2006检验批序号:K1+130-K1+845道路北侧验收部位:路面标线项目经理:XXX分包项目经理:无施工班组长:XXX路面标线应符合《路面标线涂料》(JT/T280)的规定。
在喷涂前,路面应仔细清洁,表面干燥,无起灰现象。
路面标线的颜色、形状和设计位置应符合《道路交通标志标线》(GB5768)的规定和设计要求。
标线线段长度、宽度、厚度、横向偏位、纵向间距、剥落面积的质量应符合施工质量验收规范的规定。
具体要求如下:标线线段长度:±20标线宽度:+8,-0.1,+0.5标线厚度:±30标线横向偏位:±20标线纵向间距:1215标线剥落面积:3%施工单位应对路面进行检查评定,并记录在位验收记录中。
检查结果如下:路面已清洁,表面干燥,无起灰现象。
符合规范要求。
标线颜色、形状和设计位置符合规范及设计要求。
符合规范及设计要求。
标线质量检查结果如下:标线线段长度:0.1标线宽度:0.2标线厚度:0.1标线横向偏位:2%标线纵向间距:0.2标线剥落面积:1%标线反光性能检查结果如下:白色标线反光系数≥150黄色标线反光系数≥100施工单位和监理单位均认为标线质量符合要求,可以进行验收。
专业监理工程师和项目专业质量检查员对此次验收结果进行确认。
小结:南昌市志敏大道道路工程标线施工符合相关规范和设计要求,标线质量符合验收标准,可以进行验收。
交通标志工程检验批质量验收记录` 单位工程名称贵阳市观山湖区奋进路~吉利路立交工程检验批序号分项工程名称交通安全设施验收部位K1+130-K1+845道路北侧施工单位福建上河建筑工程有限公司项目经理汪强分包单位/ 分包项目经理/专业工长徐海财施工班组长施工执行标准名称及编号现行《路面标线涂料》(JT/T280)、《道路交通标志标线》(GB5768-2009)、JTG F71-2006施工质量验收规范的规定施工单位检查评定记录监理(建设)单位验收记录主控项目1 交通标志的制作应符合GB5768和JT/T279的规定符合规范要求2大型标志桩、梁的焊接部分应符合国家钢结构焊接规范的质量要求符合规范要求3 标志板反光膜符合设计要求和JT/T279规定符合规范要求一般项目1标志板外形尺寸(mm)±5。
当边长尺寸大于1.2m时允许偏差为边长的±0.5%;三角形内角应为60°±5°标志底板厚度(mm)不小于设计值(3mm)2标志汉字、数字、拉丁字的字体及尺寸(mm)应符合规定字体,基本字高不小于设计值3标志板下缘至路面净空高度及标志板哪缘距路边缘的间距(mm)+100,04 立柱垂直度±35标志金属构件镀层厚度um标志桩、横梁≥78紧固件≥506标志基础尺寸(mm)-50,+1007 基础混凝土强度不小于设计值(C25)8标志金属构件镀锌层应均匀、颜色一致,无流挂、滴流或多余结块,镀件表面应无漏镀、露铁等缺陷。
9标志板应平整完好,不应有起皱、开裂、缺损或凹凸变形。
施工单位检查评定结果专业工长(施工员)施工班组长项目专业质量检查员:年月日监理(建设)单位验收结论专业监理工程师:(建设单位项目专业技术负责人):年月日。